專家詳述電源外圍電路知多少
發布時間:2015-10-23 責任編輯:echolady
【導讀】電源想要更好的工作就必須添加必要的外圍電路,這些外圍電路都是為了實現不同的功能,例如輸出特殊的電壓、實現額外的保護特性、獲得更大的輸出功率,本文就詳細講述了各種電源外圍單路,希望初學者能夠學以致用。
1.1一、正負輸出接成單路輸出

1.2二、兩個電源的輸出串聯增大輸出電壓

輸出串聯在要求輸出不常用的電壓時比較方便。如:需要輸出一個17V的電源,找一個5V和一個12V輸出的串聯即可。
1.3三、輸出並聯,增大輸出電流或冗餘應用
注意:電源的並聯有專門的技術解決方案,除非有特別的說明支持輸出並聯,一般而言,電源的輸出不能直接並聯。

[page]
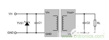
1.4四、防輸入反接

還有一種常見的防反接方案是用TVS,輸入反接時,輸入的電源通過TVS短路,能量不輸入到後級電源裏。

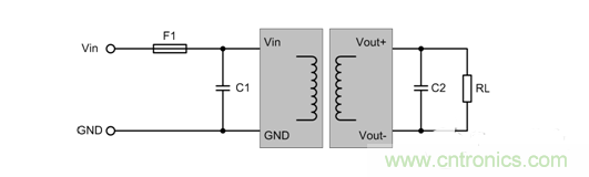
1.5五、防輸出短路或過流
最簡單的做法是在輸入端或輸出端串聯一個自恢複保險絲,但自恢複保險絲的精度不高,過流保護的效果可能不如意。


1.6五、輸入過壓/欠壓保護
對(dui)於(yu)輸(shu)入(ru)端(duan)帶(dai)開(kai)關(guan)機(ji)控(kong)製(zhi)的(de)電(dian)源(yuan)來(lai)說(shuo),關(guan)掉(diao)電(dian)源(yuan)可(ke)以(yi)承(cheng)受(shou)更(geng)高(gao)的(de)輸(shu)入(ru)過(guo)電(dian)壓(ya),輸(shu)入(ru)欠(qian)壓(ya)時(shi),也(ye)能(neng)保(bao)護(hu)不(bu)會(hui)因(yin)過(guo)流(liu)損(sun)壞(huai)。如(ru)下(xia)圖(tu),通(tong)過(guo)簡(jian)單(dan)的(de)431基準檢測電路,可精確設置過壓或欠壓保護值,保護電源在輸入電壓異常情況下不損壞。

技術詳解:三種實用的UC3842/3的外圍電路
電路攻略:機械手視覺係統外圍電路設計
高能效,簡潔外圍電路的LED驅動電源方案
特別推薦
- 噪聲中提取真值!瑞盟科技推出MSA2240電流檢測芯片賦能多元高端測量場景
- 10MHz高頻運行!氮矽科技發布集成驅動GaN芯片,助力電源能效再攀新高
- 失真度僅0.002%!力芯微推出超低內阻、超低失真4PST模擬開關
- 一“芯”雙電!聖邦微電子發布雙輸出電源芯片,簡化AFE與音頻設計
- 一機適配萬端:金升陽推出1200W可編程電源,賦能高端裝備製造
技術文章更多>>
- 邊緣AI的發展為更智能、更可持續的技術鋪平道路
- 每台智能體PC,都是AI時代的新入口
- IAR作為Qt Group獨立BU攜兩項重磅汽車電子應用開發方案首秀北京車展
- 構建具有網絡彈性的嵌入式係統:來自行業領袖的洞見
- 數字化的線性穩壓器
技術白皮書下載更多>>
- 車規與基於V2X的車輛協同主動避撞技術展望
- 數字隔離助力新能源汽車安全隔離的新挑戰
- 汽車模塊拋負載的解決方案
- 車用連接器的安全創新應用
- Melexis Actuators Business Unit
- Position / Current Sensors - Triaxis Hall
熱門搜索
Future
GFIVE
GPS
GPU
Harting
HDMI
HDMI連接器
HD監控
HID燈
I/O處理器
IC
IC插座
IDT
IGBT
in-cell
Intersil
IP監控
iWatt
Keithley
Kemet
Knowles
Lattice
LCD
LCD模組
LCR測試儀
lc振蕩器
Lecroy
LED
LED保護元件
LED背光




