多年積蓄:12款逆變器電路圖齊分享【原創】
發布時間:2014-04-14 責任編輯:sherryyu
【導讀】逆(ni)變(bian)器(qi)憑(ping)借(jie)著(zhe)其(qi)高(gao)的(de)轉(zhuan)換(huan)效(xiao)率(lv),啟(qi)動(dong)快(kuai),安(an)全(quan)性(xing)能(neng)好(hao)等(deng)特(te)點(dian)被(bei)廣(guang)泛(fan)應(ying)用(yong)月(yue)各(ge)個(ge)領(ling)域(yu)。而(er)關(guan)於(yu)逆(ni)變(bian)器(qi)的(de)電(dian)路(lu)設(she)計(ji)方(fang)案(an)也(ye)是(shi)有(you)很(hen)多(duo)。工(gong)程(cheng)師(shi)們(men)有(you)福(fu)了(le),一(yi)位(wei)資(zi)深(shen)工(gong)程(cheng)師(shi)拿(na)出(chu)來(lai)自(zi)己(ji)多(duo)年(nian)來(lai)的(de)積(ji)蓄(xu),將(jiang)分(fen)享(xiang)給(gei)大(da)家(jia)他(ta)碰(peng)到(dao)的(de)很(hen)有(you)價(jia)值(zhi)的(de)逆(ni)變(bian)器(qi)的(de)電(dian)路(lu)設(she)計(ji),共(gong)有(you)12款電路,大家可以隨意挑選,學習!
12款很有價值的逆變器的電路設計,大家可以隨意挑選,學習!
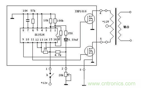
第一種逆變器電路:

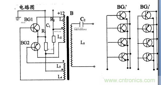
第二種逆變器電路:

第三種逆變器電路:

第四種逆變器電路:

第五種逆變器電路:

第六種逆變器電路:

第七種逆變器電路:

第八種逆變器電路:

第九種逆變器電路:

第十種逆變器電路:

第十一種逆變器電路:

第十二種逆變器電路:

相關閱讀:
一款低成本、高可靠性的逆變器電源電路設計
特別推薦
- 噪聲中提取真值!瑞盟科技推出MSA2240電流檢測芯片賦能多元高端測量場景
- 10MHz高頻運行!氮矽科技發布集成驅動GaN芯片,助力電源能效再攀新高
- 失真度僅0.002%!力芯微推出超低內阻、超低失真4PST模擬開關
- 一“芯”雙電!聖邦微電子發布雙輸出電源芯片,簡化AFE與音頻設計
- 一機適配萬端:金升陽推出1200W可編程電源,賦能高端裝備製造
技術文章更多>>
- 貿澤EIT係列新一期,探索AI如何重塑日常科技與用戶體驗
- 算力爆發遇上電源革新,大聯大世平集團攜手晶豐明源線上研討會解鎖應用落地
- 創新不止,創芯不已:第六屆ICDIA創芯展8月南京盛大啟幕!
- AI時代,為什麼存儲基礎設施的可靠性決定數據中心的經濟效益
- 矽典微ONELAB開發係列:為毫米波算法開發者打造的全棧工具鏈
技術白皮書下載更多>>
- 車規與基於V2X的車輛協同主動避撞技術展望
- 數字隔離助力新能源汽車安全隔離的新挑戰
- 汽車模塊拋負載的解決方案
- 車用連接器的安全創新應用
- Melexis Actuators Business Unit
- Position / Current Sensors - Triaxis Hall
熱門搜索
Future
GFIVE
GPS
GPU
Harting
HDMI
HDMI連接器
HD監控
HID燈
I/O處理器
IC
IC插座
IDT
IGBT
in-cell
Intersil
IP監控
iWatt
Keithley
Kemet
Knowles
Lattice
LCD
LCD模組
LCR測試儀
lc振蕩器
Lecroy
LED
LED保護元件
LED背光



