高功率密度二次模塊的實現方法
發布時間:2013-03-19 責任編輯:hedyxing
【導讀】高功率密度二次電源模塊是目前發展最快的電源產品之一。對於DC/DC 低di壓ya大da電dian流liu輸shu出chu,副fu邊bian采cai用yong同tong步bu整zheng流liu的de有you源yuan箝qian位wei正zheng激ji變bian換huan器qi雖sui有you一yi定ding優you點dian,但dan卻que是shi一yi個ge使shi許xu多duo公gong司si遭zao遇yu很hen大da損sun失shi的de美mei國guo專zhuan利li。本ben文wen從cong現xian有you高gao功gong率lv密mi度du二er次ci模mo塊kuai實shi現xian的de方fang法fa出chu發fa,提ti供gong一yi些xie對dui此ci類lei產chan品pin的de開kai發fa思si路lu和he產chan品pin優you化hua方fang案an。
DC/DC二次電源是發展最為迅速的高頻開關電源。它主要為通信單板上的各種IC供gong電dian,其qi趨qu勢shi是shi低di電dian壓ya,大da電dian流liu,低di厚hou度du,高gao功gong率lv密mi度du和he高gao效xiao率lv等deng等deng。產chan品pin有you小xiao功gong率lv非fei標biao準zhun品pin和he中zhong大da功gong率lv標biao準zhun品pin兩liang類lei,後hou者zhe是shi目mu前qian發fa展zhan的de方fang向xiang,如ru全quan磚zhuan,半ban磚zhuan,1/4 磚和1/8 磚。標準產品的功率密度愈來愈高,輸出電壓愈來愈低,輸出電流愈來愈大,產品工藝愈來愈難。
一個生產DC/DC 二次電源模塊的公司,必須具有快速的產品響應能力,方能適應通信客戶迅速增長的需求。前幾年,不少電源公司在開發DC/DC 標準磚類產品中,一般會選擇有源箝位正激電路作為主電路,用鋁基板作為主工藝,原因是有太多的文獻對
有源箝位正激電路作了正麵介紹,這些文獻對有源箝位正激變換器的優點描述如下:
(1)因輔助開關SA ,使變壓器的激磁能量得以回饋和利用;
(2)變壓器的充分去磁和I,III象限工作可減小變壓器的體積;
(3)無開關電壓尖峰,消除了吸收電路;
(4)可工作在大於0.5 的占空比範圍,從而可提高變壓器變比( Np : Ns ),減小原邊開關和變壓器的導電損耗;減小付邊二極管的反向電壓從而減小其導電損耗;減小濾波電感L 的大小等等;
(5)低壓大電流輸出時,副邊整流用的MOSFET nengfangbiantongbudijinxingziqudong。yaojianggaidianluzuochengyigehaodechanpin,bingbushiyijianrongyideshiqing,yuanyinshitadedongtaiguanxifuza,dongtaizhibiaonanyiyouhua,youqizaidadongtaishi,feichangrongyisunhuaifuguan。yuqileisidezhuanlishihubuqudongbanqiaodianlu,tayeshiyigemeiguozhuanli,yeyoutongyangdedongtaiwenti,erqiezaiqingzaishifeichangrongyisunhuaiguanzi。
現有高功率密度二次模塊產品方案的原理和優點
標準DC/DC 二次電源(半磚,1/4 磚)模塊,采用了Buck 與DC/DC 變壓器相級聯的兩級電路方案,如圖(1)所示。初初一看,這個方案比單級方案(如有源箝位正激電路)的元器件數要多,不太合理。但通過分析,可以發現:其功率器件的總數並沒有增加(因為在低壓大電流輸出的應用場合,輸出同步整流MOSFET 即使在單級方案中也要多個並聯才能實現效率指標);磁芯和電容元件的總麵積也沒有增加(因為可以用更小的磁芯和電容)。但由於兩級方案容易優化和設計,故模塊的電氣性能得到了極大的改善,具體分析見下麵的介紹。

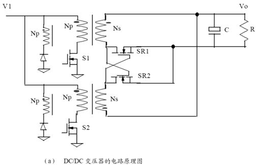
這個方案的第一級是一個同步整流Buck 變換器,它將不穩定的輸入電壓,調整到後級DC/DC 變壓器所合適的輸入電壓,通過反饋輸出和誤差放大等,去控製Buck 變換器的PWM占空比,從而穩定輸出。DC/DC 變壓器的電路和工作波形如圖2 所示:


原邊兩個主管S1 和 S2 采用方波控製,各自的占空比為50%,且互補。有下列穩態關係:
Vo=V1/N, 其中N=Np/Ns
又因為V1=dVin,所以兩級總的輸入輸出關係為:Vo=dVin/N。這個關係與正激電路是相同的。
從圖中可知,其副邊同步整流的驅動電壓為2Vo,是與負載和輸入電壓無關的常數。對這種方案進行仔細分析後,可知其有如下優點:
(1)因輸入MOSFET 的最大耐壓為Vinmax,輸出MOSFET 的最大電壓為2Vomax,故所有功率器件全部可用SO-8 封裝;
(2)因DC/DC 變壓器由兩個鐵芯實現,故大電流輸出時副邊PCB 連線的導電損耗可大大減少;
(3)由於電感放在原邊,故其設計更加容易,同時也減少了放在副邊時的導電損耗;
(4)副邊MOSFET 的自驅動很容易,且其驅動電壓固定;
(5)最大工作占空比的設計可由DC/DC 變壓器的變比決定,非常靈活;
(6)電路的動態性能優越,環路容易設計和補償;
(7)可方便多層PCB 的布板,更易提高模塊的功率密度,等等。
綜上所述 ,這種方案在那些寬輸入電壓範圍,高功率密度,低厚度,低電壓大電流輸出的應用場合(如半磚,1/4 磚模塊)具有很多單級電路所沒有的優點,可以獲得更高的效率,更好的動態,更高的功率密度和更高的可靠性。
現有高功率密度二次模塊產品方案的創新點
此(ci)方(fang)案(an)實(shi)際(ji)上(shang)是(shi)非(fei)常(chang)簡(jian)單(dan)的(de)兩(liang)級(ji)電(dian)路(lu)的(de)級(ji)聯(lian)。它(ta)的(de)創(chuang)新(xin)點(dian)是(shi)敢(gan)於(yu)挑(tiao)戰(zhan)傳(chuan)統(tong)單(dan)級(ji)電(dian)路(lu)的(de)框(kuang)框(kuang),從(cong)不(bu)同(tong)的(de)角(jiao)度(du)考(kao)慮(lv)產(chan)品(pin)的(de)實(shi)現(xian)。實(shi)際(ji)上(shang),兩(liang)級(ji)PFC 與單級PFC 是極為類似的例子,在AC/DC 研究中,大家已逐漸認識到:單級PFC 可能是一個誤區,兩級才是AC/DC產品開發的最好選擇。在DC/DC 研(yan)究(jiu)中(zhong),尤(you)其(qi)是(shi)寬(kuan)輸(shu)入(ru)範(fan)圍(wei),低(di)壓(ya)大(da)電(dian)流(liu)輸(shu)出(chu)的(de)那(na)些(xie)場(chang)合(he),我(wo)認(ren)為(wei)有(you)同(tong)樣(yang)的(de)問(wen)題(ti)存(cun)在(zai),但(dan)是(shi)在(zai)此(ci)方(fang)案(an)提(ti)出(chu)以(yi)前(qian),大(da)家(jia)都(dou)沒(mei)有(you)往(wang)這(zhe)個(ge)方(fang)麵(mian)去(qu)想(xiang)。所(suo)以(yi)這(zhe)種(zhong)想(xiang)法(fa)是(shi)更(geng)實(shi)際(ji)的(de)想(xiang)法(fa),是(shi)真(zhen)正(zheng)的(de)創(chuang)新(xin)。
zuoweiyigedianyuanchanpindekaifa,shijishangshiduiyigeduobianliangxitongjinxingyouhuayuzhezhongdeguocheng,suoyichuangxinjiushiyizhonggengquanmianjiejuewentidefangfa。ruguonengyongzuijiandandedianlushixian,namebianshizuihaodechuangxin。cifangandechuangxindianzhengzaiyuci。tamendefangankanqilaifeichangjiandan,yizhiyuxuduorendouhuihulvediao,danqibianchengchanpinhou,qiejuyouzuihaodexingjiabi。
結論
本ben文wen從cong介jie紹shao現xian有you高gao功gong率lv密mi度du二er次ci模mo塊kuai模mo塊kuai實shi現xian的de新xin方fang法fa出chu發fa,對dui思si路lu,創chuang新xin和he產chan品pin的de優you化hua作zuo了le比bi較jiao。希xi望wang電dian源yuan開kai發fa人ren員yuan不bu要yao拘ju泥ni於yu傳chuan統tong的de觀guan點dian和he思si路lu,要yao從cong多duo個ge角jiao度du考kao慮lv問wen題ti。
特別推薦
- 噪聲中提取真值!瑞盟科技推出MSA2240電流檢測芯片賦能多元高端測量場景
- 10MHz高頻運行!氮矽科技發布集成驅動GaN芯片,助力電源能效再攀新高
- 失真度僅0.002%!力芯微推出超低內阻、超低失真4PST模擬開關
- 一“芯”雙電!聖邦微電子發布雙輸出電源芯片,簡化AFE與音頻設計
- 一機適配萬端:金升陽推出1200W可編程電源,賦能高端裝備製造
技術文章更多>>
- 貿澤EIT係列新一期,探索AI如何重塑日常科技與用戶體驗
- 算力爆發遇上電源革新,大聯大世平集團攜手晶豐明源線上研討會解鎖應用落地
- 創新不止,創芯不已:第六屆ICDIA創芯展8月南京盛大啟幕!
- AI時代,為什麼存儲基礎設施的可靠性決定數據中心的經濟效益
- 矽典微ONELAB開發係列:為毫米波算法開發者打造的全棧工具鏈
技術白皮書下載更多>>
- 車規與基於V2X的車輛協同主動避撞技術展望
- 數字隔離助力新能源汽車安全隔離的新挑戰
- 汽車模塊拋負載的解決方案
- 車用連接器的安全創新應用
- Melexis Actuators Business Unit
- Position / Current Sensors - Triaxis Hall
熱門搜索
Future
GFIVE
GPS
GPU
Harting
HDMI
HDMI連接器
HD監控
HID燈
I/O處理器
IC
IC插座
IDT
IGBT
in-cell
Intersil
IP監控
iWatt
Keithley
Kemet
Knowles
Lattice
LCD
LCD模組
LCR測試儀
lc振蕩器
Lecroy
LED
LED保護元件
LED背光



