多諧振蕩器在汽車空氣清新器中的應用
發布時間:2012-01-05
中心議題:
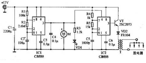
555時基電路IC2與R4、R5、C5等組成多諧振蕩器。接通電源後,因C5上電壓很低,IC2輸出端(3腳)為高電平,同時12V。電壓經R4、R5向C5充電,C5上電壓逐步上升。當C5上電壓上升到2/3VCC時,IC2內部觸發器翻轉,3腳輸出低電平,同時內部放電管導通,C5上電壓開始經R5通過7腳放電。當C5上電壓下降到1/3Vcc時,IC2內部觸發器再次翻轉,3腳輸出高電平,同時內部放電管截止,12V電壓又經R4.、R5向C5充電。如此周而複始形成振蕩,振蕩頻率.f=1.44/[(R4+2R5)C5],其3腳輸出約48k。Hz的高頻脈衝電壓。
當IC2輸出端(3腳)為高電平時,開關管VT導通,12V電源經二極管VD流經變壓器T的初級繞組。當IC2輸出端(3腳)為低電平時,開關管VT截止,變壓器T儲存的能量通過其次級釋放。由於T的初、次級變壓比達1:300,次級脈衝電壓將高達3000V。以上,通過放電器的尖端放電使空氣電離而產生負離子。風扇M的作用是使負離子更快更好地擴散到周圍空氣當中去。
555時基電路IC1與R1、R2、C2超低頻振蕩器,振蕩周期約為6分鍾,其輸出端(3腳)輸出為脈寬180秒、間隔180秒的方波。高頻振蕩器IC2的複位端(4腳)受IC1輸出端(3腳)的控製:當IC1輸出端為高電平時IC2振蕩;當IC1輸出端為低電平時IC2停振,IC2輸出端為低電平。IC1與IC2共同作用的結果是,電路工作3分鍾、暫停3分鍾,間歇性地產生負離子。風扇電機M也受IC1輸出端的控製,與IC2同步工作。發光二極管VD1是負離子發生電路的工作指示燈。等組成另一個多諧振蕩器,這是一個超低頻振蕩器,振蕩周期約為6分鍾,其輸出端(3腳)輸出為脈寬180秒、間隔180秒的方波。高頻振蕩器IC2的複位端(4腳)受IC1輸出端(3腳)的控製:當IC1輸出端為高電平時IC2振蕩;當IC1輸出端為低電平時IC2停振,IC2輸出端為低電平。IC1與IC2共同作用的結果是,電路工作3分鍾、暫停3分鍾,間歇性地產生負離子。風扇電機M也受IC1輸出端的控製,與IC2同步工作。發光二極管VD1是負離子發生電路的工作指示燈。
元器件選擇
IC1、IC2選用兩塊時基電路CB555,或選用一塊雙時基電路CB556。注意,CMOS時基電路CB7555或CB7556因驅動電流較小,不適合本機使用。開關管VT選用2SC2073等中功率管。二極管VD2選用FR104等快恢複整流管。風扇M可選用12V、150mA左右的計算機CPU用的散熱風扇,其體積較小、厚度薄、噪聲很低,比較適合本製作使用,也可用12V玩具電機配以自製的風扇葉片代用。
[page]
變壓器T需自行繞製,選用N27型E字形鐵氧體磁心,線圈繞在其絕緣框架上,初級用直徑0.4mm漆包線繞11圈,次級用直徑0.1mm漆包線繞3300圈,初、次級間應墊有絕緣層,線圈繞好後需用絕緣帶包裹。
放電器製作方法如右圖所示,製作一塊電路板,左側安裝變壓器T及其他元器件,右側中間挖空,上下各一條銅箔連接到T的次級。放電電極為4根直徑0.6mm、長10mm的裸銅絲,頂端磨尖。4個放電電極焊接在上麵的銅箔條上,間距15mm左右。公共電極為一根直徑1mm左右的裸銅絲,按圖3所示彎成“┍┐┑┎┑”狀,焊接在下麵的銅箔條上。每一放電電極的尖端與公共電極相距2mm。
風扇M固定在電路板下方,風扇中心正對著放電器,相距15mm左(zuo)右(you)。風(feng)扇(shan)的(de)出(chu)風(feng)方(fang)向(xiang)應(ying)朝(chao)上(shang),以(yi)便(bian)將(jiang)放(fang)電(dian)器(qi)產(chan)生(sheng)的(de)負(fu)離(li)子(zi)向(xiang)上(shang)吹(chui)到(dao)空(kong)氣(qi)中(zhong)。整(zheng)機(ji)應(ying)裝(zhuang)入(ru)絕(jue)緣(yuan)外(wai)殼(ke)中(zhong),在(zai)外(wai)殼(ke)上(shang)麵(mian)正(zheng)對(dui)放(fang)電(dian)器(qi)的(de)位(wei)置(zhi)開(kai)一(yi)些(xie)孔(kong)縫(feng)作(zuo)為(wei)出(chu)風(feng)口(kou),在(zai)外(wai)殼(ke)兩(liang)側(ce)靠(kao)近(jin)風(feng)扇(shan)的(de)地(di)方(fang)開(kai)孔(kong)作(zuo)為(wei)進(jin)氣(qi)口(kou)。12V電源線與汽車點煙器插頭相連接。
- 多諧振蕩器在汽車空氣清新器中的應用
- 元器件選擇
- 選用兩塊時基電路CB555
- 選用一塊雙時基電路CB556
555時基電路IC2與R4、R5、C5等組成多諧振蕩器。接通電源後,因C5上電壓很低,IC2輸出端(3腳)為高電平,同時12V。電壓經R4、R5向C5充電,C5上電壓逐步上升。當C5上電壓上升到2/3VCC時,IC2內部觸發器翻轉,3腳輸出低電平,同時內部放電管導通,C5上電壓開始經R5通過7腳放電。當C5上電壓下降到1/3Vcc時,IC2內部觸發器再次翻轉,3腳輸出高電平,同時內部放電管截止,12V電壓又經R4.、R5向C5充電。如此周而複始形成振蕩,振蕩頻率.f=1.44/[(R4+2R5)C5],其3腳輸出約48k。Hz的高頻脈衝電壓。

當IC2輸出端(3腳)為高電平時,開關管VT導通,12V電源經二極管VD流經變壓器T的初級繞組。當IC2輸出端(3腳)為低電平時,開關管VT截止,變壓器T儲存的能量通過其次級釋放。由於T的初、次級變壓比達1:300,次級脈衝電壓將高達3000V。以上,通過放電器的尖端放電使空氣電離而產生負離子。風扇M的作用是使負離子更快更好地擴散到周圍空氣當中去。
555時基電路IC1與R1、R2、C2超低頻振蕩器,振蕩周期約為6分鍾,其輸出端(3腳)輸出為脈寬180秒、間隔180秒的方波。高頻振蕩器IC2的複位端(4腳)受IC1輸出端(3腳)的控製:當IC1輸出端為高電平時IC2振蕩;當IC1輸出端為低電平時IC2停振,IC2輸出端為低電平。IC1與IC2共同作用的結果是,電路工作3分鍾、暫停3分鍾,間歇性地產生負離子。風扇電機M也受IC1輸出端的控製,與IC2同步工作。發光二極管VD1是負離子發生電路的工作指示燈。等組成另一個多諧振蕩器,這是一個超低頻振蕩器,振蕩周期約為6分鍾,其輸出端(3腳)輸出為脈寬180秒、間隔180秒的方波。高頻振蕩器IC2的複位端(4腳)受IC1輸出端(3腳)的控製:當IC1輸出端為高電平時IC2振蕩;當IC1輸出端為低電平時IC2停振,IC2輸出端為低電平。IC1與IC2共同作用的結果是,電路工作3分鍾、暫停3分鍾,間歇性地產生負離子。風扇電機M也受IC1輸出端的控製,與IC2同步工作。發光二極管VD1是負離子發生電路的工作指示燈。
元器件選擇
IC1、IC2選用兩塊時基電路CB555,或選用一塊雙時基電路CB556。注意,CMOS時基電路CB7555或CB7556因驅動電流較小,不適合本機使用。開關管VT選用2SC2073等中功率管。二極管VD2選用FR104等快恢複整流管。風扇M可選用12V、150mA左右的計算機CPU用的散熱風扇,其體積較小、厚度薄、噪聲很低,比較適合本製作使用,也可用12V玩具電機配以自製的風扇葉片代用。

變壓器T需自行繞製,選用N27型E字形鐵氧體磁心,線圈繞在其絕緣框架上,初級用直徑0.4mm漆包線繞11圈,次級用直徑0.1mm漆包線繞3300圈,初、次級間應墊有絕緣層,線圈繞好後需用絕緣帶包裹。

放電器製作方法如右圖所示,製作一塊電路板,左側安裝變壓器T及其他元器件,右側中間挖空,上下各一條銅箔連接到T的次級。放電電極為4根直徑0.6mm、長10mm的裸銅絲,頂端磨尖。4個放電電極焊接在上麵的銅箔條上,間距15mm左右。公共電極為一根直徑1mm左右的裸銅絲,按圖3所示彎成“┍┐┑┎┑”狀,焊接在下麵的銅箔條上。每一放電電極的尖端與公共電極相距2mm。
風扇M固定在電路板下方,風扇中心正對著放電器,相距15mm左(zuo)右(you)。風(feng)扇(shan)的(de)出(chu)風(feng)方(fang)向(xiang)應(ying)朝(chao)上(shang),以(yi)便(bian)將(jiang)放(fang)電(dian)器(qi)產(chan)生(sheng)的(de)負(fu)離(li)子(zi)向(xiang)上(shang)吹(chui)到(dao)空(kong)氣(qi)中(zhong)。整(zheng)機(ji)應(ying)裝(zhuang)入(ru)絕(jue)緣(yuan)外(wai)殼(ke)中(zhong),在(zai)外(wai)殼(ke)上(shang)麵(mian)正(zheng)對(dui)放(fang)電(dian)器(qi)的(de)位(wei)置(zhi)開(kai)一(yi)些(xie)孔(kong)縫(feng)作(zuo)為(wei)出(chu)風(feng)口(kou),在(zai)外(wai)殼(ke)兩(liang)側(ce)靠(kao)近(jin)風(feng)扇(shan)的(de)地(di)方(fang)開(kai)孔(kong)作(zuo)為(wei)進(jin)氣(qi)口(kou)。12V電源線與汽車點煙器插頭相連接。
特別推薦
- 噪聲中提取真值!瑞盟科技推出MSA2240電流檢測芯片賦能多元高端測量場景
- 10MHz高頻運行!氮矽科技發布集成驅動GaN芯片,助力電源能效再攀新高
- 失真度僅0.002%!力芯微推出超低內阻、超低失真4PST模擬開關
- 一“芯”雙電!聖邦微電子發布雙輸出電源芯片,簡化AFE與音頻設計
- 一機適配萬端:金升陽推出1200W可編程電源,賦能高端裝備製造
技術文章更多>>
- 貿澤EIT係列新一期,探索AI如何重塑日常科技與用戶體驗
- 算力爆發遇上電源革新,大聯大世平集團攜手晶豐明源線上研討會解鎖應用落地
- 創新不止,創芯不已:第六屆ICDIA創芯展8月南京盛大啟幕!
- AI時代,為什麼存儲基礎設施的可靠性決定數據中心的經濟效益
- 矽典微ONELAB開發係列:為毫米波算法開發者打造的全棧工具鏈
技術白皮書下載更多>>
- 車規與基於V2X的車輛協同主動避撞技術展望
- 數字隔離助力新能源汽車安全隔離的新挑戰
- 汽車模塊拋負載的解決方案
- 車用連接器的安全創新應用
- Melexis Actuators Business Unit
- Position / Current Sensors - Triaxis Hall
熱門搜索
Future
GFIVE
GPS
GPU
Harting
HDMI
HDMI連接器
HD監控
HID燈
I/O處理器
IC
IC插座
IDT
IGBT
in-cell
Intersil
IP監控
iWatt
Keithley
Kemet
Knowles
Lattice
LCD
LCD模組
LCR測試儀
lc振蕩器
Lecroy
LED
LED保護元件
LED背光




