采用光強傳感器TSL256x的感測係統設計方案
發布時間:2011-12-27
中心議題:
TSL256x是TAOS公司推出的一種高速、低功耗、寬量程、可編程靈活配置的光強傳感器芯片。本文簡要介紹了TSL256x的基本特點、引腳功能、內部結構和工作原理,給出了TSL2561的實用電路、軟件設計流程以及核心程序。
1 TSL256x簡介
TSL2560和TSL2561是TAOS公司推出的一種高速、低功耗、寬量程、可ke編bian程cheng靈ling活huo配pei置zhi的de光guang強qiang度du數shu字zi轉zhuan換huan芯xin片pian。該gai芯xin片pian可ke廣guang泛fan應ying用yong於yu各ge類lei顯xian示shi屏ping的de監jian控kong,目mu的de是shi在zai多duo變bian的de光guang照zhao條tiao件jian下xia,使shi得de顯xian示shi屏ping提ti供gong最zui佳jia的de顯xian示shi亮liang度du並bing盡jin可ke能neng降jiang低di電dian源yuan功gong耗hao;還可以用於街道光照控製、安全照明等眾多場合。該芯片的主要特點如下:
◇ 可編程設置許可的光強度上下閾值,當實際光照度超過該閾值時給出中斷信號;
◇ 數字輸出符合標準的SMBus(TSL2560)和I2C(TSL2561)總線協議;
◇ 模擬增益和數字輸出時間可編程控製;
◇ 1.25 mm×1.75 mm超小封裝,在低功耗模式下,功耗僅為0.75 mW;
◇ 自動抑製50 Hz/60 Hz的光照波動。
2 TSL256x的引腳功能
TSL256x有2種封裝形式: 6LEAD CHIPSCALE和6LEAD TMB。封裝形式不同,相應的光照度計算公式也不同。圖1為這兩種封裝形式的引腳分布圖。
各引腳的功能如下:
腳1和腳3: 分別是電源引腳和信號地。其工作電壓範圍是2.7~3.5V。
腳2: 器件訪問地址選擇引腳。由於該引腳電平不同,該器件有3個不同的訪問地址。訪問地址與電平的對應關係如表1所列。
表1 器件訪問地址與引腳2電平的對應關係
腳4和腳6: I2C或SMBus總線的時鍾信號線和數據線。
腳5: 中斷信號輸出引腳。當光強度超過用戶編程設置的上或下閾值時,器件會輸出一個中斷信號。
[page]
3 TSL256x的內部結構和工作原理
TSL256x是第二代周圍環境光強度傳感器,其內部結構如圖2所示。通道0和通道1是兩個光敏二極管,其中通道0對可見光和紅外線都敏感,而通道1僅對紅外線敏感。積分式A/D轉換器對流過光敏二極管的電流進行積分,並轉換為數字量,在轉換結束後將轉換結果存入芯片內部通道0和通道1各自的寄存器中。當一個積分周期完成之後,積分式A/D轉換器將自動開始下一個積分轉換過程。微控製器和TSL2560可通過標準的SMBus( System Management Bus) V1.1或V2.0實現,TSL2561則可通過I2C總線協議訪問。對TSL256x的控製是通過對其內部的16個寄存器的讀寫來實現的,其地址如表2所列。
表2 TSL256x內部寄存器地址及作用
4 TSL256x應用設計
TSL256x的訪問遵循標準的SMBus和I2C協議,這使得該芯片軟硬件設計變得非常簡單。這兩種協議的讀寫時序雖然很類似,但仍存在不同之處。下麵僅以TSL2561芯片為例,說明TSL256x光強傳感器的實際應用。
4.1 硬件設計
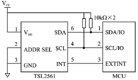
TSL2561可以通過I2C總線訪問,所以硬件接口電路非常簡單。如果所選用的微控製器帶有I2C總線控製器,則將該總線的時鍾線和數據線直接與TSL2561的I2C總線的SCL和SDA分別相連;如果微控製器內部沒有上拉電阻,則還需要再用2個上拉電阻接到總線上。如果微控製器不帶I2C總線控製器,則將TSL2561的I2C總線的SCL和SDA與普通I/O口連接即可;但編程時需要模擬I2C總線的時序來訪問TSL2561,INT引腳接微控製器的外部中斷。硬件連接如圖3所示。
4.2 軟件設計
微控製器可以通過I2C總線協議對TSL2561進行讀寫。寫數據時,先發送器件地址,然後發送要寫的數據。TSL2561的寫操作過程如下:先發送一組器件地址;然後寫命令碼,命令碼是指定接下來寫寄存器的地址00h~0fh和寫寄存器的方式,是以字節、字或塊(幾個字)為單位進行寫操作的;最後發送要寫的數據,根據前麵命令碼規定寫寄存器的方式,可以連續發送要寫的數據,內部寫寄存器會自動加1。對於I2C協議具體的讀寫時序,可以參考相關資料,在此不再贅述。TSL2561的軟件設計流程如圖4所示。
限於篇幅,在此給出對TSL2561讀寫操作的部分程序:
[page]
unsigned char TSL2561_write_byte( unsigned char addr, unsigned char c) {
unsigned char status=0;
status=twi_start();//開始
status=twi_writebyte(TSL2561_ADDR|TSL2561_WR);//寫TSL2561地址
status=twi_writebyte(0x80|addr);//寫命令
status=twi_writebyte(c);//寫數據
twi_stop( );//停止
delay_ms(10);//延時10 ms
return 0;
}
unsigned char TSL2561_read_byte( unsigned char addr, unsigned char *c) {
unsigned char status=0;
status= twi_start( );//開始
status=twi_writebyte(TSL2561_ADDR|TSL2561_WR);//寫TSL2561地址
status=twi_writebyte(0x80|addr);//寫命令
status=twi_start( );//重新開始
status=twi_writebyte(TSL2561_ADDR|TSL2561_RD);//寫TSL2561地址
status=twi_readbyte(c,TW_NACK);//寫數據
twi_stop( );
delay_ms(10);
return 0;
}
當積分式A/D轉換器轉換完成後,可以從通道0寄存器和通道1寄存器讀取相應的值CH0和CH1,但是要以Lux(流明)為單位,還要根據CH0和CH1進行計算。對於TMB封裝,假設光強為E(單位為Lux),則計算公式如下:
① 0<CH1/CH0≤0.50
E=0.030 4×CH0-0.062×CH0×(CH1/CH0)1/4
② 0.50<CH1/CH0≤0.61
E=0.022 4×CH0-0.031×CH1
③ 0.61<CH1/CH0≤0.80
E=0.012 8×CH0-0.015 3×CH1
④ 0.80<CH1/CH0≤1.30
E=0.001 46×CH0-0.001 12×CH1
⑤ CH1/CH0>1.30
E=0
對於CHIPSCALE封裝,計算公式可以查看相應的芯片資料。
5 結論
采用TSL256x實現光強度實時監測的係統,具有精度高、成本低、體積小等優點。芯片內部集成了積分式A/D轉換器,采用數字信號輸出,因此抗幹擾能力比同類芯片強。該芯片在光強監測控製領域已得到廣泛應用。
- 感測係統設計方案
- TSL256x的內部結構和工作原理
- 采用光強傳感器TSL256x
- 軟件的設計
- 硬件的設計
- 采用數字信號輸出方式
TSL256x是TAOS公司推出的一種高速、低功耗、寬量程、可編程靈活配置的光強傳感器芯片。本文簡要介紹了TSL256x的基本特點、引腳功能、內部結構和工作原理,給出了TSL2561的實用電路、軟件設計流程以及核心程序。
1 TSL256x簡介
TSL2560和TSL2561是TAOS公司推出的一種高速、低功耗、寬量程、可ke編bian程cheng靈ling活huo配pei置zhi的de光guang強qiang度du數shu字zi轉zhuan換huan芯xin片pian。該gai芯xin片pian可ke廣guang泛fan應ying用yong於yu各ge類lei顯xian示shi屏ping的de監jian控kong,目mu的de是shi在zai多duo變bian的de光guang照zhao條tiao件jian下xia,使shi得de顯xian示shi屏ping提ti供gong最zui佳jia的de顯xian示shi亮liang度du並bing盡jin可ke能neng降jiang低di電dian源yuan功gong耗hao;還可以用於街道光照控製、安全照明等眾多場合。該芯片的主要特點如下:
◇ 可編程設置許可的光強度上下閾值,當實際光照度超過該閾值時給出中斷信號;
◇ 數字輸出符合標準的SMBus(TSL2560)和I2C(TSL2561)總線協議;
◇ 模擬增益和數字輸出時間可編程控製;
◇ 1.25 mm×1.75 mm超小封裝,在低功耗模式下,功耗僅為0.75 mW;
◇ 自動抑製50 Hz/60 Hz的光照波動。
2 TSL256x的引腳功能
TSL256x有2種封裝形式: 6LEAD CHIPSCALE和6LEAD TMB。封裝形式不同,相應的光照度計算公式也不同。圖1為這兩種封裝形式的引腳分布圖。

圖1 TSL256x封裝
各引腳的功能如下:
腳1和腳3: 分別是電源引腳和信號地。其工作電壓範圍是2.7~3.5V。
腳2: 器件訪問地址選擇引腳。由於該引腳電平不同,該器件有3個不同的訪問地址。訪問地址與電平的對應關係如表1所列。
表1 器件訪問地址與引腳2電平的對應關係

腳4和腳6: I2C或SMBus總線的時鍾信號線和數據線。
腳5: 中斷信號輸出引腳。當光強度超過用戶編程設置的上或下閾值時,器件會輸出一個中斷信號。
[page]
3 TSL256x的內部結構和工作原理
TSL256x是第二代周圍環境光強度傳感器,其內部結構如圖2所示。通道0和通道1是兩個光敏二極管,其中通道0對可見光和紅外線都敏感,而通道1僅對紅外線敏感。積分式A/D轉換器對流過光敏二極管的電流進行積分,並轉換為數字量,在轉換結束後將轉換結果存入芯片內部通道0和通道1各自的寄存器中。當一個積分周期完成之後,積分式A/D轉換器將自動開始下一個積分轉換過程。微控製器和TSL2560可通過標準的SMBus( System Management Bus) V1.1或V2.0實現,TSL2561則可通過I2C總線協議訪問。對TSL256x的控製是通過對其內部的16個寄存器的讀寫來實現的,其地址如表2所列。

圖2 TSL256x內部結構圖
表2 TSL256x內部寄存器地址及作用

4 TSL256x應用設計
TSL256x的訪問遵循標準的SMBus和I2C協議,這使得該芯片軟硬件設計變得非常簡單。這兩種協議的讀寫時序雖然很類似,但仍存在不同之處。下麵僅以TSL2561芯片為例,說明TSL256x光強傳感器的實際應用。
4.1 硬件設計
TSL2561可以通過I2C總線訪問,所以硬件接口電路非常簡單。如果所選用的微控製器帶有I2C總線控製器,則將該總線的時鍾線和數據線直接與TSL2561的I2C總線的SCL和SDA分別相連;如果微控製器內部沒有上拉電阻,則還需要再用2個上拉電阻接到總線上。如果微控製器不帶I2C總線控製器,則將TSL2561的I2C總線的SCL和SDA與普通I/O口連接即可;但編程時需要模擬I2C總線的時序來訪問TSL2561,INT引腳接微控製器的外部中斷。硬件連接如圖3所示。

圖3 微控製器與TSL2561的硬件連接圖
4.2 軟件設計
微控製器可以通過I2C總線協議對TSL2561進行讀寫。寫數據時,先發送器件地址,然後發送要寫的數據。TSL2561的寫操作過程如下:先發送一組器件地址;然後寫命令碼,命令碼是指定接下來寫寄存器的地址00h~0fh和寫寄存器的方式,是以字節、字或塊(幾個字)為單位進行寫操作的;最後發送要寫的數據,根據前麵命令碼規定寫寄存器的方式,可以連續發送要寫的數據,內部寫寄存器會自動加1。對於I2C協議具體的讀寫時序,可以參考相關資料,在此不再贅述。TSL2561的軟件設計流程如圖4所示。

圖4 軟件設計流程
限於篇幅,在此給出對TSL2561讀寫操作的部分程序:
[page]
unsigned char TSL2561_write_byte( unsigned char addr, unsigned char c) {
unsigned char status=0;
status=twi_start();//開始
status=twi_writebyte(TSL2561_ADDR|TSL2561_WR);//寫TSL2561地址
status=twi_writebyte(0x80|addr);//寫命令
status=twi_writebyte(c);//寫數據
twi_stop( );//停止
delay_ms(10);//延時10 ms
return 0;
}
unsigned char TSL2561_read_byte( unsigned char addr, unsigned char *c) {
unsigned char status=0;
status= twi_start( );//開始
status=twi_writebyte(TSL2561_ADDR|TSL2561_WR);//寫TSL2561地址
status=twi_writebyte(0x80|addr);//寫命令
status=twi_start( );//重新開始
status=twi_writebyte(TSL2561_ADDR|TSL2561_RD);//寫TSL2561地址
status=twi_readbyte(c,TW_NACK);//寫數據
twi_stop( );
delay_ms(10);
return 0;
}
當積分式A/D轉換器轉換完成後,可以從通道0寄存器和通道1寄存器讀取相應的值CH0和CH1,但是要以Lux(流明)為單位,還要根據CH0和CH1進行計算。對於TMB封裝,假設光強為E(單位為Lux),則計算公式如下:
① 0<CH1/CH0≤0.50
E=0.030 4×CH0-0.062×CH0×(CH1/CH0)1/4
② 0.50<CH1/CH0≤0.61
E=0.022 4×CH0-0.031×CH1
③ 0.61<CH1/CH0≤0.80
E=0.012 8×CH0-0.015 3×CH1
④ 0.80<CH1/CH0≤1.30
E=0.001 46×CH0-0.001 12×CH1
⑤ CH1/CH0>1.30
E=0
對於CHIPSCALE封裝,計算公式可以查看相應的芯片資料。
5 結論
采用TSL256x實現光強度實時監測的係統,具有精度高、成本低、體積小等優點。芯片內部集成了積分式A/D轉換器,采用數字信號輸出,因此抗幹擾能力比同類芯片強。該芯片在光強監測控製領域已得到廣泛應用。
特別推薦
- 噪聲中提取真值!瑞盟科技推出MSA2240電流檢測芯片賦能多元高端測量場景
- 10MHz高頻運行!氮矽科技發布集成驅動GaN芯片,助力電源能效再攀新高
- 失真度僅0.002%!力芯微推出超低內阻、超低失真4PST模擬開關
- 一“芯”雙電!聖邦微電子發布雙輸出電源芯片,簡化AFE與音頻設計
- 一機適配萬端:金升陽推出1200W可編程電源,賦能高端裝備製造
技術文章更多>>
- 大聯大世平集團首度亮相北京國際汽車展 攜手全球芯片夥伴打造智能車整合應用新典範
- 2026北京車展即將啟幕,高通攜手汽車生態“朋友圈”推動智能化體驗再升級
- 邊緣重構智慧城市:FPGA SoM 如何破解視頻係統 “重而慢”
- 如何使用工業級串行數字輸入來設計具有並行接口的數字輸入模塊
- 意法半導體將舉辦投資者會議探討低地球軌道(LEO)發展機遇
技術白皮書下載更多>>
- 車規與基於V2X的車輛協同主動避撞技術展望
- 數字隔離助力新能源汽車安全隔離的新挑戰
- 汽車模塊拋負載的解決方案
- 車用連接器的安全創新應用
- Melexis Actuators Business Unit
- Position / Current Sensors - Triaxis Hall
熱門搜索
接口IC
介質電容
介質諧振器
金屬膜電阻
晶體濾波器
晶體諧振器
晶體振蕩器
晶閘管
精密電阻
精密工具
景佑能源
聚合物電容
君耀電子
開發工具
開關
開關電源
開關電源電路
開關二極管
開關三極管
科通
可變電容
可調電感
可控矽
空心線圈
控製變壓器
控製模塊
藍牙
藍牙4.0
藍牙模塊
浪湧保護器



