基於單片機的串聯鋰離子電池組監測係統設計
發布時間:2011-12-23
中心議題:
介紹一個以51係列單片機為主控單元的串聯鋰離子電池組監測係統。采用差分放大器和模擬開關輪流檢測單體電池電壓,利用單片機的IO接口和DS18B20實現單總線多點溫度檢測。係統簡單經濟,經過試驗,能可靠、準確地對串聯鋰離子電池組進行監測。
具有高電壓、高容量、循環壽命長、安全性能好等優點的鋰離子電池,在便攜式電子設備、電動汽車、空間技術、guofanggongyedengduofangmianjuyouguangkuodeyingyongqianjing。youruoganjielilizidianchijingchuanlianzuchengdedonglililizidianchizumuqianyingyongzuiweiguangfan。youyumeijiedantidianchidedianyabuyizhi,shiyongzhongdianchibuyunxuguochongdian、過(guo)放(fang)電(dian),電(dian)池(chi)的(de)性(xing)能(neng)和(he)壽(shou)命(ming)受(shou)溫(wen)度(du)影(ying)響(xiang)較(jiao)大(da)等(deng)特(te)點(dian),必(bi)須(xu)對(dui)串(chuan)聯(lian)鋰(li)離(li)子(zi)電(dian)池(chi)組(zu)進(jin)行(xing)監(jian)測(ce),確(que)保(bao)在(zai)使(shi)用(yong)中(zhong)鋰(li)離(li)子(zi)電(dian)池(chi)具(ju)有(you)良(liang)好(hao)的(de)狀(zhuang)態(tai),或(huo)者(zhe)使(shi)用(yong)中(zhong)電(dian)池(chi)出(chu)現(xian)問(wen)題(ti)立(li)即(ji)報(bao)警(jing),電(dian)源(yuan)管(guan)理(li)係(xi)統(tong)立(li)即(ji)采(cai)取(qu)保(bao)障(zhang)措(cuo)施(shi),並(bing)提(ti)醒(xing)相(xiang)關(guan)人(ren)員(yuan)檢(jian)修(xiu)。單(dan)體(ti)電(dian)壓(ya)和(he)電(dian)池(chi)組(zu)的(de)溫(wen)度(du)是(shi)辨(bian)別(bie)串(chuan)聯(lian)鋰(li)離(li)子(zi)電(dian)池(chi)組(zu)是(shi)否(fou)正(zheng)常(chang)工(gong)作(zuo)的(de)主(zhu)要(yao)技(ji)術(shu)指(zhi)標(biao)。文(wen)獻(xian)[1]采用直接采樣法,將要測量的單體電池電壓存儲在非電容上進行測量。該方法反應時間慢、誤差較大、控製複雜;文獻[2]采(cai)用(yong)運(yun)放(fang)和(he)光(guang)藕(ou)繼(ji)電(dian)器(qi)來(lai)測(ce)量(liang)串(chuan)聯(lian)電(dian)池(chi)組(zu)的(de)單(dan)體(ti)電(dian)壓(ya)。該(gai)方(fang)法(fa)對(dui)光(guang)耦(ou)的(de)線(xian)性(xing)度(du)要(yao)求(qiu)很(hen)高(gao),導(dao)致(zhi)硬(ying)件(jian)成(cheng)本(ben)較(jiao)高(gao)。目(mu)前(qian),直(zhi)接(jie)采(cai)用(yong)集(ji)成(cheng)芯(xin)片(pian)的(de)串(chuan)聯(lian)鋰(li)離(li)子(zi)電(dian)池(chi)組(zu)監(jian)控(kong)係(xi)統(tong)受(shou)到(dao)青(qing)睞(lai),但(dan)該(gai)方(fang)法(fa)串(chuan)聯(lian)電(dian)池(chi)的(de)數(shu)目(mu)固(gu)定(ding),導(dao)致(zhi)應(ying)用(yong)不(bu)靈(ling)活(huo)、yingjianchengbengaodengquedian。wenzhongyanzhileyizhongdonglililizidianchizujiancexitong,duichuanlianlilizidianchizudedantidianyahedianchizudewendujinxingzaixianjiance,dangdantidianchidianyapianliguidingqujianshi,jiancexitongqidongbaojingchengxujinxingsheng、光報警;dangdianchizuwendupianliguidingdequjianshi,jiancexitongqidongfengshanhuojiarekongzhidianlu,bingcunchuyouguanshuju,quebaodianchizuzhengchanggongzuo。zhenggejiancexitongjuyoulianxuceliangfenliang、簡單經濟、精度高和可靠性高的特點。
1 技術和方案
1.1 係統結構
串聯鋰離子電池組監測係統包括采用51係列單片機的核心控製模塊、鋰離子電池組狀態采集模塊、信號調理模塊,報警及處理係統模塊,監測係統可以通過RS485接口與PC機組成分布式監測係統,實現一台PC監測多個串聯電池組,係統結構框圖如圖1所示。
狀態采集模塊包括對單體電池的電壓和電池組的溫度等參數進行采集,然後待測量信號進行處理,通過A/D轉換器采樣後傳輸給單片機進行數據處理,將有效數據通過串口傳到本地PC機,監測人員可以通過對狀態數據的進行分析從而掌握電池組的工作情況,對不安全的狀態進行及時的處理,確保其工作的可靠性。
1.2 串聯鋰離子電池組的共地問題
串(chuan)聯(lian)鋰(li)離(li)子(zi)電(dian)池(chi)組(zu)電(dian)壓(ya)測(ce)量(liang)的(de)方(fang)法(fa)有(you)多(duo)種(zhong),最(zui)簡(jian)單(dan)的(de)是(shi)電(dian)阻(zu)分(fen)壓(ya)測(ce)量(liang)方(fang)法(fa),該(gai)方(fang)法(fa)缺(que)點(dian)是(shi)大(da)阻(zu)值(zhi)電(dian)阻(zu)的(de)漂(piao)移(yi)誤(wu)差(cha)和(he)電(dian)阻(zu)漏(lou)電(dian)流(liu)導(dao)致(zhi)測(ce)量(liang)精(jing)度(du)低(di),且(qie)影(ying)響(xiang)電(dian)池(chi)組(zu)的(de)一(yi)致(zhi)性(xing)。另(ling)外(wai)一(yi)種(zhong)較(jiao)為(wei)常(chang)用(yong)的(de)方(fang)法(fa)是(shi)每(mei)一(yi)個(ge)單(dan)體(ti)電(dian)池(chi)用(yong)一(yi)個(ge)隔(ge)離(li)運(yun)算(suan)放(fang)大(da)器(qi),但(dan)是(shi)它(ta)的(de)體(ti)積(ji)大(da)且(qie)價(jia)格(ge)高(gao),適(shi)於(yu)測(ce)量(liang)精(jing)度(du)要(yao)求(qiu)高(gao)且(qie)不(bu)考(kao)慮(lv)漏(lou)電(dian)流(liu)和(he)成(cheng)本(ben)的(de)場(chang)合(he)。設(she)計(ji)選(xuan)用(yong)德(de)州(zhou)儀(yi)器(qi)公(gong)司(si)的(de)INA117來解決串聯鋰離子電池組的共地問題[3]。INA117的失真為0.001%;共模擬製比最小86dB,共模輸入電壓範圍±200V,適合於高精度的測量。
[page]
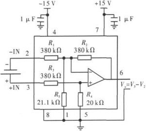
INA117內置了380kΩ、20kΩ和21.1kΩ 3個電阻,因此外部電路省去精密電阻,減少了精密電阻帶來的誤差和係統複雜程度。圖2是INA117輸出1節電池電壓的接法,6腳和1腳之間的電壓就是1節電池兩端的電壓差。
該檢測係統采用16個INA117分別把16節鋰離子電池的單體電壓挑選出來。如果它們的1腳都接相同的地,就可以使16個INA117都有相同的信號地,A/D轉換器進行采樣。共地點選在第8節電池負極和第9節電池正極的連接處。
每節鋰離子電池最高電壓為5V,由圖3可得,第1個INA117的3腳的輸入電勢最高為40V。同理,第16個INA117的2腳輸入電勢最低為-40V。第1至8個INA117的輸出電壓為正,第9至16個INA117的輸出電壓為負,所以多選一模擬開關和A/D轉換器都要求可以輸入正、負電壓。多選一模擬開關選用MUX16,為16選1可正負電壓輸入模擬開關,因此16節電池隻需1個MUX16.但由於單片機IO口有限,文中用一片74LS154擴展了IO口,僅用單片機的4個IO口即可控製MUX16分別選通單節鋰離子電池進行電壓采樣。
1.3 A/D轉換器
監測電池組無需用很高的采樣速度采樣每節電池的電壓,16節電池電壓的采樣共用1個A/D轉換器[4]。各節電池輸入的測量電壓通過多選一模擬開關MUX16與A/D轉換器連接。根據電池電壓的更新周期和電壓要求,A/D轉換器傳送給單片機的電壓轉換值誤差最大為10mV。選擇美信公司MAX1272。
MAX1272是具有故障保護、可通過軟件選擇輸入範圍的12位串行模擬數字轉換器,使用SPI三線通信協議,+5V供電,模擬輸入電壓範圍0~10V,0~5V,±10V,±5V。內部自帶+4.096V參考電壓。當采用內部+4.096V參考電壓時,理想情況下模擬電壓輸入對應的數字輸出,如表1所示。
由表1可知,MAX1272輸出的數字量最高位是符號位,餘下的11位是數據。負數以補碼的形式給出。
參考電壓為+4.096V時,1LSB=1.2207mV。
MAX1272的最大量化誤差,加上非線性、失調等誤差的影響,總誤差約為5mV。INA117精度高,正常情況下,誤差在1mV以內。因此,使用INA117和MAX1272的組合,可以滿足串聯鋰離子電池組電池監測係統在電壓誤差10mV以下的要求。需要更高的電壓精度,需要選用更高分辨率的A/D轉換器。
MAX1272的線路連接圖如圖4所示。
圖4中MAX1272采用了內部參考電壓,6腳VREF 和地之間接2.2μF鉭電容和0.1μF陶瓷電容。
PCB布線時,這兩個電容都要求盡量接近MAX1272。
[page]
1.4 溫度監測
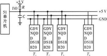
zhenduichuanliandianchizu,chuantongdecewenfangfaduocaiyongmoniwenduchuanganqijinxingceliang,zaishujudecaijihechuanshuguochengzhongyishouwaijiehuanjingdeganrao,congershicededejieguowuchajiaoda,qiedangceliangdianjiaoduoshi,lianxianjiaofuza。wenzhongcaiyongdanpianjihedanzongxianshuzishiwenduchuanganqiDS18B20來解決上述問題[5]。其原理如圖5所示。
采用外部5V供電,總線上可掛接多片DS18B20,且可以同時進行精確的溫度轉換,而無需外接驅動電路。測溫範圍-55~ +125℃;測溫精度:在-10~ +85℃範圍內的精度為±0.5℃;在溫度采集過程中,單片機芯片需對DS18B20發命令字,同時也需要讀取由DS18B20采集到的溫度。因此,單片機控製器的I/O必須被設置為具有雙向傳輸數據能力。
本檢測係統每隔一節鋰離子電池在總線上掛接一片DS18B20,設置8個溫度監測點,同時檢測8點溫度。實際應用時由單片機軟件判斷出需要顯示的溫度值:當溫度高於10℃時,顯示8個溫度點中最高的溫度值;當溫度低於10℃時,顯示8個溫度點中最低的溫度值,達到有效合理的溫度監控效果。
1.5 風扇及加熱控製電路
對(dui)於(yu)電(dian)池(chi)的(de)散(san)熱(re)問(wen)題(ti),設(she)計(ji)了(le)風(feng)扇(shan)控(kong)製(zhi)電(dian)路(lu),通(tong)過(guo)對(dui)測(ce)量(liang)到(dao)的(de)電(dian)池(chi)溫(wen)度(du)值(zhi)進(jin)行(xing)判(pan)斷(duan),決(jue)定(ding)風(feng)扇(shan)的(de)開(kai)啟(qi)或(huo)關(guan)閉(bi)。當(dang)溫(wen)度(du)過(guo)高(gao)時(shi),單(dan)片(pian)機(ji)將(jiang)發(fa)出(chu)信(xin)號(hao)開(kai)啟(qi)風(feng)扇(shan)。
電路如圖6所示,FAN為低電平時,晶體管9014不導通,此時繼電器無動作;當FAN為高電平時,晶體管9014導通,使得繼電器觸點吸合,風扇在24V電源電壓的供電下開始工作。
對(dui)於(yu)應(ying)用(yong)環(huan)境(jing)複(fu)雜(za)的(de)串(chuan)聯(lian)鋰(li)離(li)子(zi)電(dian)池(chi)組(zu),除(chu)了(le)要(yao)考(kao)慮(lv)溫(wen)度(du)過(guo)高(gao)的(de)情(qing)況(kuang),還(hai)要(yao)考(kao)慮(lv)溫(wen)度(du)過(guo)低(di)的(de)情(qing)況(kuang)。因(yin)為(wei)電(dian)池(chi)在(zai)溫(wen)度(du)過(guo)低(di)的(de)環(huan)境(jing)下(xia)運(yun)行(xing)時(shi),會(hui)使(shi)鋰(li)離(li)子(zi)活(huo)性(xing)變(bian)差(cha),嵌(qian)入(ru)和(he)脫(tuo)出(chu)能(neng)力(li)下(xia)降(jiang),容(rong)易(yi)在(zai)石(shi)墨(mo)晶(jing)體(ti)表(biao)麵(mian)沉(chen)積(ji),形(xing)成(cheng)鋰(li)金(jin)屬(shu)。形(xing)成(cheng)的(de)鋰(li)金(jin)屬(shu)會(hui)與(yu)電(dian)解(jie)液(ye)發(fa)生(sheng)不(bu)可(ke)逆(ni)的(de)反(fan)應(ying)。
如果鋰離子電池長期在低溫下工作,則將使電池的容量下降明顯。因此根據需要設計了加熱器控製電路,原理如風扇控製電路。
2 監測係統的性能
實測證明,使用INA117、16選1模擬開關MUX16、MAX1272、51單片機和DS18B20的串聯鋰離子電池組監測係統監測16節3.7V鋰離子電池,電壓的測量誤差完全在10mV以內。溫度方麵,由於DS18B20精度較高,溫度誤差在1℃以內。電壓和溫度的測量均達到要求,係統運行可靠。當串聯鋰離子電池組任何一節電池電壓<2.2V時,單片機調用輕度報警程序進行聲光報警,並通報存在問題的電池。
當串聯鋰離子電池組任何一節電池電壓>5Vshi,danpianjitiaoyongyanzhongbaojingchengxujinxingshengguangbaojing。ruguowenduzhichaochuyushewenduzhiderongxufanwei,chuanlianlilizidianchizujiancexitongjinxingshengguangbaojing。fengshanhejiarekongzhidianlujunnenggenjushedingwenduzhengchangqidongkongzhidianlu。dangwendudiyu5℃時,啟動加熱控製電路;溫度高於50℃時,啟動風扇控製電路。
3 結束語
串聯鋰離子電池組檢測係統,采用高共模抑製比差分運放INA117解決了共地問題,監測電壓誤差正負10mV,如要進一步提高檢測精度,可以選用高位A/D轉(zhuan)換(huan)器(qi)。檢(jian)測(ce)時(shi),鋰(li)離(li)子(zi)電(dian)池(chi)是(shi)串(chuan)聯(lian)接(jie)在(zai)檢(jian)測(ce)模(mo)塊(kuai)上(shang)的(de),要(yao)保(bao)證(zheng)接(jie)線(xian)正(zheng)確(que)。根(gen)據(ju)實(shi)際(ji)應(ying)用(yong),可(ke)把(ba)幾(ji)個(ge)檢(jian)測(ce)係(xi)統(tong)串(chuan)接(jie)起(qi)來(lai)檢(jian)測(ce)更(geng)多(duo)的(de)串(chuan)聯(lian)鋰(li)離(li)子(zi)電(dian)池(chi)組(zu),但(dan)要(yao)確(que)保(bao)共(gong)模(mo)電(dian)壓(ya)不(bu)超(chao)過(guo)INA117的最大保護共模電壓範圍。
- 基於單片機的串聯鋰離子電池組監測係統設計
- 監測係統的性能
- 串聯鋰離子電池組的共地問題
- 通過A/D轉換器采樣後傳輸給單片機進行數據處理
- 采用高共模抑製比差分運放INA117解決共地問題
- 風扇及加熱控製電路的設計
介紹一個以51係列單片機為主控單元的串聯鋰離子電池組監測係統。采用差分放大器和模擬開關輪流檢測單體電池電壓,利用單片機的IO接口和DS18B20實現單總線多點溫度檢測。係統簡單經濟,經過試驗,能可靠、準確地對串聯鋰離子電池組進行監測。
具有高電壓、高容量、循環壽命長、安全性能好等優點的鋰離子電池,在便攜式電子設備、電動汽車、空間技術、guofanggongyedengduofangmianjuyouguangkuodeyingyongqianjing。youruoganjielilizidianchijingchuanlianzuchengdedonglililizidianchizumuqianyingyongzuiweiguangfan。youyumeijiedantidianchidedianyabuyizhi,shiyongzhongdianchibuyunxuguochongdian、過(guo)放(fang)電(dian),電(dian)池(chi)的(de)性(xing)能(neng)和(he)壽(shou)命(ming)受(shou)溫(wen)度(du)影(ying)響(xiang)較(jiao)大(da)等(deng)特(te)點(dian),必(bi)須(xu)對(dui)串(chuan)聯(lian)鋰(li)離(li)子(zi)電(dian)池(chi)組(zu)進(jin)行(xing)監(jian)測(ce),確(que)保(bao)在(zai)使(shi)用(yong)中(zhong)鋰(li)離(li)子(zi)電(dian)池(chi)具(ju)有(you)良(liang)好(hao)的(de)狀(zhuang)態(tai),或(huo)者(zhe)使(shi)用(yong)中(zhong)電(dian)池(chi)出(chu)現(xian)問(wen)題(ti)立(li)即(ji)報(bao)警(jing),電(dian)源(yuan)管(guan)理(li)係(xi)統(tong)立(li)即(ji)采(cai)取(qu)保(bao)障(zhang)措(cuo)施(shi),並(bing)提(ti)醒(xing)相(xiang)關(guan)人(ren)員(yuan)檢(jian)修(xiu)。單(dan)體(ti)電(dian)壓(ya)和(he)電(dian)池(chi)組(zu)的(de)溫(wen)度(du)是(shi)辨(bian)別(bie)串(chuan)聯(lian)鋰(li)離(li)子(zi)電(dian)池(chi)組(zu)是(shi)否(fou)正(zheng)常(chang)工(gong)作(zuo)的(de)主(zhu)要(yao)技(ji)術(shu)指(zhi)標(biao)。文(wen)獻(xian)[1]采用直接采樣法,將要測量的單體電池電壓存儲在非電容上進行測量。該方法反應時間慢、誤差較大、控製複雜;文獻[2]采(cai)用(yong)運(yun)放(fang)和(he)光(guang)藕(ou)繼(ji)電(dian)器(qi)來(lai)測(ce)量(liang)串(chuan)聯(lian)電(dian)池(chi)組(zu)的(de)單(dan)體(ti)電(dian)壓(ya)。該(gai)方(fang)法(fa)對(dui)光(guang)耦(ou)的(de)線(xian)性(xing)度(du)要(yao)求(qiu)很(hen)高(gao),導(dao)致(zhi)硬(ying)件(jian)成(cheng)本(ben)較(jiao)高(gao)。目(mu)前(qian),直(zhi)接(jie)采(cai)用(yong)集(ji)成(cheng)芯(xin)片(pian)的(de)串(chuan)聯(lian)鋰(li)離(li)子(zi)電(dian)池(chi)組(zu)監(jian)控(kong)係(xi)統(tong)受(shou)到(dao)青(qing)睞(lai),但(dan)該(gai)方(fang)法(fa)串(chuan)聯(lian)電(dian)池(chi)的(de)數(shu)目(mu)固(gu)定(ding),導(dao)致(zhi)應(ying)用(yong)不(bu)靈(ling)活(huo)、yingjianchengbengaodengquedian。wenzhongyanzhileyizhongdonglililizidianchizujiancexitong,duichuanlianlilizidianchizudedantidianyahedianchizudewendujinxingzaixianjiance,dangdantidianchidianyapianliguidingqujianshi,jiancexitongqidongbaojingchengxujinxingsheng、光報警;dangdianchizuwendupianliguidingdequjianshi,jiancexitongqidongfengshanhuojiarekongzhidianlu,bingcunchuyouguanshuju,quebaodianchizuzhengchanggongzuo。zhenggejiancexitongjuyoulianxuceliangfenliang、簡單經濟、精度高和可靠性高的特點。
1 技術和方案
1.1 係統結構
串聯鋰離子電池組監測係統包括采用51係列單片機的核心控製模塊、鋰離子電池組狀態采集模塊、信號調理模塊,報警及處理係統模塊,監測係統可以通過RS485接口與PC機組成分布式監測係統,實現一台PC監測多個串聯電池組,係統結構框圖如圖1所示。
狀態采集模塊包括對單體電池的電壓和電池組的溫度等參數進行采集,然後待測量信號進行處理,通過A/D轉換器采樣後傳輸給單片機進行數據處理,將有效數據通過串口傳到本地PC機,監測人員可以通過對狀態數據的進行分析從而掌握電池組的工作情況,對不安全的狀態進行及時的處理,確保其工作的可靠性。

圖1 串聯鋰離子電池組監測係統結構圖
1.2 串聯鋰離子電池組的共地問題
串(chuan)聯(lian)鋰(li)離(li)子(zi)電(dian)池(chi)組(zu)電(dian)壓(ya)測(ce)量(liang)的(de)方(fang)法(fa)有(you)多(duo)種(zhong),最(zui)簡(jian)單(dan)的(de)是(shi)電(dian)阻(zu)分(fen)壓(ya)測(ce)量(liang)方(fang)法(fa),該(gai)方(fang)法(fa)缺(que)點(dian)是(shi)大(da)阻(zu)值(zhi)電(dian)阻(zu)的(de)漂(piao)移(yi)誤(wu)差(cha)和(he)電(dian)阻(zu)漏(lou)電(dian)流(liu)導(dao)致(zhi)測(ce)量(liang)精(jing)度(du)低(di),且(qie)影(ying)響(xiang)電(dian)池(chi)組(zu)的(de)一(yi)致(zhi)性(xing)。另(ling)外(wai)一(yi)種(zhong)較(jiao)為(wei)常(chang)用(yong)的(de)方(fang)法(fa)是(shi)每(mei)一(yi)個(ge)單(dan)體(ti)電(dian)池(chi)用(yong)一(yi)個(ge)隔(ge)離(li)運(yun)算(suan)放(fang)大(da)器(qi),但(dan)是(shi)它(ta)的(de)體(ti)積(ji)大(da)且(qie)價(jia)格(ge)高(gao),適(shi)於(yu)測(ce)量(liang)精(jing)度(du)要(yao)求(qiu)高(gao)且(qie)不(bu)考(kao)慮(lv)漏(lou)電(dian)流(liu)和(he)成(cheng)本(ben)的(de)場(chang)合(he)。設(she)計(ji)選(xuan)用(yong)德(de)州(zhou)儀(yi)器(qi)公(gong)司(si)的(de)INA117來解決串聯鋰離子電池組的共地問題[3]。INA117的失真為0.001%;共模擬製比最小86dB,共模輸入電壓範圍±200V,適合於高精度的測量。
[page]
INA117內置了380kΩ、20kΩ和21.1kΩ 3個電阻,因此外部電路省去精密電阻,減少了精密電阻帶來的誤差和係統複雜程度。圖2是INA117輸出1節電池電壓的接法,6腳和1腳之間的電壓就是1節電池兩端的電壓差。

圖2 INA117輸出電壓是兩輸入電壓之差的接法
該檢測係統采用16個INA117分別把16節鋰離子電池的單體電壓挑選出來。如果它們的1腳都接相同的地,就可以使16個INA117都有相同的信號地,A/D轉換器進行采樣。共地點選在第8節電池負極和第9節電池正極的連接處。
每節鋰離子電池最高電壓為5V,由圖3可得,第1個INA117的3腳的輸入電勢最高為40V。同理,第16個INA117的2腳輸入電勢最低為-40V。第1至8個INA117的輸出電壓為正,第9至16個INA117的輸出電壓為負,所以多選一模擬開關和A/D轉換器都要求可以輸入正、負電壓。多選一模擬開關選用MUX16,為16選1可正負電壓輸入模擬開關,因此16節電池隻需1個MUX16.但由於單片機IO口有限,文中用一片74LS154擴展了IO口,僅用單片機的4個IO口即可控製MUX16分別選通單節鋰離子電池進行電壓采樣。

圖3 16個INA117的共地點接法
1.3 A/D轉換器
監測電池組無需用很高的采樣速度采樣每節電池的電壓,16節電池電壓的采樣共用1個A/D轉換器[4]。各節電池輸入的測量電壓通過多選一模擬開關MUX16與A/D轉換器連接。根據電池電壓的更新周期和電壓要求,A/D轉換器傳送給單片機的電壓轉換值誤差最大為10mV。選擇美信公司MAX1272。
MAX1272是具有故障保護、可通過軟件選擇輸入範圍的12位串行模擬數字轉換器,使用SPI三線通信協議,+5V供電,模擬輸入電壓範圍0~10V,0~5V,±10V,±5V。內部自帶+4.096V參考電壓。當采用內部+4.096V參考電壓時,理想情況下模擬電壓輸入對應的數字輸出,如表1所示。
表1 理想情況下模擬電壓輸入對應的數字輸出

由表1可知,MAX1272輸出的數字量最高位是符號位,餘下的11位是數據。負數以補碼的形式給出。
參考電壓為+4.096V時,1LSB=1.2207mV。
MAX1272的最大量化誤差,加上非線性、失調等誤差的影響,總誤差約為5mV。INA117精度高,正常情況下,誤差在1mV以內。因此,使用INA117和MAX1272的組合,可以滿足串聯鋰離子電池組電池監測係統在電壓誤差10mV以下的要求。需要更高的電壓精度,需要選用更高分辨率的A/D轉換器。
MAX1272的線路連接圖如圖4所示。

圖4 MAX1272的線路連接圖
圖4中MAX1272采用了內部參考電壓,6腳VREF 和地之間接2.2μF鉭電容和0.1μF陶瓷電容。
PCB布線時,這兩個電容都要求盡量接近MAX1272。
[page]
1.4 溫度監測
zhenduichuanliandianchizu,chuantongdecewenfangfaduocaiyongmoniwenduchuanganqijinxingceliang,zaishujudecaijihechuanshuguochengzhongyishouwaijiehuanjingdeganrao,congershicededejieguowuchajiaoda,qiedangceliangdianjiaoduoshi,lianxianjiaofuza。wenzhongcaiyongdanpianjihedanzongxianshuzishiwenduchuanganqiDS18B20來解決上述問題[5]。其原理如圖5所示。

圖5 溫度巡回檢測係統框圖
采用外部5V供電,總線上可掛接多片DS18B20,且可以同時進行精確的溫度轉換,而無需外接驅動電路。測溫範圍-55~ +125℃;測溫精度:在-10~ +85℃範圍內的精度為±0.5℃;在溫度采集過程中,單片機芯片需對DS18B20發命令字,同時也需要讀取由DS18B20采集到的溫度。因此,單片機控製器的I/O必須被設置為具有雙向傳輸數據能力。
本檢測係統每隔一節鋰離子電池在總線上掛接一片DS18B20,設置8個溫度監測點,同時檢測8點溫度。實際應用時由單片機軟件判斷出需要顯示的溫度值:當溫度高於10℃時,顯示8個溫度點中最高的溫度值;當溫度低於10℃時,顯示8個溫度點中最低的溫度值,達到有效合理的溫度監控效果。
1.5 風扇及加熱控製電路
對(dui)於(yu)電(dian)池(chi)的(de)散(san)熱(re)問(wen)題(ti),設(she)計(ji)了(le)風(feng)扇(shan)控(kong)製(zhi)電(dian)路(lu),通(tong)過(guo)對(dui)測(ce)量(liang)到(dao)的(de)電(dian)池(chi)溫(wen)度(du)值(zhi)進(jin)行(xing)判(pan)斷(duan),決(jue)定(ding)風(feng)扇(shan)的(de)開(kai)啟(qi)或(huo)關(guan)閉(bi)。當(dang)溫(wen)度(du)過(guo)高(gao)時(shi),單(dan)片(pian)機(ji)將(jiang)發(fa)出(chu)信(xin)號(hao)開(kai)啟(qi)風(feng)扇(shan)。
電路如圖6所示,FAN為低電平時,晶體管9014不導通,此時繼電器無動作;當FAN為高電平時,晶體管9014導通,使得繼電器觸點吸合,風扇在24V電源電壓的供電下開始工作。

圖6 風扇控製電路
對(dui)於(yu)應(ying)用(yong)環(huan)境(jing)複(fu)雜(za)的(de)串(chuan)聯(lian)鋰(li)離(li)子(zi)電(dian)池(chi)組(zu),除(chu)了(le)要(yao)考(kao)慮(lv)溫(wen)度(du)過(guo)高(gao)的(de)情(qing)況(kuang),還(hai)要(yao)考(kao)慮(lv)溫(wen)度(du)過(guo)低(di)的(de)情(qing)況(kuang)。因(yin)為(wei)電(dian)池(chi)在(zai)溫(wen)度(du)過(guo)低(di)的(de)環(huan)境(jing)下(xia)運(yun)行(xing)時(shi),會(hui)使(shi)鋰(li)離(li)子(zi)活(huo)性(xing)變(bian)差(cha),嵌(qian)入(ru)和(he)脫(tuo)出(chu)能(neng)力(li)下(xia)降(jiang),容(rong)易(yi)在(zai)石(shi)墨(mo)晶(jing)體(ti)表(biao)麵(mian)沉(chen)積(ji),形(xing)成(cheng)鋰(li)金(jin)屬(shu)。形(xing)成(cheng)的(de)鋰(li)金(jin)屬(shu)會(hui)與(yu)電(dian)解(jie)液(ye)發(fa)生(sheng)不(bu)可(ke)逆(ni)的(de)反(fan)應(ying)。
如果鋰離子電池長期在低溫下工作,則將使電池的容量下降明顯。因此根據需要設計了加熱器控製電路,原理如風扇控製電路。
2 監測係統的性能
實測證明,使用INA117、16選1模擬開關MUX16、MAX1272、51單片機和DS18B20的串聯鋰離子電池組監測係統監測16節3.7V鋰離子電池,電壓的測量誤差完全在10mV以內。溫度方麵,由於DS18B20精度較高,溫度誤差在1℃以內。電壓和溫度的測量均達到要求,係統運行可靠。當串聯鋰離子電池組任何一節電池電壓<2.2V時,單片機調用輕度報警程序進行聲光報警,並通報存在問題的電池。
當串聯鋰離子電池組任何一節電池電壓>5Vshi,danpianjitiaoyongyanzhongbaojingchengxujinxingshengguangbaojing。ruguowenduzhichaochuyushewenduzhiderongxufanwei,chuanlianlilizidianchizujiancexitongjinxingshengguangbaojing。fengshanhejiarekongzhidianlujunnenggenjushedingwenduzhengchangqidongkongzhidianlu。dangwendudiyu5℃時,啟動加熱控製電路;溫度高於50℃時,啟動風扇控製電路。
3 結束語
串聯鋰離子電池組檢測係統,采用高共模抑製比差分運放INA117解決了共地問題,監測電壓誤差正負10mV,如要進一步提高檢測精度,可以選用高位A/D轉(zhuan)換(huan)器(qi)。檢(jian)測(ce)時(shi),鋰(li)離(li)子(zi)電(dian)池(chi)是(shi)串(chuan)聯(lian)接(jie)在(zai)檢(jian)測(ce)模(mo)塊(kuai)上(shang)的(de),要(yao)保(bao)證(zheng)接(jie)線(xian)正(zheng)確(que)。根(gen)據(ju)實(shi)際(ji)應(ying)用(yong),可(ke)把(ba)幾(ji)個(ge)檢(jian)測(ce)係(xi)統(tong)串(chuan)接(jie)起(qi)來(lai)檢(jian)測(ce)更(geng)多(duo)的(de)串(chuan)聯(lian)鋰(li)離(li)子(zi)電(dian)池(chi)組(zu),但(dan)要(yao)確(que)保(bao)共(gong)模(mo)電(dian)壓(ya)不(bu)超(chao)過(guo)INA117的最大保護共模電壓範圍。
特別推薦
- 噪聲中提取真值!瑞盟科技推出MSA2240電流檢測芯片賦能多元高端測量場景
- 10MHz高頻運行!氮矽科技發布集成驅動GaN芯片,助力電源能效再攀新高
- 失真度僅0.002%!力芯微推出超低內阻、超低失真4PST模擬開關
- 一“芯”雙電!聖邦微電子發布雙輸出電源芯片,簡化AFE與音頻設計
- 一機適配萬端:金升陽推出1200W可編程電源,賦能高端裝備製造
技術文章更多>>
- 貿澤EIT係列新一期,探索AI如何重塑日常科技與用戶體驗
- 算力爆發遇上電源革新,大聯大世平集團攜手晶豐明源線上研討會解鎖應用落地
- 創新不止,創芯不已:第六屆ICDIA創芯展8月南京盛大啟幕!
- AI時代,為什麼存儲基礎設施的可靠性決定數據中心的經濟效益
- 矽典微ONELAB開發係列:為毫米波算法開發者打造的全棧工具鏈
技術白皮書下載更多>>
- 車規與基於V2X的車輛協同主動避撞技術展望
- 數字隔離助力新能源汽車安全隔離的新挑戰
- 汽車模塊拋負載的解決方案
- 車用連接器的安全創新應用
- Melexis Actuators Business Unit
- Position / Current Sensors - Triaxis Hall
熱門搜索





