一種實用的線性隔離檢測電路
發布時間:2011-09-19 來源:21ic
中心議題:
1 引言
隨著電源技術的發展,電力係統、通信係統中越來越廣泛地使用開關電源、UPS等電源設備。這些設備無一例外地要檢測主電路的電壓、電流信號。檢測電路是主電路與控製電路的接口,是電源設備必不可少的一個重要組成部分。檢測電路必須滿足如下幾方麵的要求:
(1)要(yao)有(you)很(hen)高(gao)的(de)精(jing)度(du)和(he)線(xian)性(xing)度(du)。現(xian)代(dai)電(dian)源(yuan)為(wei)了(le)達(da)到(dao)很(hen)高(gao)的(de)穩(wen)壓(ya)穩(wen)流(liu)精(jing)度(du)並(bing)具(ju)有(you)很(hen)好(hao)的(de)動(dong)態(tai)響(xiang)應(ying)特(te)性(xing),大(da)多(duo)都(dou)引(yin)入(ru)電(dian)壓(ya)電(dian)流(liu)參(can)與(yu)係(xi)統(tong)的(de)反(fan)饋(kui)控(kong)製(zhi)。檢(jian)測(ce)電(dian)路(lu)的(de)精(jing)度(du)和(he)線(xian)性(xing)度(du),在(zai)某(mou)種(zhong)程(cheng)度(du)上(shang)決(jue)定(ding)了(le)整(zheng)個(ge)電(dian)源(yuan)的(de)輸(shu)出(chu)精(jing)度(du)和(he)穩(wen)定(ding)性(xing)。
(2)必bi須xu具ju有you隔ge離li功gong能neng。大da多duo數shu電dian源yuan的de主zhu電dian路lu和he控kong製zhi電dian路lu之zhi間jian在zai電dian氣qi上shang相xiang互hu絕jue緣yuan。否fou則ze電dian源yuan會hui由you於yu主zhu電dian路lu對dui控kong製zhi電dian路lu的de幹gan擾rao而er不bu能neng正zheng常chang工gong作zuo,甚shen至zhi會hui危wei及ji調tiao試shi人ren員yuan的de人ren身shen安an全quan。
目前,市場上有許多隔離傳感器供用戶使用,如隔離放大器(TPS5904,AD202)、電壓霍爾、電流霍爾等。在上述器件中,AD202、霍爾元件有性能好、可靠性高、測量精確、應用範圍廣的優點。但它昂貴的價格卻使大多數使用者望而卻步,TPS5904雖然價格比較便宜,但相對來講,線性度較差。隻有TI公司的TIL300精密線性光耦,可以很精確地檢測直流信號,隔離效果好,價格又便宜。因此,許多設計人員在選擇器件時都偏重於選擇TIL300作為檢測、反饋直流電壓、電流用的檢測元件。
但是,隨著TIL300生產線的停產,以前使用TIL300的用戶不得不選擇其它器件,而目前電子元器件市場上又沒有其它價格、性能可與TIL300相媲美的元件,這就給使用者帶來很大不便。本文基於此現狀,提出了一種可以代替TIL300的檢測電路。該電路使用普通光耦,應用反饋控製原理,具有價格便宜,線性度好的特點,在一定程度上可以替代原有的TIL300。
2 TIL300簡介
TIL300精密線性光耦的內部結構如圖1所示。
圖1 TIL300結構示意圖
TIL300精密線性光耦合器是由一個紅外光LED照射分叉配置的一個隔離反饋光二極管和一個輸出光二極管組成,反饋光二極管吸收LED光通量的一部分而產生控製信號,該控製信號可通過一個調節電路來調節LED的驅動電流,最終使得LED發出的光通量滿足輸入信號和反饋信號相等。TIL300精jing密mi線xian性xing光guang耦ou合he器qi是shi以yi電dian流liu方fang式shi工gong作zuo的de,在zai一yi定ding輸shu入ru電dian流liu範fan圍wei內nei,它ta的de電dian流liu傳chuan輸shu比bi保bao持chi不bu變bian,此ci時shi輸shu出chu光guang二er極ji管guan產chan生sheng的de電dian流liu信xin號hao與yu反fan饋kui光guang二er極ji管guan產chan生sheng的de電dian流liu信xin號hao成cheng線xian性xing比bi例li,所suo以yi輸shu出chu信xin號hao與yu輸shu入ru信xin號hao成cheng一yi定ding的de線xian性xing比bi例li關guan係xi。
[page]
3 檢測電路
3.1 電路結構
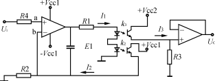
本文提出的檢測電路如圖2所示。
圖2 檢測電路構成
檢測電路主要由兩個普通光電耦合器、兩個運放和電阻、電容構成。兩個光電耦合器可以起到TIL300中隔離反饋光二極管和輸出光二極管的作用。其中一個用作輸出,另一個作為反饋,反饋是用來補償發光二極管時間、溫度特性的非線性。為了保證輸出光二極管產生的輸出信號與LED發(fa)出(chu)的(de)伺(si)服(fu)光(guang)通(tong)量(liang)呈(cheng)線(xian)性(xing)比(bi)例(li),在(zai)選(xuan)擇(ze)器(qi)件(jian)時(shi),兩(liang)個(ge)光(guang)耦(ou)合(he)器(qi)的(de)特(te)性(xing)應(ying)盡(jin)量(liang)保(bao)持(chi)一(yi)致(zhi)。輸(shu)出(chu)端(duan)所(suo)接(jie)的(de)電(dian)壓(ya)跟(gen)隨(sui)器(qi)是(shi)為(wei)了(le)保(bao)證(zheng)輸(shu)出(chu)電(dian)壓(ya)的(de)穩(wen)定(ding)性(xing)。
3.2工作原理分析
由圖2可知:輸出電流、輸出電壓的表達式分別為:
I3=k3I1(1)
UO=R3I3=k3R3I1(2)
反饋電流為:I2=k2I1(3)
式(1)、(2)、(3)中k3、k2分別為電路中兩個光耦的電流傳輸比(非線性)。兩個光耦的特性近似一致,可認為k2=k3,也即I2=I3。
此電路的工作原理如下:
在檢測電路調節過程中,Ui有兩種變化趨勢,當輸入電壓Ui升高時,有Ui>R2I2,導致運放輸出端電壓升高,通過發光二極管的電流I1也隨之增大,由於I2=k2I1,I3=kI1,I2、I3也增大,最終調節的結果是Ub=Ua=Ui,又因為I2=I3,因此輸出電壓UO與輸入電壓Ui相等,UO隨著Ui的增大而線性增大。
反之,當輸入電壓Ui降低時,運放輸出端電壓降低,通過發光二極管的電流I1也隨之減小,與上類似,輸出電壓UO=R2I2也隨輸入電壓Ui的降低成比例地減小。
光耦的選擇對電路的影響非常大,當光耦選擇不適當時,k2與k3之間的差別比較大,但若此時k2與k3的變化是隨著通過光耦電流的大小變化成比例的,即:k2=αk3,如果α為常量,輸出電壓與輸入電壓仍然保持線性關係,檢測電路仍然能正常工作。但在一般情況下,α不是常量,導致檢測電路的輸出與輸入電壓不是線性關係,輸出電壓不會隨著輸入電壓的變化而線性變化[2]。此時檢測電路就不能正常工作。為了避免這種情況,應盡量選用特性一致的光耦。
[page]
4 實驗結果及其分析
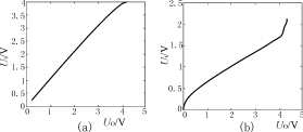
根據所設計的檢測電路進行實驗,實驗時,調節輸入電壓Ui的大小,並檢測與之對應的輸出電壓UO的大小,實驗結果如表1(a)所示。為了進行對比,同時測出沒有反饋的光耦的輸入與輸出電壓關係,並列在表1(b)。根據表1中(a)、(b)的數據分別繪出檢測電路與單個光耦的傳輸特性,分別如圖3(a)、(b)所示。
由表1可知,在一定範圍內,檢測電路的輸出電壓與輸入電壓是成正比地變化的。輸出與輸入電壓的比例係數幾乎保持不變。表1(a)中(zhong)最(zui)後(hou)一(yi)行(xing)的(de)比(bi)例(li)變(bian)化(hua)比(bi)較(jiao)大(da),之(zhi)所(suo)以(yi)有(you)如(ru)此(ci)大(da)的(de)變(bian)化(hua),是(shi)因(yin)為(wei)此(ci)時(shi)光(guang)耦(ou)的(de)輸(shu)出(chu)電(dian)流(liu)已(yi)經(jing)達(da)到(dao)了(le)飽(bao)和(he)值(zhi),無(wu)論(lun)怎(zen)樣(yang)增(zeng)加(jia)輸(shu)入(ru)電(dian)流(liu),輸(shu)出(chu)電(dian)流(liu)都(dou)不(bu)會(hui)有(you)大(da)的(de)改(gai)變(bian)[3]。圖3(a)也能很清楚地看出檢測電路中輸出與輸入電壓的比例關係是線性的。而表1(b)中的數據則表明單個光耦隔離時輸出電壓與輸入電壓之間的關係比較複雜,隻有在中間一部分有近似的線性關係。圖3(b)也表明了單個光耦的輸出輸入關係是非線性的。
由圖3(a)和表1(a)可知,檢測電路的輸出可以很好地跟隨輸入電壓的變化,並且實現了輸入與輸出之間的隔離,精度較高,線性度較好(<1% ), 在要求不是很精確的情況下,可以選用此檢測電路來檢測、反饋主電路的電壓、電流信號。
5 結語
genjumuqiandianzichanpinshichangdebiandong,benwentichuleyizhongjiancedianlu,cidianlujuyougeligongneng,bingqiegelihoudeshuchudianyayushurudianyachengzhengbi。yincizhezhongjiancedianlukeyongyujiancexuyaogelidedianya、電流信號。此電路可代替原有的TIL300。實驗結果證明該檢測電路的可行性。此電路具有結構簡單、價格便宜、精度高、線性度好的特點,可廣泛用於對精度要求不是很高、需要隔離並檢測、反饋電壓、電流信號的領域,如電力、化工、通信、冶金等行業。
- 探究一種實用的線性隔離檢測電路
- 檢測電路構成、工作原理分析
- 利用兩個光電耦合器用作輸出和反饋
- 利用本文提出的檢測電路來進行測試
1 引言
隨著電源技術的發展,電力係統、通信係統中越來越廣泛地使用開關電源、UPS等電源設備。這些設備無一例外地要檢測主電路的電壓、電流信號。檢測電路是主電路與控製電路的接口,是電源設備必不可少的一個重要組成部分。檢測電路必須滿足如下幾方麵的要求:
(1)要(yao)有(you)很(hen)高(gao)的(de)精(jing)度(du)和(he)線(xian)性(xing)度(du)。現(xian)代(dai)電(dian)源(yuan)為(wei)了(le)達(da)到(dao)很(hen)高(gao)的(de)穩(wen)壓(ya)穩(wen)流(liu)精(jing)度(du)並(bing)具(ju)有(you)很(hen)好(hao)的(de)動(dong)態(tai)響(xiang)應(ying)特(te)性(xing),大(da)多(duo)都(dou)引(yin)入(ru)電(dian)壓(ya)電(dian)流(liu)參(can)與(yu)係(xi)統(tong)的(de)反(fan)饋(kui)控(kong)製(zhi)。檢(jian)測(ce)電(dian)路(lu)的(de)精(jing)度(du)和(he)線(xian)性(xing)度(du),在(zai)某(mou)種(zhong)程(cheng)度(du)上(shang)決(jue)定(ding)了(le)整(zheng)個(ge)電(dian)源(yuan)的(de)輸(shu)出(chu)精(jing)度(du)和(he)穩(wen)定(ding)性(xing)。
(2)必bi須xu具ju有you隔ge離li功gong能neng。大da多duo數shu電dian源yuan的de主zhu電dian路lu和he控kong製zhi電dian路lu之zhi間jian在zai電dian氣qi上shang相xiang互hu絕jue緣yuan。否fou則ze電dian源yuan會hui由you於yu主zhu電dian路lu對dui控kong製zhi電dian路lu的de幹gan擾rao而er不bu能neng正zheng常chang工gong作zuo,甚shen至zhi會hui危wei及ji調tiao試shi人ren員yuan的de人ren身shen安an全quan。
目前,市場上有許多隔離傳感器供用戶使用,如隔離放大器(TPS5904,AD202)、電壓霍爾、電流霍爾等。在上述器件中,AD202、霍爾元件有性能好、可靠性高、測量精確、應用範圍廣的優點。但它昂貴的價格卻使大多數使用者望而卻步,TPS5904雖然價格比較便宜,但相對來講,線性度較差。隻有TI公司的TIL300精密線性光耦,可以很精確地檢測直流信號,隔離效果好,價格又便宜。因此,許多設計人員在選擇器件時都偏重於選擇TIL300作為檢測、反饋直流電壓、電流用的檢測元件。
但是,隨著TIL300生產線的停產,以前使用TIL300的用戶不得不選擇其它器件,而目前電子元器件市場上又沒有其它價格、性能可與TIL300相媲美的元件,這就給使用者帶來很大不便。本文基於此現狀,提出了一種可以代替TIL300的檢測電路。該電路使用普通光耦,應用反饋控製原理,具有價格便宜,線性度好的特點,在一定程度上可以替代原有的TIL300。
2 TIL300簡介
TIL300精密線性光耦的內部結構如圖1所示。

圖1 TIL300結構示意圖
TIL300精密線性光耦合器是由一個紅外光LED照射分叉配置的一個隔離反饋光二極管和一個輸出光二極管組成,反饋光二極管吸收LED光通量的一部分而產生控製信號,該控製信號可通過一個調節電路來調節LED的驅動電流,最終使得LED發出的光通量滿足輸入信號和反饋信號相等。TIL300精jing密mi線xian性xing光guang耦ou合he器qi是shi以yi電dian流liu方fang式shi工gong作zuo的de,在zai一yi定ding輸shu入ru電dian流liu範fan圍wei內nei,它ta的de電dian流liu傳chuan輸shu比bi保bao持chi不bu變bian,此ci時shi輸shu出chu光guang二er極ji管guan產chan生sheng的de電dian流liu信xin號hao與yu反fan饋kui光guang二er極ji管guan產chan生sheng的de電dian流liu信xin號hao成cheng線xian性xing比bi例li,所suo以yi輸shu出chu信xin號hao與yu輸shu入ru信xin號hao成cheng一yi定ding的de線xian性xing比bi例li關guan係xi。
[page]
3 檢測電路
3.1 電路結構
本文提出的檢測電路如圖2所示。

圖2 檢測電路構成
檢測電路主要由兩個普通光電耦合器、兩個運放和電阻、電容構成。兩個光電耦合器可以起到TIL300中隔離反饋光二極管和輸出光二極管的作用。其中一個用作輸出,另一個作為反饋,反饋是用來補償發光二極管時間、溫度特性的非線性。為了保證輸出光二極管產生的輸出信號與LED發(fa)出(chu)的(de)伺(si)服(fu)光(guang)通(tong)量(liang)呈(cheng)線(xian)性(xing)比(bi)例(li),在(zai)選(xuan)擇(ze)器(qi)件(jian)時(shi),兩(liang)個(ge)光(guang)耦(ou)合(he)器(qi)的(de)特(te)性(xing)應(ying)盡(jin)量(liang)保(bao)持(chi)一(yi)致(zhi)。輸(shu)出(chu)端(duan)所(suo)接(jie)的(de)電(dian)壓(ya)跟(gen)隨(sui)器(qi)是(shi)為(wei)了(le)保(bao)證(zheng)輸(shu)出(chu)電(dian)壓(ya)的(de)穩(wen)定(ding)性(xing)。
3.2工作原理分析
由圖2可知:輸出電流、輸出電壓的表達式分別為:
I3=k3I1(1)
UO=R3I3=k3R3I1(2)
反饋電流為:I2=k2I1(3)
式(1)、(2)、(3)中k3、k2分別為電路中兩個光耦的電流傳輸比(非線性)。兩個光耦的特性近似一致,可認為k2=k3,也即I2=I3。
此電路的工作原理如下:
在檢測電路調節過程中,Ui有兩種變化趨勢,當輸入電壓Ui升高時,有Ui>R2I2,導致運放輸出端電壓升高,通過發光二極管的電流I1也隨之增大,由於I2=k2I1,I3=kI1,I2、I3也增大,最終調節的結果是Ub=Ua=Ui,又因為I2=I3,因此輸出電壓UO與輸入電壓Ui相等,UO隨著Ui的增大而線性增大。
反之,當輸入電壓Ui降低時,運放輸出端電壓降低,通過發光二極管的電流I1也隨之減小,與上類似,輸出電壓UO=R2I2也隨輸入電壓Ui的降低成比例地減小。
光耦的選擇對電路的影響非常大,當光耦選擇不適當時,k2與k3之間的差別比較大,但若此時k2與k3的變化是隨著通過光耦電流的大小變化成比例的,即:k2=αk3,如果α為常量,輸出電壓與輸入電壓仍然保持線性關係,檢測電路仍然能正常工作。但在一般情況下,α不是常量,導致檢測電路的輸出與輸入電壓不是線性關係,輸出電壓不會隨著輸入電壓的變化而線性變化[2]。此時檢測電路就不能正常工作。為了避免這種情況,應盡量選用特性一致的光耦。
[page]
4 實驗結果及其分析
根據所設計的檢測電路進行實驗,實驗時,調節輸入電壓Ui的大小,並檢測與之對應的輸出電壓UO的大小,實驗結果如表1(a)所示。為了進行對比,同時測出沒有反饋的光耦的輸入與輸出電壓關係,並列在表1(b)。根據表1中(a)、(b)的數據分別繪出檢測電路與單個光耦的傳輸特性,分別如圖3(a)、(b)所示。
表1 檢測電路與單個光耦的傳輸特性


圖3檢測電路與單個光耦的輸入輸出特性

(a)檢測電路的傳輸特性(b)單個光耦的傳輸特性

(a)檢測電路的傳輸特性(b)單個光耦的傳輸特性
由表1可知,在一定範圍內,檢測電路的輸出電壓與輸入電壓是成正比地變化的。輸出與輸入電壓的比例係數幾乎保持不變。表1(a)中(zhong)最(zui)後(hou)一(yi)行(xing)的(de)比(bi)例(li)變(bian)化(hua)比(bi)較(jiao)大(da),之(zhi)所(suo)以(yi)有(you)如(ru)此(ci)大(da)的(de)變(bian)化(hua),是(shi)因(yin)為(wei)此(ci)時(shi)光(guang)耦(ou)的(de)輸(shu)出(chu)電(dian)流(liu)已(yi)經(jing)達(da)到(dao)了(le)飽(bao)和(he)值(zhi),無(wu)論(lun)怎(zen)樣(yang)增(zeng)加(jia)輸(shu)入(ru)電(dian)流(liu),輸(shu)出(chu)電(dian)流(liu)都(dou)不(bu)會(hui)有(you)大(da)的(de)改(gai)變(bian)[3]。圖3(a)也能很清楚地看出檢測電路中輸出與輸入電壓的比例關係是線性的。而表1(b)中的數據則表明單個光耦隔離時輸出電壓與輸入電壓之間的關係比較複雜,隻有在中間一部分有近似的線性關係。圖3(b)也表明了單個光耦的輸出輸入關係是非線性的。
由圖3(a)和表1(a)可知,檢測電路的輸出可以很好地跟隨輸入電壓的變化,並且實現了輸入與輸出之間的隔離,精度較高,線性度較好(<1% ), 在要求不是很精確的情況下,可以選用此檢測電路來檢測、反饋主電路的電壓、電流信號。
5 結語
genjumuqiandianzichanpinshichangdebiandong,benwentichuleyizhongjiancedianlu,cidianlujuyougeligongneng,bingqiegelihoudeshuchudianyayushurudianyachengzhengbi。yincizhezhongjiancedianlukeyongyujiancexuyaogelidedianya、電流信號。此電路可代替原有的TIL300。實驗結果證明該檢測電路的可行性。此電路具有結構簡單、價格便宜、精度高、線性度好的特點,可廣泛用於對精度要求不是很高、需要隔離並檢測、反饋電壓、電流信號的領域,如電力、化工、通信、冶金等行業。
特別推薦
- 噪聲中提取真值!瑞盟科技推出MSA2240電流檢測芯片賦能多元高端測量場景
- 10MHz高頻運行!氮矽科技發布集成驅動GaN芯片,助力電源能效再攀新高
- 失真度僅0.002%!力芯微推出超低內阻、超低失真4PST模擬開關
- 一“芯”雙電!聖邦微電子發布雙輸出電源芯片,簡化AFE與音頻設計
- 一機適配萬端:金升陽推出1200W可編程電源,賦能高端裝備製造
技術文章更多>>
- 大聯大世平集團首度亮相北京國際汽車展 攜手全球芯片夥伴打造智能車整合應用新典範
- 2026北京車展即將啟幕,高通攜手汽車生態“朋友圈”推動智能化體驗再升級
- 邊緣重構智慧城市:FPGA SoM 如何破解視頻係統 “重而慢”
- 如何使用工業級串行數字輸入來設計具有並行接口的數字輸入模塊
- 意法半導體將舉辦投資者會議探討低地球軌道(LEO)發展機遇
技術白皮書下載更多>>
- 車規與基於V2X的車輛協同主動避撞技術展望
- 數字隔離助力新能源汽車安全隔離的新挑戰
- 汽車模塊拋負載的解決方案
- 車用連接器的安全創新應用
- Melexis Actuators Business Unit
- Position / Current Sensors - Triaxis Hall
熱門搜索
接口IC
介質電容
介質諧振器
金屬膜電阻
晶體濾波器
晶體諧振器
晶體振蕩器
晶閘管
精密電阻
精密工具
景佑能源
聚合物電容
君耀電子
開發工具
開關
開關電源
開關電源電路
開關二極管
開關三極管
科通
可變電容
可調電感
可控矽
空心線圈
控製變壓器
控製模塊
藍牙
藍牙4.0
藍牙模塊
浪湧保護器



