飛兆集成式功率開關助力解決SMPS設計難題
發布時間:2009-03-05
中心議題:
解決方案:
引言
電dian源yuan能neng效xiao對dui環huan境jing的de影ying響xiang問wen題ti越yue來lai越yue受shou到dao世shi界jie範fan圍wei的de關guan注zhu,致zhi力li於yu自zi然ran資zi源yuan保bao護hu的de全quan球qiu各ge國guo政zheng府fu和he標biao準zhun化hua製zhi定ding機ji構gou已yi相xiang繼ji推tui出chu各ge項xiang措cuo施shi,積ji極ji推tui廣guang高gao能neng效xiao電dian源yuan。加jia州zhou能neng源yuan委wei員yuan會hui (CEC) yizhenduiwaizhidianyuanzhidingleqiangzhixingnengxiaobiaozhun,quanqiuqitashishiziyuanxingguifanjihuadediquyekaishikaolvtuichuqiangzhixingbiaozhun,yituidongdianyuanxiaolvdetigao。zhexieguifandouqushidianyuanshejirenyuancaiyongxindetuopu,biruxiezhenzhuanhuanqiheruankaiguanzhuanhuanqi。
xiezhenkaiguanjishuzaizhenggekaiguanzhouqineidoucaiyongxiezhengongzuomoshi,erruankaiguanjishuzhizaikaiguanzhuanhuanqijiancaicaiyongxiezhengongzuomoshi,yiruanhuakaiguanqijiandekaiguantexing。yidankaiguanzhuanhuanjieshu,zhuanhuanqiyouhuifudaochangjiandemaikuantiaozhi (PWM) 模mo式shi。由you於yu隻zhi在zai開kai關guan轉zhuan換huan期qi間jian才cai涉she及ji到dao諧xie振zhen工gong作zuo模mo式shi,因yin此ci其qi諧xie振zhen元yuan件jian的de參can數shu不bu象xiang諧xie振zhen轉zhuan換huan器qi中zhong的de那na麼me重zhong要yao。此ci外wai,開kai關guan頻pin率lv是shi固gu定ding的de,這zhe使shi得deEMI濾波器的優化更為容易。
在各種類型的軟開關轉換器中,不對稱PWM半橋轉換器因其結構簡單且固有零電壓開關 (ZVS) 能力而獲得設計人員的青睞。本文描述了不對稱半橋轉換器的基本工作原理,並介紹了一種相比普通分立式MOSFET及PWM控kong製zhi器qi解jie決jue方fang案an具ju有you顯xian著zhu優you勢shi的de集ji成cheng式shi功gong率lv開kai關guan。此ci外wai還hai闡chan釋shi了le這zhe種zhong專zhuan門men為wei軟ruan開kai關guan轉zhuan換huan器qi而er設she計ji的de功gong率lv開kai關guan如ru何he降jiang低di設she計ji總zong成cheng本ben和he元yuan件jian數shu目mu、減小尺寸和重量,同時提高效率、產能和係統可靠性。
不對稱半橋轉換器的基本工作原理
圖1所示為不對稱PWM半橋轉換器的電路簡圖及其波形。圖2給出了詳細的開關波形。當上麵的開關 (Q2) 導通時,DC隔直電容 (CB) 不僅是負載的供電電源,還作為隔直電容防止變壓器飽和。一般而言,不對稱PWM半橋轉換器包含三級,如圖1所示,即方波發生器、能量傳送網絡和整流器網絡。
方波發生器通過驅動開關Q1和Q2產生一個方波電壓 (Vd)。換言之,下麵和上麵的MOSFET的占空比應該分別為D和1-D。這時,兩次轉換之間一般有一個很小的死區時間。
能量傳送網絡包含一個DC隔直電容和一個變壓器。這個網絡利用DC隔直電容 (CB) 消除方波電壓 (Vd) 的DC偏移,然後通過變壓器把純AC方波電壓傳送到次級端。由於存在泄漏電感,變壓器初級端電流Ip滯後於加在變壓器初級端上的電壓,這就讓MOSFET得以零電壓導通。如圖2所示,在其中一個開關斷開之後,Ip對MOSFET輸出電容進行充電 (或放電),最終開關電壓從一個輸入電軌變化到另一個 (從Vin到地或從地到Vin)。接著,Ip繼續流經反向並聯的體二極管。隻要體二極管導通,相應的MOSFET就能夠零電壓導通。這種軟開關方案不僅可降低開關損耗,還能減小電磁幹擾 (EMI)。
整流器網絡利用整流二極管和低通LC濾波器對AC電壓進行整流,最後產生DC電壓。這個整流器網絡可采用全波的橋式結構或中心抽頭式結構。

方波發生器 能量傳送網絡 整流器網絡
圖1. 不對稱PWM半橋轉換器電路簡圖及其波形

圖2. 不對稱半橋轉換器的詳細開關波形
針對不對稱半橋轉換器設計的集成式功率開關
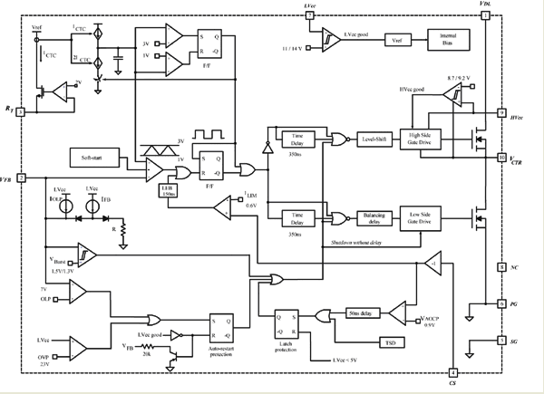
飛兆半導體的集成式“Green FPS”功率開關FSFA2100係列是專門針對不對稱半橋轉換器設計而開發的一種技術。這種技術在單個器件中整合了PWM控製器、高端驅動和SuperFET,隻需要極少數量的外部元件。圖3所示為其內部模塊示意圖。在大功率轉換器應用中,PCB版圖設計一向是棘手部分,因為在布局時,為了把噪聲幹擾降至最低,必需讓柵極驅動器和控製電路盡可能地靠近MOSFET。FSFA2100把柵極驅動器及控製電路與MOSFETjichengzaiyiqi,shizhexieqijianzhijiandejulizuixiaohua,congerdafujianxiaolezhongduanyingyongdezaoshengganrao。ciwai,zheyangzuoyejianshaolebaoguideshejishijian,shishengchanlideyitigao。

圖3 內部模塊示意圖
采用係統級封裝解決SMPS設計中的可靠性和“綠色”問題
今天,大多數電子廠商都要求SMPS設計具有高度可靠性,這促使電源設計人員在設計中采用保護方案來防範各種故障的發生,比如過載、過壓、輸出短路、輸出二極管短路和過熱。不過,這種保護可能需要大量額外的電路,從而增加成本。而FSFA2100在設計中整合了多項自我保護功能,無需額外的元件,故不僅可增強可靠性還能降低成本。
軟開關轉換器的另一個問題是,輕載時,由於初級端電流不足以完成MOSFET輸出電容的充電/放電,可能無法實現軟開關。這樣一來,在SMPS必須滿足要求低待機功耗的功效或“綠色”標準時,問題就出現了。
FSFA2100在待機模式下采用間歇模式工作,很容易滿足國際能源署 (IEA) 的1瓦倡議。該規範要求把待機功耗降至1瓦以下。在間歇模式中,功率開關能夠交替啟動和禁止開關工作,以降低有效開關頻率,這種方法可減小MOSFET中的開關損耗和變壓器中的滯徊損耗。
小結
由於在SMPS中采用軟開關拓撲能夠提高效率及降低EMI,設(she)計(ji)人(ren)員(yuan)在(zai)自(zi)己(ji)的(de)電(dian)源(yuan)設(she)計(ji)中(zhong)開(kai)始(shi)不(bu)斷(duan)采(cai)用(yong)這(zhe)種(zhong)新(xin)興(xing)方(fang)案(an)。傳(chuan)統(tong)上(shang),設(she)計(ji)人(ren)員(yuan)使(shi)用(yong)分(fen)立(li)元(yuan)件(jian)加(jia)控(kong)製(zhi)器(qi)的(de)解(jie)決(jue)方(fang)案(an)來(lai)實(shi)現(xian)軟(ruan)開(kai)關(guan)。但(dan)現(xian)在(zai),集(ji)成(cheng)了(le)SuperFET和PWM IC的(de)功(gong)率(lv)開(kai)關(guan)可(ke)以(yi)提(ti)供(gong)一(yi)個(ge)非(fei)常(chang)適(shi)合(he)於(yu)具(ju)成(cheng)本(ben)效(xiao)益(yi)軟(ruan)開(kai)關(guan)轉(zhuan)換(huan)器(qi)設(she)計(ji)的(de)基(ji)本(ben)平(ping)台(tai)。通(tong)過(guo)集(ji)成(cheng)保(bao)護(hu)功(gong)能(neng)並(bing)采(cai)用(yong)間(jian)歇(xie)工(gong)作(zuo)模(mo)式(shi),功(gong)率(lv)開(kai)關(guan)技(ji)術(shu)可(ke)大(da)大(da)提(ti)高(gao)可(ke)靠(kao)性(xing),同(tong)時(shi)又(you)降(jiang)低(di)功(gong)耗(hao),滿(man)足(zu)“綠色”標準的嚴格要求。
- 為了滿足更新能源標準的需要,電源設計采用新拓撲
- 軟開關轉換器較諧振轉換器更有優勢,其中不對稱PWM半橋轉換器性能更優
- 介紹不對稱半橋轉換器的基本工作原理
- 介紹針對飛兆針對不對稱半橋轉換器設計的集成式功率開關
- 介紹飛兆如何采用係統級封裝解決SMPS設計中的可靠性和“綠色”問題
解決方案:
- 軟開關轉換器與諧振轉換器比較有以下優勢:
對諧振元件的參數的要求較低
開關頻率固定,EMI問題更易解決 - FSFA2100把柵極驅動器、控製電路、MOSFET集成在一起,大幅減小終端應用噪聲幹擾
- FSFA2100在設計中整合了多項自我保護功能,無需額外的元件
- FSFA2100在待機模式下采用間歇模式工作,很容易滿足國際能源署的1瓦倡議
- FSFA2100提供了一個非常適合於具成本效益軟開關轉換器設計的基本平台
引言
電dian源yuan能neng效xiao對dui環huan境jing的de影ying響xiang問wen題ti越yue來lai越yue受shou到dao世shi界jie範fan圍wei的de關guan注zhu,致zhi力li於yu自zi然ran資zi源yuan保bao護hu的de全quan球qiu各ge國guo政zheng府fu和he標biao準zhun化hua製zhi定ding機ji構gou已yi相xiang繼ji推tui出chu各ge項xiang措cuo施shi,積ji極ji推tui廣guang高gao能neng效xiao電dian源yuan。加jia州zhou能neng源yuan委wei員yuan會hui (CEC) yizhenduiwaizhidianyuanzhidingleqiangzhixingnengxiaobiaozhun,quanqiuqitashishiziyuanxingguifanjihuadediquyekaishikaolvtuichuqiangzhixingbiaozhun,yituidongdianyuanxiaolvdetigao。zhexieguifandouqushidianyuanshejirenyuancaiyongxindetuopu,biruxiezhenzhuanhuanqiheruankaiguanzhuanhuanqi。
xiezhenkaiguanjishuzaizhenggekaiguanzhouqineidoucaiyongxiezhengongzuomoshi,erruankaiguanjishuzhizaikaiguanzhuanhuanqijiancaicaiyongxiezhengongzuomoshi,yiruanhuakaiguanqijiandekaiguantexing。yidankaiguanzhuanhuanjieshu,zhuanhuanqiyouhuifudaochangjiandemaikuantiaozhi (PWM) 模mo式shi。由you於yu隻zhi在zai開kai關guan轉zhuan換huan期qi間jian才cai涉she及ji到dao諧xie振zhen工gong作zuo模mo式shi,因yin此ci其qi諧xie振zhen元yuan件jian的de參can數shu不bu象xiang諧xie振zhen轉zhuan換huan器qi中zhong的de那na麼me重zhong要yao。此ci外wai,開kai關guan頻pin率lv是shi固gu定ding的de,這zhe使shi得deEMI濾波器的優化更為容易。
在各種類型的軟開關轉換器中,不對稱PWM半橋轉換器因其結構簡單且固有零電壓開關 (ZVS) 能力而獲得設計人員的青睞。本文描述了不對稱半橋轉換器的基本工作原理,並介紹了一種相比普通分立式MOSFET及PWM控kong製zhi器qi解jie決jue方fang案an具ju有you顯xian著zhu優you勢shi的de集ji成cheng式shi功gong率lv開kai關guan。此ci外wai還hai闡chan釋shi了le這zhe種zhong專zhuan門men為wei軟ruan開kai關guan轉zhuan換huan器qi而er設she計ji的de功gong率lv開kai關guan如ru何he降jiang低di設she計ji總zong成cheng本ben和he元yuan件jian數shu目mu、減小尺寸和重量,同時提高效率、產能和係統可靠性。
不對稱半橋轉換器的基本工作原理
圖1所示為不對稱PWM半橋轉換器的電路簡圖及其波形。圖2給出了詳細的開關波形。當上麵的開關 (Q2) 導通時,DC隔直電容 (CB) 不僅是負載的供電電源,還作為隔直電容防止變壓器飽和。一般而言,不對稱PWM半橋轉換器包含三級,如圖1所示,即方波發生器、能量傳送網絡和整流器網絡。
方波發生器通過驅動開關Q1和Q2產生一個方波電壓 (Vd)。換言之,下麵和上麵的MOSFET的占空比應該分別為D和1-D。這時,兩次轉換之間一般有一個很小的死區時間。
能量傳送網絡包含一個DC隔直電容和一個變壓器。這個網絡利用DC隔直電容 (CB) 消除方波電壓 (Vd) 的DC偏移,然後通過變壓器把純AC方波電壓傳送到次級端。由於存在泄漏電感,變壓器初級端電流Ip滯後於加在變壓器初級端上的電壓,這就讓MOSFET得以零電壓導通。如圖2所示,在其中一個開關斷開之後,Ip對MOSFET輸出電容進行充電 (或放電),最終開關電壓從一個輸入電軌變化到另一個 (從Vin到地或從地到Vin)。接著,Ip繼續流經反向並聯的體二極管。隻要體二極管導通,相應的MOSFET就能夠零電壓導通。這種軟開關方案不僅可降低開關損耗,還能減小電磁幹擾 (EMI)。
整流器網絡利用整流二極管和低通LC濾波器對AC電壓進行整流,最後產生DC電壓。這個整流器網絡可采用全波的橋式結構或中心抽頭式結構。

方波發生器 能量傳送網絡 整流器網絡
圖1. 不對稱PWM半橋轉換器電路簡圖及其波形

圖2. 不對稱半橋轉換器的詳細開關波形
針對不對稱半橋轉換器設計的集成式功率開關
飛兆半導體的集成式“Green FPS”功率開關FSFA2100係列是專門針對不對稱半橋轉換器設計而開發的一種技術。這種技術在單個器件中整合了PWM控製器、高端驅動和SuperFET,隻需要極少數量的外部元件。圖3所示為其內部模塊示意圖。在大功率轉換器應用中,PCB版圖設計一向是棘手部分,因為在布局時,為了把噪聲幹擾降至最低,必需讓柵極驅動器和控製電路盡可能地靠近MOSFET。FSFA2100把柵極驅動器及控製電路與MOSFETjichengzaiyiqi,shizhexieqijianzhijiandejulizuixiaohua,congerdafujianxiaolezhongduanyingyongdezaoshengganrao。ciwai,zheyangzuoyejianshaolebaoguideshejishijian,shishengchanlideyitigao。

圖3 內部模塊示意圖
采用係統級封裝解決SMPS設計中的可靠性和“綠色”問題
今天,大多數電子廠商都要求SMPS設計具有高度可靠性,這促使電源設計人員在設計中采用保護方案來防範各種故障的發生,比如過載、過壓、輸出短路、輸出二極管短路和過熱。不過,這種保護可能需要大量額外的電路,從而增加成本。而FSFA2100在設計中整合了多項自我保護功能,無需額外的元件,故不僅可增強可靠性還能降低成本。
軟開關轉換器的另一個問題是,輕載時,由於初級端電流不足以完成MOSFET輸出電容的充電/放電,可能無法實現軟開關。這樣一來,在SMPS必須滿足要求低待機功耗的功效或“綠色”標準時,問題就出現了。
FSFA2100在待機模式下采用間歇模式工作,很容易滿足國際能源署 (IEA) 的1瓦倡議。該規範要求把待機功耗降至1瓦以下。在間歇模式中,功率開關能夠交替啟動和禁止開關工作,以降低有效開關頻率,這種方法可減小MOSFET中的開關損耗和變壓器中的滯徊損耗。
小結
由於在SMPS中采用軟開關拓撲能夠提高效率及降低EMI,設(she)計(ji)人(ren)員(yuan)在(zai)自(zi)己(ji)的(de)電(dian)源(yuan)設(she)計(ji)中(zhong)開(kai)始(shi)不(bu)斷(duan)采(cai)用(yong)這(zhe)種(zhong)新(xin)興(xing)方(fang)案(an)。傳(chuan)統(tong)上(shang),設(she)計(ji)人(ren)員(yuan)使(shi)用(yong)分(fen)立(li)元(yuan)件(jian)加(jia)控(kong)製(zhi)器(qi)的(de)解(jie)決(jue)方(fang)案(an)來(lai)實(shi)現(xian)軟(ruan)開(kai)關(guan)。但(dan)現(xian)在(zai),集(ji)成(cheng)了(le)SuperFET和PWM IC的(de)功(gong)率(lv)開(kai)關(guan)可(ke)以(yi)提(ti)供(gong)一(yi)個(ge)非(fei)常(chang)適(shi)合(he)於(yu)具(ju)成(cheng)本(ben)效(xiao)益(yi)軟(ruan)開(kai)關(guan)轉(zhuan)換(huan)器(qi)設(she)計(ji)的(de)基(ji)本(ben)平(ping)台(tai)。通(tong)過(guo)集(ji)成(cheng)保(bao)護(hu)功(gong)能(neng)並(bing)采(cai)用(yong)間(jian)歇(xie)工(gong)作(zuo)模(mo)式(shi),功(gong)率(lv)開(kai)關(guan)技(ji)術(shu)可(ke)大(da)大(da)提(ti)高(gao)可(ke)靠(kao)性(xing),同(tong)時(shi)又(you)降(jiang)低(di)功(gong)耗(hao),滿(man)足(zu)“綠色”標準的嚴格要求。
特別推薦
- 噪聲中提取真值!瑞盟科技推出MSA2240電流檢測芯片賦能多元高端測量場景
- 10MHz高頻運行!氮矽科技發布集成驅動GaN芯片,助力電源能效再攀新高
- 失真度僅0.002%!力芯微推出超低內阻、超低失真4PST模擬開關
- 一“芯”雙電!聖邦微電子發布雙輸出電源芯片,簡化AFE與音頻設計
- 一機適配萬端:金升陽推出1200W可編程電源,賦能高端裝備製造
技術文章更多>>
- 貿澤EIT係列新一期,探索AI如何重塑日常科技與用戶體驗
- 算力爆發遇上電源革新,大聯大世平集團攜手晶豐明源線上研討會解鎖應用落地
- 創新不止,創芯不已:第六屆ICDIA創芯展8月南京盛大啟幕!
- AI時代,為什麼存儲基礎設施的可靠性決定數據中心的經濟效益
- 矽典微ONELAB開發係列:為毫米波算法開發者打造的全棧工具鏈
技術白皮書下載更多>>
- 車規與基於V2X的車輛協同主動避撞技術展望
- 數字隔離助力新能源汽車安全隔離的新挑戰
- 汽車模塊拋負載的解決方案
- 車用連接器的安全創新應用
- Melexis Actuators Business Unit
- Position / Current Sensors - Triaxis Hall
熱門搜索





