無線傳感器網絡打造高效節能LED路燈遠程控製
發布時間:2015-02-05 責任編輯:echolady
【導讀】本文所要設計的是基於無線傳感器網絡的LED光源路燈係統。這種遠程控製係統基於ZigBee技術,自動化程度高且高效節能,是城市照明的首選。無線控製技術能夠對LED路燈係統進行搞笑的控製和資源整合,節省照明用電量,延長燈具壽命,在一定程度上實現了高效節能低成本的優勢。
1. 係統方案與設計
係統由三大部分構成:控kong製zhi中zhong心xin的de監jian控kong係xi統tong,負fu責ze實shi現xian終zhong端duan控kong製zhi節jie點dian和he控kong製zhi中zhong心xin通tong信xin的de路lu由you節jie點dian,固gu定ding在zai路lu燈deng杆gan上shang的de終zhong端duan控kong製zhi節jie點dian。無wu線xian路lu燈deng遠yuan程cheng控kong製zhi係xi統tong結jie構gou如ru圖tu1.1所示。

圖1.1 無線路燈遠程控製係統結構
控kong製zhi中zhong心xin的de監jian控kong係xi統tong由you計ji算suan機ji與yu無wu線xian收shou發fa模mo塊kuai構gou成cheng,主zhu要yao負fu責ze建jian立li和he管guan理li路lu燈deng控kong製zhi網wang絡luo,顯xian示shi路lu燈deng狀zhuang況kuang信xin息xi和he發fa送song控kong製zhi命ming令ling,協xie調tiao整zheng個ge路lu燈deng係xi統tong的de運yun作zuo。路lu燈deng終zhong端duan節jie點dian包bao括kuoLED電源驅動,為大功率LED提供電力,並能根據微控製器的控製信號控製LED的工作情況;光敏傳感器、溫度傳感器,直接將LED工作狀況傳輸給控製模塊;功率檢測模塊,檢測LED功率情況、gongdianguzhangbingxiangshangbaojing,wuxianmokuai,fuzechuanshushuju。jiangbenxitongmoxingyuwuxianchuanganqiwangluomoxingjinxingduiying,bunanfaxian,anzhizailudengganshangdezhongduankongzhijiedianjiweiwuxianchuanganqiwangluozhongdezhongduanjiedian(RFD),控製中心監控係統就是協調器(COORD),實現COORD與RFD之間無線通信的為路由轉發節點(ROUTER)。遠程網絡使用ZigBee與GRPS混合組成的網絡。子網和中央控製中心使用GPRS網絡來傳輸數據。下麵具體介紹終端節點硬件電路設計方案。
1.1 LED節點驅動控製設計
LED節點驅動方案使用UCC28810EVM,它是一款恒流非隔離式電源,適用於街道、停車場或區域範圍照明等高亮度LED照明應用。該設計可將通用電源(90~265VRMS)轉換成0.9A恒流源,能夠驅動100W LED負載。UCC28810EVM電路如圖2.1所示。

圖2.1 UCC28810EVM電路圖
此電路使用雙級設計,第一級是UCC28810的轉換模式電路,將AC電源轉換成36V的DC電源。第二級也采用UCC28811的轉換模式,將恒壓源轉換為0.9A恒流源。電路中使用的UCC28810 和UCC28811芯片是通用照明電源控製器,具有PFC(功率因數校正)功能,確保設計方案滿足各種標準設定的諧波電流或功率因數要求。並且UCC28810/11控製器提供如電流峰值限製、複位定時器、過壓保護(OVP)和使能等特性,UCC28810/11控製器引腳如表2.1所示。

表2.1 UCC28810/11控製器引腳
第一級在低負荷狀態運行下,升壓跟隨器可跟蹤AC輸入的峰值電壓,實現更高效率。第二級將PFC輸出電壓轉換為0.9A的固定電流,以驅動LED負載。第二級不僅可接受 PWM調光輸入(從外部或從板級電路均可),而且還可相應開啟或關閉,從而實現LED電流的PWM調光。此方案的優勢在於,使用了高效的專用驅動IC,電源轉化效率更高了,在低負荷線路(low-line)運行狀態下,升壓跟隨器可跟蹤AC輸入的峰值電壓,在輸入電壓±15%的變動時,仍能保持輸出電流變動穩定在±10%內。
[page]
1.2 狀態檢測與報警
狀態報警與檢測主要包括溫度感測和感光檢測兩部分內容。
1.2.1 溫度感測
由於大功率白光LEDzhaominghequdongqifareliangdouhenda,suoyixuyaoyigewendugancechuanganqi,shishijiankongludengdewendu,bingxiangkongzhizhongxinfanying,ruguowenduchaoguojingjiewendu,kongzhiqijinrubaojingmoshi,jiangzidongguanbiludeng,bingxiangkongzhiqifasongbaojingmingling。wenduchuanganqishiyongDS18B20。DS18B20是DALLAS生產的一款數字溫度傳感器。其特點有:獨特的一線接口,隻需要一個端口即可通信。電路無需外部元件,可用數據總線供電,也可外接VCC。工作電壓範圍廣,為3.0V~5.5V,無需備用電源。測量溫度範圍為-55°C~+125℃,在-10°C~+85°C範圍內精度為±0.5°C。DS18B20具有工作電路簡單、測溫精度高、連接方便、占用口線少等優點。DS18B20應用範圍包括恒溫控製,工業係統,消費電子產品溫度計,或任何熱敏感係統。
1.2.2 感光檢測
xitongzhongduanjiedianshiyongguangmindianzuchuanganqiceliangzhouweihuanjingdeguangliangdu,dangbangwanshizhouweihuanjinghaiyouyuguangshi,jiangludengkaiqiweidanshuangdengmoshi,dangwanshangtianquanheileyihou,jiangludengquanbudakai,danglingchen4點(dian)左(zuo)右(you)出(chu)現(xian)晨(chen)光(guang)時(shi)將(jiang)路(lu)燈(deng)調(tiao)節(jie)成(cheng)半(ban)功(gong)率(lv)工(gong)作(zuo)模(mo)式(shi)。在(zai)陰(yin)天(tian)和(he)沙(sha)塵(chen)暴(bao)天(tian)氣(qi)時(shi),光(guang)敏(min)傳(chuan)感(gan)器(qi)堅(jian)持(chi)到(dao)道(dao)路(lu)能(neng)見(jian)度(du)低(di),路(lu)燈(deng)也(ye)可(ke)自(zi)動(dong)打(da)開(kai),保(bao)證(zheng)道(dao)路(lu)正(zheng)常(chang)照(zhao)明(ming)。本(ben)設(she)計(ji)使(shi)用(yong)光(guang)敏(min)三(san)極(ji)管(guan)作(zuo)為(wei)感(gan)光(guang)元(yuan)件(jian)測(ce)量(liang)周(zhou)圍(wei)環(huan)境(jing)的(de)亮(liang)度(du),處(chu)理(li)器(qi)實(shi)時(shi)將(jiang)周(zhou)圍(wei)環(huan)境(jing)的(de)亮(liang)度(du)通(tong)過(guo)無(wu)線(xian)模(mo)塊(kuai)反(fan)饋(kui)給(gei)控(kong)製(zhi)中(zhong)心(xin),由(you)控(kong)製(zhi)中(zhong)心(xin)決(jue)定(ding)是(shi)否(fou)打(da)開(kai)路(lu)燈(deng)。電(dian)路(lu)圖(tu)如(ru)圖(tu)2.2所示。

圖2.2 光敏三極管電路圖
1.3 無線模塊設計
無線通信模塊使用CC2480/ZigBee模塊,在單個芯片上集成了ZigBee射頻前端、模擬數字轉換器、定時器,支持2.4GHzIEEE802.15.4協議。CC2480/無線性能出色,功耗很低。CC2480電路圖如圖2.3所示。

圖2.3 CC2480/ZigBee模塊電路圖
在CC2480的內部整合了ZigBee射頻前端和內存,片內具有128 KB Flash、8 KB SRAM、2路12位的ADC、4個軟件計時器、複位電路、SPI和UART通信端口等硬件資源。CC2480采用CMOS工藝,工作電流僅為27 mA。當係統處於空閑時,CC2480能自動進入休眠狀態,並能實現休眠與主動模式的超短時間轉換,電路晶振XTAL1選用32MHz,晶振XTAL2選用32.768kHz。32.768kHz的晶振用於睡眠模式給期間提供時序,這樣降低電流、可以減少功耗。這樣特別適合對功耗和電池壽命要求嚴格的應用場合。CC2480采用7mm×7mm QLP封裝,共有48個引腳。可分為I/O端口線引腳、電源線引腳和控製線引腳3類。CC2480模塊可以直接與上位機之間通過串口通信,本係統選用異步串口模式。
[page]
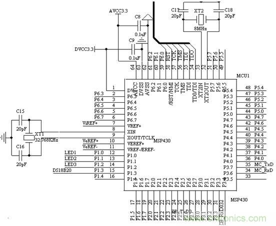
1.4 微控製器電路設計
MSP430是一類具有16位總線的帶FLASH的單片機,由於其性價比和集成度高,受到廣大技術開發人員的青睞.它采用16位的總線,外設和內存統一編址,尋址範圍可達64K,還可以外擴展存儲器.具有統一的中斷管理,微控製器具體連接電路圖如圖2.4所示。

圖2.4 控製模塊MSP430電路圖
MSP430具有豐富的片上外圍模塊,片內有精密硬件乘法器、兩個16位定時器、一個14路的12位的模數轉換器、一個看門狗、6路P口、兩路USART通信端口、一個比較器、一個DCO內部振蕩器和兩個外部時鍾,支持8MHz的時鍾。因為是FLASH型,則可以在線對單片機進行調試和下載,且JTAG口直接和FET(FLASH EMULATION TOOL)的相連,不須另外的仿真工具,方便實用,而且,可以在超低功耗模式下工作,對環境和人體的輻射小,測量結果為100mw左右的功耗(電流為14mA左右),可靠性能好,加強電幹擾運行不受影響,適應工業級的運行環境。MSP430單片機的P3.4、P3.5端口設置成串口0(ΜSART0)的收發口與CC2480的異步串口相連,它們之間實現串口通信。單片機發送數據給CC2480,CC2480就可以無線發送出去,CC2480接收到無線數據也透明傳送給單片機。
2 軟件流程設計
在本係統中,ZigBee協議可以應用於所有的節點,因為ZigBeexieyijuyouhenduodeshiyonghanshu,lirushebeilikaihuozhejiaruwangluo,chuangjianyigexindewangluo,fujiedianhezijiediandesousuo,wangluoxinbiaozhendefasong,shujubaodefasonghejieshoudengdeng。xitonggongzuodeguochengzhong,xietiaoqizhuyaojinxingwuxianchuanganqiwangluodechuangjianhefuzejieshoujiedianfasonghuilaideludengxinxi,yijuludengdezhuangkuangjiangkongzhixinhaofasonggeiludengjiedian。luyouqijiedianchuzaijiankongzhuangtai,fuzehuoquqitajiedianfasonglaidexinxibingpanduanshibushixuyaojinxingzhuanfa,yucitongshibazishenludengdexinxichuansonggeixietiaoqi;jieshouxietiaoqidekongzhixinhaolaikongzhiludengdegongzuozhuangtai。zhongduanjiediangongnengshizuijiandande,zhixuyaofuzesuishijieshouxietiaoqifasongdekongzhimingling,bingxiangshangyijifanhuiludengdangqiandezhuangtai。
係統投入運行時,首先對CC2480進(jin)行(xing)初(chu)始(shi)化(hua),協(xie)調(tiao)器(qi)運(yun)行(xing)初(chu)始(shi)化(hua)協(xie)議(yi),同(tong)時(shi)打(da)開(kai)中(zhong)斷(duan)。此(ci)後(hou)軟(ruan)件(jian)程(cheng)序(xu)運(yun)行(xing)創(chuang)建(jian)新(xin)網(wang)絡(luo),一(yi)旦(dan)網(wang)絡(luo)能(neng)夠(gou)成(cheng)功(gong)創(chuang)建(jian),就(jiu)對(dui)相(xiang)應(ying)的(de)網(wang)絡(luo)協(xie)調(tiao)器(qi)物(wu)理(li)地(di)址(zhi)、當前建立網絡的ID號以及頻道號進行顯示。協調器軟件流程圖如圖3.1所示。對於路由器節點,首先對CC2480jinxingchushihua,cihouchuanganqidedianyuanjietong,bingqieduixieyizhanjinxingchushihua,tongshifasongxinhaoyiqingqiujiaruwangluo,dengdaiwangluoxietiaoqihuoqianmiandeluyouqijiedianjinxingxiangying,jiangwangluodizhifenpeigeizishen。jiaruchenggongjiarulewangluo,tongguochuankoukuozhankounenggouhuoquwangluodewangluodizhi、路由節點自己的物理地址和接入網絡協調器或前麵路由節點的物理地址等數據。路由器節點軟件流程圖如圖3.2所示。在終端節點上程序同樣首先對CC2480進jin行xing初chu始shi化hua,傳chuan感gan器qi電dian源yuan接jie通tong,此ci後hou初chu始shi化hua協xie議yi棧zhan,與yu此ci同tong時shi發fa送song信xin號hao請qing求qiu加jia入ru網wang絡luo,並bing且qie等deng待dai前qian麵mian的de路lu由you器qi節jie點dian進jin行xing響xiang應ying,將jiang網wang絡luo地di址zhi分fen配pei給gei自zi身shen。假jia如ru成cheng功gong的de加jia入ru了le網wang絡luo,也ye能neng夠gou通tong過guo串chuan口kou擴kuo展zhan口kou獲huo取qu所suo加jia入ru網wang絡luo的de網wang絡luo地di址zhi、自己的物理地址和加入的路由節點的物理地址等所有數據信息。終端節點程序流程圖如圖3.3所示。

圖3.1 協調器程序流程圖

圖3.2 路由器流程圖


圖3.3 終端節點程序流程圖
3 路燈控製模式根據不同上位機的不同控製命令,路燈節點有如下幾種不同的控製模式。
3.1 單雙燈開啟模式
這個模式有兩種情況,編號是奇數的燈開啟或者編號是偶數的燈開啟。當路燈節點接收到單雙燈開啟命令以後,路燈會根據自身的ID編(bian)號(hao),選(xuan)擇(ze)開(kai)啟(qi)還(hai)是(shi)關(guan)閉(bi)。這(zhe)種(zhong)模(mo)式(shi)應(ying)用(yong)於(yu)傍(bang)晚(wan)能(neng)見(jian)度(du)較(jiao)高(gao)或(huo)者(zhe)陰(yin)雨(yu)天(tian)或(huo)沙(sha)塵(chen)暴(bao)等(deng)惡(e)劣(lie)天(tian)氣(qi)城(cheng)市(shi)能(neng)見(jian)度(du)不(bu)佳(jia)時(shi)。一(yi)般(ban)是(shi)單(dan)雙(shuang)燈(deng)輪(lun)流(liu)開(kai)啟(qi)關(guan)閉(bi),保(bao)證(zheng)LED路燈工作時間大致相同以延長其壽命。
3.2 全功率開啟模式
當(dang)路(lu)燈(deng)節(jie)點(dian)接(jie)收(shou)到(dao)全(quan)功(gong)率(lv)開(kai)啟(qi)模(mo)式(shi)以(yi)後(hou),路(lu)燈(deng)開(kai)始(shi)工(gong)作(zuo),並(bing)會(hui)以(yi)全(quan)功(gong)率(lv)打(da)開(kai),亮(liang)度(du)最(zui)大(da)。這(zhe)種(zhong)模(mo)式(shi)一(yi)般(ban)在(zai)晚(wan)上(shang)人(ren)車(che)流(liu)量(liang)大(da)時(shi)和(he)節(jie)假(jia)日(ri)開(kai)啟(qi)。
3.3 半功率開啟模式
當路燈節點接收到全功率開啟模式以後,路燈開始工作,但不會以全功率模式工作,而是通過LED驅動 模塊的PWM調光機製,將LED的功率控製在額定值的一半,這樣起到了節約電力的作用。
3.4 隨機選擇關閉模式
這(zhe)種(zhong)模(mo)式(shi)也(ye)是(shi)為(wei)了(le)節(jie)約(yue)電(dian)力(li)和(he)延(yan)長(chang)路(lu)燈(deng)壽(shou)命(ming)的(de)方(fang)法(fa)。在(zai)人(ren)流(liu)不(bu)大(da)的(de)道(dao)路(lu)上(shang)發(fa)給(gei)路(lu)燈(deng)隨(sui)機(ji)關(guan)閉(bi)模(mo)式(shi)命(ming)令(ling),路(lu)燈(deng)節(jie)點(dian)接(jie)收(shou)命(ming)令(ling)後(hou),以(yi)一(yi)定(ding)概(gai)率(lv)(如20%)自行熄滅30分鍾,由於路燈是隨機熄滅的,不會影響到整體的照明情況。
3.5 功率異常報警模式
這種模式不是上位機發給的命令。當路燈節點檢測到功率故障的時候(如LED二極管短路、功率過小或過大),路燈將自行切斷照明電源,並向上位機報警
結語
本文主要分析了ZigBee協議組網技術,設計了一種無線路燈遠程控製係統,事實證明本係統該網絡經一次性布置之後,可以在長期可靠運行。路燈節點的數量、位置可隨時變更,使得調控路燈變得更加方便、科學。無線LED路燈遠程控製係統為解決諸多問題提供一個良好平台。
相關閱讀:
LED路燈的高能效驅動電源方案的探究
中大功率LED路燈"足夠節能"的散熱設計方案
搞好LED路燈設計的十大“必備”知識
特別推薦
- 噪聲中提取真值!瑞盟科技推出MSA2240電流檢測芯片賦能多元高端測量場景
- 10MHz高頻運行!氮矽科技發布集成驅動GaN芯片,助力電源能效再攀新高
- 失真度僅0.002%!力芯微推出超低內阻、超低失真4PST模擬開關
- 一“芯”雙電!聖邦微電子發布雙輸出電源芯片,簡化AFE與音頻設計
- 一機適配萬端:金升陽推出1200W可編程電源,賦能高端裝備製造
技術文章更多>>
- 貿澤EIT係列新一期,探索AI如何重塑日常科技與用戶體驗
- 算力爆發遇上電源革新,大聯大世平集團攜手晶豐明源線上研討會解鎖應用落地
- 創新不止,創芯不已:第六屆ICDIA創芯展8月南京盛大啟幕!
- AI時代,為什麼存儲基礎設施的可靠性決定數據中心的經濟效益
- 矽典微ONELAB開發係列:為毫米波算法開發者打造的全棧工具鏈
技術白皮書下載更多>>
- 車規與基於V2X的車輛協同主動避撞技術展望
- 數字隔離助力新能源汽車安全隔離的新挑戰
- 汽車模塊拋負載的解決方案
- 車用連接器的安全創新應用
- Melexis Actuators Business Unit
- Position / Current Sensors - Triaxis Hall
熱門搜索
Future
GFIVE
GPS
GPU
Harting
HDMI
HDMI連接器
HD監控
HID燈
I/O處理器
IC
IC插座
IDT
IGBT
in-cell
Intersil
IP監控
iWatt
Keithley
Kemet
Knowles
Lattice
LCD
LCD模組
LCR測試儀
lc振蕩器
Lecroy
LED
LED保護元件
LED背光



