REASUNOS瑞森半導體高低壓MOS在車載逆變器上的應用
發布時間:2023-09-10 來源:RS瑞森半導體 責任編輯:lina
【導讀】車載逆變器(電源轉換器、Power Inverter)是一種能夠將 DC 12V直流電轉換為和市電相同的 AC 220V交流電,提供給一般電器使用,是一種方便的車用電源轉換器。
一、前言
車載逆變器(電源轉換器、Power Inverter)是一種能夠將 DC 12V直流電轉換為和市電相同的 AC 220V交流電,提供給一般電器使用,是一種方便的車用電源轉換器。
隨著汽車產品技術發展進步,汽車擁有的電子技術也在不斷提高,以車載逆變器為重要組件的電動汽車、插電混合動力汽車的發展正迅速加快,車載逆變器市場發展前景將會很廣闊。車載逆變器的普及速度的提高也促進了MOS管在車載逆變器中的使用。
二、產品應用及工作原理
車載逆變器可以做到20W、40W、80W、120W直到500W的功率規格,應用範圍為:手機、筆記本電腦、數碼攝像機、照相機、照明燈、電動剃須刀、CD機、遊戲機、掌上電腦、電動工具、車載冰箱等 。
一般的車載逆變器主要由逆變橋、濾波電路、控製電路、振蕩器等構成,其工作原理是先通過高頻PWM (脈寬調製)開關電源技術,將汽車電瓶所提供的12V直流電轉換成30kHz-50kHz、220V左右的交流電。然後再利用橋式整流、濾波、脈寬調製及開關功率輸出等技術,將30kHz~50kHz、220V左右的交流電轉換成50Hz、220V的交流電。
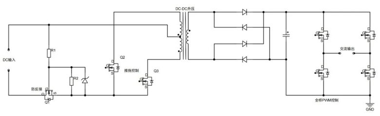
三、產品應用拓撲圖
四、 線路選型推薦
針對上圖逆變電路的DC-DC升壓電路+控製電路(推挽式)和DC-AC逆變電路提供兩個係列的MOS方案:
DC-DC升壓電路(防反接)+控製電路(推挽式)
在DC-DC升壓電路中,選用MOSFET作為開關器件,場效應管所需承受的最大電壓約為20-30V左右,選型時MOS管的最大耐受電壓應留有餘量一般會選擇40V以上的MOS。MOS管推薦使用瑞森半導體低壓MOS係列,選型如下:

DC-AC逆變電路(全橋PWM控製)
DC-AC逆變電路的主回路采用的是全橋式結構,和開關管並聯的二極管起到保護作用。MOS管推薦使用瑞森半導體高壓MOS係列。瑞森半導體高壓MOS係列,超小內阻,結電容適中,散熱性能好,高溫漏電小,高溫電壓跌落小,廣受市場好評。

免責聲明:本文為轉載文章,轉載此文目的在於傳遞更多信息,版權歸原作者所有。本文所用視頻、圖片、文字如涉及作品版權問題,請聯係小編進行處理。
推薦閱讀:
- 噪聲中提取真值!瑞盟科技推出MSA2240電流檢測芯片賦能多元高端測量場景
- 10MHz高頻運行!氮矽科技發布集成驅動GaN芯片,助力電源能效再攀新高
- 失真度僅0.002%!力芯微推出超低內阻、超低失真4PST模擬開關
- 一“芯”雙電!聖邦微電子發布雙輸出電源芯片,簡化AFE與音頻設計
- 一機適配萬端:金升陽推出1200W可編程電源,賦能高端裝備製造
- 貿澤EIT係列新一期,探索AI如何重塑日常科技與用戶體驗
- 算力爆發遇上電源革新,大聯大世平集團攜手晶豐明源線上研討會解鎖應用落地
- 創新不止,創芯不已:第六屆ICDIA創芯展8月南京盛大啟幕!
- AI時代,為什麼存儲基礎設施的可靠性決定數據中心的經濟效益
- 矽典微ONELAB開發係列:為毫米波算法開發者打造的全棧工具鏈
- 車規與基於V2X的車輛協同主動避撞技術展望
- 數字隔離助力新能源汽車安全隔離的新挑戰
- 汽車模塊拋負載的解決方案
- 車用連接器的安全創新應用
- Melexis Actuators Business Unit
- Position / Current Sensors - Triaxis Hall



