RS瑞森半導體-PCB LAYOUT中ESD的對策與LLC方案關鍵物料選型分享
發布時間:2022-12-02 來源:RS瑞森半導體 責任編輯:lina
【導讀】運用LAYOUT技巧改善性能,可提升產品性價比,把握關鍵物料選型可降低產品故障率,縮短產品開發周期,加快產品上線。
接上一篇:關於 LAYOUT通用原則在LLC係列方案中提升穩定性的應用做分享,本篇對LAYOUT中ESD的對策及瑞森LLC係列方案做設計時,關鍵物料選型事項繼續做分享。

一、PCB LAYOUT中ESD的對策
(一)PCB LAYOUT的關鍵中的重點:功率回路經過正確的路徑回流。
(二)在不同電位的兩個銅箔之間,尤其是高壓側與低壓側的間距需要大於或等於P,如下公式:P 〉0.015*(VA-VB)。
其中P:ESD安全放電間距(mm);(VA-VB):兩點間電壓(V)。(如圖位置一)
(三)在共模電感兩端或安規電容兩端加ESD放電銅箔,采用雙放電銅箔可以有效提升放電效果,如果長期持續ESD放電則會導致銅箔鈍化,則建議采用放電管放電。尖端銅箔設計:尖端銅箔必須是銳角(重點),尖尖相對。(如圖位置二)
(四)PCB LAYOUT 銅箔走線采用圓弧狀倒角可減少EMC幹擾與異常尖端放電。(如圖位置三)

二、RSC6105S-RSC6120S係列關鍵物料選型注意事項

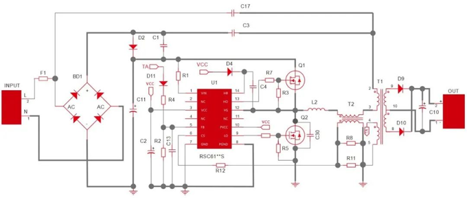
典型應用線路圖
(一)針對瑞森半導體-單級PPFC實現高PF的性能,BD1整流橋的(四個二極管)參與了功率因數校正,四個二極管的須選用具有快恢複特性的二極管,Trr應小於250nS,Trr越小PF值越高,THD相對越小,需要兼顧輻射的結果,類型推薦HER 、FR、US、ES等係列。
(二)電荷泵二極管D1,須選用超快恢複二極管,如Trr小於75ns,類型推薦US、ES等係列。
(三)自舉二極管D4,須選用快恢複二極管,配合RSC6105S-RSC6107S時,選用Trr小於250ns,類型推薦HER、FR、US、ES等係列;另外配合RSC6112S-RSC6120S 時,選用Trr小於100ns的超快二極管,類型推薦US、 ES係列。
(四)對於功率大於60W的產品,電荷泵電容C1,諧振電容C3,需要采用MMKP82係列具有高頻特性優異的電容,可有效降低電容發熱。
(五)互感電感T2,該電感磁芯不需要研磨氣間隙,匝數控製在6圈即可。互感電感作為一個重要元器件,通過其采樣主回路電流波形幅度以及頻率,經過負載電阻R8、R11R12後,可轉換為電壓信號輸入到芯片內部壓控振蕩器,以此來調節輸出開關頻率,調製增益,實現恒流調節。
(六)主變壓器T1,有兩種模式存在:①當諧振電感采用獨立的電感時,主變壓器磁芯則不需要研磨氣間隙,但磁芯材質需要PC44等級或以上。②變bian壓ya器qi采cai用yong分fen槽cao式shi結jie構gou,主zhu變bian壓ya器qi與yu諧xie振zhen電dian感gan集ji成cheng在zai一yi體ti時shi,有you副fu磁ci芯xin的de變bian壓ya器qi結jie構gou,副fu磁ci芯xin需xu要yao調tiao整zheng氣qi間jian隙xi,沒mei有you副fu磁ci芯xin的de分fen槽cao式shi結jie構gou,是shi通tong過guo調tiao整zheng間jian距ju實shi現xian漏lou感gan做zuo電dian感gan,磁ci芯xin也ye不bu需xu要yao氣qi間jian隙xi。
三、瑞森半導體無頻閃驅動IC產品推薦
運用LAYOUT技巧改善性能,可提升產品性價比,把握關鍵物料選型可降低產品故障率,縮短產品開發周期,加快產品上線;下圖為大家推薦瑞森高PF無頻閃LLC方案係列產品:

免責聲明:本文為轉載文章,轉載此文目的在於傳遞更多信息,版權歸原作者所有。本文所用視頻、圖片、文字如涉及作品版權問題,請聯係小編進行處理。
推薦閱讀:
- 噪聲中提取真值!瑞盟科技推出MSA2240電流檢測芯片賦能多元高端測量場景
- 10MHz高頻運行!氮矽科技發布集成驅動GaN芯片,助力電源能效再攀新高
- 失真度僅0.002%!力芯微推出超低內阻、超低失真4PST模擬開關
- 一“芯”雙電!聖邦微電子發布雙輸出電源芯片,簡化AFE與音頻設計
- 一機適配萬端:金升陽推出1200W可編程電源,賦能高端裝備製造
- 貿澤EIT係列新一期,探索AI如何重塑日常科技與用戶體驗
- 算力爆發遇上電源革新,大聯大世平集團攜手晶豐明源線上研討會解鎖應用落地
- 創新不止,創芯不已:第六屆ICDIA創芯展8月南京盛大啟幕!
- AI時代,為什麼存儲基礎設施的可靠性決定數據中心的經濟效益
- 矽典微ONELAB開發係列:為毫米波算法開發者打造的全棧工具鏈
- 車規與基於V2X的車輛協同主動避撞技術展望
- 數字隔離助力新能源汽車安全隔離的新挑戰
- 汽車模塊拋負載的解決方案
- 車用連接器的安全創新應用
- Melexis Actuators Business Unit
- Position / Current Sensors - Triaxis Hall



