41種電工常用接線方法,電機、變壓器、接觸器等(上)
發布時間:2019-03-01 責任編輯:xueqi
【導讀】以下將介紹電機、變壓器、接觸器、晶閘管、自耦調壓器等各種常用接線方法,總共41種,你想找的,這裏都有,一起來看看吧。
01電動機接線
一般常用三相交流電動機接線架上都引出6個接線柱,當電動機銘牌上標為Y形接法時,D6、D4、D5相連接,D1~D3接電源;為△形接法時,D6與D1連接,D4與D2連接,D5與D3連接,然後D1~D3接電源。可參見圖1所示連接方法連接。

圖1:三相交流電動機Y形和△形接線方法
02三相吹風機接線
有部分三相吹風機有6個接線端子,接線方法如圖2所示。采用△形接法應接入220V三相交流電源,采用Y形接法應接入380V三相交流電源。一般3英寸、3.5英寸、4英寸、4.5英寸的型號按此法接。其他吹風機應按其銘牌上所標的接法連接。

圖2:三相吹風機六個引出端子接線方法
03單相電容運轉電動機接線
單相電動機接線方法很多,如果不按要求接線,就會有燒壞電動機的可能。因此在接線時,一定要看清銘牌上注明的接線方法。
圖247為IDD5032型單相電容運轉電動機接線方法。其功率為60W,電容選用耐壓500V、容量為4μF的產品。圖3(a)為正轉接線,圖3(b)為反轉接線。

圖3:IDD5032型單相電容運轉電動機接線方法
04單相電容運轉電動機接線

圖4:JX07A-4型單相電容運轉電動機接線方法
圖4是JX07A-4型單相電容運轉電動機接線方法。電動機功率為60W,用220V/50Hz交流電源、電流為0.5A。它的轉速為每分鍾1400轉。電容選用耐壓400~500V、容量8μF的產品。圖4(a)為正轉接線,圖4(b)為反轉接線。
05單相吹風機接線

圖5:單相吹風機四個引出端子接線方法
有的單相吹風機引出4個接線端子,接線方法如圖5所示。采用並聯接法應接入110V交流電源,采用串聯接法應接入220V交流電源。
06 Y100LY係列電動機接線
目前,Y係列電動機被廣泛應用。Y係列電動機具有體積小、外形美觀、節電等優點。它的接線方式有兩種:一種為△形,它的接線端子W2與U1相連,U2與V1相連,V2與W1相連,然後接電源;另一種為Y形,接線端子W2、U2、V2相連接,其餘3個接線端子U1、V1、W1接電源。接線見圖6。

圖6:Y100LY係列電動機接線方法
07低壓變壓器短路保護線路
目前,機床的工作燈、行燈都采用低壓變壓器提供36V安全電壓,由於燈具在使用中經常移動,極易發生短路故障,造成熔斷器熔斷甚至燒壞變壓器。如果使用36V小型中間繼電器或36V交流接觸器做變壓器的通斷開關,可避免燒壞變壓器。線路如圖7所示。

圖7:低壓變壓器短路保護線路
工作原理:閉合S後,按下按鈕SB1,變壓器得電輸出36V低電壓,使得繼電器或交流接觸器KA吸合。放鬆按鈕SB1後,KA自鎖觸點使KA保持吸合,繼續給變壓器接通電源。如果變壓器次級發生短路故障,繼電器線圈電壓為零,此時KA便失電釋放,將變壓器電源斷開,保護變壓器不被破壞。
08雙速電動機2Y/2Y接線方法
圖8所示是2Y/2Y電動機雙速定子線組的引出線接線方法。
按圖8(a)連接是一種轉速,按圖8(b)連接得到另一種轉速。

圖8:雙速電動機2Y/2Y接線方法
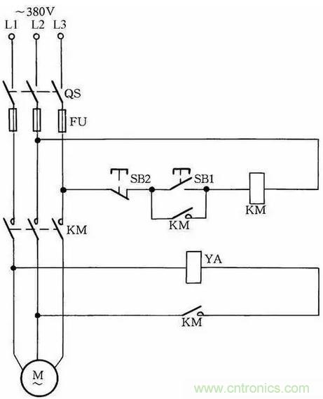
09直流電磁鐵快速退磁線路
直流電磁鐵停電後,因有剩磁存在,有時會造成不良後果。因此,必須設法消除剩磁。圖9中,YA是直流電磁鐵線圈,KM是控製YA啟停的接觸器。KM吸合時,YA通電勵磁;KM複位時,YA斷直流電,並進行快速退磁。
快速退磁的工作原理是:直流電磁鐵斷電後,交流電源通過橋式整流器和YA向電容C充電,隨著電容C兩端電壓的不斷升高,充電電流越來越小,而通過YA的電流又是交變的,從而使電磁鐵快速退磁。電容C的容量要根據電磁鐵的實際情況現場試驗決定。R為放電電阻。

圖9:直流電磁鐵快速退磁線路
10防止製動電磁鐵延時釋放線路
采cai用yong交jiao流liu電dian磁ci鐵tie製zhi動dong的de三san相xiang異yi步bu電dian動dong機ji有you時shi會hui因yin製zhi動dong電dian磁ci鐵tie延yan時shi釋shi放fang,造zao成cheng製zhi動dong失shi靈ling。造zao成cheng電dian磁ci鐵tie延yan時shi釋shi放fang的de原yuan因yin是shi接jie觸chu器qi的de主zhu回hui路lu電dian源yuan雖sui被bei切qie斷duan,但dan電dian動dong機ji由you於yu剩sheng磁ci存cun在zai,定ding子zi繞rao組zu產chan生sheng感gan應ying電dian動dong勢shi加jia在zai交jiao流liu電dian磁ci鐵tie上shang,使shi電dian磁ci鐵tie不bu會hui立li即ji釋shi放fang。解jie決jue方fang法fa很hen簡jian單dan,隻zhi要yao在zai交jiao流liu電dian磁ci鐵tie線xian圈quan上shang串chuan入ru一yi個ge交jiao流liu接jie觸chu器qi常chang開kai觸chu點dian,使shi得de斷duan開kai電dian動dong機ji電dian源yuan的de同tong時shi斷duan開kai電dian磁ci鐵tie與yu電dian動dong機ji繞rao組zu線xian圈quan,即ji可ke使shi電dian磁ci鐵tie立li即ji釋shi放fang。線xian路lu參can見jian圖tu10。
線路中YA為製動電磁鐵,在通電後,製動解除;在斷電後,YA立即製動。

圖10:防止製動電磁鐵延時釋放線路
11他勵直流電動機失磁保護線路
他勵直流電動機勵磁電路如果斷開,會引起電動機超速,產生嚴重不良後果,因此需要進行失磁保護。
在勵磁電路內,串聯一個欠電流繼電器KI,其常開觸點接在控製電路中。當勵磁電流消失或減小到設定值時,KI釋放,KI常開觸點斷開,切斷電動機電樞電源,使電動機停轉,從而避免超速現象發生,見圖11。

圖11:他勵直流電動機失磁保護線路
12缺輔助觸點的交流接觸器應急接線
當交流接觸器的輔助觸點損壞無法修複而又急需使用時,采用圖12中所示的接線方法,可滿足應急使用要求。按下SB1,交流接觸器KM吸合。放鬆按鈕SB1後,KM的觸點兼作自鎖觸點,使接觸器自鎖,因此KM仍保持吸合。
圖中SB2為停止按鈕,在停止時,按動SB2的(de)時(shi)間(jian)要(yao)長(chang)一(yi)點(dian)。否(fou)則(ze),手(shou)鬆(song)開(kai)按(an)鈕(niu)後(hou),接(jie)觸(chu)器(qi)又(you)吸(xi)合(he),使(shi)電(dian)動(dong)機(ji)繼(ji)續(xu)運(yun)行(xing)。這(zhe)是(shi)因(yin)為(wei)電(dian)源(yuan)電(dian)壓(ya)雖(sui)被(bei)切(qie)斷(duan),但(dan)由(you)於(yu)慣(guan)性(xing)的(de)作(zuo)用(yong),電(dian)動(dong)機(ji)轉(zhuan)子(zi)仍(reng)然(ran)轉(zhuan)動(dong),其(qi)定(ding)子(zi)繞(rao)組(zu)會(hui)產(chan)生(sheng)感(gan)應(ying)電(dian)動(dong)勢(shi),一(yi)旦(dan)停(ting)止(zhi)按(an)鈕(niu)很(hen)快(kuai)複(fu)位(wei),感(gan)應(ying)電(dian)動(dong)勢(shi)直(zhi)接(jie)加(jia)在(zai)接(jie)觸(chu)器(qi)線(xian)圈(quan)上(shang),使(shi)其(qi)再(zai)次(ci)吸(xi)合(he),電(dian)動(dong)機(ji)繼(ji)續(xu)運(yun)轉(zhuan)。
接觸器線圈電壓為380V時,可按圖12(a)所示接線;接觸器線圈電壓為220V時,可按圖12(b)接線。圖12(a)的de接jie線xian還hai有you缺que陷xian,即ji在zai電dian動dong機ji停ting轉zhuan時shi,其qi引yin出chu線xian及ji電dian動dong機ji帶dai電dian,使shi維wei修xiu不bu大da安an全quan。因yin此ci,這zhe種zhong線xian路lu隻zhi能neng在zai應ying急ji時shi采cai用yong,並bing在zai維wei修xiu電dian動dong機ji時shi,應ying斷duan開kai控kong製zhi電dian動dong機ji的de總zong電dian源yuan開kai關guanQS,這一點應特別注意。

圖12:缺輔助觸點的交流接觸器應急接線
13加密的電動機控製線路

圖13:加密的電動機控製線路
為防止誤操作電氣設備,並防止非操作人員啟動某些設備開關按鈕,可采用加密的電動機控製線路,如圖13所示。操作時,首先按下SB1按鈕,確認無誤後,再同時按下加密按鈕SB3,這樣控製回路才能接通,KM線圈才能吸合,電動機M才能轉動起來。而非操作人員不知其中加密按鈕(加密按鈕裝在隱蔽處),故不能操作此設備開關。
14交流接觸器低電壓啟動線路
當供電電壓在交流接觸器吸引線圈額定電壓的85%以yi下xia時shi,啟qi動dong接jie觸chu器qi銜xian鐵tie將jiang跳tiao動dong不bu止zhi,不bu能neng可ke靠kao吸xi合he,在zai交jiao流liu接jie觸chu器qi的de控kong製zhi回hui路lu中zhong串chuan聯lian一yi隻zhi整zheng流liu管guan,改gai為wei直zhi流liu啟qi動dong交jiao流liu運yun行xing,就jiu可ke以yi避bi免mian上shang述shu問wen題ti。交jiao流liu接jie觸chu器qi低di電dian壓ya啟qi動dong線xian路lu如ru圖tu14所示。按下按鈕SB1,經二極管VD半波整流的直流電壓加在交流接觸器KM線圈上,KM吸合。其輔助觸點將二極管VD短接,交流接觸器投入交流運行。

圖14:交流接觸器低電壓啟動線路
因為啟動電流較大,所以這種線路隻適用於操作不頻繁的場合。線路中,VD應選用耐壓大於700V的二極管,電流要根據交流接觸器線圈電流而定。
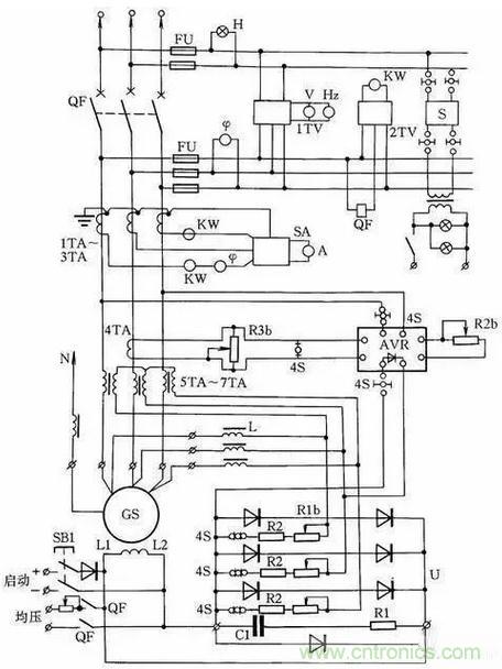
15 HF-4-81係列發電機控製線路

圖15:HF-4-81係列發電機控製線路
HF-4-81係列發電機控製線路如圖15所示,它與T2XV係列小型三相同步發電機配套。同步發電機的勵磁係統采用電複合相複勵調壓。發電機端電壓經線性電抗器L移相,然後與發電機負荷電路中的電流互感器5TA~7TA二次電壓合成,經三相橋式整流器整流後,供發電機GS勵磁自動調壓。
16單相電容電動機線路
單相電容電動機啟動轉矩大,啟動電流小,功率因數高,廣泛應用於家用電器中,如電風扇、洗衣機。為了便於維修安裝,現介紹這種電動機常用的接線方法。
圖16(a)為可逆控製線路,操縱開關S2,可改變電動機的轉向,該線路一般用於家用洗衣機上。
圖16(b)為帶輔助繞組的接線線路,撥動開關S,可改變輔助繞組的抽頭,即改變主繞組的實際承受電壓,從而改變電動機的轉速,此接線方法常用於電風扇上。
圖16(c)為帶電抗器調速的電容電動機接線線路。由於電抗器繞組(其在線路中起到降壓作用)的串入,調節電抗器繞組的串入量,即可改變轉速。這種方法目前廣泛應用在家用電風扇線路中。在啟動電動機時一般先撥到“1”擋上,即為高擋,這時電抗器不接入線路,使電動機在全壓下啟動,然後再撥“2”擋或任何擋來調節電動機轉速。

圖16:單相電容電動機線路
17混凝土攪拌機線路
錐型JZ350型攪拌機線路如圖17所示,工作原理是當把水泥、砂子、石子配好料後,操作人員按下按鈕2SBF後,2KMF接觸器線圈得電吸合,使上料卷揚電動機2M正轉,料鬥送料起升。當升到一定高度後,料鬥擋鐵碰撞行程開關1SQ和2SQ,使2KMF斷電釋放。
這時料鬥已升到預定位置,把料自動倒到攪拌機內,並自動停止上升。此時操作人員按下下降按鈕2SBR時,卷揚係統帶動料鬥下降,待下降到其料口與地麵平齊時,擋鐵碰撞行程開關3SQ,使2KMR接觸器斷電釋放,自動停止下降,為下次上料做好準備,這時攪拌機料已備好,操作人員再按下3SB1,3KM接觸器得電吸合,使供水抽水泵電動機3M運轉,向攪拌機內供水,與此同時,時間繼電器KT得電工作,待供水與原料成比例後(供水時間由KT時間繼電器調整確定,根據原料與水的配比確定),KT動作延時結束,從而使3KM自動釋放,供水停止。
加水完畢即可實施攪拌。按下1SBF正轉按鈕,1KMF得電吸合,1M正轉攪拌,攪拌完畢後按下1SB停止按鈕即可停止。出料時,按下1SBR按鈕,1M反轉即可把混凝土泥漿自動攪拌出來。然後按下1SB,接觸器1KMR斷電釋放,1M停轉,出料停止。

17
圖17:混凝土攪拌機線路
18自製實用的絕緣檢測器
圖18所示是自製的絕緣檢測器線路,它既可用作線路絕緣監視,又可代替兆歐表檢查電機、測電器的絕緣電阻。當合上隔離開關QS,在相電壓作用下,整個繞組和接地外殼之間的泄漏電流流過絕緣層和電阻R1、R2。
如果絕緣電阻合乎標準(即絕緣電阻值大於0.5MΩ),則泄漏電流很小時,在R2上的電壓降小於氖泡的點燃電壓,Ne不亮;當任意兩相或三相同時對機殼的絕緣電阻降低時,泄漏電流大增,使氖泡Ne點燃,從而可判定絕緣不合格。

圖18:自製實用的絕緣檢測器
19三相異步電動機改為單相運行線路
如果隻有單相電源和三相異步電動機供使用,可采用並聯電容的方法使三相異步電動機改為單相運行。
如圖19所示:圖(a)為Y形接法電動機連接方法,圖(b)為△形接法電動機連接方法。為了提高啟動轉矩,將啟動電容CQ在啟動時接入線路中,在啟動完畢後退出。
工作電容CG容量的計算公式
CG=1950I/Ucosφ(μF)
式中:I為電動機額定電流;U為單相電源電壓;cosφ為電動機的功率因數。當計算出工作電容後,啟動電容選用工作電容的1~4倍。

圖19:三相異步電動機改為單相運行線路
20熱繼電器校驗台
rejidianqizaichangqitongdianguochengzhongyichuxianrelaohuaxianxiang,shiqidongzuotexinggaibian。yaobaochitexingdeyizhixinghewendingxing,yigezuizhongyaodecuoshijiushiduirejidianqijinxingdingqixiaoyan。
熱繼電器校驗台如圖20所示,它主要由調壓器TV、降壓變壓器T、電位器RP、410型毫秒表等元件組成。
三相雙金屬片(熱繼電器FR)應串聯起來,接入試驗回路。校驗前,先檢查熱繼電器的刻度電流與電動機的額定電流是否相符。然後給熱繼電器通以1.05IN(額定電流,通過調整RP實現)電流,檢查其同步性,即三相雙金屬片是否同時接觸。如不同步,則用平口鉗鉗住雙金屬片與支架點焊處,來調整同步性。
同步性調好後,首先做啟動試驗,給熱繼電器FR通以6IN的電流,它在5s內不應動作;其次做運行試驗,給FR通以1.05IN電流,使熱繼電器加熱到穩定熱態,過30min後,慢慢地調節RP,使FR動作,再稍往回旋一點,使FR觸點斷開;再將試驗電流提高到1.2IN,此時FR應在20min內動作。這樣,熱繼電器的整定校驗方告結束。
調整校驗時應注意以下兩點:①不允許用鉗子鉗彎雙金屬片,以免影響保護的穩定;②校驗連接導線應有足夠的截麵積,以免影響動作時間。

圖20:熱繼電器校驗台
特別推薦
- 噪聲中提取真值!瑞盟科技推出MSA2240電流檢測芯片賦能多元高端測量場景
- 10MHz高頻運行!氮矽科技發布集成驅動GaN芯片,助力電源能效再攀新高
- 失真度僅0.002%!力芯微推出超低內阻、超低失真4PST模擬開關
- 一“芯”雙電!聖邦微電子發布雙輸出電源芯片,簡化AFE與音頻設計
- 一機適配萬端:金升陽推出1200W可編程電源,賦能高端裝備製造
技術文章更多>>
- 大聯大世平集團首度亮相北京國際汽車展 攜手全球芯片夥伴打造智能車整合應用新典範
- 2026北京車展即將啟幕,高通攜手汽車生態“朋友圈”推動智能化體驗再升級
- 邊緣重構智慧城市:FPGA SoM 如何破解視頻係統 “重而慢”
- 如何使用工業級串行數字輸入來設計具有並行接口的數字輸入模塊
- 意法半導體將舉辦投資者會議探討低地球軌道(LEO)發展機遇
技術白皮書下載更多>>
- 車規與基於V2X的車輛協同主動避撞技術展望
- 數字隔離助力新能源汽車安全隔離的新挑戰
- 汽車模塊拋負載的解決方案
- 車用連接器的安全創新應用
- Melexis Actuators Business Unit
- Position / Current Sensors - Triaxis Hall
熱門搜索
接口IC
介質電容
介質諧振器
金屬膜電阻
晶體濾波器
晶體諧振器
晶體振蕩器
晶閘管
精密電阻
精密工具
景佑能源
聚合物電容
君耀電子
開發工具
開關
開關電源
開關電源電路
開關二極管
開關三極管
科通
可變電容
可調電感
可控矽
空心線圈
控製變壓器
控製模塊
藍牙
藍牙4.0
藍牙模塊
浪湧保護器




