大咖秀 | PLD/FPGA結構與原理,其實很簡單
發布時間:2018-03-22 責任編輯:lina
【導讀】采用這種結構的PLD芯片有:Altera的MAX7000,MAX3000係列(EEPROM工藝),Xilinx的XC9500係列(Flash工藝)和Lattice,Cypress的大部分產品(EEPROM工藝)。
一.基於乘積項(Product-Term)的PLD結構
采用這種結構的PLD芯片有:Altera的MAX7000,MAX3000係列(EEPROM工藝),Xilinx的XC9500係列(Flash工藝)和Lattice,Cypress的大部分產品(EEPROM工藝)

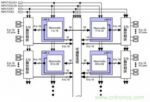
我們先看一下這種PLD的總體結構(以MAX7000為例,其他型號的結構與此都非常相似):

圖1 基於乘積項的PLD內部結構
這種PLD可分為三塊結構:宏單元(Marocell),可編程連線 (PIA)和I/O控製塊。 宏單元是PLD的基本結構,由它來實現基本的邏輯功能。圖1中蘭色部分是多個宏單元的集合(因為宏單元較多,沒有一一畫出)。可編程連線負責信號傳遞,連 接所有的宏單元。I/O控製塊負責輸入輸出的電氣特性控製,比如可以設定集電極開路輸出,擺率控製,三態輸出等。 圖1 左上的INPUT/GCLK1,INPUT/GCLRn,INPUT/OE1,INPUT/OE2 是全局時鍾,清零和輸出使能信號,這幾個信號有專用連線與PLD中每個宏單元相連,信號到每個宏單元的延時相同並且延時最短。
宏單元的具體結構見下圖:

圖2 宏單元結構
左側是乘積項陣列,實際就是一個與或陣列,每一個交叉點都是一個可編程 熔絲,如果導通就是實現“與”邏輯。後麵的乘積項選擇矩陣是一個“或”陣列。兩者一起完成組合邏輯。圖右側是一個可編程D觸發器,它的時鍾,清零輸入都可 以編程選擇,可以使用專用的全局清零和全局時鍾,也可以使用內部邏輯(乘積項陣列)產生的時鍾和清零。如果不需要觸發器,也可以將此觸發器旁路,信號直接 輸給PIA或輸出到I/O腳。
二.乘積項結構PLD的邏輯實現原理
下麵我們以一個簡單的電路為例,具體說明PLD是如何利用以上結構實現邏輯的,電路如下圖:

圖3
假設組合邏輯的輸出(AND3的輸出)為f,則f=(A+B)*C*(!D)=A*C*!D + B*C*!D ( 我們以!D表示D的“非”)
PLD將以下麵的方式來實現組合邏輯f:

圖4
A,B,C,D由PLD芯片的管腳輸入後進入可編程連線陣列 (PIA),在內部會產生A,A反,B,B反,C,C反,D,D反8個輸出。圖中每一個叉表示相連(可編程熔絲導通),所以得到:f= f1 + f2 = (A*C*!D) + (B*C*!D) 。這樣組合邏輯就實現了。 圖3電路中D觸發器的實現比較簡單,直接利用宏單元中的可編程D觸發器來實現。時鍾信號CLK由I/O腳輸入後進入芯片內部的全局時鍾專用通道,直接連接 到可編程觸發器的時鍾端。可編程觸發器的輸出與I/O腳相連,把結果輸出到芯片管腳。這樣PLD就完成了圖3所示電路的功能。(以上這些步驟都是由軟件自 動完成的,不需要人為幹預)
圖3的de電dian路lu是shi一yi個ge很hen簡jian單dan的de例li子zi,隻zhi需xu要yao一yi個ge宏hong單dan元yuan就jiu可ke以yi完wan成cheng。但dan對dui於yu一yi個ge複fu雜za的de電dian路lu,一yi個ge宏hong單dan元yuan是shi不bu能neng實shi現xian的de,這zhe時shi就jiu需xu要yao通tong過guo並bing聯lian擴kuo展zhan項xiang和he共gong享xiang擴kuo展zhan項xiang將jiang多duo個ge宏hong單dan元yuan相xiang連lian,宏hong單dan元yuan的de輸shu出chu也ye可ke以yi連lian接jie到dao可ke編bian程cheng連lian線xian陣zhen列lie,再zai做zuo為wei另ling一yi個ge宏hong單dan元yuan的de輸shu入ru。這zhe樣yangPLD就可以實現更複雜邏輯。
這種基於乘積項的PLD基本都是由EEPROM和Flash工藝製造的,一上電就可以工作,無需其他芯片配合。
特別推薦
- 噪聲中提取真值!瑞盟科技推出MSA2240電流檢測芯片賦能多元高端測量場景
- 10MHz高頻運行!氮矽科技發布集成驅動GaN芯片,助力電源能效再攀新高
- 失真度僅0.002%!力芯微推出超低內阻、超低失真4PST模擬開關
- 一“芯”雙電!聖邦微電子發布雙輸出電源芯片,簡化AFE與音頻設計
- 一機適配萬端:金升陽推出1200W可編程電源,賦能高端裝備製造
技術文章更多>>
- 貿澤EIT係列新一期,探索AI如何重塑日常科技與用戶體驗
- 算力爆發遇上電源革新,大聯大世平集團攜手晶豐明源線上研討會解鎖應用落地
- 創新不止,創芯不已:第六屆ICDIA創芯展8月南京盛大啟幕!
- AI時代,為什麼存儲基礎設施的可靠性決定數據中心的經濟效益
- 矽典微ONELAB開發係列:為毫米波算法開發者打造的全棧工具鏈
技術白皮書下載更多>>
- 車規與基於V2X的車輛協同主動避撞技術展望
- 數字隔離助力新能源汽車安全隔離的新挑戰
- 汽車模塊拋負載的解決方案
- 車用連接器的安全創新應用
- Melexis Actuators Business Unit
- Position / Current Sensors - Triaxis Hall
熱門搜索



