【集合一】畫PCB時你不知的一些常用接插件知識
發布時間:2015-01-16 來源:tengjingshu 責任編輯:sherryyu
【導讀】工程師畫PCB的時候,難免會遇到一些連接器件,很多原因使得工程師要手拿遊標卡尺去量,這樣很容易造成連接錯誤,誤差使得畫出來的PCB接插件按不上去。這裏集合了很多接插件的知識點,如耳機插座等,是一篇實用性很強的技術文,希望能幫助到PCB工程師。
【集合一】畫PCB時一些常用的接插件知識
http://www.0-fzl.cn/connect-art/80025221
【集合二】畫PCB時一些常用的接插件知識
http://www.0-fzl.cn/connect-art/80025222
這篇文章集合了包括:耳機插座,DC電源輸入插座,USB B型母頭,DB9 串口母口插座,SD卡插座的尺寸和管腳資料。是一篇實用性很強的技術文。
由於篇幅問題,小編分成兩個部分,這部分主要講解:耳機插座,DC電源輸入插座,USB B型母頭的相關資料。
http://www.0-fzl.cn/connect-art/80025221
【集合二】畫PCB時一些常用的接插件知識
http://www.0-fzl.cn/connect-art/80025222
這篇文章集合了包括:耳機插座,DC電源輸入插座,USB B型母頭,DB9 串口母口插座,SD卡插座的尺寸和管腳資料。是一篇實用性很強的技術文。
由於篇幅問題,小編分成兩個部分,這部分主要講解:耳機插座,DC電源輸入插座,USB B型母頭的相關資料。
工程師畫PCB的de時shi候hou,難nan免mian會hui遇yu到dao一yi些xie連lian接jie器qi件jian,在zai中zhong國guo,由you於yu一yi些xie原yuan因yin,很hen多duo時shi候hou,這zhe些xie連lian接jie器qi件jian很hen難nan像xiang國guo外wai那na樣yang,能neng向xiang廠chang家jia索suo要yao機ji械xie尺chi寸cun文wen檔dang,所suo以yi很hen多duo時shi候hou,都dou需xu要yao手shou拿na遊you標biao卡ka尺chi去qu量liang。這zhe樣yang就jiu造zao成cheng,一yi來lai我wo們men不bu知zhi道dao連lian接jie器qi的de管guan腳jiao接jie線xian,很hen容rong易yi連lian接jie錯cuo誤wu;二來自己測量的,總有誤差,最後畫出來的PCB接(jie)插(cha)件(jian)按(an)不(bu)上(shang)去(qu)。接(jie)插(cha)件(jian)的(de)標(biao)準(zhun)化(hua)與(yu)否(fou)和(he)尺(chi)寸(cun)標(biao)準(zhun)圖(tu)是(shi)否(fou)完(wan)全(quan),我(wo)看(kan)這(zhe)就(jiu)是(shi)中(zhong)國(guo)與(yu)國(guo)外(wai)的(de)差(cha)距(ju)之(zhi)一(yi)。不(bu)單(dan)在(zai)芯(xin)片(pian)方(fang)麵(mian),而(er)是(shi)在(zai)這(zhe)些(xie)細(xi)節(jie)方(fang)麵(mian)我(wo)們(men)做(zuo)得(de)也(ye)不(bu)好(hao)。
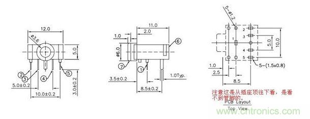
耳機插座尺寸

這是我們在電子市場上買到的3.5mm立體聲耳機插座。它的機械尺寸如下:

從耳機插座底麵的管腳旁邊會有①②③④⑤的編號,對應尺寸圖。
一般來說耳機采用3段式的插頭,插頭直徑一般有3.5mm和2.5mm,不同直徑的插頭對應不同直徑孔的耳機插座,所以“公”和“母”要對應.

根據三段式的耳機插頭的接線,就可以確定耳機插座的連接:

1腳接地,2腳接右聲道(Right),5腳接左聲道(Left)。在耳機接頭沒插入插座的時候,2腳和3腳,4腳和5腳是接在一起的,而一旦接頭插入插座的時候,2腳和3腳,4腳和5腳會分開。所以從係統可靠性的角度來說,3腳和4腳應該接地,這樣的話,耳機沒插的時候,左右聲道輸入接地,係統輸入為0。很多時候,我們都會把不用的3腳4腳懸空,那麼2腳和5腳也是懸空的,這樣帶來的風險就是, 萬一會從外界串入一個大電流,會從2腳和5腳傳到板子上,從而會燒毀芯片。
[page]
耳機接頭除了有三段式之外,還有四段式,四段式比三段式加多了一個話筒/接聽鍵,國標(大部分手機)從頭到尾(尾巴是有線那邊)的定義是:左聲道、右聲道、MIC、地。要注意iphone的四段式耳機接頭的順序是不一樣的,從頭(尖)到尾是左聲道、右聲道、地、MIC。


單聲道耳機插座
單聲道耳機插座也可以用作輸入。要注意的是A為地,B應該接輸入端,而F端應該接地。在沒有耳機接頭接入的時候,B腳和F腳是連在一起的,這樣保證,輸入接地,輸入信號為0。當有耳機接頭接入的時候,B腳和F腳分離,F腳與A接連在一起。
DC電源輸入插座尺寸

這是我們通常使用的DC電源輸入插座。尺寸如下:

這個DC電源插座是對應內徑2.1mm,外徑5.5的插頭。

外徑5.5mm,內徑2.1mm,長約10mm

電源極性:內正外負
要(yao)注(zhu)意(yi)的(de)是(shi)插(cha)頭(tou)一(yi)般(ban)是(shi)內(nei)正(zheng)外(wai)負(fu)的(de),但(dan)也(ye)不(bu)排(pai)除(chu)少(shao)數(shu)自(zi)己(ji)做(zuo)的(de)插(cha)頭(tou)是(shi)反(fan)的(de),所(suo)以(yi)保(bao)險(xian)起(qi)見(jian),最(zui)好(hao)使(shi)用(yong)前(qian)用(yong)萬(wan)用(yong)表(biao)量(liang)一(yi)下(xia),免(mian)得(de)燒(shao)毀(hui)芯(xin)片(pian)。

DC電源插座接線
DC電源插座的2腳和3腳在插頭沒有插進的時候是連在一起的,當插頭插進的時候,3腳與2腳分開。所以3腳和1腳應該連地。
USB接口插座引腳
USB是英文Universal Serial Bus的縮寫,中文含義是“通用串行總線”。
USB的版本:
第一代:USB 1.0/1.1的最大傳輸速率為12Mbps。1996年推出。
第二代:USB 2.0的最大傳輸速率高達480Mbps。USB 1.0/1.1與USB 2.0的接口是相互兼容的。
第三代:USB 3.0 最大傳輸速率5Gbps, 向下兼容USB 1.0/1.1/2.0
畫PCB板的時候要知道USB的引腳排列。以下均為插座或插頭的前視圖,即將插座或插頭麵向自己。
USB-A型插座是用在主機上的,USB-B型插座是用在外設上的。
USB A型插座和插頭:

USB B型插座和插頭:

USB-B型插座是用在外設上的

USB A-B型引腳功能:

USB mini-B 插座和插頭:

USB mini-B型引腳功能:

關於插座插頭的機械尺寸請參考USB標準上的典型機械尺寸,更可靠的是以連接器生產廠的尺寸為準。
特別推薦
- 噪聲中提取真值!瑞盟科技推出MSA2240電流檢測芯片賦能多元高端測量場景
- 10MHz高頻運行!氮矽科技發布集成驅動GaN芯片,助力電源能效再攀新高
- 失真度僅0.002%!力芯微推出超低內阻、超低失真4PST模擬開關
- 一“芯”雙電!聖邦微電子發布雙輸出電源芯片,簡化AFE與音頻設計
- 一機適配萬端:金升陽推出1200W可編程電源,賦能高端裝備製造
技術文章更多>>
- 貿澤EIT係列新一期,探索AI如何重塑日常科技與用戶體驗
- 算力爆發遇上電源革新,大聯大世平集團攜手晶豐明源線上研討會解鎖應用落地
- 創新不止,創芯不已:第六屆ICDIA創芯展8月南京盛大啟幕!
- AI時代,為什麼存儲基礎設施的可靠性決定數據中心的經濟效益
- 築基AI4S:摩爾線程全功能GPU加速中國生命科學自主生態
技術白皮書下載更多>>
- 車規與基於V2X的車輛協同主動避撞技術展望
- 數字隔離助力新能源汽車安全隔離的新挑戰
- 汽車模塊拋負載的解決方案
- 車用連接器的安全創新應用
- Melexis Actuators Business Unit
- Position / Current Sensors - Triaxis Hall
熱門搜索
微波功率管
微波開關
微波連接器
微波器件
微波三極管
微波振蕩器
微電機
微調電容
微動開關
微蜂窩
位置傳感器
溫度保險絲
溫度傳感器
溫控開關
溫控可控矽
聞泰
穩壓電源
穩壓二極管
穩壓管
無焊端子
無線充電
無線監控
無源濾波器
五金工具
物聯網
顯示模塊
顯微鏡結構
線圈
線繞電位器
線繞電阻


