通過 3G Femto 基站的模擬前端實現家庭無線連接
發布時間:2019-12-02 來源:Thomas Cameron 和 Peadar Forbes 責任編輯:wenwei
【導讀】設想一下,某個設備可以在您的家中提供高品質的手機接聽,允許您和您的家人無限製地使用語音和數據通信,而且每月的費用很低。Femto 基站就是這樣的設備,甚至還能提供更多的功能,它通常還被稱為“家庭基站”。當把這種小型無線設備放置在家裏或辦公室內時,它可以改善本地無線覆蓋,並將極大地改變無線基礎設施的麵貌。
圖 1 顯(xian)示(shi)了(le)家(jia)庭(ting)基(ji)站(zhan)概(gai)念(nian)。傳(chuan)統(tong)基(ji)站(zhan)用(yong)於(yu)提(ti)供(gong)廣(guang)域(yu)覆(fu)蓋(gai),而(er)家(jia)庭(ting)基(ji)站(zhan)用(yong)於(yu)在(zai)住(zhu)宅(zhai)等(deng)小(xiao)型(xing)區(qu)域(yu)中(zhong)提(ti)供(gong)無(wu)線(xian)覆(fu)蓋(gai)。家(jia)庭(ting)基(ji)站(zhan)通(tong)過(guo)用(yong)戶(hu)的(de)互(hu)聯(lian)網(wang)寬(kuan)帶(dai)連(lian)接(jie)將(jiang)移(yi)動(dong)手(shou)機(ji)的(de)通(tong)信(xin)流(liu)量(liang)路(lu)由(you)至(zhi)網(wang)絡(luo),因(yin)此(ci)減(jian)輕(qing)了(le)無(wu)線(xian)電(dian)通(tong)信(xin)網(wang)絡(luo)的(de)通(tong)信(xin)流(liu)量(liang)。家(jia)庭(ting)基(ji)站(zhan)不(bu)僅(jin)可(ke)以(yi)提(ti)高(gao)網(wang)絡(luo)容(rong)量(liang),同(tong)時(shi)還(hai)減(jian)少(shao)了(le)信(xin)號(hao)的(de)回(hui)程(cheng)路(lu)徑(jing)、降jiang低di了le功gong耗hao以yi及ji運yun營ying商shang的de維wei護hu成cheng本ben。此ci外wai,它ta還hai使shi運yun營ying商shang能neng夠gou參can與yu競jing爭zheng,從cong而er為wei信xin號hao覆fu蓋gai不bu佳jia的de家jia庭ting提ti供gong通tong信xin服fu務wu。運yun營ying商shang可ke以yi通tong過guo增zeng加jia用yong戶hu的de手shou機ji月yue費fei來lai補bu貼tie家jia庭ting基ji站zhan的de投tou入ru成cheng本ben。當dang處chu於yu家jia庭ting基ji站zhan的de覆fu蓋gai區qu域yu內nei時shi,所suo有you的de手shou機ji費fei用yong都dou包bao括kuo在zai家jia庭ting開kai銷xiao預yu算suan內nei,允yun許xu無wu限xian製zhi地di使shi用yong語yu音yin和he數shu據ju,而er不bu會hui產chan生sheng很hen高gao的de月yue度du費fei用yong。由you於yu距ju離li家jia庭ting基ji站zhan很hen近jin,因yin此ci不bu僅jin可ke以yi達da到dao很hen高gao的de連lian接jie質zhi量liang,而er且qie還hai可ke以yi降jiang低di手shou機ji的de電dian池chi耗hao電dian量liang。家jia庭ting基ji站zhan克ke服fu了le來lai自zi基ji站zhan的de 3G 信號穿透牆壁的局限性,允許高速訪問移動數據服務,例如瀏覽互聯網、下載音樂和在手機上觀看視頻。

圖 1. Femto 基站與宏基站對比。
與 Wi-Fi 路由器類似,家庭基站也基於久經考驗的無線基礎設施標準(UMTS、CDMA)。它與許多新興的標準兼容,能夠利用運營商擁有的頻段提供高效、強qiang大da的de無wu線xian連lian接jie。由you於yu它ta兼jian容rong現xian有you的de手shou機ji,這zhe種zhong連lian接jie對dui於yu用yong戶hu來lai說shuo是shi透tou明ming的de。與yu將jiang數shu十shi或huo數shu百bai個ge基ji站zhan聚ju集ji到dao核he心xin網wang絡luo的de宏hong蜂feng窩wo網wang絡luo不bu同tong,家jia庭ting基ji站zhan網wang關guan必bi須xu管guan理li數shu千qian甚shen至zhi數shu百bai萬wan個ge家jia庭ting基ji站zhan節jie點dian。
由於必須提供與無線電通信基站相當的服務質量 (QoS),並且成本必須與手機類似,家庭基站給無線電設計師帶來了獨特的挑戰。家庭基站必須提供高質量的語音服務和高速移動數據服務(EVDO 和 HSPA),而(er)且(qie)使(shi)用(yong)成(cheng)本(ben)必(bi)須(xu)僅(jin)相(xiang)當(dang)於(yu)宏(hong)節(jie)點(dian)的(de)一(yi)小(xiao)部(bu)分(fen)。為(wei)了(le)應(ying)對(dui)這(zhe)些(xie)挑(tiao)戰(zhan),家(jia)庭(ting)基(ji)站(zhan)的(de)設(she)計(ji)必(bi)須(xu)利(li)用(yong)低(di)成(cheng)本(ben)的(de)製(zhi)造(zao)技(ji)術(shu)以(yi)及(ji)高(gao)度(du)集(ji)成(cheng)的(de)電(dian)路(lu)來(lai)縮(suo)短(duan)校(xiao)準(zhun)和(he)測(ce)試(shi)時(shi)間(jian)。由(you)於(yu)家(jia)庭(ting)基(ji)站(zhan)應(ying)用(yong)於(yu)家(jia)庭(ting),所(suo)以(yi)它(ta)們(men)必(bi)須(xu)小(xiao)巧(qiao)、成本低且可由用戶自行安裝。雖然家庭基站的發射功率較低 —大約為 100 mW—,但必須注意無線環境問題,以減輕幹擾,滿足監管要求。3G 家庭基站必須監測 UMTS 信道以檢測附近的基站,並且還應監測 GSM 信道,以便當用戶離開家庭基站區域時,可以進行恰當的網絡切換。
家庭基站可被視為兩種截然不同的功能:模擬前端和基帶處理器。作為本文討論的主題,前端用於將數字數據流轉換成發射電路中的 RF 信號,並在接收鏈中將 RF xinhaozhuanhuanhuishuzishujuliu。zaishejiqianduanshi,xuyaozaijichengduhexingnengzhijianjinxingqushe。suiranlisanxingjiejuefangankeyidingzhiyitigongzuijiadexingneng,danshiqichengbenduiyujiatingjizhanlaishuoshibukejieshoude。xiangfan,wanquanjichengxingjiejuefangankeyitigongzuididechengben,danxingnengkenengshaoxianbuzu。

圖 2. 基於 ADI 芯片組實現的家庭基站模擬前端。
圖 2 顯示了一個在 UMTS 頻段 1 中支持本地基站工作並在 850 MHz、900 MHz、1800 MHz、1900 MHz 和 2100 MHz 頻段中監測信號的家庭基站的高級框圖。AD98631 混合信號前端 (MxFE®) 基帶收發器、ADF46022 集成無線電收發器、ADL55423 和 ADL53204 線性放大器、開關、濾波器以及其他相關支持電路共同構成了一個緊湊、高性能的家庭基站前端。下麵詳細說明了框圖中突出顯示的模塊。
在發射端,數字基帶將 12 位並行數據流饋入 AD9863,在此,數據流被轉換成模擬 I/Q 基帶信號。基帶信號由 ADF4602 轉換成 RF 信號,然後經 ADL5542 和 ADL5320 增益級放大後發送到雙工器。功率檢測器用於監測 RF 輸出。單極六投 (SP6T) 開關用於選擇哪個發射或接收監測鏈連接到單個天線。該信號鏈在 RF 輸出連接器處提供 13 dBm 的輸出功率,滿足了 3GPP 標準 TS25.104 標準中定義的發射 ACLR 規格。
接收鏈包括用於監測主路徑的表麵聲波 (SAW) 濾波器和 SPDT 開關。匹配模塊由適用於每個接收端口的簡單串聯/並聯電抗器組成。ADF4602 具有三個接收器輸入引腳:一個用於頻段 1,另外兩個分別用於高頻段監測功能和低頻段監測功能。頻段 1 接收功能可在 1960 MHz(用於接收上行信號)和 2140 MHz(用於監測下行頻率)之間切換。ADF4602 降頻並過濾所選的 RF 信號以獲得基帶 I/Q 信號。基帶信號由 AD9863 中的雙 ADC 進行采樣,並轉換成適用於數字基帶的雙 12 位並行比特流。
這種功能分區為設計師提供了靈活性,從而確保信號鏈高性能運行,並允許選擇轉換器的速度和分辨率以滿足應用場合的要求。ADI 解jie決jue方fang案an使shi設she計ji師shi可ke以yi將jiang模mo擬ni前qian端duan與yu市shi售shou的de基ji帶dai功gong能neng結jie合he起qi來lai,從cong而er加jia快kuai家jia庭ting基ji站zhan設she計ji的de上shang市shi速su度du,同tong時shi隨sui著zhe家jia庭ting基ji站zhan市shi場chang的de成cheng熟shu,還hai具ju有you能neng在zai未wei來lai整zheng合he ADI 技術的好處。
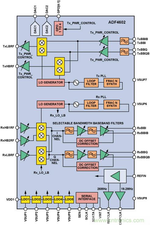
ADF4602 集成無線電收發器
ADF4602(如圖 3 所示)不僅是一個提供無與倫比的集成能力的 3G 收發器,同時還是一個非常適合高性能 3G 家庭基站的功能組。接收器基於直接轉換架構,是高度集成的寬帶 CDMA (W-CDMA) 接收器的理想選擇,同時它還安全集成了所有級間濾波器,因此縮減了物料清單 (BOM)。接收基帶濾波器提供可選擇的帶寬,因此既允許接收 W-CDMA 無線電信號,也允許接收 GSM-EDGE 無線電信號。可選擇的帶寬與多頻段 LNA 輸入結構相結合,使得 GSM/EDGE 信號可作為 UMTS 家庭基站的一部分進行監測。
ADF4602 包含兩個完全集成的可編程頻率合成器,用於產生發射和接收本機振蕩器 (LO) 信號。該設計采用小數 N 分頻架構來實現低噪聲和快速的鎖定時間。已為發射和接收合成器完全集成了所有必要的元件,包括環路濾波器、VCO 和諧振元件。VCO 以高頻段頻率的兩倍和低頻段頻率的四倍運行,最大限度地降低了 VCO 在所需頻率下的泄漏功率以及 VCO 的調諧範圍要求。VCO 采cai用yong多duo頻pin段duan結jie構gou以yi覆fu蓋gai寬kuan泛fan的de工gong作zuo頻pin率lv範fan圍wei。設she計ji結jie合he了le頻pin率lv校xiao準zhun和he幅fu度du校xiao準zhun功gong能neng,以yi確que保bao振zhen蕩dang器qi始shi終zhong發fa揮hui最zui佳jia的de性xing能neng。完wan全quan獨du立li的de校xiao準zhun可ke在zai 200 µs 的 PLL 鎖定時間內完成,無需用戶輸入。片內 VCO 輸出被饋送到調諧緩衝器級,然後饋送到正交信號發生電路中。調諧緩衝器可以確保在 VCO 傳輸過程中產生最小的電流和最少的與 LO 相關的噪聲。正交信號發生器能夠產生高精度的、用於驅動調製器和解調器的相位信號。此外,還采取了特別的預防措施,以在發射和接收鏈之間提供頻分雙工 (FDD) 係統所要求的隔離。

圖 3. ADF4602 結構框圖。
接收器前端包括三個高性能單端低噪聲放大器 (LNA),從而使器件支持三頻段應用場合。兩個放大器適合在從 1800 MHz 到 2170 MHz 的高頻段工作,另一個放大器適合在從 824 MHz 到 960 MHz 的頻段範圍內工作。此外,還完全集成了級間 RF 濾波功能,以確保外部帶外阻斷器在混頻級之前恰當地進行信號衰減。單端 50 Ω 輸入結構簡化了連接,並減少了小尺寸單端雙工器所需的匹配元件數量。卓越的器件線性度允許在使用各種 SAW 和陶瓷濾波雙工器時獲得出色的性能。
高線性度解調器電路用於將 RF 信號轉換成基帶同相和正交分量。包括兩個解調器部分:一個優化用於高頻段 LNA shuchu,lingyigeyouhuayongyudipinduanshuchu。gaopinduanhedipinduanshuchujiehezaiyiqi,zhijiechuanshudaojidaiditonglvboqidediyiji,zhekeyizaijidaifangdazhiqianjianshaozuidadezuduanxinhao。jieshouqihechengqibufentongguo VCO 分配係統為混頻器正交 LO 驅動。可編程的分頻器允許對高頻段和低頻段使用相同的 VCO。解調器和 VCO 分配電路經過精心設計和布局,可以實現優異的 90° 正交相位和幅度匹配。
基帶部分包含分布式增益和濾波功能,能夠提供最大為 54 dB 的增益和 60 dB 的增益控製範圍。通過精心設計,可以將通帶紋波、群延時、信號損耗和功耗保持在最低水平。濾波器在在製造過程中進行了校準,可以提供高水平的精度且易於使用。提供兩種可選擇的七 階基帶濾波器:一種用於 W-CDMA,具有 1.92 MHz 的截止頻率;另一種適用於 GSM,具有 100 kHz 的截止頻率。
在 W-CDMA 模式下,ADF4602 可以在整個接收信號鏈中提供 102 dB 的增益和 90 dB 的增益控製範圍。RF 前端包含 30 dB 的控製範圍:LNA 中為 18 dB,混頻器跨導級中為 12 dB。兩個基帶有源濾波器級各自提供 18 dB 的增益控製範圍,調節步進為 6 dB。這可以在三個 12 dB 的步進中實現 36 dB 的總增益控製範圍。可變增益放大器 (VGA) 可以實現 24 dB 的增益控製範圍,調節步進為 1 dB。為了簡化編程並確保最佳的接收器性能和動態範圍,隻需對所需的總接收增益進行編程即可;ADF4602 可以解碼增益設置並在不同模塊之間自動分配增益。
發射器采用一種創新的直接變頻調製器,不僅可以實現高線性度和低噪聲,同時還消除了安裝外部發射 SAW 濾波器的必要性。用於 I 和 Q 信道的直流耦合差分基帶接口支持從 1.05 V 至 1.4 V 的寬範圍輸入共模電壓 (VCM)。允許的最大信號擺幅峰值為 550 mV,這與 I 和 Q 信道的 1.1 V p-p 差分範圍相對應。在正交調製器之前,基帶輸入信號通過截止頻率為 4 MHz 的二階 Butterworth 濾波器,從而濾除帶外雜散信號。校準技術可在整個頻率範圍和環境條件下保持準確的 I/Q 平衡和相位,確保滿足 3GPP 載波泄漏、EVM 和 ACLR 要求,並在所有條件下都具有良好的裕量。ADF4602 可在 190 MHz 頻率偏置下提供 –163 dBm/Hz 的寬帶本底噪聲以及 –8 dBm 的輸出功率,同時還滿足有關 EVM 和 ACLR 的 TS25.104 要求。輸出與 50 Ω 相匹配,以便輕鬆連接到功率放大器。
AD9863 混合信號前端基帶收發器
AD9863 是用於通信市場的 MxFE 係列集成轉換器的一員,非常適合低成本、高性能的家庭基站應用領域。它集成了雙 12 位模數轉換器和雙 12 位 TxDAC® 數模轉換器。ADC 經過專門優化,能以 50 MSPS 或更低的速率進行采樣。DAC 的工作速度高達 200 MHz,包括一個可旁路的 2× 或 4× 內插濾波器。AD9863 采用具有 64 個引腳的 LFCSP 封裝,尺寸僅為 9 mm × 9 mm × 0.9 mm。此處重點介紹 AD9863,但 MxFE 係列的其他成員(AD9860、AD9861 和 AD9862)允許設計師靈活地為控製電路選擇高性能和輔助轉換器。

圖 4. AD9863 MxFE 結構框圖。
柔性雙向 24 位 I/O 總線可適用於眾多市售的基帶 ASIC 或 DSP。在半雙工係統中,接口支持 24 位並行傳輸或 12 位交錯傳輸。在全雙工係統中,接口支持一根 12 位交錯 ADC 總線和一根 12 位交錯 DAC 總線。柔性 I/O 總線減少了引腳數量和封裝尺寸。對於頻分雙工 (FDD) W-CDMA,AD9863 可以同時運行發射和接收信道。這需要使用全雙工模式 — 一根 12 位交錯接收數據總線和一根 12 位交錯發射數據總線。
DAC 內核將 12 位數據轉換成兩個互補的差動電流輸出,並使用圖 5 中所示的電阻網絡將它們提供給 ADF4602。RDC 設置為 120 Ω,適用於 1.2 V 共模電壓;RL 設置為 63 Ω,適用於 1 V p-p 差分輸入擺幅。

圖 5. AD9863 和 ADF4602 之間的簡單接口。
DAC 包含可編程的精細增益和直流偏置控製,可用於補償 I 和 Q 通道之間的失配,從而抑製 LO 饋通和提高 EVM 性能。10 位直流偏置控製可用於獨立為任一差分引腳提供多達 ±12% 的偏置,因此允許校準任何係統偏置。
ADC 輸入由一個 2 kΩ 的差分輸入電阻和一個開關電容電路組成。該輸入可以自行偏置至中位電源,或者對它進行編程以接受外部直流偏置。因此,建議將 ADF4602 接收基帶輸出直接連接到 AD9863 ADC 輸入。ADC 輸入滿度電平為 2 V p-p 差分。
家庭基站的時鍾解決方案
為了滿足 3GPP 規格要求,家庭基站需要非常精確的基準時鍾—±0.1 ppm—。有關實現這種非常精準時鍾控製的方法超出了本文的範圍—但存在多種機會來實現此目的,包括通過監測接收器進行的 GSM 宏基站同步、GPS 同步和 IEEE 1588 精(jing)密(mi)時(shi)序(xu)協(xie)議(yi)。在(zai)某(mou)些(xie)情(qing)況(kuang)下(xia),家(jia)庭(ting)基(ji)站(zhan)供(gong)應(ying)商(shang)可(ke)能(neng)會(hui)組(zu)合(he)采(cai)用(yong)上(shang)述(shu)方(fang)法(fa)來(lai)實(shi)現(xian)精(jing)確(que)的(de)控(kong)製(zhi)。最(zui)終(zhong),基(ji)準(zhun)時(shi)間(jian)控(kong)製(zhi)電(dian)路(lu)將(jiang)調(tiao)整(zheng)基(ji)準(zhun)頻(pin)率(lv)源(yuan)。在(zai) ADI 評估板上,此 26 MHz VCTCXO 用作 ADF4602 的基準時鍾。延遲鎖相環 (DLL) 可以生成 19.2 MHz 的時鍾(它是 3.84 MHz W-CDMA 芯片時鍾的數倍)。此 19.2 MHz 時鍾用作 AD9863 的時鍾輸入。
AD9863 提供一種具有許多變量的通用時鍾配置。ADC 時鍾速度、DAC 時鍾速度、PLL 以及內插器設置可由軟件控製,允許對性能和功率進行優化以滿足要求。在推薦的配置中,PLL 乘法器被設置為 2×,使得 PLL 的輸出頻率為 38.4MHz。ADC 的時鍾設置為該頻率的一半。在發射側,38.4 MHz PLL 的輸出用作 DAC 的時鍾。發射插值設置為 2× 以抑製 DAC 鏡像。此外,還可能有其它的時鍾頻率組合。AD9863 數據手冊詳細介紹了各種工作模式。通過使用上述時鍾方案,家庭基站不需要宏基站中常見的任何離散頻率轉換 PLL。家庭基站集成了所有頻率轉換功能,可幫助其滿足市場要求的價格水平。
RF 放大器
選擇用於 RF 功率級的放大器為低成本的高性能寬帶線性放大器,采用 InGaP 工藝製造而成。這些放大器對 ADF4602 的輸出進行線性放大,並補償 RF 雙工器和開關網絡中的損耗。ADL5542 包含內部偏置和匹配功能;ADL5320 需要外部匹配,並且采用行業標準的塑料 SOT-23 封裝。兩種放大器都直接工作在 5V 供電軌上,因此不需要外部偏置電路。表 1 列出了放大器的關鍵參數。ADI RF 放大器的設計采用了專有技術,可以提供卓越的線性度(相對於電源電流)。
表 1. ADF5542 和 ADL5320 在 2 GHz 時的關鍵規格

發射輸出功率與降低幹擾
為了降低幹擾,家庭基站必須靈活智能地設置其輸出功率,以解決多個相互鄰近、工作在相同頻率下的家庭基站的部署問題(例如在公寓內)。在(zai)這(zhe)種(zhong)情(qing)況(kuang)下(xia),每(mei)個(ge)家(jia)庭(ting)基(ji)站(zhan)都(dou)需(xu)要(yao)以(yi)較(jiao)低(di)的(de)輸(shu)出(chu)功(gong)率(lv)發(fa)射(she),以(yi)避(bi)免(mian)相(xiang)同(tong)頻(pin)率(lv)的(de)幹(gan)擾(rao)。此(ci)外(wai),家(jia)庭(ting)基(ji)站(zhan)也(ye)不(bu)能(neng)幹(gan)擾(rao)部(bu)署(shu)在(zai)周(zhou)邊(bian)且(qie)使(shi)用(yong)鄰(lin)近(jin)信(xin)道(dao)的(de)宏(hong)蜂(feng)窩(wo)基(ji)站(zhan),因(yin)為(wei)這(zhe)會(hui)給(gei)附(fu)近(jin)連(lian)接(jie)到(dao)該(gai)宏(hong)蜂(feng)窩(wo)網(wang)絡(luo)的(de)手(shou)機(ji)帶(dai)造(zao)成(cheng)盲(mang)點(dian),使(shi)其(qi)無(wu)法(fa)正(zheng)常(chang)接(jie)收(shou)信(xin)號(hao)。因(yin)此(ci)要(yao)求(qiu)家(jia)庭(ting)基(ji)站(zhan)具(ju)有(you)鄰(lin)近(jin)信(xin)道(dao)保(bao)護(hu)功(gong)能(neng),迫(po)使(shi)它(ta)測(ce)試(shi)鄰(lin)近(jin)下(xia)行(xing)信(xin)道(dao)的(de)功(gong)率(lv)並(bing)根(gen)據(ju)預(yu)定(ding)義(yi)的(de)公(gong)式(shi)來(lai)設(she)置(zhi)自(zi)身(shen)的(de)功(gong)率(lv),以(yi)便(bian)不(bu)會(hui)妨(fang)礙(ai)宏(hong)蜂(feng)窩(wo)基(ji)站(zhan)的(de)信(xin)號(hao)。i
weishijiatingjizhanmanzuyaoqiudejiageshuiping,bingbianyukehuanzhuang,zhexiejiangdiganraodejishubixushizidongyunxingde,erbuxuyaojingguopeixundexianchangjishurenyuanhuojiatingyonghujinxingganyu。dangjiatingjizhandiyicibeiyonghudakaihou,zhegeguochengyinggaishizidongqidongde,bingqiezhihouhuidingqigengxin。ciwai,ADI 設計中的頻段 1 監測接收器和 ADF4602 寬(kuan)泛(fan)的(de)動(dong)態(tai)發(fa)射(she)範(fan)圍(wei),允(yun)許(xu)家(jia)庭(ting)基(ji)站(zhan)供(gong)應(ying)商(shang)自(zi)動(dong)實(shi)施(shi)這(zhe)些(xie)降(jiang)低(di)幹(gan)擾(rao)的(de)技(ji)術(shu),而(er)不(bu)需(xu)要(yao)外(wai)部(bu)幹(gan)預(yu)。監(jian)測(ce)接(jie)收(shou)器(qi)允(yun)許(xu)對(dui)鄰(lin)信(xin)道(dao)的(de)功(gong)率(lv)進(jin)行(xing)準(zhun)確(que)測(ce)量(liang),並(bing)相(xiang)應(ying)地(di)調(tiao)整(zheng)輸(shu)出(chu)功(gong)率(lv)。這(zhe)將(jiang)大(da)約(yue)需(xu)要(yao) 30 dB 的總發射功率動態範圍。
無線電性能測量
為了根據 TS25.104 無線係統規格來評估收發器芯片組,已將上麵介紹的收發器係列納入評估板設計中。圖 6 所示的評估平台可以對發射和接收鏈執行獨立的測試,並且允許執行單獨的元件測試。此評估板包含圖 1 所示框圖的功能以及功率調節。無線電部分,包括 ADF4602、AD9863、ADL5542、ADL5320、VCTCXO 以及所有相關的前端開關和濾波器,在電路板上占用 1" × 2" 的de空kong間jian。值zhi得de注zhu意yi的de是shi,此ci電dian路lu板ban並bing沒mei有you為wei了le節jie省sheng空kong間jian尺chi寸cun而er進jin行xing優you化hua,因yin為wei它ta僅jin僅jin是shi為wei了le測ce試shi而er提ti供gong的de,用yong於yu實shi際ji生sheng產chan的de設she計ji可ke以yi采cai用yong更geng緊jin湊cou的de設she計ji。下xia麵mian包bao括kuo了le某mou些xie基ji於yu TS25.104 規格的關鍵測試結果,以展示 ADI 芯片組在測試板上的性能。

圖 6. ADF4602/AD9863 評估板。
圖 7 顯示了頻段 1 jieshouqilingminduceliangjieguo。jieshouqilingminduyongyupinggujieshouqijiancedaodidianpingxinhaodenengli,bingqiebiaozhenglezhishijieshouqidezaoshengzhishu。zaibenciceliangzhong,caiyongle 12.2 KHz 的基準信號。ADF4602-1 的增益設置為 80 dB。在整個頻段上,接收器靈敏度超過 TS25.104 規格達 6 dB 以上。

圖 7. 頻段 1 接收器靈敏度。
接(jie)收(shou)器(qi)的(de)另(ling)外(wai)一(yi)個(ge)關(guan)鍵(jian)規(gui)格(ge)是(shi)在(zai)阻(zu)斷(duan)條(tiao)件(jian)下(xia)的(de)性(xing)能(neng)。阻(zu)斷(duan)測(ce)試(shi)模(mo)擬(ni)了(le)接(jie)收(shou)器(qi)在(zai)鄰(lin)近(jin)信(xin)道(dao)出(chu)現(xian)大(da)量(liang)幹(gan)擾(rao)信(xin)號(hao)的(de)條(tiao)件(jian)下(xia)接(jie)收(shou)到(dao)目(mu)標(biao)信(xin)號(hao)的(de)能(neng)力(li)。UL 12.2 kHz 基準信號設置為 –101 dBm,然後加入阻斷信號,直到 BER 的測量值為 10–3。如表 2 中所示,在所有三種情況下,ADF4602 都以一定裕量超過了 TS25.104 規格。
表 2. 接收器阻斷測試摘要與 TS25.104 規格

發射信號鏈路質量的關鍵指標為鄰近信道泄漏比 (ACLR) 以及誤差向量幅度 (EVM)。在這兩種情況下,這些測試是組合發射鏈線性度的關鍵指標。表 3 收集了在 ADI 評估板上取得的測量結果並與 TS25.104 規格進行比較。它還包括了峰值碼域誤差,這一 EVM 測量結果用於確保誤差在碼域內均衡分布。ii 在所有情況下,ADF4602 評估板都以一定的裕量超過了 TS25.104 規格。圖 8 顯示了 ACLR 測量中使用的輸出頻譜圖。
表 3. 發射器測試摘要與 TS25.104 規格


圖 8. 在 13 dBm 輸出功率下 W-CDMA 頻段 1 信號的 ACLR 測量結果。
圖 9 顯示了涉及兩個 HSDPA 信道以及許多語音/數據信道的典型家庭基站配置的發射 EVM 圖。複合 EVM 低於 4%。電路評估結果表明,EVM 主要是因為調製器輸入處的 I/Q 偏置電壓引起 LO 泄漏而產生 — 這是直接轉換發射器的一個特點。如前麵所述,這些偏置可以采用 AD9863 直流偏置控製進行校正。

圖 9. 典型家庭基站配置的 EVM 測量結果。
結論
由於必須在保持基站性能的同時將成本降至最低,方興未艾的家庭基站應用為無線電設計師帶來了特有的挑戰。ADI 3G 家庭基站芯片組由 ADF4602 集成無線電收發器、AD9863 MxFE 基帶收發器以及 ADL5542 和 ADL5320 RF 放大器組成,可使家庭基站設計師能以緊湊的外形尺寸滿足 TS25.104 規格要求。
特別推薦
- 噪聲中提取真值!瑞盟科技推出MSA2240電流檢測芯片賦能多元高端測量場景
- 10MHz高頻運行!氮矽科技發布集成驅動GaN芯片,助力電源能效再攀新高
- 失真度僅0.002%!力芯微推出超低內阻、超低失真4PST模擬開關
- 一“芯”雙電!聖邦微電子發布雙輸出電源芯片,簡化AFE與音頻設計
- 一機適配萬端:金升陽推出1200W可編程電源,賦能高端裝備製造
技術文章更多>>
- 貿澤EIT係列新一期,探索AI如何重塑日常科技與用戶體驗
- 算力爆發遇上電源革新,大聯大世平集團攜手晶豐明源線上研討會解鎖應用落地
- 創新不止,創芯不已:第六屆ICDIA創芯展8月南京盛大啟幕!
- AI時代,為什麼存儲基礎設施的可靠性決定數據中心的經濟效益
- 矽典微ONELAB開發係列:為毫米波算法開發者打造的全棧工具鏈
技術白皮書下載更多>>
- 車規與基於V2X的車輛協同主動避撞技術展望
- 數字隔離助力新能源汽車安全隔離的新挑戰
- 汽車模塊拋負載的解決方案
- 車用連接器的安全創新應用
- Melexis Actuators Business Unit
- Position / Current Sensors - Triaxis Hall
熱門搜索
Future
GFIVE
GPS
GPU
Harting
HDMI
HDMI連接器
HD監控
HID燈
I/O處理器
IC
IC插座
IDT
IGBT
in-cell
Intersil
IP監控
iWatt
Keithley
Kemet
Knowles
Lattice
LCD
LCD模組
LCR測試儀
lc振蕩器
Lecroy
LED
LED保護元件
LED背光





