一起來找“茬”——這樣搞定差動放大器性能優化
發布時間:2018-01-12 責任編輯:wenwei
【導讀】有時需要在有較大共模信號的情況下測量小信號。在這類應用中,通常使用兩個或三個運算放大器的集成儀表放大器。盡管儀表放大器具有出色的共模抑製比(CMRR),但價格因素,性能指標阻礙了其在此類應用中的使用。下麵就來分享構建差動放大器及其性能優化方法!
儀表放大器可能不具備用戶要求的帶寬、zhiliujingduhuogonghao。yiner,zaizhezhongqingkuangxia,yonghuketongguoyigedanfangdaqihewaibudianzuzixinggoujianchafenfangdaqi,yitidaiyibiaofangdaqi。buguo,chufeishiyongpipeilianghaodedianzu,fouzezhezhongdianludegongmoyizhibijianghencha。benyingyongbijijiangtantaogoujianfenlidechadongfangdaqibingyouhuaqixingnengdeshuzhongfangfa,tongshihaijiangtuijianjikuankeshijiejuefangandezhengtixingjiabinengyudanpianyibiaofangdaqixiangpimeideyunsuanfangdaqichanpin。
一起來找“茬”(問題發現)
圖1為采用一個典型的由單放大器構建的差動放大器,該放大器與一個傳感器橋路相連。

圖1
通過疊加原理可知,該電路的輸出為兩個輸入之差的函數。圖1所示電路的傳遞函數為:

下列情形下會出現一種特殊情況:當

等式(1)可以簡化為等式(2):

輸出等於兩個輸入之差乘以增益係數,該係數可設定為1.當電阻比匹配良好時,等式2成立。假定完美匹配電阻值 分別為:R2 = R4 = 10 kΩ,R1 = R3 = 1 kΩ,V1 = 2.5 V, V2 = 2.6 V,則有VOUT = 1 V.
如上所述,圖1所示電路的缺點之一在於其共模抑製比較低,這是因電阻匹配誤差所致。出於討論方便和清晰考慮,我們重新畫出該電路圖,如圖2所示。

圖2
電阻R2的公差引起的誤差為R2 (1 – error)。通過疊加原理,同時使R1 = R3,R2 = R4,在計算並進行排列之後,輸出電壓(VOUT)為:

根據等式3,共模增益(Acm)和差分增益(Adm)可定義為:

從等式4可見,當電阻值不存在誤差(即error = 0)時,則 Acm = 0,放大器僅對差分電壓作出響應,則為:

因此,當電阻比率誤差為零(error = 0)時,電路的共模抑製比將在很大程度上取決於所選放大器的共模抑製比。當電阻比率誤差不為零時,如圖2所示,電路共模抑製比可表示為:

當R2誤差極小時,以上等式中的第二項可忽略不計且:

對於R2 = R4 = 10 kΩ,R1 = R3 = 10 kΩ且error = 1%的單位增益分立差動放大器,其共模抑製比約為46 dB。這比單片差動放大器(AMP03)的性能差得多,後者的共模抑製比如圖3所示。

圖3. AMP03(單片差動放大器)共模抑製比與頻率的關係
如上所示,因電阻不匹配導致的誤差可能構成分立差動放大器的一大不足。但通過一些方法是可以優化這種電路的。
好辦法助你解決問題
➤ a.在等式3中,差分增益與(R2/R1)之比成正比。因此,優化以上電路性能的一種方法就是盡可能將該放大器置於一種高增益配置中(在高增益設置中使用大電阻會引發噪聲問題,同樣需要解決)。
通過選擇阻值更大的R2和R4(R2 = R4),以及阻值更小的R1和R3(R1 = R3),可獲得的更高的增益,這樣共模抑製比越佳。舉例來說,當R2 = R4 = 10 kΩ、R1 = R3 = 1 kΩ且error = 0.1%時,則共模抑製比將得到改善,優於80 dB。對高增益配置,請選擇IB極低、增益極高的放大器(如ADI公司出品的AD8551係列放大器),以降低增益誤差。電路的增益誤差和線性度是放大器性能的函數。

圖4a. AD8605的共模抑製比(其中G = 1)

圖4b.AD8605的共模抑製比(其中G = 10)
➤ b.選擇公差更小和精度更高的電阻。電阻越匹配,共模抑製比越佳。例如,如果以上電路需要90 dB的共模抑製比,則電阻匹配公差應在0.02左右。這種情況下,電路的共模抑製比將不亞於某些高精度儀表放大器,隻是它們的交流和直流特性更好。

圖5a. OP1177的共模抑製比(其中G = 1)

圖5b. OP1177的共模抑製比(其中G=10)
➤ c.改善圖1所示電路共模抑製比的另一種方法是使用機械微調電位計,如圖6所示。

圖6
借助這種方法,用戶可使用公差較低的電阻,但需要定期進行調整。
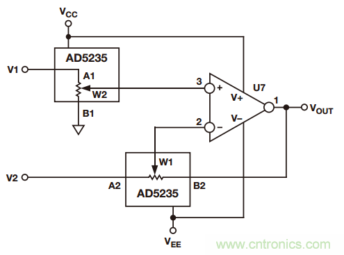
➤ d. 作為對精度要求不高的電路的替代途徑,可使用數字電位計,如圖7所示。AD5235(一種非易失性存儲器、雙路 1024 位數字電位計)配合AD8628構成一種差動放大器,其增益為15(G = 15)。
通過使用電位計,能獲得編程能力,可一步完成增益設置和微調。這種電路的另一優勢在於,雙電阻(AD5235)的溫度係數為50 ppm,使電阻比率匹配更為方便。根據電路所需精度和公差,也可選擇其它數字電位計。

圖7

圖8. 圖7所示電路的共模抑製比與頻率
➤ e. 使用雙路或四路放大器構建共模抑製比更佳、高gao輸shu入ru阻zu抗kang的de儀yi表biao放fang大da器qi。這zhe是shi一yi種zhong成cheng本ben更geng高gao的de解jie決jue方fang案an,也ye是shi單dan片pian儀yi表biao放fang大da器qi所suo用yong方fang法fa。應ying根gen據ju實shi際ji需xu要yao選xuan擇ze相xiang應ying的de放fang大da器qi,比bi如ru更geng出chu色se的deBW、ISY和VOS,此類需求可能是儀表放大器所不能滿足的。
自穩零放大器,如AD8628和AD855xxilieshicileiyingyongdezuijiaxuanze。zheleifangdaqijuyoujigaodezhiliujingdu,buhuigeishuchuzengjiarenhewucha。ziwenlingfangdaqijuyouchangqiwendingxing,wuxuxiangmouxiexitongnayangfanfujinxingxiaozhun。ziwenlingfangdaqidezuidigongmoyizhibiwei 140 dB,因而在多數電路中,電阻匹配將成為限製因素。因此,用戶最好根據上述指南來構建差動放大器並優化其性能。
本文轉載自亞德諾半導體。
推薦閱讀:
特別推薦
- 噪聲中提取真值!瑞盟科技推出MSA2240電流檢測芯片賦能多元高端測量場景
- 10MHz高頻運行!氮矽科技發布集成驅動GaN芯片,助力電源能效再攀新高
- 失真度僅0.002%!力芯微推出超低內阻、超低失真4PST模擬開關
- 一“芯”雙電!聖邦微電子發布雙輸出電源芯片,簡化AFE與音頻設計
- 一機適配萬端:金升陽推出1200W可編程電源,賦能高端裝備製造
技術文章更多>>
- 大聯大世平集團首度亮相北京國際汽車展 攜手全球芯片夥伴打造智能車整合應用新典範
- 2026北京車展即將啟幕,高通攜手汽車生態“朋友圈”推動智能化體驗再升級
- 邊緣重構智慧城市:FPGA SoM 如何破解視頻係統 “重而慢”
- 如何使用工業級串行數字輸入來設計具有並行接口的數字輸入模塊
- 意法半導體將舉辦投資者會議探討低地球軌道(LEO)發展機遇
技術白皮書下載更多>>
- 車規與基於V2X的車輛協同主動避撞技術展望
- 數字隔離助力新能源汽車安全隔離的新挑戰
- 汽車模塊拋負載的解決方案
- 車用連接器的安全創新應用
- Melexis Actuators Business Unit
- Position / Current Sensors - Triaxis Hall
熱門搜索




