方案分享:汽車遙控門禁係統/遙控車門開關係統設計
發布時間:2017-01-06 責任編輯:sherry
【導讀】RKE係統允許用戶使用鑰匙扣上的發射機來鎖定汽車門或者開鎖,此外,RKE還具有防盜作用。MELEXIS的無線收發芯片十分適合用在汽車遙控門禁中,其待機模式下僅消耗5nA電源電流。
RKE(Remote Keyless Entry)是遙控門禁係統/遙控車門開關的簡稱。RKE係(xi)統(tong)允(yun)許(xu)用(yong)戶(hu)使(shi)用(yong)鑰(yao)匙(chi)扣(kou)上(shang)的(de)發(fa)射(she)機(ji)來(lai)鎖(suo)定(ding)汽(qi)車(che)門(men)或(huo)者(zhe)開(kai)鎖(suo),該(gai)發(fa)射(she)機(ji)傳(chuan)輸(shu)數(shu)據(ju)到(dao)汽(qi)車(che)內(nei),用(yong)戶(hu)按(an)下(xia)鑰(yao)匙(chi)扣(kou)上(shang)的(de)按(an)鈕(niu)開(kai)關(guan)可(ke)觸(chu)發(fa)係(xi)統(tong)工(gong)作(zuo)。除(chu)了(le)具(ju)有(you)開(kai)啟(qi)汽(qi)車(che)製(zhi)動(dong)裝(zhuang)置(zhi)的(de)技(ji)術(shu)RKE還具有防盜作用。
RKE係統組成
由一個安裝在汽車上的接收控製器和一個由用戶攜帶的發射器,即無線遙控車門鑰匙組成。

RKE係統的組成
RKE的工作原理
RKE係(xi)統(tong)允(yun)許(xu)用(yong)戶(hu)使(shi)用(yong)鑰(yao)匙(chi)扣(kou)上(shang)的(de)發(fa)射(she)機(ji)來(lai)鎖(suo)定(ding)汽(qi)車(che)門(men)或(huo)者(zhe)開(kai)鎖(suo),該(gai)發(fa)射(she)機(ji)傳(chuan)輸(shu)數(shu)據(ju)到(dao)汽(qi)車(che)內(nei),用(yong)戶(hu)按(an)下(xia)鑰(yao)匙(chi)扣(kou)上(shang)的(de)按(an)鈕(niu)開(kai)關(guan)可(ke)觸(chu)發(fa)係(xi)統(tong)工(gong)作(zuo)。這(zhe)樣(yang)將(jiang)喚(huan)醒(xing)RKE鑰匙扣內部的CPU,CPU則發送數據流到射頻(RF)發射機。數據流通常是64到128位長,包括一個前置位、一個命令碼和一個滾動碼。數據流通常以2kHz到20kHz的速率發送。調製方式為幅度鍵控(ASK),主要目的是為延長鑰匙扣的電池壽命。

RKE鑰匙與基站的結構
尤適於RKE係統的收發器
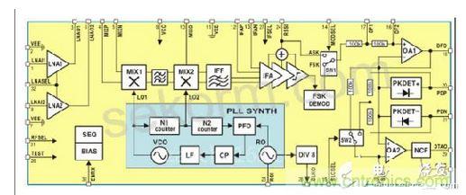
世強代理的Melexis 低功耗425MHz至445MHz發送器MLX72013尤適於RKE係統,該器件采用8引腳SCIC-8封裝。其1.9V 至5.5V的供電範圍使器件可以采用單節鋰離子電池供電,待機模式下僅消耗5nA電源電流。

世強RF發射器MLX72013的結構框圖
在傳輸曼徹斯特編碼數據時,世強MLX72103支持高達40kbps的數據傳輸速率,消耗2.9mA和5.5mA電源電流,同時可向50Ω負載提供-10dBm至+10dBm的輸出功率。基於晶體的鎖相環產生精確的載波頻率,允許接收器使用較窄的IF帶寬,從而提高傳輸距離。
對於RKE的接收器,世強同時提供315MHz至915MHz的超外差ASK接收器MLX71121。MLX71121是一款基於二次變頻超外差架構的高集成單通道/雙頻段RF接收機。可以配合MLX72103使用。
更多RKE方案信息或樣片申請,可以登錄世強元件電商APP獲取。世強元件電商智能硬件創新服務平台為工程師提供全方位覆蓋的技術支持與優質服務體驗。

世強RF接收機MLX71121結構框圖
特別推薦
- 噪聲中提取真值!瑞盟科技推出MSA2240電流檢測芯片賦能多元高端測量場景
- 10MHz高頻運行!氮矽科技發布集成驅動GaN芯片,助力電源能效再攀新高
- 失真度僅0.002%!力芯微推出超低內阻、超低失真4PST模擬開關
- 一“芯”雙電!聖邦微電子發布雙輸出電源芯片,簡化AFE與音頻設計
- 一機適配萬端:金升陽推出1200W可編程電源,賦能高端裝備製造
技術文章更多>>
- 貿澤EIT係列新一期,探索AI如何重塑日常科技與用戶體驗
- 算力爆發遇上電源革新,大聯大世平集團攜手晶豐明源線上研討會解鎖應用落地
- 創新不止,創芯不已:第六屆ICDIA創芯展8月南京盛大啟幕!
- AI時代,為什麼存儲基礎設施的可靠性決定數據中心的經濟效益
- 矽典微ONELAB開發係列:為毫米波算法開發者打造的全棧工具鏈
技術白皮書下載更多>>
- 車規與基於V2X的車輛協同主動避撞技術展望
- 數字隔離助力新能源汽車安全隔離的新挑戰
- 汽車模塊拋負載的解決方案
- 車用連接器的安全創新應用
- Melexis Actuators Business Unit
- Position / Current Sensors - Triaxis Hall
熱門搜索
Future
GFIVE
GPS
GPU
Harting
HDMI
HDMI連接器
HD監控
HID燈
I/O處理器
IC
IC插座
IDT
IGBT
in-cell
Intersil
IP監控
iWatt
Keithley
Kemet
Knowles
Lattice
LCD
LCD模組
LCR測試儀
lc振蕩器
Lecroy
LED
LED保護元件
LED背光



