紅外ToF技術對接近感應傳感器的性能及可靠性有大幅提升作用
發布時間:2020-04-07 責任編輯:lina
【導讀】接(jie)近(jin)感(gan)應(ying)傳(chuan)感(gan)器(qi)在(zai)我(wo)們(men)的(de)生(sheng)活(huo)中(zhong)發(fa)揮(hui)著(zhe)重(zhong)要(yao)的(de)作(zuo)用(yong),在(zai)智(zhi)能(neng)家(jia)居(ju)家(jia)電(dian)中(zhong)廣(guang)泛(fan)存(cun)在(zai),如(ru)自(zi)動(dong)感(gan)應(ying)出(chu)水(shui)的(de)水(shui)龍(long)頭(tou),自(zi)動(dong)感(gan)應(ying)送(song)風(feng)的(de)空(kong)調(tiao),自(zi)動(dong)檢(jian)測(ce)並(bing)避(bi)開(kai)障(zhang)礙(ai)物(wu)的(de)掃(sao)地(di)機(ji)及(ji)自(zi)動(dong)打(da)開(kai)與(yu)關(guan)閉(bi)的(de)走(zou)廊(lang)燈(deng)等(deng)等(deng)。
接近傳感器及現有方案
接(jie)近(jin)感(gan)應(ying)傳(chuan)感(gan)器(qi)在(zai)我(wo)們(men)的(de)生(sheng)活(huo)中(zhong)發(fa)揮(hui)著(zhe)重(zhong)要(yao)的(de)作(zuo)用(yong),在(zai)智(zhi)能(neng)家(jia)居(ju)家(jia)電(dian)中(zhong)廣(guang)泛(fan)存(cun)在(zai),如(ru)自(zi)動(dong)感(gan)應(ying)出(chu)水(shui)的(de)水(shui)龍(long)頭(tou),自(zi)動(dong)感(gan)應(ying)送(song)風(feng)的(de)空(kong)調(tiao),自(zi)動(dong)檢(jian)測(ce)並(bing)避(bi)開(kai)障(zhang)礙(ai)物(wu)的(de)掃(sao)地(di)機(ji)及(ji)自(zi)動(dong)打(da)開(kai)與(yu)關(guan)閉(bi)的(de)走(zou)廊(lang)燈(deng)等(deng)等(deng)。接近感應的主要技術手段目前主要有紅外傳感(包括主動紅外和被動紅外)、超聲波傳感、多普勒微波傳感及紅外光飛行時間(ToF)等。每一種技術手段都有其獨特性及優缺點,下麵我們將展開討論。
主(zhu)動(dong)紅(hong)外(wai)因(yin)其(qi)成(cheng)本(ben)低(di)廉(lian)而(er)應(ying)用(yong)廣(guang)泛(fan),其(qi)主(zhu)要(yao)由(you)一(yi)個(ge)紅(hong)外(wai)發(fa)射(she)管(guan)和(he)一(yi)個(ge)紅(hong)外(wai)接(jie)收(shou)管(guan)組(zu)成(cheng)。紅(hong)外(wai)發(fa)射(she)管(guan)會(hui)發(fa)射(she)一(yi)調(tiao)製(zhi)紅(hong)外(wai)光(guang)信(xin)號(hao),該(gai)信(xin)號(hao)在(zai)遇(yu)到(dao)障(zhang)礙(ai)物(wu)後(hou)被(bei)反(fan)射(she)回(hui)來(lai),接(jie)收(shou)管(guan)通(tong)過(guo)接(jie)收(shou)該(gai)反(fan)射(she)信(xin)號(hao)並(bing)判(pan)斷(duan)反(fan)射(she)信(xin)號(hao)的(de)強(qiang)度(du)(即反射幅值)來(lai)判(pan)斷(duan)障(zhang)礙(ai)物(wu)的(de)遠(yuan)近(jin)。然(ran)而(er),由(you)於(yu)反(fan)射(she)信(xin)號(hao)的(de)強(qiang)度(du)不(bu)僅(jin)和(he)障(zhang)礙(ai)物(wu)距(ju)離(li)有(you)關(guan)係(xi),還(hai)和(he)障(zhang)礙(ai)物(wu)的(de)顏(yan)色(se)有(you)關(guan),因(yin)為(wei)不(bu)同(tong)顏(yan)色(se)的(de)障(zhang)礙(ai)物(wu)有(you)不(bu)同(tong)的(de)反(fan)射(she)率(lv),而(er)且(qie)容(rong)易(yi)受(shou)到(dao)環(huan)境(jing)光(guang)的(de)影(ying)響(xiang),故(gu)其(qi)可(ke)靠(kao)性(xing)比(bi)較(jiao)低(di),無(wu)法(fa)輸(shu)出(chu)一(yi)個(ge)準(zhun)確(que)的(de)距(ju)離(li)信(xin)息(xi),隻(zhi)能(neng)通(tong)過(guo)調(tiao)試(shi)設(she)置(zhi)一(yi)個(ge)粗(cu)略(lve)的(de)觸(chu)發(fa)門(men)限(xian) ,用於要求比較低的場合。
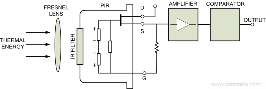
被bei動dong紅hong外wai是shi基ji於yu熱re釋shi電dian效xiao應ying的de一yi類lei傳chuan感gan器qi,由you菲fei涅nie爾er透tou鏡jing和he熱re釋shi電dian傳chuan感gan器qi構gou成cheng,其qi中zhong菲fei涅nie爾er透tou鏡jing主zhu要yao用yong來lai將jiang被bei測ce區qu域yu內nei的de人ren或huo者zhe動dong物wu所suo發fa出chu的de紅hong外wai能neng量liang聚ju焦jiao到dao感gan應ying窗chuang口kou,感gan應ying窗chuang口kou的de濾lv光guang片pian會hui濾lv除chu特te定ding波bo長chang(一般為人體發出的紅外波長)之zhi外wai的de環huan境jing光guang。濾lv光guang片pian下xia麵mian會hui有you兩liang個ge紅hong外wai光guang敏min感gan元yuan,相xiang向xiang串chuan接jie在zai電dian路lu中zhong,在zai空kong閑xian狀zhuang態tai時shi由you於yu接jie收shou到dao相xiang同tong量liang的de環huan境jing紅hong外wai光guang而er相xiang互hu抵di消xiao,故gu沒mei有you輸shu出chu。當dang有you人ren或huo者zhe動dong物wu經jing過guo檢jian測ce區qu域yu時shi,由you於yu熱re釋shi電dian效xiao應ying其qi散san發fa的de紅hong外wai能neng量liang首shou先xian被bei第di一yi個ge敏min感gan元yuan檢jian測ce到dao而er產chan生sheng一yi個ge正zheng向xiang的de小xiao信xin號hao輸shu出chu,繼ji而er又you被bei第di二er個ge敏min感gan元yuan檢jian測ce到dao而er產chan生sheng一yi個ge負fu向xiang的de小xiao信xin號hao輸shu出chu,通tong過guo信xin號hao放fang大da,傳chuan感gan器qi便bian可ke檢jian測ce到dao附fu近jin人ren或huo者zhe動dong物wu的de活huo動dong。基ji於yu以yi上shang原yuan理li,我wo們men不bu難nan看kan出chu,該gai類lei傳chuan感gan器qi可ke以yi感gan應ying檢jian測ce範fan圍wei內nei的de人ren體ti或huo動dong物wu的de移yi動dong,進jin而er產chan生sheng觸chu發fa,靜jing止zhi的de人ren體ti是shi無wu法fa檢jian測ce的de,而er且qie在zai環huan境jing溫wen度du接jie近jin於yu人ren體ti溫wen度du的de夏xia天tian,傳chuan感gan器qi可ke靠kao性xing會hui受shou到dao較jiao大da影ying響xiang。傳chuan感gan器qi無wu法fa感gan知zhi被bei測ce物wu體ti距ju離li傳chuan感gan器qi的de距ju離li有you多duo遠yuan。

圖1 主動紅外

圖2 被動紅外原理

圖3 被動紅外傳感器內部結構
多duo普pu勒le微wei波bo傳chuan感gan器qi,顧gu名ming思si義yi是shi基ji於yu多duo普pu勒le效xiao應ying工gong作zuo的de一yi類lei傳chuan感gan器qi,當dang被bei測ce對dui象xiang相xiang對dui於yu傳chuan感gan器qi運yun動dong時shi,根gen據ju多duo普pu勒le效xiao應ying,傳chuan感gan器qi發fa射she的de電dian磁ci波bo頻pin率lv和he接jie收shou到dao的de由you被bei測ce對dui象xiang反fan射she回hui來lai的de電dian磁ci波bo頻pin率lv不bu同tong,即ji產chan生sheng頻pin移yi,對dui該gai頻pin移yi做zuo信xin號hao調tiao理li便bian可ke產chan生sheng一yi觸chu發fa信xin號hao。該gai類lei低di成cheng本ben傳chuan感gan器qi和he被bei動dong紅hong外wai傳chuan感gan器qi一yi樣yang隻zhi能neng檢jian測ce目mu標biao的de移yi動dong,而er目mu標biao靜jing止zhi時shi無wu法fa檢jian測ce到dao。
chaoshengchuanganqishiliyongchaoshengbozuoweizaitidechuanganqi,guangfanyongyugeleicejujijiejinganyingyingyongzhong,yibanyouyigechaoshengfasheqiheyigechaoshengjieshouqigoucheng,fasheqifasheyigechaoshengbomaichongchuqu,gaimaichongyudaozhangaiwubeifanshehuilaibeijieshouqijieshou,tongguojisuanchaoshengbodefeixingshijianchengyishengbodesudu,biankeyidedaozhangaiwudejuli。changyongdechaoshengchuanganqiketancejiaodubijiaoyouxianqietijijiaoda,tongchangxuyaokaiyinchuang,bushihezaigongzuohuanjingjiaochadehuanjingzhongshiyong。
基(ji)於(yu)光(guang)的(de)飛(fei)行(xing)時(shi)間(jian)傳(chuan)感(gan)器(qi)是(shi)近(jin)年(nian)來(lai)發(fa)展(zhan)起(qi)來(lai)的(de)一(yi)種(zhong)新(xin)型(xing)傳(chuan)感(gan)器(qi),受(shou)到(dao)廣(guang)泛(fan)關(guan)注(zhu),在(zai)很(hen)多(duo)領(ling)域(yu)得(de)到(dao)了(le)應(ying)用(yong),那(na)麼(me)這(zhe)類(lei)傳(chuan)感(gan)器(qi)是(shi)如(ru)何(he)工(gong)作(zuo)的(de)?其(qi)優(you)點(dian)是(shi)什(shen)麼(me)?這(zhe)就(jiu)要(yao)從(cong)它(ta)的(de)工(gong)作(zuo)原(yuan)理(li)說(shuo)起(qi)。
基於光飛行時間(Optical ToF)的接近傳感器基本原理
ToF全稱為Time of Flight, 即(ji)飛(fei)行(xing)時(shi)間(jian),通(tong)常(chang)以(yi)紅(hong)外(wai)光(guang)作(zuo)為(wei)載(zai)體(ti),通(tong)過(guo)給(gei)目(mu)標(biao)連(lian)續(xu)發(fa)送(song)光(guang)脈(mai)衝(chong),然(ran)後(hou)用(yong)傳(chuan)感(gan)器(qi)接(jie)收(shou)從(cong)物(wu)體(ti)返(fan)回(hui)的(de)光(guang),通(tong)過(guo)探(tan)測(ce)這(zhe)些(xie)發(fa)射(she)和(he)接(jie)收(shou)光(guang)脈(mai)衝(chong)的(de)飛(fei)行(xing)(往返)時間來得到目標物距離。光飛行時間的獲取通常有兩種方法,一種是基於光學快門法,一種是基於連續波相位差的方法。
基於光學快門的方法的原理非常簡單,發射一束脈衝光波,通過光學快門快速精確獲取照射到三維物體後反射回來的光波的時間差t,由於光速c已知,隻要知道照射光和接收光的時間差,來回的距離可以通過公示d = t/2· c。 cizhongfangfayuanlikanqilaifeichangjiandan,danshishijiyingyongzhongyaodadaojiaogaodejingdurengjuyouhendadetiaozhan,rukongzhiguangxuekuaimenkaiguandeshizhongyaoqiufeichanggaodejingdu,haiyaonenggouchanshenggaojingdujigaozhongfuxingdechaoduanmaichong,zhaoshedanyuanheTOF傳感器都需要高速信號控製,這樣才能達到高的深度測量精度。 假如照射光與ToF傳感器之間的時鍾信號發生10ps的偏移,就相當於1.5mm的位移誤差。
實際應用更多的是相位偏移法。如圖4所示,基於ToF技術的接近與距離傳感器典型框圖主要有兩部分構成,紅外光發射器和返回光接收器。發射器發射一連續高頻調製光信號(如10MHz),該調製光遇到障礙物後被反射,少部分反射光被接收器接收。比較發射光信號與接收光信號如圖5所示,其相位差隨著距離的變化而變化,距離越大相位差越大,通過處理電路提取相位差並通過計算便可得出障礙物的距離信息。

圖4 單點ToF傳感器框圖

圖5 發射光信號與返回光信號相位差
基於相位偏移法ToF技術的寬視角接近傳感器
基於相位偏移法的ToF技ji術shu易yi於yu半ban導dao體ti技ji術shu集ji成cheng與yu實shi現xian,可ke以yi使shi得de接jie近jin傳chuan感gan器qi性xing能neng上shang大da幅fu提ti升sheng的de同tong時shi兼jian具ju很hen高gao的de性xing價jia比bi。實shi際ji應ying用yong中zhong往wang往wang需xu要yao傳chuan感gan器qi具ju有you寬kuan視shi角jiao,能neng夠gou檢jian測ce整zheng個ge視shi角jiao範fan圍wei內nei的de障zhang礙ai物wu的de距ju離li信xin息xi。
OPT3101 是高速、高精度的單點 ToF 的模擬前端 AFE(算法基於連續調製波),用來接近感應和目標物 體的距離探測。如圖6所示,芯片集成了完整的深度/距離處理單元--包含 ADC、時序發生器和數字處理 引擎,以及發射光二極管驅動電路(最大 155mA)。所以係統隻需要連接外部的光源發射調製光信號,和 外部的光電二極管 Photodiode 接收發射光到芯片輸入端。同時由於集成較高的環境光抑製能力,芯片能夠 工作在較強的環境光條件下(如 130Klux),甚至 1000 倍於信號強度(如 200uA 環境光 vs 200nA 的信號 強度)。芯片輸出數據中包含 16bit 的 Phase(景深/距離)數據、15bit 的接收反射光 Amplitude 強度數據 和 9bit 的環境光強度數據,通過 I2C 接口(Slave)輸出。芯片另一個 I2C 接口(Master)是接外部溫度 傳感器(若需要,芯片本身已有集成了溫度傳感器),用來做溫度校正功能。

圖6 OPT3101內部結構圖
圖7所示為設計原理框圖,由於OPT3101的高集成度,傳感器的外圍器件非常簡單,主要由三個紅外發射管和一個紅外接收管組成。MCU負責對OPT3101的內部寄存器進行配置及數據讀取。設計可實現對120度可視角範圍內的障礙物距離檢測,其中,每個紅外發射管負責40度範圍,三個共計實現120度,如圖8所示,紅外接收管的可視角大於120度並且中心頻率與發射管一致。

圖7

圖8
該傳感器具有以下優點:
1、具有精確距離輸出的接近傳感器
直接距離輸出,無需占用MCU計算資源
觸發門限隨意設定
不受物體是否移動影響
體積小巧靈活
2、120度寬視角
整個視角分為3個區域,由三顆發射燈分別覆蓋
可識別物體處於哪個區域
3、不受物體顏色及反射率影響
高動態範圍(HDR)
更高可靠性
4、更好的環境適應性
日光免疫,可在日光下可靠工作
黑暗環境下不受任何影響
(來源:E2E™ 中文支持論壇,作者:Richard Wang)
免責聲明:本文為轉載文章,轉載此文目的在於傳遞更多信息,版權歸原作者所有。本文所用視頻、圖片、文字如涉及作品版權問題,請聯係小編進行處理。
特別推薦
- 噪聲中提取真值!瑞盟科技推出MSA2240電流檢測芯片賦能多元高端測量場景
- 10MHz高頻運行!氮矽科技發布集成驅動GaN芯片,助力電源能效再攀新高
- 失真度僅0.002%!力芯微推出超低內阻、超低失真4PST模擬開關
- 一“芯”雙電!聖邦微電子發布雙輸出電源芯片,簡化AFE與音頻設計
- 一機適配萬端:金升陽推出1200W可編程電源,賦能高端裝備製造
技術文章更多>>
- 貿澤EIT係列新一期,探索AI如何重塑日常科技與用戶體驗
- 算力爆發遇上電源革新,大聯大世平集團攜手晶豐明源線上研討會解鎖應用落地
- 創新不止,創芯不已:第六屆ICDIA創芯展8月南京盛大啟幕!
- AI時代,為什麼存儲基礎設施的可靠性決定數據中心的經濟效益
- 矽典微ONELAB開發係列:為毫米波算法開發者打造的全棧工具鏈
技術白皮書下載更多>>
- 車規與基於V2X的車輛協同主動避撞技術展望
- 數字隔離助力新能源汽車安全隔離的新挑戰
- 汽車模塊拋負載的解決方案
- 車用連接器的安全創新應用
- Melexis Actuators Business Unit
- Position / Current Sensors - Triaxis Hall
熱門搜索
Future
GFIVE
GPS
GPU
Harting
HDMI
HDMI連接器
HD監控
HID燈
I/O處理器
IC
IC插座
IDT
IGBT
in-cell
Intersil
IP監控
iWatt
Keithley
Kemet
Knowles
Lattice
LCD
LCD模組
LCR測試儀
lc振蕩器
Lecroy
LED
LED保護元件
LED背光





