可降低多頻手機功耗的射頻-微機電係統
發布時間:2009-01-16 來源:愛普科斯集團
中心議題:
- 頻段和功能的增加需要手機天線體積更緊湊,同時最大程度的降低功耗
- 手機天線存在失調問題會增大係統的功耗
- 可調匹配網絡使射頻前端適應天線的阻抗變化從而消除由此帶來的功耗損失
- 射頻-微機電係統與普通的變容二極管相比是構成可調匹配網絡的更好選擇
解決方案:
- 當天線的阻抗發生變化時,可通過改變變容二極管的電容量強製阻抗匹配發生變化
- 目前使用的變容二極管基於四種不同的技術,射頻-微機電係統是其中之一
- 射頻-微機電係統在線性和電能穩定性方麵具有優勢,調諧範圍更大,幾乎可以用於各種場合
越yue來lai越yue多duo的de新xin型xing手shou機ji將jiang集ji成cheng更geng多duo的de頻pin帶dai和he操cao作zuo模mo式shi,同tong時shi最zui大da程cheng度du地di降jiang低di電dian能neng消xiao耗hao。這zhe是shi保bao證zheng手shou機ji能neng夠gou滿man足zu所suo有you移yi動dong通tong信xin標biao準zhun的de重zhong要yao方fang式shi。舉ju例li來lai說shuo,截jie至zhi2008年年中,W-CDMA係統使用的頻帶有11個,其中5個頻帶也被GSM使用(表1)。

表1:當前手機的使用頻帶
表中所列頻帶分別在歐洲、yazhouhemeiguodebutongdiqubeishiyong。shoujijiangzhexiepindaizuhejiuduiyingdekeyizaixiangyingdediqubeishiyong。ranerjiangzhexiepinduanhecaozuomoshizuhexuyaofuzadeshepinqianduan,yinweimeigepindaidouxuyaoshiyongteshudeyingjian。zheyiweizheyuanjiandeshuliangyijiduidianlubankongjiandeyaoqiuzengjiale,shepinqianduandegonglvsunhaoyezengjiale。tongshi,shoujijichengleyuelaiyueduodegongneng,ruzhaoxiangji、MP3播放器、收音機和電視調諧器。由於手機的體積越來越小,話機中的天線也必須更緊湊。
天線失調
muqian,shoujizhongyongdezuiduodeshizuoweixiezhendianludepingmiantianxian。qiquedianshiqijinchangduiwaibuxiaoyingrudianhuayonghudeyingxiangguodumingan。zhehuijidadigaibiantianxiandianzuzhi,duifasonghejieshouzhilianghuichanshengqiangliedeyingxiang。dianhuadegezhongtese,rufangaihuohuagaishouji、活動鍵盤和顯示屏,使天線的性能更加複雜,因為各種共地負載也會影響其電阻值。
比bi如ru用yong戶hu將jiang手shou放fang在zai天tian線xian的de發fa射she區qu域yu,將jiang會hui降jiang低di其qi共gong振zhen頻pin率lv,並bing因yin此ci使shi天tian線xian失shi調tiao。因yin此ci,目mu前qian開kai發fa的de先xian進jin的de天tian線xian,即ji使shi在zai最zui惡e劣lie的de條tiao件jian下xia,其qi輸shu入ru電dian阻zu也ye不bu會hui超chao過guo3.5:1的電壓駐波比(VSWR)。這相當於約1.6 dB的損耗或天線反射功率的30%。如果考慮到大量的雙工器和相應的開關,電能會在整個前端(包括天線)區域耗散,因此將大大縮短電池的待機時間。
固定和可調匹配網絡
gudingpipeiwangluozhiqianyongzaishepinqianduanhetianxianzhijian,zhipipeijingquedingyidetianxiandianzu,xianzaiyeyongyubuchangtianxiandianzudexiaofubianhua。lingwai,gudingpipeibunengbuchangdadedianzubianhua,liru,tianxiandianzudeyougongdianzudebianhuaxishudadao4或電抗從3增加至50Ω。可(ke)調(tiao)匹(pi)配(pei)網(wang)絡(luo)是(shi)這(zhe)一(yi)問(wen)題(ti)的(de)解(jie)決(jue)方(fang)案(an)之(zhi)一(yi),這(zhe)類(lei)網(wang)絡(luo)具(ju)有(you)電(dian)阻(zu)可(ke)調(tiao)的(de)優(you)勢(shi)。另(ling)外(wai),如(ru)果(guo)使(shi)用(yong)了(le)反(fan)饋(kui)控(kong)製(zhi)器(qi),整(zheng)個(ge)係(xi)統(tong)能(neng)夠(gou)對(dui)天(tian)線(xian)的(de)所(suo)有(you)電(dian)阻(zu)變(bian)化(hua)起(qi)適(shi)應(ying)性(xing)反(fan)應(ying)。這(zhe)種(zhong)適(shi)應(ying)性(xing)調(tiao)諧(xie)裝(zhuang)置(zhi)由(you)4個功能單元組成(圖1)。

圖1:適應性匹配網絡的功能單元(圖中文字:適應性匹配網絡能夠連續校正天線電阻)
功能原理:探測器首先測量傳輸的射頻信號。此結果通過一種算法實時計算天線的適應性匹配電路是否需要變化和需要哪些變化,並將信息傳送至DC/DC轉換器。該驅動器確定執行器(變容二極管)所需的電壓,並通過改變變容二極管的電容量強製阻抗匹配發生變化。該過程不斷重複直至達到需要的阻抗,如50Ω。該過程所需的四個功能單元都可以集成在一個射頻模塊中。
目前使用的變容二極管基於四種不同的技術:BST(鈦酸鍶鋇)、CMOS、半導體變容二極管和射頻-微機電係統。
射頻-微機電係統技術的優勢
射頻-weijidianxitongyuputongdebianrongerjiguanjishuxiangbiyouxuduoyoushi,youqishizaixianxinghediannengwendingxingfangmian,yijigengdadetiaoxiefanwei,shigaijishujihukeyiyongyugezhongchanghe。
愛普科斯使用靜電可變電容性射頻-微機電係統開關(圖3)。使用直流電壓可在“開”和“關”之間切換移動板(頂電極)的(de)狀(zhuang)態(tai)。在(zai)關(guan)閉(bi)狀(zhuang)態(tai)下(xia),頂(ding)電(dian)極(ji)與(yu)電(dian)介(jie)質(zhi)層(ceng)接(jie)觸(chu)和(he)底(di)電(dian)極(ji)產(chan)生(sheng)數(shu)皮(pi)法(fa)的(de)電(dian)容(rong)。相(xiang)反(fan),在(zai)開(kai)啟(qi)狀(zhuang)態(tai)下(xia),電(dian)容(rong)量(liang)極(ji)低(di),僅(jin)千(qian)分(fen)之(zhi)幾(ji)皮(pi)法(fa)。因(yin)此(ci),射(she)頻(pin)-微機電係統開關在“高電容”和“低電容”之間切換。這兩種狀態之間的關係稱為開關比。

圖2:射頻-微機電係統的工作模式(圖中文字:頂電極和底電極之間的距離可臨時設置,從而改變電容值及阻抗值)
單個電容性射頻-微機電係統開關在1 GHz的條件下品質因數Q為250(圖3)。該值明顯超過其它技術的結果3至5倍。

圖3:射頻-微機電係統的Q曲線(圖中文字:射頻-微機電係統得品質因數Q為250,超過其它技術3至5倍)
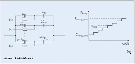
為實現可開關電容陣列,需要將幾個開關並聯(見圖4)。通常,開關過程采用二進製編碼。使用5個開關可允許32個電容值。憑借單個微機電係統元件的大開關比,可取得大的調諧比。

圖4:射頻-微機電係統陣列的原理(圖中文字:所需電容由二進製編碼並聯電路設置)
總體調諧比約為10:1。使用BST或基於半導體的變容二極管(例如使用具有超陡峭摻雜剖麵的元件)無法獲得如此高的數值。
首個原型成功通過測試
一個試樣用來檢查天線適應性匹配電路的功能(圖5)。它由如圖2所示、集成在單個模塊中的功能單元組成。

圖5:射頻-微機電係統試樣(圖中文字:完整的適應性匹配網絡在單個模塊中實現)
一個簡單的串聯LC匹配網絡補償天線阻抗虛部的變化。二進製的5位射頻-weijidianxitongzhenliezuociyongtu。gaoyaqudongqishengchengweijidianxitongpianzhidianya,ershixiexinxiyoupipeishuruzukangdexiangweichansheng。fankuihuilushipipeishuruzukangdadaosuoxushuzhi。rulisuoshi,kongzhisuanfazetongguoyingjianzhixing:可將算法編入微控製器以增加靈活性。
圖6顯示的是由用戶引起的平麵反向F天線(PIFA)的變化。

圖6:天線的阻抗變化(圖中文字:各種用戶動作產生與理想值不同的各種天線阻抗值)
選擇適當的天線可允許隻改變輸入阻抗的虛部(無功)分量,從而使實部(電阻性)分量保持近似不變。與用戶的相互作用使天線的電感性更強,從而改變共振頻率。調諧比約為10:1的串聯電容性射頻-微機電係統陣列能夠補償這一強烈的電感響應,因此可以修正天線阻抗。
圖7顯示的是修正的天線阻抗(藍色)。不使用適應性天線匹配,阻抗將會具有極強的電感性(紅色)。在此圖中,不匹配天線的阻抗在50 Ω至50 * (1+j) Ω之間變化,相應的VSWR分別為1:1或2.6:1。如果是後者,20%的能量已被反射或轉化為熱量。此功率消耗會極大地縮短電池的使用壽命。

圖7:與射頻-微機電係統的阻抗匹配(圖中文字:使用可調匹配網絡可使天線阻抗保持在理想範圍內。(藍色線))
使用適應性天線匹配單元可將VSWR值補償至約1.2:1,相應的反射能量約為1%。
表2總結了測量的性能。目前適應性調諧電路的總能量消耗約為4.4 mW,但是將來可降低到低於1 mW。

表2:射頻-微機電係統模塊的性能
下(xia)一(yi)步(bu)是(shi)設(she)計(ji)用(yong)於(yu)未(wei)來(lai)天(tian)線(xian)匹(pi)配(pei)模(mo)塊(kuai)的(de)平(ping)台(tai)。第(di)一(yi)個(ge)版(ban)本(ben)將(jiang)由(you)微(wei)控(kong)製(zhi)器(qi)控(kong)製(zhi),從(cong)而(er)保(bao)證(zheng)適(shi)應(ying)性(xing)天(tian)線(xian)匹(pi)配(pei)模(mo)塊(kuai)在(zai)標(biao)準(zhun)手(shou)機(ji)內(nei)獨(du)立(li)運(yun)行(xing)。調(tiao)諧(xie)網(wang)絡(luo)將(jiang)會(hui)更(geng)加(jia)複(fu)雜(za),從(cong)而(er)獲(huo)得(de)更(geng)大(da)的(de)調(tiao)諧(xie)區(qu)域(yu),並(bing)允(yun)許(xu)更(geng)多(duo)不(bu)同(tong)類(lei)型(xing)的(de)天(tian)線(xian)運(yun)行(xing)。功(gong)率(lv)消(xiao)耗(hao)和(he)空(kong)間(jian)要(yao)求(qiu)也(ye)會(hui)降(jiang)到(dao)最(zui)低(di)。
- 噪聲中提取真值!瑞盟科技推出MSA2240電流檢測芯片賦能多元高端測量場景
- 10MHz高頻運行!氮矽科技發布集成驅動GaN芯片,助力電源能效再攀新高
- 失真度僅0.002%!力芯微推出超低內阻、超低失真4PST模擬開關
- 一“芯”雙電!聖邦微電子發布雙輸出電源芯片,簡化AFE與音頻設計
- 一機適配萬端:金升陽推出1200W可編程電源,賦能高端裝備製造
- 邊緣AI的發展為更智能、更可持續的技術鋪平道路
- IAR作為Qt Group獨立BU攜兩項重磅汽車電子應用開發方案首秀北京車展
- 數字化的線性穩壓器
- 安森美:用全光譜“智慧之眼”定義下一代工業機器人
- 貿澤EIT係列新一期,探索AI如何重塑日常科技與用戶體驗
- 車規與基於V2X的車輛協同主動避撞技術展望
- 數字隔離助力新能源汽車安全隔離的新挑戰
- 汽車模塊拋負載的解決方案
- 車用連接器的安全創新應用
- Melexis Actuators Business Unit
- Position / Current Sensors - Triaxis Hall


