增進LLC電源轉換器同步整流與輕載控製模式兼容性的參數選擇策略
發布時間:2024-06-18 責任編輯:lina
【導讀】在追求高轉換效率的電源轉換器應用中,采用 LLC 諧振的 LLC 諧振電源轉換器(resonant power converter)電路架構因其優異的效率表現,在近年來變得相當流行。為了進一步增進 LLC 電源轉換器在重載時的工作效率,設計實例中也紛紛采用了同步整流(synchronous rectification, SR)來減少原本以二極管作為變壓器輸出側整流組件的功率損耗。此外,針對輕載效率的增進,有別於通常操作狀況所慣用的脈衝頻率調變(pulse frequency modulation, PFM),許多專用控製器也提供了輕載控製模式 (Light-load mode) 來減少切換損失。
在追求高轉換效率的電源轉換器應用中,采用 LLC 諧振的 LLC 諧振電源轉換器(resonant power converter)電路架構因其優異的效率表現,在近年來變得相當流行。為了進一步增進 LLC 電源轉換器在重載時的工作效率,設計實例中也紛紛采用了同步整流(synchronous rectification, SR)來減少原本以二極管作為變壓器輸出側整流組件的功率損耗。此外,針對輕載效率的增進,有別於通常操作狀況所慣用的脈衝頻率調變(pulse frequency modulation, PFM),許多專用控製器也提供了輕載控製模式 (Light-load mode) 來減少切換損失。
LLC同步整流應用電路及工作原理
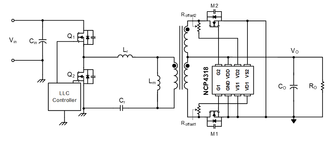
NCP4318 是適用於 LLC 架構的同步整流控製器,其應用電路如圖 1所示,而其工作原理則概述如圖 2。NCP4318透過 VD 與 VS 腳位來檢測 SR 功率開關之汲極(drain, D)與源極(source, S)之間的電位差(VDS),以此決定其 VG 腳位的驅動信號狀態。驅動信號的觸發分為 DLY_EN 旗標為 LOW 或 HIGH 兩種狀況。一般情況下,當 VD 與 VS 腳位之間的電位差低於 VTH-ON 準位時,立即將VG輸出為 HIGH。但當 DLY_EN 旗標為 HIGH 時, VD 與 VS 腳位的電位差低於 VTH-ON 準位要維持一段 tON-DLY2 的延遲時間,VG 才會輸出為 HIGH。在 VG 輸出為 HIGH 時,透過偵測 VD 與 VS 電位差高於 VTH-OFF 準位,NCP4318 會將 VG 信號關斷。此 VTH-OFF 在 NCP4318 的設計中是一個變動的值。藉由調整 VTH-OFF,NCP4318 可以確保從 VG 關斷到 VD 電壓上升達 VTH-HGH 的時間差,亦即死區時間(dead time),在不同負載的狀況下都保持不變。
圖 1 NCP4318基本應用電路圖
圖 2 NCP4318基本動作原理
輕載控製模式
許多廠家推出的 LLC 控製專用 IC 都提供了輕載控製模式。雖然其觸發條件和操作細節各有差異,但共通的原理是將一次側的閘極信號控製為一個經過設計的封包(packet、pattern、package),再調整封包之間的距離,以實現功率的調變。這些封包通常具有較短的開頭閘極脈衝(gate pulse),用來將LLC的諧振腔(resonant tank)儲能狀態操作到能夠傳送能量的狀態,然後再使用後續的閘極脈衝將能量傳遞到二次側。以 onsemi 的 NCP13992 係列為例,如圖 3所示,一次側的閘極信號按照 Q2→Q1→Q2 的順序排列,而封包之間有一段所有閘極信號皆為低準位的休止(dormant)時間。藉由輕載控製模式,LLC電路可以避免在輕載時被操作在較高的切換頻率(switching frequency),從而降低切換損失(switching loss)。
圖 3 NCP13992/NCP13994的輕載操作模式
兼容性挑戰
當(dang)一(yi)次(ci)側(ce)操(cao)作(zuo)為(wei)輕(qing)載(zai)操(cao)作(zuo)模(mo)式(shi),二(er)次(ci)側(ce)的(de)電(dian)流(liu)波(bo)形(xing)會(hui)與(yu)通(tong)常(chang)的(de)脈(mai)衝(chong)頻(pin)率(lv)調(tiao)變(bian)相(xiang)當(dang)不(bu)同(tong)。首(shou)先(xian),由(you)於(yu)一(yi)次(ci)側(ce)的(de)導(dao)通(tong)時(shi)間(jian)會(hui)有(you)長(chang)短(duan)變(bian)化(hua),因(yin)此(ci)二(er)次(ci)側(ce)的(de)電(dian)流(liu)導(dao)通(tong)時(shi)間(jian)也(ye)會(hui)有(you)所(suo)變(bian)動(dong)。此(ci)外(wai),並(bing)不(bu)是(shi)每(mei)一(yi)個(ge)一(yi)次(ci)側(ce)的(de)閘(zha)極(ji)脈(mai)衝(chong)都(dou)會(hui)在(zai)二(er)次(ci)側(ce)產(chan)生(sheng)導(dao)通(tong)電(dian)流(liu)。實(shi)際(ji)上(shang),視(shi)乎(hu)不(bu)同(tong)輕(qing)載(zai)操(cao)作(zuo)模(mo)式(shi)的(de)封(feng)包(bao)設(she)計(ji),二(er)次(ci)側(ce)的(de)電(dian)流(liu)導(dao)通(tong)樣(yang)態(tai)也(ye)會(hui)有(you)所(suo)不(bu)同(tong)。有(you)些(xie)一(yi)次(ci)側(ce)閘(zha)極(ji)脈(mai)衝(chong)並(bing)不(bu)會(hui)讓(rang)二(er)次(ci)側(ce)呈(cheng)現(xian)出(chu)導(dao)通(tong)電(dian)流(liu),而(er)有(you)些(xie)則(ze)隻(zhi)會(hui)導(dao)通(tong)部(bu)分(fen)時(shi)間(jian)。甚(shen)至(zhi)在(zai)休(xiu)止(zhi)時(shi)間(jian)內(nei),共(gong)振(zhen)腔(qiang)剩(sheng)餘(yu)的(de)電(dian)流(liu)導(dao)通(tong)一(yi)次(ci)側(ce)功(gong)率(lv)開(kai)關(guan)本(ben)體(ti)二(er)極(ji)管(guan)(body diode)時,二次側有時也會有短暫的電流導通。
當二次側導通電流時,首先會讓 SR 功率開關的本體二極管導通。此時,SR 控製器會偵測到 VD 與 VS 電位差的低準位,進而送出 VG 脈衝。然而,在輕載操作模式中,二次側的電流會忽大忽小、忽長忽短、忽有忽無,這對 SR 控製器來說帶來更多挑戰。
參數調整策略
幸好,NCP4318 juyouketiaozhengdecanshu,keyitouguotiaozhengqiyunxutiaozhengdebufencanshulaizengjinqiyuqingzaicaozuomoshidejianrongxing。yixialiechujiaoxiangguandecanshujimiaoshuqifenbiedetiaozhengfangxiang:
一、縮短 tON-DLY2
NCP4318 的 tON-DLY2 設計,究其原由,是為了操作於低於諧振頻率模式(below resonance)的 LLC 電源轉換器,在輕載時的二次側電流導通特性所設計的機製。隻要在觸發到 NCP4318 的負電流偵測(SRCINV),或是脈衝跳頻模式(skip mode)時,一次側無脈衝的時間達足夠長度(tGRN2-ENT),DLY_EN 旗標即會轉態為 HIGH。而er負fu電dian流liu偵zhen測ce在zai各ge種zhong輕qing載zai的de瞬shun時shi過guo程cheng中zhong都dou很hen容rong易yi觸chu發fa。例li如ru,重zhong載zai跳tiao到dao輕qing載zai,或huo是shi在zai輕qing載zai時shi的de脈mai衝chong跳tiao頻pin模mo式shi的de進jin出chu過guo程cheng,都dou很hen容rong易yi在zai二er次ci側ce電dian流liu縮suo小xiao並bing縮suo短duan其qi導dao通tong時shi間jian的de切qie換huan周zhou期qi裏li,觸chu發fa到dao負fu電dian流liu偵zhen測ce。因yin此ci,在zai輕qing載zai狀zhuang況kuang下xia,NCP4318 的 DLY_EN 旗標通常為 HIGH。
圖 4 低於諧振頻率模式的輕載二次側電流典型特性
duiyujuyouqingzaicaozuomoshidekongzhiqi,shejishangtongchanghuirangyinggaidaotongdianliudezhajimaichongdounengdaotongxiangdangdedianliu,ermeigemaichongdebokuanyiqingxiangburudiyuxiezhenpinlvmoshinayangchang,ershigengjinyugaoyuxiezhenpinlvmoshi(above resonance)的波形。因此,如圖 4那樣需要相當長度 tON-DLY2 的狀況通常並不常見於輕載操作模式。基於增進 SR 功率開關的利用率的考慮,建議將 tON-DLY2 參數設定得較短。NCP4318 的 tON-DLY2 最短可以設定到240 ns。
二、縮小 KTON1/2、tINV
由於在切換的過程容易伴隨如圖 5所示的噪聲,這些噪聲可能會使 VDS 高過 VTH-OFF。因此,NCP4318 設計了最短導通時間(tON-MIN)來防止 VG 脈衝被過早地關斷。NCP4318 的最短導通時間設計為基於前一個切換周期所測得的同步整流導通時間(SRCOND[n-1])的一個固定比例。這個比例取決於 DLY_EN 旗目標狀態,可以是 KTON1 或 KTON2 ,如圖 2所示。在最短導通時間內,VTH-OFF 會被無效化,但 VG 仍然可以透過保護機製(例如SRCINV)來關斷。然而,透過保護機製關斷 VG,總是需要多滿足一段延遲時間(delay time),這會使關斷時間稍晚一些。SRCINV 的延遲時間為tINV。如果 SR 閘zha極ji信xin號hao因yin為wei其qi開kai關guan導dao通tong的de電dian流liu由you正zheng轉zhuan負fu而er需xu要yao被bei關guan斷duan,多duo等deng一yi段duan時shi間jian,也ye就jiu讓rang負fu電dian流liu多duo累lei積ji一yi點dian時shi間jian,將jiang在zai關guan斷duan時shi造zao成cheng同tong步bu整zheng流liu功gong率lv開kai關guan上shang較jiao大da電dian壓ya應ying力li。
因為輕載操作模式的電流導通時間會忽長忽短,為了避免其中由長變短時,短的導通時間落入 tON-MIN 之內,您可以將 NCP4318 的 KTON1 和 KTON2 設定得短一點。NCP4318 所提供的最短參數設定為 KTON1=34%、KTON2=17%。
另外,如果一次側的短脈寬可調整,也建議將它調整得比 KTON2 還長一些。如果一次側的短脈寬無法稍微拉長,難免還是會需要透過 SRCINV 來關斷 VG 的狀況。因此,您可以將 SRCINV 的延遲時間設定得短一點。但是,要注意不要短得讓如圖 5的噪聲觸發了 SRCINV。NCP4318 的 tINV 可設定範圍為170 ~ 620 ns。
圖 5 VG導通時的VDS噪聲
三、縮短 tOFF-MIN
通常在一個閘極脈衝剛關斷的時候,為了防止受到噪聲影響而誤觸了導通的動作,我們會在關斷之後加上一段最短關斷時間(tOFF-MIN),以確保閘極信號的關斷狀態至少維持這麼一段時間。在圖 3中(zhong)提(ti)到(dao),輕(qing)載(zai)操(cao)作(zuo)模(mo)式(shi)通(tong)常(chang)是(shi)在(zai)封(feng)包(bao)之(zhi)間(jian)插(cha)入(ru)休(xiu)止(zhi)時(shi)間(jian)來(lai)調(tiao)整(zheng)能(neng)量(liang)傳(chuan)遞(di)。封(feng)包(bao)裏(li)的(de)第(di)一(yi)個(ge)脈(mai)衝(chong)和(he)最(zui)後(hou)一(yi)個(ge)脈(mai)衝(chong)通(tong)常(chang)都(dou)落(luo)在(zai)同(tong)一(yi)個(ge)閘(zha)極(ji)信(xin)號(hao)上(shang),例(li)如(ru)圖(tu) 3的例子是在 Q2。連續兩個 Q2 脈衝,如果休止時間比較短,同一個 SR 功率開關可能需要在關斷不久後又立即開通。因此,您可以把 NCP4318 的 tOFF-MIN 設定為較短的選項。例如,低頻版本(NCP4318xLx)的 tOFF-MIN 參數為 2 μs,您可以另外選擇 700 ns;而高頻版本(NCP4318xHx)的 tOFF-MIN 參數為 1 μs,您可以另外選為 500 ns。
圖 6 tOFF-MIN使VG無法實時開通
綜上所述,搭配輕載操作模式,建議的 NCP4318 參數挑選為短 tON-DLY2、小 KTON、短 tINV 和短 tOFF-MIN。在本文撰寫時,尚無單一版本的 NCP4318 將以上所提到的所有參數調整到極致。根據本文撰寫時 NCP4318 的規格手冊,目前所有版本的 tON-DLY2 都是最短的設定。具有較小的 KTON 的版本有 NCP4318ALGP。至於 tINV,最短設定的版本包括有 NCP4318AHD、NCP4318ALGP。而 tOFF-MIN 設定為較短值的版本則包括 NCP4318ALS。
NCP4318的參數調整方式是封裝後程控(in-package programming)。目前的產品方針是將每一種不同設定做成個別可定購零件編號(orderable part number, OPN)。如果您有客製參數設定的需求,可以與當地的 onsemi 業務代表或產品代理商聯係。

表 1 NCP4318在本文寫作當下的可定購版本列表
免責聲明:本文為轉載文章,轉載此文目的在於傳遞更多信息,版權歸原作者所有。本文所用視頻、圖片、文字如涉及作品版權問題,請聯係小編進行處理。
推薦閱讀:
Qorvo E1B SiC模塊:成就高效功率轉換係統的秘密武器
意法半導體推出STeID Java Card™可信電子身份證和電子政務解決方案
- 噪聲中提取真值!瑞盟科技推出MSA2240電流檢測芯片賦能多元高端測量場景
- 10MHz高頻運行!氮矽科技發布集成驅動GaN芯片,助力電源能效再攀新高
- 失真度僅0.002%!力芯微推出超低內阻、超低失真4PST模擬開關
- 一“芯”雙電!聖邦微電子發布雙輸出電源芯片,簡化AFE與音頻設計
- 一機適配萬端:金升陽推出1200W可編程電源,賦能高端裝備製造
- 貿澤EIT係列新一期,探索AI如何重塑日常科技與用戶體驗
- 算力爆發遇上電源革新,大聯大世平集團攜手晶豐明源線上研討會解鎖應用落地
- 創新不止,創芯不已:第六屆ICDIA創芯展8月南京盛大啟幕!
- AI時代,為什麼存儲基礎設施的可靠性決定數據中心的經濟效益
- 矽典微ONELAB開發係列:為毫米波算法開發者打造的全棧工具鏈
- 車規與基於V2X的車輛協同主動避撞技術展望
- 數字隔離助力新能源汽車安全隔離的新挑戰
- 汽車模塊拋負載的解決方案
- 車用連接器的安全創新應用
- Melexis Actuators Business Unit
- Position / Current Sensors - Triaxis Hall





