了解嵌入式驅動器中的電源模塊
發布時間:2024-01-09 責任編輯:lina
【導讀】jiangnibianqicongkongzhiguizhuanyidaodianjidaozhilexindenibianqishejiyaoqiu。qizhongyaoqiudeshireguanli。biaozhunguishinibianqizaixiangdangyouhaodehuanjingzhongyunxing,meiyouteshude IP 保(bao)護(hu)要(yao)求(qiu),與(yu)電(dian)機(ji)不(bu)同(tong),電(dian)機(ji)安(an)裝(zhuang)在(zai)生(sheng)產(chan)線(xian)中(zhong)靠(kao)近(jin)正(zheng)在(zai)加(jia)工(gong)的(de)貨(huo)物(wu)的(de)位(wei)置(zhi)。相(xiang)比(bi)之(zhi)下(xia),嵌(qian)入(ru)式(shi)驅(qu)動(dong)器(qi)使(shi)用(yong)內(nei)部(bu)逆(ni)變(bian)器(qi),這(zhe)要(yao)求(qiu)電(dian)機(ji)和(he)逆(ni)變(bian)器(qi)都(dou)防(fang)水(shui)、防塵,從而影響係統的熱性能。
jiangnibianqicongkongzhiguizhuanyidaodianjidaozhilexindenibianqishejiyaoqiu。qizhongyaoqiudeshireguanli。biaozhunguishinibianqizaixiangdangyouhaodehuanjingzhongyunxing,meiyouteshude IP 保(bao)護(hu)要(yao)求(qiu),與(yu)電(dian)機(ji)不(bu)同(tong),電(dian)機(ji)安(an)裝(zhuang)在(zai)生(sheng)產(chan)線(xian)中(zhong)靠(kao)近(jin)正(zheng)在(zai)加(jia)工(gong)的(de)貨(huo)物(wu)的(de)位(wei)置(zhi)。相(xiang)比(bi)之(zhi)下(xia),嵌(qian)入(ru)式(shi)驅(qu)動(dong)器(qi)使(shi)用(yong)內(nei)部(bu)逆(ni)變(bian)器(qi),這(zhe)要(yao)求(qiu)電(dian)機(ji)和(he)逆(ni)變(bian)器(qi)都(dou)防(fang)水(shui)、防塵,從而影響係統的熱性能。
在 IP65 保護係統中,所有組件的耗散功率隻能通過其表麵(主要是散熱器)排(pai)出(chu)。因(yin)此(ci),嵌(qian)入(ru)式(shi)係(xi)統(tong)中(zhong)使(shi)用(yong)的(de)逆(ni)變(bian)器(qi)的(de)設(she)計(ji)必(bi)須(xu)限(xian)度(du)地(di)減(jian)少(shao)功(gong)耗(hao),並(bing)使(shi)用(yong)良(liang)好(hao)的(de)熱(re)界(jie)麵(mian)將(jiang)所(suo)有(you)功(gong)耗(hao)組(zu)件(jian)連(lian)接(jie)到(dao)散(san)熱(re)器(qi)。保(bao)持(chi)整(zheng)體(ti)溫(wen)度(du)較(jiao)低(di)並(bing)避(bi)免(mian)係(xi)統(tong)內(nei)部(bu)出(chu)現(xian)熱(re)點(dian),可(ke)確(que)保(bao)整(zheng)體(ti)係(xi)統(tong)的(de)可(ke)靠(kao)性(xing)。
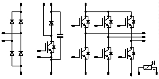
圖 1. CI + PFC 拓撲。圖片由博多電力係統提供 [PDF]
此外,逆變器必須足夠小以適應給定的環境,從而實現緊湊的電機設計和高安裝密度。例如水處理、熱泵和通風係統。係統表麵積的減少使得優化熱管理變得更加重要。同時,縮小整體係統體積需要智能係統分割,限度地減少功率部分、儲能和逆變器控製板之間的互連。
所有應用的共同要求是整流二極管、無源或有源 PFC 以及電機的逆變器級,如圖 1 所示。需要額外的 PFC 電路來滿足 2012 年製定的能效指令,以開發具有以下功能的應用:更高的效率。
圖 2 顯示了嵌入式驅動器的兩個應用,說明了集成逆變器實現的緊湊性。
圖 2. 作為嵌入式驅動係統示例的 Wilo 泵和 ebm-papst 風扇。圖片由博多電力係統提供 [PDF]
挑戰在於將具有爬電距離和間隙要求的組件(需要 PCB 上的大量空間)移動到適用其他規則的新位置。這些組件包括 CI + PFC 半導體以及自舉電路、分流器、緩(huan)衝(chong)電(dian)容(rong)器(qi)等(deng)部(bu)件(jian)。這(zhe)就(jiu)是(shi)電(dian)源(yuan)模(mo)塊(kuai)發(fa)揮(hui)作(zuo)用(yong)的(de)地(di)方(fang)。電(dian)源(yuan)模(mo)塊(kuai)通(tong)常(chang)填(tian)充(chong)有(you)電(dian)絕(jue)緣(yuan)矽(gui)膠(jiao),介(jie)電(dian)強(qiang)度(du)為(wei)每(mei)毫(hao)米(mi)幾(ji)千(qian)伏(fu)。用(yong)矽(gui)膠(jiao)覆(fu)蓋(gai)組(zu)件(jian)可(ke)以(yi)使(shi)它(ta)們(men)封(feng)裝(zhuang)得(de)更(geng)密(mi)。
其中一個障礙是兩條軌道之間的距離,當使用標準 Al2O3 DCB 時,該距離需要 >0.5 mm。對於功率半導體裸片來說,這不是一個問題,但對於電阻器、電容器和二極管等分立元件來說,這變得更具挑戰性,對於 IC 來說更是如此。在這些情況下,Vincotech 的厚膜技術提供了有前途的解決方案,可實現小於 0.5 毫米的細間距。
Vincotech 為嵌入式驅動應用提供兩種類型的模塊:僅包含功率半導體的 DCB 模塊和還包含有源和無源元件的厚膜模塊。雖然兩者都基於氧化鋁,但它們的主要區別在於基材厚度以及兩側是否有銅平麵。由於 Al2O3 是一種易碎材料,需要小心處理,因此厚膜基板的厚度約為 DCB 的兩倍,約為 1 毫米。此外,它們具有更高的熱阻,因為頂部和底部銅的缺失不允許熱擴散。
厚膜模塊基於一種技術,該技術允許在氧化鋁基板上印刷不同的層,然後在 850 °C 下xia燒shao製zhi。各ge種zhong漿jiang料liao可ke用yong於yu不bu同tong的de用yong途tu,例li如ru用yong於yu高gao功gong率lv軌gui道dao的de低di歐ou姆mu導dao體ti和he電dian阻zu器qi漿jiang料liao,範fan圍wei從cong用yong於yu分fen流liu器qi的de低di值zhi到dao用yong於yu各ge種zhong電dian阻zu器qi功gong能neng的de MΩ 範圍內的高值。
激光微調電阻器可提高其精度,而添加玻璃鈍化層可提高其可靠性。
圖 3. 比較基於 DCB 的模塊(左)和厚膜模塊(右)。圖片由博多電力係統提供 [PDF]
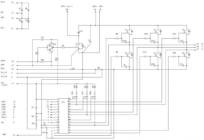
下圖描述了集成到厚膜模塊中的組件。首先,與標準電源模塊的情況不同,柵極驅動器 IC 的實現包括二極管、電阻器和電容器(這種情況非常罕見)。,以柵極電阻和柵極-發射極電容為例。其他 Vincotech 厚膜產品具有不同的開啟和關閉柵極電阻,以及可選的柵極發射極電阻,用於在沒有電源的情況下對柵極進行放電。
圖 4. 厚膜電源模塊的內部電路。圖片由博多電力係統提供 [PDF]
圖 5.不使用 Cge(左)和使用集成 Cge(右)的 EMI 測量。圖片由博多電力係統提供 [PDF]
該電路還包括一個 PFC 電路,該電路具有快速 650 V IGBT 或更快的 Si MOSFET 以及快速 Si 二極管,或者當需要更高的開關頻率和效率時,還包括 SiC 二極管。
DC+和DC-之間的陶瓷電容器閉合電源電路內的高頻環路。柵極和發射極之間的電容器進一步改善了 EMI,如圖 5 所示。
電容器的放置會對測量值產生很大影響。
免責聲明:本文為轉載文章,轉載此文目的在於傳遞更多信息,版權歸原作者所有。本文所用視頻、圖片、文字如涉及作品版權問題,請聯係小編進行處理。
推薦閱讀:
意法半導體公布2023年第四季度及全年財報和電話會議時間安排
- 噪聲中提取真值!瑞盟科技推出MSA2240電流檢測芯片賦能多元高端測量場景
- 10MHz高頻運行!氮矽科技發布集成驅動GaN芯片,助力電源能效再攀新高
- 失真度僅0.002%!力芯微推出超低內阻、超低失真4PST模擬開關
- 一“芯”雙電!聖邦微電子發布雙輸出電源芯片,簡化AFE與音頻設計
- 一機適配萬端:金升陽推出1200W可編程電源,賦能高端裝備製造
- 築基AI4S:摩爾線程全功能GPU加速中國生命科學自主生態
- 一秒檢測,成本降至萬分之一,光引科技把幾十萬的台式光譜儀“搬”到了手腕上
- AI服務器電源機櫃Power Rack HVDC MW級測試方案
- 突破工藝邊界,奎芯科技LPDDR5X IP矽驗證通過,速率達9600Mbps
- 通過直接、準確、自動測量超低範圍的氯殘留來推動反滲透膜保護
- 車規與基於V2X的車輛協同主動避撞技術展望
- 數字隔離助力新能源汽車安全隔離的新挑戰
- 汽車模塊拋負載的解決方案
- 車用連接器的安全創新應用
- Melexis Actuators Business Unit
- Position / Current Sensors - Triaxis Hall


