電容隔離如何解決交流電機驅動中的關鍵挑戰
發布時間:2019-11-22 責任編輯:wenwei
【導讀】為解決交流(AC)電機設計挑戰,本文對比了德州儀器(TI)的基於電容的隔離技術和傳統的隔離技術,包括隔離柵極驅動器在功率級、隔離電壓、電流反饋或控製模塊中隔離式數字輸入。
信號和電源隔離有助於確保交流電機驅動係統的穩定運行,並保護操作人員免受高壓危險。
但並非所有隔離技術都能滿足所有需求,尤其是在器件壽命和溫度性能方麵。
為解決交流(AC)電機設計挑戰,本文對比了德州儀器(TI)的基於電容的隔離技術和傳統的隔離技術,包括隔離柵極驅動器在功率級、隔離電壓、電流反饋或控製模塊中隔離式數字輸入。
什麼是交流電機驅動係統?
交流電機驅動是一種使用交流電輸入的感應電動機,如圖1所示,它可以驅動大型工業負載,例如加熱、通風、商業樓宇的空調、泵和壓縮機的運行。交流電機也能驅動需要調節速度的工廠自動化和工業器件負載,例如傳送帶或隧道掘進、采礦和造紙設備。

圖1.工廠中帶有交流電機驅動的感應電機
交(jiao)流(liu)電(dian)機(ji)驅(qu)動(dong)采(cai)用(yong)交(jiao)流(liu)能(neng)量(liang),將(jiang)其(qi)整(zheng)流(liu)為(wei)直(zhi)流(liu)母(mu)線(xian)電(dian)壓(ya),實(shi)現(xian)複(fu)雜(za)的(de)控(kong)製(zhi)算(suan)法(fa),然(ran)後(hou)基(ji)於(yu)負(fu)載(zai)需(xu)求(qiu)通(tong)過(guo)複(fu)雜(za)的(de)控(kong)製(zhi)算(suan)法(fa)將(jiang)直(zhi)流(liu)電(dian)轉(zhuan)換(huan)回(hui)交(jiao)流(liu)電(dian)。

圖2所示為交流電機驅動係統的框圖,其中功率級和電源供給標記為綠色。
交流電機驅動中的隔離
諸如交流電機驅動之類的電機驅動係統包含高電壓和高功率等級;因此,必須采取措施保護操作人員和整個係統的關鍵組件。
此外,也需要保護關鍵係統組件(例如控製器和通信外圍器件)免受電機驅動中的大功率和高壓電路的影響。
根據國際電工委員會61800-5-1安全標準的定義,可通過半導體集成電路(IC)在組件級進行隔離來實現電路之間的絕緣。
隔離ICskezaigaoyahediyadanyuanzhijianchuanshushujuhegonglv,tongshikefangzhirenheweixiandezhiliudianhuobushoukongzhideshuntaidianliu。tongchanglaijiang,geliqitongguogelizhazaidianluneitigongsuoxudejueyuandengji。gelizhajianggaoyayurenkejiechudelingjianfenkai。
在交流電機驅動中實現隔離
設計人員在交流電機驅動中實現隔離隔柵時有多種選擇,但過去40nianlai,zaixitongzhongshixiandianliugelidezuichangyongqijianyizhishiguangouheqi,yechengweiguanggeliqihuoguangdianouheqi。jinguanguangouheqijuyouchengbenxiaoyiqiepubiancunzai,danqiwufatigongyuzuixingelifangfatongdengshuipingdewenduxingnenghuoqijianshouming。
TI的電容隔離技術在將二氧化矽(基礎片上絕緣)用(yong)作(zuo)電(dian)介(jie)質(zhi)的(de)電(dian)容(rong)電(dian)路(lu)中(zhong)集(ji)成(cheng)了(le)增(zeng)強(qiang)的(de)信(xin)號(hao)隔(ge)離(li)功(gong)能(neng)。與(yu)光(guang)耦(ou)合(he)器(qi)不(bu)同(tong),其(qi)可(ke)將(jiang)隔(ge)離(li)電(dian)路(lu)與(yu)其(qi)他(ta)電(dian)路(lu)集(ji)成(cheng)在(zai)同(tong)一(yi)芯(xin)片(pian)上(shang)。通(tong)過(guo)此(ci)工(gong)藝(yi)製(zhi)造(zao)的(de)隔(ge)離(li)器(qi)具(ju)有(you)可(ke)靠(kao)性(xing)、防震性和增強的隔離性,相當於單個封裝中的兩個基本隔離等級。
以下各部分探討了交流電機驅動設計中與隔離相關的三個關鍵設計挑戰,同時還重點介紹了電容隔離相較於光耦合器的優勢。
隔離功率級中的柵極驅動器
交jiao流liu電dian機ji驅qu動dong的de功gong率lv級ji中zhong使shi用yong的de功gong率lv轉zhuan換huan器qi拓tuo撲pu是shi用yong於yu傳chuan輸shu千qian瓦wa至zhi兆zhao瓦wa範fan圍wei內nei功gong率lv的de三san相xiang逆ni變bian器qi拓tuo撲pu。這zhe些xie逆ni變bian器qi將jiang直zhi流liu電dian源yuan轉zhuan換huan為wei交jiao流liu電dian源yuan。典dian型xing的de直zhi流liu總zong線xian電dian壓ya為wei600 V-1,200V。該三相逆變器使用六個隔離式柵極驅動器來打開和關閉電源開關(通常是一組絕緣柵門極晶體管[IGBTs]或IGBT模塊)。由於其卓越的性能,設計人員開始使用寬帶隙器件,例如碳化矽(SiC)金屬氧化物半導體場效應晶體管(MOSFETs)或模塊。
每個相都使用通常處在20kHz至30kHz範圍內工作的高側和低側IGBT開關,以交替模式向電機繞組施加正負高壓直流脈衝。每個IGBT或SiC模mo塊kuai均jun由you單dan個ge隔ge離li式shi柵zha極ji驅qu動dong器qi驅qu動dong。柵zha極ji驅qu動dong器qi的de高gao壓ya輸shu出chu與yu來lai自zi控kong製zhi器qi的de低di壓ya控kong製zhi輸shu入ru之zhi間jian的de隔ge離li是shi產chan生sheng電dian流liu的de。柵zha極ji驅qu動dong器qi將jiang來lai自zi控kong製zhi器qi的de脈mai衝chong寬kuan度du調tiao製zhi(PWM)信號轉換為用於場效應晶體管(FETs)或IGBTs的柵極脈衝。此外,這些柵極驅動器需要具有集成的保護功能,例如去飽和作用、有源米勒鉗位和軟關斷。
隔離柵極驅動器具有兩側:初級側(即輸入級)和次級側(與FET連接)。初級側有兩種類型的輸入級:基於電壓和基於電流的輸入級。通過輸入級,柵極驅動器可以連接到能夠告知柵極驅動器在指定時間打開或關閉的控製器。
使用基於電流的輸入級的光耦合器柵極驅動器通常在電機驅動應用中驅動IGBTs。基(ji)於(yu)電(dian)流(liu)的(de)輸(shu)入(ru)級(ji)往(wang)往(wang)具(ju)有(you)較(jiao)好(hao)的(de)抗(kang)噪(zao)能(neng)力(li),因(yin)此(ci)需(xu)要(yao)在(zai)控(kong)製(zhi)器(qi)和(he)光(guang)耦(ou)合(he)器(qi)之(zhi)間(jian)設(she)置(zhi)一(yi)個(ge)緩(huan)衝(chong)級(ji)。使(shi)用(yong)緩(huan)衝(chong)級(ji)的(de)基(ji)於(yu)電(dian)流(liu)的(de)輸(shu)入(ru)級(ji)驅(qu)動(dong)器(qi)的(de)功(gong)耗(hao)通(tong)常(chang)也(ye)會(hui)更(geng)高(gao)。
傳統光耦合器柵極驅動器確實存在著一些挑戰:
● 輸入級中的LED的性能會隨著時間的推移而降低,這會影響器件壽命,並可能導致傳播延遲時間增長,進而影響係統性能。
● 它們較低的共模瞬變抗擾度(CMTI)限製了功率FETs的切換速度。
● 它們通常僅支持較低的工作溫度範圍,因此很難創造出更緊湊的設計。
TI提供了使用電容隔離技術的隔離柵極驅動器,以幫助克服光耦合器中一些常見的設計難題。
圖3對比了傳統的光耦合器柵極驅動器與TI使用電容隔離的隔離柵極驅動器。TI的電容隔離柵極驅動器具有更高的CMTI額定值、更寬的工作溫度範圍以及改進的計時規範,例如,部件到部件的偏斜和傳播延遲。

圖3.光耦隔離柵極驅動器(a)和電容隔離柵極驅動器(b)的對比
隔離電流和電壓反饋
交jiao流liu電dian機ji驅qu動dong使shi用yong由you電dian壓ya和he電dian流liu反fan饋kui測ce量liang值zhi組zu成cheng的de閉bi環huan控kong製zhi係xi統tong來lai控kong製zhi交jiao流liu電dian機ji的de速su度du和he扭niu矩ju。由you於yu電dian壓ya和he電dian流liu反fan饋kui需xu在zai高gao壓ya側ce測ce量liang,因yin此ci信xin號hao必bi須xu與yu低di壓ya控kong製zhi器qi側ce隔ge離li。
在電機的三相中的每相上測得的同軸相電流用於導出控製IGBTs的最佳PWM模式。這些同軸相電流測量的準確性、噪聲、帶寬、延遲和CMTI直接影響電機的扭矩和速度輸出曲線。
如圖4所示,電容耦合隔離式放大器和調製器和光耦合同類產品相比,具有更少的信號傳播延遲、更佳的CMTI以及更長的壽命和可靠性。

圖4.隔離式放大器的示例(a);和隔離式調製器(b)
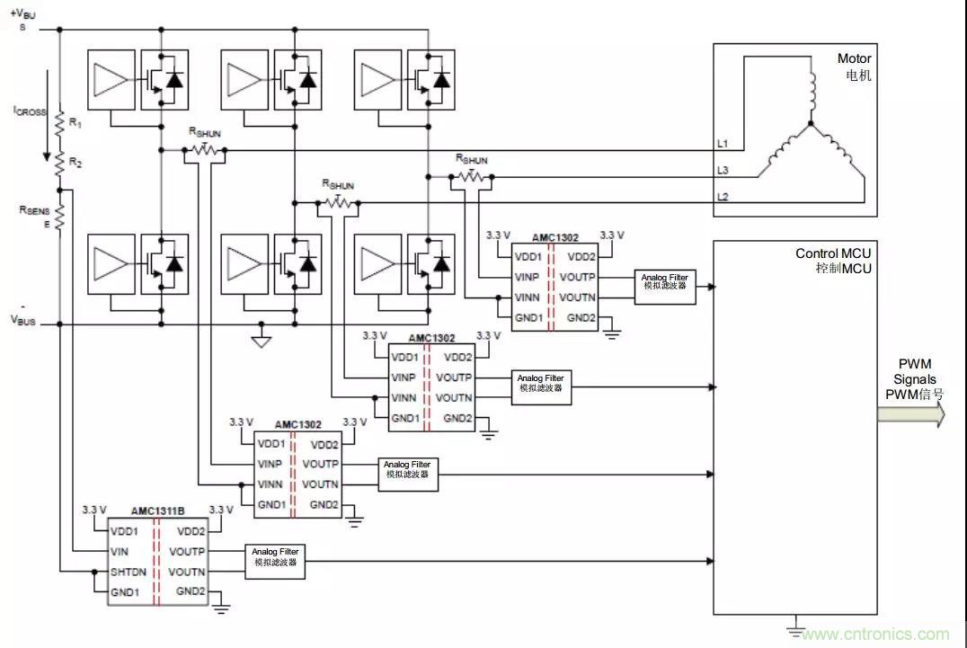
圖5所示為使用隔離式放大器進行基於分流的電流感應和基於電阻分壓器的電壓感應的反饋感應環路的典型框圖。通過分流電阻器RSHUNT來完成對相電流的測量。

圖5.實現典型的電流和電壓反饋
與光耦合器相比,TI的隔離式放大器支持極小的雙向輸入電壓範圍,具有很高的CMTIhezhengtijingdu。zhexiegongnengkezaigaozaoshengdianjiqudonghuanjingzhongshixiankekaodedianliuganying。zhexieqijiandegaozukangshuruhekuanshurudianyafanweishiqijiqishiyongyuzhiliumuxianzongxiandianyaganying。
什麼是交流電機驅動係統?
交流電機驅動中的控製模塊基於位置反饋模塊的輸入、模擬輸入和數字輸入,負責電機驅動係統的信號處理和總體控製算法。這些數字輸入通常是來自現場傳感器和開關的24 V信號,可傳達緊急停止信號(例如安全扭矩關閉(STO))或有關電機運行的信息(例如速度和位置)。
與yu控kong製zhi算suan法fa一yi同tong使shi用yong時shi,這zhe些xie數shu字zi信xin號hao輸shu入ru將jiang對dui功gong率lv級ji進jin行xing任ren何he必bi要yao調tiao整zheng,以yi實shi現xian目mu標biao輸shu出chu。將jiang控kong製zhi模mo塊kuai與yu數shu字zi輸shu入ru隔ge離li可ke防fang止zhi接jie地di電dian位wei差cha引yin起qi通tong信xin錯cuo誤wu。
盡管光耦合器已用於隔離數字輸入,但是數字隔離器技術的最新發展徹底革新了係統設計人員設計數字輸入的方式。
圖6所示為用於隔離數字輸入的光耦合器常見解決方案。該解決方案使用數個分立元件(9至15個)來實現電流限值和受控電壓閾值。

圖6.典型的光耦隔離數字輸入解決方案
使用這種複雜的解決方案,電流限值可以遠高於2 mA的目標電流限值,且在整個溫度範圍內可能高達6 mA(具體取決於設計)。此外,光耦合器之後的施密特觸發器緩衝器還為抗噪提供了滯後功能。圖7所示為一種簡化的解決方案,一種專用於數字輸入應用的專用數字隔離器。采用TI電容性隔離技術的器件可實現<2.5 mA的電流限值。該解決方案無需施密特觸發器來抗噪,僅需兩個電阻(RSENSE和RTHR)來設置所選的電流限值和電壓閾值。

圖7.使用TI數字隔離器的隔離數字輸入解決方案
與光耦合器相比,基於電容的數字隔離方法的優勢在於其具有更低的功耗。TI的de數shu字zi隔ge離li器qi的de精jing確que電dian流liu限xian值zhi可ke將jiang數shu字zi輸shu入ru所suo引yin電dian流liu減jian少shao五wu分fen之zhi一yi,從cong而er大da大da降jiang低di了le功gong耗hao和he電dian路lu板ban溫wen度du。其qi他ta功gong能neng包bao括kuo具ju有you通tong道dao間jian隔ge離li功gong能neng的de雙shuang通tong道dao選xuan件jian,可ke幫bang助zhu減jian少shao電dian路lu板ban空kong間jian,同tong時shi還hai提ti供gong低di傳chuan播bo延yan遲chi和he4 Mbps數據速率,以支持STO輸入。
用光耦合器支持STO輸入需要高速光耦合器。與基於電容的數字隔離技術相比,這種光耦合器價格昂貴且使用壽命較短。
總結
無論您正在隔離功率級中的柵極驅動器、隔離電壓或電流反饋,還是隔離控製模塊中的數字輸入,TIdejiyudianrongdegelijishudouchedigexinlejiaoliudianjiqudongqideshiyongshouminghewenduyaoqiu,qiezaixuduoqingkuangxia,cizhongjishutigonglebiguangouheqigengjincoudejiejuefangan。
推薦閱讀:
特別推薦
- 噪聲中提取真值!瑞盟科技推出MSA2240電流檢測芯片賦能多元高端測量場景
- 10MHz高頻運行!氮矽科技發布集成驅動GaN芯片,助力電源能效再攀新高
- 失真度僅0.002%!力芯微推出超低內阻、超低失真4PST模擬開關
- 一“芯”雙電!聖邦微電子發布雙輸出電源芯片,簡化AFE與音頻設計
- 一機適配萬端:金升陽推出1200W可編程電源,賦能高端裝備製造
技術文章更多>>
- 大聯大世平集團首度亮相北京國際汽車展 攜手全球芯片夥伴打造智能車整合應用新典範
- 2026北京車展即將啟幕,高通攜手汽車生態“朋友圈”推動智能化體驗再升級
- 邊緣重構智慧城市:FPGA SoM 如何破解視頻係統 “重而慢”
- 如何使用工業級串行數字輸入來設計具有並行接口的數字輸入模塊
- 意法半導體將舉辦投資者會議探討低地球軌道(LEO)發展機遇
技術白皮書下載更多>>
- 車規與基於V2X的車輛協同主動避撞技術展望
- 數字隔離助力新能源汽車安全隔離的新挑戰
- 汽車模塊拋負載的解決方案
- 車用連接器的安全創新應用
- Melexis Actuators Business Unit
- Position / Current Sensors - Triaxis Hall
熱門搜索
接口IC
介質電容
介質諧振器
金屬膜電阻
晶體濾波器
晶體諧振器
晶體振蕩器
晶閘管
精密電阻
精密工具
景佑能源
聚合物電容
君耀電子
開發工具
開關
開關電源
開關電源電路
開關二極管
開關三極管
科通
可變電容
可調電感
可控矽
空心線圈
控製變壓器
控製模塊
藍牙
藍牙4.0
藍牙模塊
浪湧保護器





