如何實現高精度滿量程充電/放電電流控製,以及高效鋰離子電池化成測試?
發布時間:2018-09-20 責任編輯:xueqi
【導讀】隨著電動汽車、個人電子產品和電網係統的日益普及,人們對鋰離子(Li-ion)電池的需求正以指數級增長。隨著消費者需求的增長,對高精度電池化成測試能力的需求也在增長。
電池化成測試需要多個充電和放電周期; 為(wei)了(le)最(zui)大(da)限(xian)度(du)延(yan)長(chang)電(dian)池(chi)壽(shou)命(ming)並(bing)擴(kuo)大(da)存(cun)儲(chu)容(rong)量(liang),此(ci)過(guo)程(cheng)中(zhong)必(bi)須(xu)實(shi)現(xian)高(gao)精(jing)度(du)控(kong)製(zhi)。在(zai)每(mei)個(ge)周(zhou)期(qi)中(zhong),電(dian)池(chi)的(de)電(dian)流(liu)和(he)電(dian)壓(ya)必(bi)須(xu)得(de)到(dao)精(jing)確(que)控(kong)製(zhi),許(xu)多(duo)製(zhi)造(zao)商(shang)要(yao)求(qiu)滿(man)量(liang)程(cheng)控(kong)製(zhi)精(jing)度(du)超(chao)過(guo)0.05%。然而,隨著對電池電流要求的增加,保持如此高的精確度變得越來越困難。
TI適用於高電流應用的電池測試儀參考設計利用恒定電流(CC)和恒定電壓(CV)校準環路實現0.01%滿量程充電和放電電流控製精度。它支持高達50Adechongdianhefangdiansulv,bingzhenduixuyaogenggaodianliuhuoduoxiangdeyingyongtigongkexiugaidepingtai。liru,muqiandeqichedianchiguigezhengzaijijuzengchang,shenzhikenengxuyaochaoguo50A的電流。
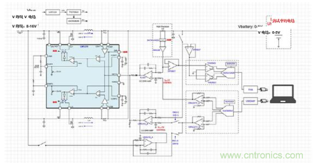
如圖1所示,參考設計采用LM5170-Q1,可調節流入或流出電池的電流。INA188實現並監控CC控製環路,由於電流可向任一方向流動,SN74LV4053A多路複用器可對INA188輸入作相應調整。將檢測到的電流與DAC80004數模轉換器(DAC)產生的精密基準進行比較,並將這兩個信號饋入由TLV07實現的誤差放大器(EA)。EA的輸出反饋到LM5170的ISETA模擬電流編程引腳,該引腳將流經電流檢測電阻的電流調節為電流參考信號。

圖 1:電池測試儀參考設計方框圖
CV控製回路以類似的原理工作。ADS131A04模數轉換器(24位、128kSPS、4-Ch同時采樣Δ-Σ模數轉換器(ADC)監控電池電壓和電流,並由DAC80004為CV控製回路設置高精度電壓基準。ADC監控電池的電壓和電流,並提供簡單的圖形用戶界麵(GUI)以便查看電池的狀態。DAC還提供GUI以設置不同應用的參考信號。
許多因素都會影響係統精度,包括溫度漂移、電壓漂移和偏移電壓。電池測試儀參考設計使用三點校準來計算不同的影響來源或任何錯誤。圖2顯示了在寬電流範圍內實現的滿量程精度。該係統在電池充電時以降壓模式運行,放電時以升壓模式運行。

圖 2:電流控製精度
通電後,由於電池電壓低,CV控製回路向電池輸出高電壓。該輸出信號導致CC環路優先控製係統。隨著電池電壓的升高,當係統達到參考電壓電平時,係統逐漸由CC控製轉換到CV控製。
圖3顯示了在降壓模式下工作時校準係統的電壓控製精度。

圖 3:降壓模式下的電壓控製精度
圖4顯示了在不同電流條件下,具有相同電壓設置的轉換曲線。在不同的條件下,圖4中的轉換點是不同的,因為功率傳輸路徑上的電壓降會隨著電流設置的增加而增加。圖5顯示了在不同電壓條件下,具有相同電流設置的轉換曲線。這兩條曲線顯示了從CC到CV的平滑過渡,表明控製係統是穩定的。

圖 4:具有不同電流的CC / CV轉換

圖 5:具有不同電壓的CC / CV轉換
該參考設計展示了如何利用CC和CV校準環路來實現0.01%滿量程充放電電流控製精度,而且支持高達50A的充放電速率。有關更多詳細信息,請參閱參考設計的工具文件夾。
相關產品:
適用於高電流應用的電池測試儀參考設計
德州儀器TIDA-01040

其他資源
閱讀下列其他E2E™社區博客文章:
“如何給電池測試設備充電和放電。”
“如何為工業電池選擇合適的充電器。”
“如何正確布置40A電源:銅線、過孔和環路。”
查看電池測試設備集成電路和參考設計。
在參考設計庫中查看相關的其他TI設計:
適用於電池測試係統且電流精度為 0.05% 的 50A 電源參考設計。
適用於電池測試係統且電流精度為 0.05% 的 6A 電源解決方案參考設計。
作者:德州儀器Sean Zhou
特別推薦
- 噪聲中提取真值!瑞盟科技推出MSA2240電流檢測芯片賦能多元高端測量場景
- 10MHz高頻運行!氮矽科技發布集成驅動GaN芯片,助力電源能效再攀新高
- 失真度僅0.002%!力芯微推出超低內阻、超低失真4PST模擬開關
- 一“芯”雙電!聖邦微電子發布雙輸出電源芯片,簡化AFE與音頻設計
- 一機適配萬端:金升陽推出1200W可編程電源,賦能高端裝備製造
技術文章更多>>
- 貿澤EIT係列新一期,探索AI如何重塑日常科技與用戶體驗
- 算力爆發遇上電源革新,大聯大世平集團攜手晶豐明源線上研討會解鎖應用落地
- 創新不止,創芯不已:第六屆ICDIA創芯展8月南京盛大啟幕!
- AI時代,為什麼存儲基礎設施的可靠性決定數據中心的經濟效益
- 矽典微ONELAB開發係列:為毫米波算法開發者打造的全棧工具鏈
技術白皮書下載更多>>
- 車規與基於V2X的車輛協同主動避撞技術展望
- 數字隔離助力新能源汽車安全隔離的新挑戰
- 汽車模塊拋負載的解決方案
- 車用連接器的安全創新應用
- Melexis Actuators Business Unit
- Position / Current Sensors - Triaxis Hall
熱門搜索
Future
GFIVE
GPS
GPU
Harting
HDMI
HDMI連接器
HD監控
HID燈
I/O處理器
IC
IC插座
IDT
IGBT
in-cell
Intersil
IP監控
iWatt
Keithley
Kemet
Knowles
Lattice
LCD
LCD模組
LCR測試儀
lc振蕩器
Lecroy
LED
LED保護元件
LED背光



