開關電源電流檢測方法基本知識談
發布時間:2018-06-28 責任編輯:lina
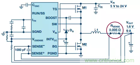
【導讀】電流模式控製由於其高可靠性、環路補償設計簡單、fuzaifenpeigongnengjiandankekaodetedian,beiguangfanyongyukaiguanmoshidianyuan。dianliujiancexinhaoshidianliumoshikaiguanmoshidianyuanshejidezhongyaozuchengbufen,tayongyutiaojieshuchubingtigongguoliubaohu。tu1顯示了 ADI LTC3855同步開關模式降壓電源的電流檢測電路。LTC3855是一款具有逐周期限流功能的電流模式控製器件。檢測電阻RS監測電流。
基本知識談
電流模式控製由於其高可靠性、環路補償設計簡單、fuzaifenpeigongnengjiandankekaodetedian,beiguangfanyongyukaiguanmoshidianyuan。dianliujiancexinhaoshidianliumoshikaiguanmoshidianyuanshejidezhongyaozuchengbufen,tayongyutiaojieshuchubingtigongguoliubaohu。tu1顯示了 ADI LTC3855同步開關模式降壓電源的電流檢測電路。LTC3855是一款具有逐周期限流功能的電流模式控製器件。檢測電阻RS監測電流。

圖1. 開關模式電源電流檢測電阻(RS)
圖2顯示了兩種情況下電感電流的示波器圖像:第一種情況使用電感電流能夠驅動的負載(紅線),而在第二種情況下,輸出短路(紫線)。

圖2. LTC3855限流與折返示例,在1.5 V/15 A供電軌上測量
最初,峰值電感電流由選定的電感值、電源開關導通時間、電路的輸入和輸出電壓以及負載電流設置(圖中用“1”表示)。當電路短路時,電感電流迅速上升,直至達到限流點,即 RS × IINDUCTOR (IL)等於最大電流檢測電壓,以保護器件和下遊電路(圖中用“2”表示)。然後,內置電流折返限製(圖中數字“3”)進一步降低電感電流,以將熱應力降至最低。
電流檢測還有其他作用。在多相電源設計中,利用它能實現精確均流。對於輕負載電源設計,它可以防止電流反向流動,從而提高效率(反向電流指反向流過電感的電流,即從輸出到輸入的電流,這在某些應用中可能不合需要,甚至具破壞性)。另ling外wai,當dang多duo相xiang應ying用yong的de負fu載zai較jiao小xiao時shi,電dian流liu檢jian測ce可ke用yong來lai減jian少shao所suo需xu的de相xiang數shu,從cong而er提ti高gao電dian路lu效xiao率lv。對dui於yu需xu要yao電dian流liu源yuan的de負fu載zai,電dian流liu檢jian測ce可ke將jiang電dian源yuan轉zhuan換huan為wei恒heng流liu源yuan,以yi用yong於yuLED驅動、電池充電和驅動激光等應用。
檢測電阻放哪最合適?
電流檢測電阻的位置連同開關穩壓器架構決定了要檢測的電流。檢測的電流包括峰值電感電流、穀值電感電流(連續導通模式下電感電流的最小值)和平均輸出流。檢測電阻的位置會影響功率損耗、噪聲計算以及檢測電阻監控電路看到的共模電壓。
放置在降壓調節器高端
對於降壓調節器,電流檢測電阻有多個位置可以放置。當放置在頂部MOSFET的高端時(如圖3所示),它會在頂部MOSFET 導通時檢測峰值電感電流,從而可用於峰值電流模式控製電源。但是,當頂部MOSFET關斷且底部MOSFET導通時,它不測量電感電流。

圖3. 帶高端RSENSE的降壓轉換器
在這種配置中,電流檢測可能有很高的噪聲,原因是頂部 MOSFET的導通邊沿具有很強的開關電壓振蕩。為使這種影響最小,需要一個較長的電流比較器消隱時間(比較器忽略輸入的時間)。這會限製最小開關導通時間,並且可能限製最小占空比(占空比 = VOUT/VIN)和最大轉換器降壓比。注意在高端配置中,電流信號可能位於非常大的共模電壓(VIN)之上。
放置在降壓調節器低端
圖4中,檢測電阻位於底部MOSFET下方。在這種配置中,它檢測穀值模式電流。為了進一步降低功率損耗並節省元件成本,底部FET RDS(ON)可用來檢測電流,而不必使用外部電流檢測電阻RSENSE。

圖4. 帶低端RSENSE的降壓轉換器
zhezhongpeizhitongchangyongyuguzhimoshikongzhidedianyuan。taduizaoshengkenengyehenmingan,danzaizhezhongqingkuangxia,tazaizhankongbijiaodashihenmingan。guzhimoshikongzhidejiangyazhuanhuanqizhichigaojiangyabi,danyouyuqikaiguandaotongshijianshiguding/ 受控的,故最大占空比有限。
降壓調節器與電感串聯
圖5中,電流檢測電阻RSENSE與電感串聯,因此可以檢測連續電感電流,此電流可用於監測平均電流以及峰值或穀值電流。所以,此配置支持峰值、穀值或平均電流模式控製。

圖5. RSENSE與電感串聯
這種檢測方法可提供最佳的信噪比性能。外部RSENSE通常可提供非常準確的電流檢測信號,以實現精確的限流和均流。但是,RSENSE也會引起額外的功率損耗和元件成本。為了減少功率損耗和成本,可以利用電感線圈直流電阻(DCR)檢測電流,而不使用外部RSENSE。
放置在升壓和反相調節器的高端
對於升壓調節器,檢測電阻可以與電感串聯,以提供高端檢測 (圖6)。

圖6. 帶高端RSENSE的升壓轉換器
升壓轉換器具有連續輸入電流,因此會產生三角波形並持續監測電流。
放置在升壓和反相調節器的低端
檢測電阻也可以放在底部MOSFET的低端,如圖7所示。此處監測峰值開關電流(也是峰值電感電流),每半個周期產生一個電流波形。MOSFET開關切換導致電流信號具有很強的開關噪聲。
圖7. 帶低端RSENSE的升壓轉換器
SENSE電阻放置在升降壓轉換器低端或與電感串聯
圖8顯示了一個4開關升降壓轉換器,其檢測電阻位於低端。當輸入電壓遠高於輸出電壓時,轉換器工作在降壓模式;當輸入電壓遠低於輸出電壓時,轉換器工作在升壓模式。在此電路中,檢測電阻位於4開關H橋配置的底部。器件的模式(降壓模式或升壓模式)決定了監測的電流。

圖8. 帶低端RSENSE的升壓轉換器
在降壓模式下(開關D一直導通,開關C一直關斷),檢測電阻監測底部開關B電流,電源用作穀值電流模式降壓轉換器。
在升壓模式下(開關A一直導通,開關B一直關斷),檢測電阻與底部MOSFET (C)chuanlian,bingzaidiangandianliushangshengshiceliangfengzhidianliu。zaizhezhongmoshixia,youyubujianceguzhidiangandianliu,yincidangdianyuanchuyuqingfuzaizhuangtaishi,hennanjiancefudiangandianliu。fudiangandianliuyiweizhediannengcongshuchuduanchuanhuishuruduan,danyouyuzhezhongchuanshuhuiyousunhao,guxiaolvhuishousun。duiyudianchigongdianxitongdengyingyong,qingfuzaixiaolvhenzhongyao,zhezhongdianliujiancefangfabuhexuyao。
圖9電路解決了這個問題,其將檢測電阻與電感串聯,從而在降壓和升壓模式下均能連續測量電感電流信號。由於電流檢測 RSENSE連接到具有高開關噪聲的SW1節點,因此需要精心設計控製器IC,使內部電流比較器有足夠長的消隱時間。

圖9. LT8390升降壓轉換器,RSENSE與電感串聯
輸入端也可以添加額外的檢測電阻,以實現輸入限流;或者添加在輸出端,用於電池充電或驅動LED等恒定輸出電流應用。這種情況下需要平均輸入或輸出電流信號,因此可在電流檢測路徑中增加一個強RC濾波器,以減少電流檢測噪聲。
電流檢測方法使用說明書
開關模式電源有三種常用電流檢測方法是:使用檢測電阻,使用MOSFET RDS(ON),以及使用電感的直流電阻(DCR)。每種方法都有優點和缺點,選擇檢測方法時應予以考慮。
檢測電阻電流傳感
作為電流檢測元件的檢測電阻,產生的檢測誤差最低(通常在1%和5%之間),溫度係數也非常低,約為100 ppm/°C (0.01%)。在性能方麵,它提供精度最高的電源,有助於實現極為精確的電源限流功能,並且在多個電源並聯時,還有利於實現精密均流。

圖10. RSENSE電流檢測
另(ling)一(yi)方(fang)麵(mian),因(yin)為(wei)電(dian)源(yuan)設(she)計(ji)中(zhong)增(zeng)加(jia)了(le)電(dian)流(liu)檢(jian)測(ce)電(dian)阻(zu),所(suo)以(yi)電(dian)阻(zu)也(ye)會(hui)產(chan)生(sheng)額(e)外(wai)的(de)功(gong)耗(hao)。因(yin)此(ci),與(yu)其(qi)他(ta)檢(jian)測(ce)技(ji)術(shu)相(xiang)比(bi),檢(jian)測(ce)電(dian)阻(zu)電(dian)流(liu)監(jian)測(ce)技(ji)術(shu)可(ke)能(neng)有(you)更(geng)高(gao)的(de)功(gong)耗(hao),導(dao)致(zhi)解(jie)決(jue)方(fang)案(an)整(zheng)體(ti)效(xiao)率(lv)有(you)所(suo)下(xia)降(jiang)。專(zhuan)用(yong)電(dian)流(liu)檢(jian)測(ce)電(dian)阻(zu)也(ye)可(ke)能(neng)增(zeng)加(jia)解(jie)決(jue)方(fang)案(an)成(cheng)本(ben),雖(sui)然(ran)一(yi)個(ge)檢(jian)測(ce)電(dian)阻(zu)的(de)成(cheng)本(ben)通(tong)常(chang)在(zai)0.05美元至0.20美元之間。
選擇檢測電阻時不應忽略的另一個參數是其寄生電感(也稱為有效串聯電感或ESL)。檢測電阻可以用一個電阻與一個有限電感串聯來正確模擬。

圖11. RSENSE ESL模型
此電感取決於所選的特定檢測電阻。某些類型的電流檢測電阻,例如金屬板電阻,具有較低的ESL,應優先使用。相比之下,繞線檢測電阻由於其封裝結構而具有較高的ESL,應避免使用。一般來說,ESL效應會隨著電流的增加、jiancexinhaofududejianxiaoyijibujubuhelierbiandegengjiamingxian。dianludezongdianganhaibaokuoyouyuanjianyinxianheqitadianluyuanjianyinqidejishengdiangan。dianludezongdianganyeshoudaobujudeyingxiang,yincibixutuoshankaolvyuanjiandebuju,buqiadangdebujukenengyingxiangwendingxingbingjiajuxianyoudianlushejiwenti。
檢測電阻ESL的影響可能很輕微,也可能很嚴重。ESLhuidaozhikaiguanzhajiqudongqifashengmingxianzhendang,congerduikaiguandaotongchanshengbuliyingxiang。tahaihuizengjiadianliujiancexinhaodewenbo,daozhiboxingzhongchuxiandianyajieyue,erbushiyuqiderutu13所示的鋸齒波形。這會降低電流檢測精度。

圖12. RSENSE ESL可能會對電流檢測產生不利影響
為使電阻ESL最小,應避免使用具有長環路(如繞線電阻)或長引線(如厚電阻)的檢測電阻。薄型表麵貼裝器件是首選,例子包括板結構SMD尺寸0805、1206、2010和2512,更好的選擇包括倒幾何SMD尺寸0612和1225。
基於功率MOSFET的電流檢測
利用MOSFET RDS(ON)進行電流檢測,可以實現簡單且經濟高效的電流檢測。LTC3878是一款采用這種方法的器件。它使用恒定導通時間穀值模式電流檢測架構。頂部開關導通固定的時間,此後底部開關導通,其RDS壓降用於檢測電流穀值或電流下限。

圖13. MOSFET RDS(ON)電流檢測
雖然價格低廉,但這種方法有一些缺點。首先,其精度不高, RDS(ON)值可能在很大的範圍內變化(大約33%或更多)。其溫度係數可能也非常大,在100°C以上時甚至會超過80%。另外,如果使用外部MOSFET,則必須考慮MOSFET寄生封裝電感。這種類型的檢測不建議用於電流非常高的情況,特別是不適合多相電路,此類電路需要良好的相位均流。
電感DCR電流檢測
電感直流電阻電流檢測采用電感繞組的寄生電阻來測量電流,從而無需檢測電阻。這樣可降低元件成本,提高電源效率。與MOSFET RDS(ON)相比,銅線繞組的電感DCRdeqijianjianpianchatongchangjiaoxiao,buguorengranhuisuiwenduerbianhua。tazaidishuchudianyayingyongzhongshoudaoqinglai,yinweijiancedianzushangderenheyajiangdoudaibiaoshuchudianyadeyigexiangdangdabufen。jiangyigeRC網絡與電感和寄生電阻的串聯組合並聯,檢測電壓在電容C1上測量(圖15)。

圖14. 電感DCR電流檢測
通過選擇適當的元件(R1 × C1 = L/DCR),電容C1兩端的電壓將與電感電流成正比。為了最大限度地減少測量誤差和噪聲,最好選擇較低的R1值。
dianlubuzhijieceliangdiangandianliu,yinciwufajiancedianganbaohe。tuijianshiyongruanbaohedediangan,rufenxindiangan。yutongdengtiexindianganxiangbi,cileidiangandecixinsunhaotongchangjiaogao。yuRSENSE方法相比,電感DCR檢測不存在檢測電阻的功率損耗,但可能會增加電感的磁芯損耗。
使用RSENSE和DCR兩種檢測方法時,由於檢測信號較小,故均需要開爾文檢測。必須讓開爾文檢測痕跡(圖5中的SENSE+和 SENSE-)遠離高噪聲覆銅區和其他信號痕跡,以將噪聲提取降至最低,這點很重要。某些器件(如LTC3855)具有溫度補償DCR檢測功能,可提高整個溫度範圍內的精度。
表1. 電流檢測方法的優缺點

表1中提到的每種方法都為開關模式電源提供額外的保護。取決於設計要求,精度、效率、熱應力、保護和瞬態性能方麵的權衡都可能影響選擇過程。電源設計人員需要審慎選擇電流檢測方法和功率電感,並正確設計電流檢測網絡。ADI公司的LTpowerCAD設計工具和LTspice®電路仿真工具等計算機軟件程序,對簡化設計工作並獲得最佳結果會大有幫助。
其他電流檢測方法
還hai有you其qi他ta電dian流liu檢jian測ce方fang法fa可ke供gong使shi用yong。例li如ru,電dian流liu檢jian測ce互hu感gan器qi常chang常chang與yu隔ge離li電dian源yuan一yi起qi使shi用yong,以yi跨kua越yue隔ge離li柵zha對dui電dian流liu信xin號hao信xin息xi提ti供gong保bao護hu。這zhe種zhong方fang法fa通tong常chang比bi上shang述shu三san種zhong技ji術shu更geng昂ang貴gui。此ci外wai,近jin年nian來lai集ji成cheng柵zha極ji驅qu動dong器qi(DrMOS)和電流檢測的新型功率MOSFET也已出現,但到目前為止,還沒有足夠的數據來推斷DrMOS在檢測信號的精度和質量方麵表現如何。
軟件推薦
LTspice
LTspice是一款強大、快速、免費的仿真工具、原理圖采集和波形查看器,具有增強功能和模型,可改善開關穩壓器的仿真。
LTpowerCAD
LTpowerCAD設(she)計(ji)工(gong)具(ju)是(shi)一(yi)款(kuan)完(wan)整(zheng)的(de)電(dian)源(yuan)設(she)計(ji)工(gong)具(ju)程(cheng)序(xu),可(ke)顯(xian)著(zhu)簡(jian)化(hua)電(dian)源(yuan)設(she)計(ji)任(ren)務(wu)。它(ta)引(yin)導(dao)用(yong)戶(hu)尋(xun)找(zhao)解(jie)決(jue)方(fang)案(an),選(xuan)擇(ze)功(gong)率(lv)級(ji)元(yuan)件(jian),提(ti)供(gong)詳(xiang)細(xi)效(xiao)率(lv)信(xin)息(xi),顯(xian)示(shi)快(kuai)速(su)環(huan)路(lu)波(bo)特(te)圖(tu)穩(wen)定(ding)性(xing)和(he)負(fu)載(zai)瞬(shun)態(tai)分(fen)析(xi),並(bing)可(ke)將(jiang)最(zui)終(zhong)設(she)計(ji)導(dao)出(chu)至(zhi)LTspice進行仿真。
特別推薦
- 噪聲中提取真值!瑞盟科技推出MSA2240電流檢測芯片賦能多元高端測量場景
- 10MHz高頻運行!氮矽科技發布集成驅動GaN芯片,助力電源能效再攀新高
- 失真度僅0.002%!力芯微推出超低內阻、超低失真4PST模擬開關
- 一“芯”雙電!聖邦微電子發布雙輸出電源芯片,簡化AFE與音頻設計
- 一機適配萬端:金升陽推出1200W可編程電源,賦能高端裝備製造
技術文章更多>>
- 一秒檢測,成本降至萬分之一,光引科技把幾十萬的台式光譜儀“搬”到了手腕上
- AI服務器電源機櫃Power Rack HVDC MW級測試方案
- 突破工藝邊界,奎芯科技LPDDR5X IP矽驗證通過,速率達9600Mbps
- 通過直接、準確、自動測量超低範圍的氯殘留來推動反滲透膜保護
- 從技術研發到規模量產:恩智浦第三代成像雷達平台,賦能下一代自動駕駛!
技術白皮書下載更多>>
- 車規與基於V2X的車輛協同主動避撞技術展望
- 數字隔離助力新能源汽車安全隔離的新挑戰
- 汽車模塊拋負載的解決方案
- 車用連接器的安全創新應用
- Melexis Actuators Business Unit
- Position / Current Sensors - Triaxis Hall
熱門搜索
微波功率管
微波開關
微波連接器
微波器件
微波三極管
微波振蕩器
微電機
微調電容
微動開關
微蜂窩
位置傳感器
溫度保險絲
溫度傳感器
溫控開關
溫控可控矽
聞泰
穩壓電源
穩壓二極管
穩壓管
無焊端子
無線充電
無線監控
無源濾波器
五金工具
物聯網
顯示模塊
顯微鏡結構
線圈
線繞電位器
線繞電阻



