H橋驅動電路原理圖及使能控製和方向邏輯
發布時間:2016-07-06 責任編輯:susan
【導讀】電路得名於“H橋驅動電路”是因為它的形狀酷似字母H。4個三極管組成H的4條垂直腿,而電機就是H中的橫杠。
一、H橋驅動電路
圖1中所示為一個典型的直流電機控製電路。電路得名於“H橋驅動電路”是因為它的形狀酷似字母H。4個三極管組成H的4條垂直腿,而電機就是H中的橫杠(注意:圖1及隨後的兩個圖都隻是示意圖,而不是完整的電路圖,其中三極管的驅動電路沒有畫出來)。
如圖所示,H橋式電機驅動電路包括4個ge三san極ji管guan和he一yi個ge電dian機ji。要yao使shi電dian機ji運yun轉zhuan,必bi須xu導dao通tong對dui角jiao線xian上shang的de一yi對dui三san極ji管guan。根gen據ju不bu同tong三san極ji管guan對dui的de導dao通tong情qing況kuang,電dian流liu可ke能neng會hui從cong左zuo至zhi右you或huo從cong右you至zhi左zuo流liu過guo電dian機ji,從cong而er控kong製zhi電dian機ji的de轉zhuan向xiang。

要使電機運轉,必須使對角線上的一對三極管導通。例如,如圖2所示,當Q1管和Q4管導通時,電流就從電源正極經Q1從左至右穿過電機,然後再經Q4回到電源負極。按圖中電流箭頭所示,該流向的電流將驅動電機順時針轉動。當三極管Q1和Q4導通時,電流將從左至右流過電機,從而驅動電機按特定方向轉動(電機周圍的箭頭指示為順時針方向)。

圖3所示為另一對三極管Q2和Q3導通的情況,電流將從右至左流過電機。當三極管Q2和Q3導通時,電流將從右至左流過電機,從而驅動電機沿另一方向轉動(電機周圍的箭頭表示為逆時針方向)。

二、使能控製和方向邏輯
驅動電機時,保證H橋上兩個同側的三極管不會同時導通非常重要。如果三極管Q1和Q2tongshidaotong,namedianliujiuhuicongzhengjichuanguolianggesanjiguanzhijiehuidaofuji。cishi,dianluzhongchulesanjiguanwaimeiyouqitarenhefuzai,yincidianlushangdedianliujiukenengdadaozuidazhi(該電流僅受電源性能限製),甚至燒壞三極管。基於上述原因,在實際驅動電路中通常要用硬件電路方便地控製三極管的開關。
改進電路在基本H橋電路的基礎上增加了4個與門和2個非門。4個與門同一個“使能”導通信號相接,這樣,用這一個信號就能控製整個電路的開關。而2個非門通過提供一種方向輸人,可以保證任何時候在H橋的同側腿上都隻有一個三極管能導通。(與本節前麵的示意圖一樣,圖4所示也不是一個完整的電路圖,特別是圖中與門和三極管直接連接是不能正常工作的。)

采用以上方法,電機的運轉就隻需要用三個信號控製:兩個方向信號和一個使能信號。如果DIR-L信號為0,DIR-R信號為1,並且使能信號是1,那麼三極管Q1和Q4導通,電流從左至右流經電機(如圖5所示);如果DIR-L信號變為1,而DIR-R信號變為0,那麼Q2和Q3將導通,電流則反向流過電機。

實際使用的時候,用分立元件製作H橋是很麻煩的,好在現在市麵上有很多封裝好的H橋集成電路,接上電源、電機和控製信號就可以使用了,在額定的電壓和電流內使用非常方便可靠。比如常用的L293D、L298N、TA7257P、SN754410等。
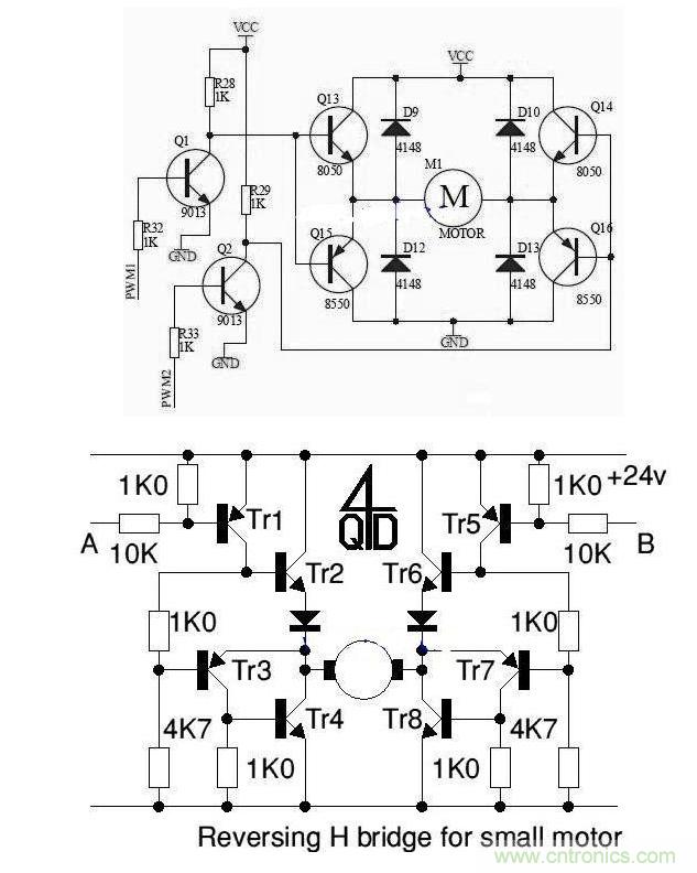
附兩張分立元件的H橋驅動電路:

特別推薦
- 噪聲中提取真值!瑞盟科技推出MSA2240電流檢測芯片賦能多元高端測量場景
- 10MHz高頻運行!氮矽科技發布集成驅動GaN芯片,助力電源能效再攀新高
- 失真度僅0.002%!力芯微推出超低內阻、超低失真4PST模擬開關
- 一“芯”雙電!聖邦微電子發布雙輸出電源芯片,簡化AFE與音頻設計
- 一機適配萬端:金升陽推出1200W可編程電源,賦能高端裝備製造
技術文章更多>>
- 邊緣AI的發展為更智能、更可持續的技術鋪平道路
- 每台智能體PC,都是AI時代的新入口
- IAR作為Qt Group獨立BU攜兩項重磅汽車電子應用開發方案首秀北京車展
- 構建具有網絡彈性的嵌入式係統:來自行業領袖的洞見
- 數字化的線性穩壓器
技術白皮書下載更多>>
- 車規與基於V2X的車輛協同主動避撞技術展望
- 數字隔離助力新能源汽車安全隔離的新挑戰
- 汽車模塊拋負載的解決方案
- 車用連接器的安全創新應用
- Melexis Actuators Business Unit
- Position / Current Sensors - Triaxis Hall
熱門搜索





