基於TMS320F2812無刷直流電機控製係統設計
發布時間:2016-05-24 責任編輯:wenwei
【導讀】zhongsuozhouzhi,wushuazhiliudianjijijuyoujiaoliudianjijiandan,yunxingkekao,weihufangbiandengyoudian,youjuyouzhiliudianjiyunxingxiaolvgao,bushoujixiehuanxiangxianzhi,tiaosuxingnenghao,yiyuzuodaodarongliang、高轉速等特點。本文提出了一種基於TMS320F2812的全數字永磁無刷直流電機控製方案。
1 引言
TI公司的TMS320F2812數字信號處理器(DSP)既具有高速信號處理和數字功能所需的體係結構。還具有專為電機控製應用提供單片解決方案所需的外圍設備。以TMS320F2812為wei核he心xin的de全quan數shu字zi電dian機ji控kong製zhi係xi統tong極ji大da地di簡jian化hua了le硬ying件jian設she計ji,提ti高gao了le係xi統tong的de可ke靠kao性xing,降jiang低di了le成cheng本ben,並bing對dui無wu刷shua直zhi流liu電dian機ji的de普pu及ji應ying用yong具ju有you良liang好hao的de前qian景jing。為wei此ci,提ti出chu了le一yi種zhong基ji於yuTMS320F2812的全數字永磁無刷直流電機控製方案。
2 係統設計方案
該係統設計采用三相Y型永磁方波無刷電機PWM控製方案,通電方式為兩兩通電。圖1給出控製係統原理框圖。它采用全數字三閉環控製。其中,電流環采用PI調節器,速度環采用遇限削弱積分的積分分離PID控製算法,它的輸出極性決定了正反轉方向,從而可實現電機的四象限運行。位置環采用PI調節器。逆變器采用全橋型PWM調製。

3 係統硬件設計
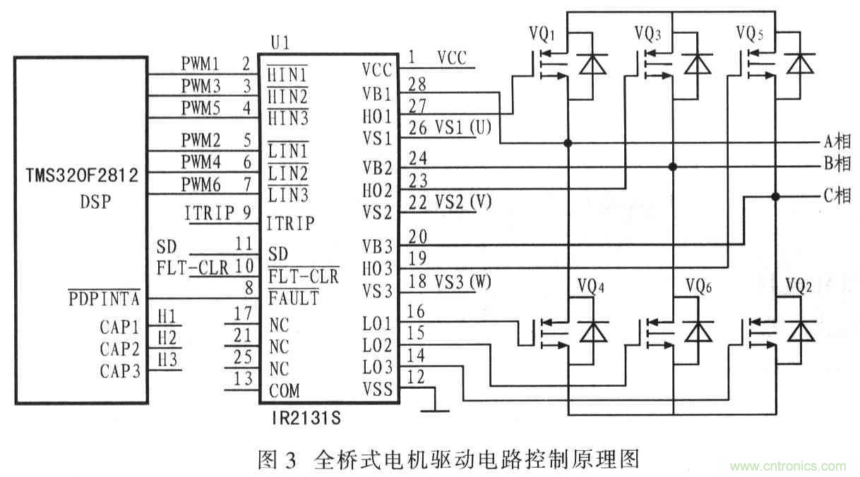
圖2給出基於TMS320F2812的無刷直流電機控製係統。采用TMS320F2812作為控製器,用於處理采集到的數據和發送控製命令。TMS320F2812控製器首先通過3個I/0端口捕捉直流電機上霍爾元件H1,H2,H3的高速脈衝信號,檢測轉子的轉動位置,並根據轉子的位置發出相應的控製字,以改變PWM信號的當前值,進而改變直流電機驅動電路(全橋控製電路IGBT)中功率管的導通順序,實現對電機轉速和轉動方向的控製。電機的碼盤信號A,B通過TMS320F2812 DSP控製器的CAP1,CAP2端口捕捉的。捕捉到的數據存儲在寄存器中,通過比較捕捉到A,B兩liang相xiang脈mai衝chong值zhi,以yi確que定ding當dang前qian電dian機ji的de正zheng反fan轉zhuan狀zhuang態tai和he轉zhuan速su。在zai係xi統tong運yun行xing中zhong,驅qu動dong保bao護hu電dian路lu檢jian測ce當dang前qian係xi統tong的de運yun行xing狀zhuang態tai,如ru果guo係xi統tong中zhong出chu現xian過guo流liu或huo欠qian壓ya狀zhuang況kuang,PWM信號驅動器(IR2131)啟動內部保護電路,鎖存後繼PWM信號輸出,同時通過FAULT引腳拉低TMS320F2812控製器的PDPINTA引腳電壓,啟動DSP控製器的電源驅動保護。這時所有EV模塊的輸出引腳將被硬件置為高阻態,從而保護控製係統。以下主要介紹係統中的轉子位置檢測電路、相電流檢測電路、驅動電路、係統保護電路等。

3.1 轉子位置檢測電路
控製無刷直流電機時,DSP控製器根據轉子的當前轉動位置,發送相應的控製字,通過改變PWM脈衝信號的占空比控製電機。無刷直流電機的轉子位置是由位置傳感器來檢測的。該係統設計采用了3個光電式位置傳感器(霍爾元件),它們是利用光電效應製成的,由跟隨電機轉子一起旋轉的遮光板和固定不動的光源及光電管等部件組成。
隨著電機轉子的旋轉,光電管間歇接收從光源發出的光,不斷導通和截止,從而產生一係列“0”和“l”的信號。這些脈衝信號通過I/0端口傳輸給DSP,DSP讀取霍爾元件的狀態值,以確定轉子的當前位置。再通過改變PWM信號的占空比控製驅動電路,改變IGBT的導通順序,實現電機的換相控製.並調節電機的轉速。電機驅動電路控製橋臂上的功率管導通順序為VQ1,VQ2→VQ2,VQ3→VQ3,VQ4→VQ4,VQ5→VQ5,VQ6→VQ6,VQ1(兩兩通電)。電機轉子每轉一圈,H1,H2,H3將出現10l→100→110→010→011→00l的6種狀態,DSP對每一種狀態發送相應的控製字。改變電機的通電相序,實現電機的連續運行。圖3給出電機驅動電路控製原理圖。

3.2 相電流檢測電路
電流反饋通道由霍爾元件、運算放大器和A/D轉換器組成。電流反饋采用變比為1:1 000的(de)磁(ci)平(ping)衡(heng)式(shi)霍(huo)爾(er)元(yuan)件(jian),該(gai)元(yuan)件(jian)的(de)輸(shu)出(chu)為(wei)電(dian)流(liu)信(xin)號(hao),並(bing)且(qie)信(xin)號(hao)較(jiao)弱(ruo),必(bi)須(xu)經(jing)過(guo)精(jing)密(mi)電(dian)阻(zu)轉(zhuan)換(huan)成(cheng)電(dian)壓(ya)信(xin)號(hao),再(zai)經(jing)過(guo)放(fang)大(da)處(chu)理(li),得(de)到(dao)電(dian)流(liu)的(de)雙(shuang)極(ji)性(xing)信(xin)號(hao)。因(yin)為(wei)DSP中A/D轉換單元的輸入範圍是0~3.3 V(單極性),需要設計將雙極性信號變為單極性的電路,再送到A/D轉換器。圖4給出電路原理圖。

3.3 驅動電路
電機控製器驅動電路采用IR2131(見圖5)。IR2131/IR2132是一種采用高壓、高速功率MOSFlET和IGBT的驅動器。IR2131可同時控製6個功率管的導通和關斷。通過輸出端口H01,H02,H03分別控製三相全橋驅動電路中上半橋VQ1、VQ5、VQ5的導通和關斷,通過輸出端口L0l、L02、L03分別控製三相全橋驅動電路中下半橋VQ4、VQ6、VQ2的導通和關斷,從而實現控製電機轉速和正反轉。

3.4 係統保護電路
在無刷直流電機控製係統中,保護電路具有重要作用,可保護控製係統的核心器件DSP免受高壓、過電流的衝擊,同時也保護電機的驅動電路免遭損壞。整個係統的保護電路主要由電路隔離、信號隔離和驅動保護3部分組成。
3.4.1 隔離電路
信號隔離電路是把控製電路與驅動電路之間的控製信號和驅動信號通過光電隔離器進行信號隔離,實現不同電壓之間的信號傳輸,如圖6所示。該隔離電路可實現對DSP的6路PWM輸出信號與IGBT的光電隔離,並實現驅動和電平轉換功能。

3.4.2 保護電路
為保證係統中功率轉換電路及電機驅動電路安全可靠工作,TMS320F2812還提供了PDPINT輸入信號,利用它可方便地實現伺服係統的各種保護功能。圖7給出具體實現電路。各種故障信號由CD8128綜合後,經光電隔離輸入到PDPINT引腳。有任何故障狀態出現時CD8128輸出低電平,PDPINT引腳也被拉為低電平。此時,DSP內的定時器立即停止計數,所有PWM輸出引腳全部呈高阻狀態.同時產生中斷信號,通知CPU有異常情況發生。整個過程不需程序幹預,全部自動完成,這對實現各種故障狀態的快速處理非常有用。
4 係統與上位機的通訊
係統采用SCI接口完成與上位機的通訊功能,采用RS-232通信,通過上位機給定位置量.同時控製過程中電機的速度、電流、位置反饋量等參數,以實時發送上位機顯示;SPI接口完成串行驅動數碼管顯示功能.通過數字I/O擴展的鍵盤設定位置給定量,由數碼管顯示。
5 實驗結果
在硬件電路的基礎上,通過軟件編程得到圖8所示的兩個實驗結果。其中,圖8(a)為係統在常規PID控製下的係統跟蹤特性曲線;圖8(b)為係統在模糊PID係統跟蹤特性下的試驗曲線。

6 結語
采用TMS320F2812為核心設計的數字伺服係統,解決了伺服係統中PWM信號的生成、電(dian)機(ji)速(su)度(du)反(fan)饋(kui)及(ji)電(dian)機(ji)電(dian)流(liu)反(fan)饋(kui)問(wen)題(ti),方(fang)便(bian)地(di)實(shi)現(xian)了(le)保(bao)護(hu)功(gong)能(neng),極(ji)大(da)地(di)簡(jian)化(hua)了(le)係(xi)統(tong)硬(ying)件(jian)設(she)計(ji),提(ti)高(gao)了(le)係(xi)統(tong)的(de)可(ke)靠(kao)性(xing),減(jian)小(xiao)了(le)伺(si)服(fu)係(xi)統(tong)的(de)體(ti)積(ji)。降(jiang)低(di)了(le)成(cheng)本(ben)(降低約20%)。實驗結果驗證了該方法的有效性。
【推薦閱讀】
D級放大器如何彌補與高分辨率AB級放大器的差距
場效應管特性及單端甲類功放製作全過程
光學雷達(LiDAR)在無人駕駛技術中的應用
低壓低功耗CMOS電流反饋運算放大器設計
節能燈和電子整流器三極管參數的選擇指南
特別推薦
- 噪聲中提取真值!瑞盟科技推出MSA2240電流檢測芯片賦能多元高端測量場景
- 10MHz高頻運行!氮矽科技發布集成驅動GaN芯片,助力電源能效再攀新高
- 失真度僅0.002%!力芯微推出超低內阻、超低失真4PST模擬開關
- 一“芯”雙電!聖邦微電子發布雙輸出電源芯片,簡化AFE與音頻設計
- 一機適配萬端:金升陽推出1200W可編程電源,賦能高端裝備製造
技術文章更多>>
- 三星上演罕見對峙:工會集會討薪,股東隔街抗議
- 摩爾線程實現DeepSeek-V4“Day-0”支持,國產GPU適配再提速
- 築牢安全防線:智能駕駛邁向規模化應用的關鍵挑戰與破局之道
- GPT-Image 2:99%文字準確率,AI生圖告別“鬼畫符”
- 機器人馬拉鬆的勝負手:藏在主板角落裏的“時鍾戰爭”
技術白皮書下載更多>>
- 車規與基於V2X的車輛協同主動避撞技術展望
- 數字隔離助力新能源汽車安全隔離的新挑戰
- 汽車模塊拋負載的解決方案
- 車用連接器的安全創新應用
- Melexis Actuators Business Unit
- Position / Current Sensors - Triaxis Hall
熱門搜索
鑒頻器
江蘇商絡
交流電機
腳踏開關
接觸器接線
接近開關
接口IC
介質電容
介質諧振器
金屬膜電阻
晶體濾波器
晶體諧振器
晶體振蕩器
晶閘管
精密電阻
精密工具
景佑能源
聚合物電容
君耀電子
開發工具
開關
開關電源
開關電源電路
開關二極管
開關三極管
科通
可變電容
可調電感
可控矽
空心線圈

