HOMSEMI MOSFET基於100KHz逆變焊機的應用評測
發布時間:2012-05-23 來源:成啟半導體
中心議題:
本逆變焊機由香港凱泰科電子有限公司(KEYTECH)和成啟半導體(HOMSEMI)合作開發,逆變頻率在100KHz以上。由於本逆變焊機的工作頻率為100KHz以上,可以對熔滴過渡細分為多個階段進行控製。對CO2氣體保護焊來講,本方案可以大幅度降低飛濺。對脈衝熔化極惰性/活性氣體保護焊(MIG/MAG),benfangankeyouxiaodikongzhisheliuguodudewendingxing,haikeyijiangrongdiguoduhesongsijigoudeyundongjieheqilai,jinxingyibukongzhirongdiguodudeguocheng。zhexieshichuantongzhengliuhanjiwufazuodaode。chuantonghanjizhongbianyaqidezhongliangzhanlehanjizhongliangde80%以上,逆變焊機中變壓器重量是焊機重量的1/5--1/10。逆變焊機重量是同容量整流焊機的1/2--1/4。
焊(han)機(ji)是(shi)一(yi)個(ge)特(te)殊(shu)的(de)電(dian)源(yuan),輸(shu)出(chu)負(fu)載(zai)是(shi)電(dian)弧(hu),有(you)空(kong)載(zai),短(duan)路(lu)的(de)過(guo)程(cheng),焊(han)接(jie)電(dian)源(yuan)必(bi)須(xu)滿(man)足(zu)焊(han)接(jie)過(guo)程(cheng)穩(wen)定(ding)性(xing)的(de)要(yao)求(qiu)。在(zai)許(xu)多(duo)場(chang)合(he)下(xia),焊(han)接(jie)過(guo)程(cheng)由(you)人(ren)來(lai)完(wan)成(cheng),電(dian)源(yuan)輸(shu)出(chu)端(duan)經(jing)常(chang)要(yao)接(jie)觸(chu)到(dao)人(ren)的(de)身(shen)體(ti),所(suo)以(yi)在(zai)焊(han)接(jie)電(dian)源(yuan)除(chu)滿(man)足(zu)焊(han)接(jie)過(guo)程(cheng)的(de)要(yao)求(qiu)外(wai),還(hai)要(yao)滿(man)足(zu)人(ren)身(shen)的(de)安(an)全(quan)要(yao)求(qiu)。以(yi)國(guo)內(nei)市(shi)電(dian)為(wei)例(li),輸(shu)入(ru)220V交流電經整流後,變成310V左(zuo)右(you)的(de)高(gao)壓(ya)直(zhi)流(liu)電(dian),經(jing)逆(ni)變(bian)器(qi)變(bian)成(cheng)高(gao)頻(pin)交(jiao)流(liu),經(jing)變(bian)壓(ya)器(qi)降(jiang)壓(ya),整(zheng)流(liu)濾(lv)波(bo)後(hou)變(bian)成(cheng)平(ping)滑(hua)直(zhi)流(liu)電(dian)供(gong)焊(han)機(ji)使(shi)用(yong)。在(zai)焊(han)接(jie)鋁(lv),鎂(mei)等(deng)金(jin)屬(shu)時(shi)需(xu)要(yao)交(jiao)流(liu)電(dian)弧(hu),還(hai)需(xu)要(yao)再(zai)加(jia)二(er)次(ci)逆(ni)變(bian)環(huan)節(jie),將(jiang)直(zhi)流(liu)變(bian)為(wei)交(jiao)流(liu),產(chan)生(sheng)交(jiao)流(liu)電(dian)弧(hu),完(wan)成(cheng)焊(han)接(jie)過(guo)程(cheng)。
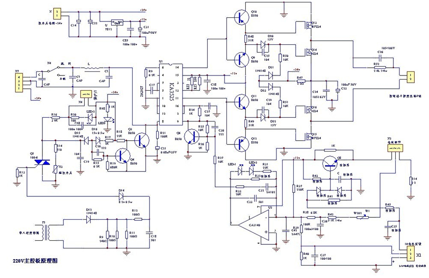
本逆變焊機方案采用純硬件結構,主控芯片選用FAIRCHILD公司的電源IC KA3525 驅動12個成啟半導體(HOMSEMI)大功率MOSFET HS20N50。 橋式逆變電路由4*3個HS20N50和變壓器組成,變壓器一次回路中串聯隔直電容來校正變壓器的磁偏。
早期的逆變焊機中功率開關器件采用晶閘管,逆變頻率為2--3KHz,變壓器鐵心采用矽鋼片,本機采用成啟半導體(HOMSEMI)MOSFET,逆變頻率為100KHz以上,主變壓器鐵心采用微晶鐵心和鐵氧體。主變壓器介電強度和絕緣電阻均滿足國標要求,有理想的短路電流控製特性。
方案優勢
HS20N50:
圖3:逆變焊機主功率MOS工作波形
逆變氣保焊(NB係列)控製電路的特點
1,對其送絲機上的給定係統(電壓、送絲速度)進行了線性化處理,杜絕了小規範難以調整的缺陷。
2,對係統解調後的電壓、送絲(電流)速度給定信號進行了同步精密整流處理,消除了此類焊機大規範長線(收弧)情況下給定信號被幹擾的現象。
3,優化了波形控製電路,大大減小了短路過渡下的焊接飛濺,從而提高了焊接質量。
IGBT在焊機中的應用
隨著IGBT技術的成熟,其在焊機的應用中越來越廣泛。IGBT即雙極型絕緣效應管,其開關頻率在20KHZ~50KHZ之間。但它可以通過大電流(單管可達60A),而且由於外封裝引腳間距大,爬電距離大,能抵禦環境高壓的影響,安全可靠;同時IGBT與場效應管相比具有更低的導通壓降,在大電流使用環境下IGBT發熱量更小,所以IGBT特別適合應用在大功率逆變焊機。廣州成啟半導體已經啟動IGBT發展戰略,將聯合上下遊廠商開發出越來越多的IGBT器件。
關於成啟半導體
廣州成啟半導體有限公司(HOMSEMI)是研發和生產功率半導體(MOSFET、IGBT)的一家高新科技企業,其經營特點是產品均與應用方案結合,針對具體不同的應用進行參數的匹配和優化。
香港凱泰科電子有限公司(KEYTECH):專注於功率電子元件的發展應用,特別在逆變焊機的應用中積累了深厚的經驗,可根據客戶需求設計逆變焊機方案並提供模板。
- 本方案逆變頻率在100KHz以上, 可對熔滴過渡實現精細控製
- 主控選用KA3525 驅動12個成啟半導體MOSFET HS20N50
- 主變壓器鐵心采用微晶鐵心和鐵氧體,重量比矽鋼片輕
本逆變焊機由香港凱泰科電子有限公司(KEYTECH)和成啟半導體(HOMSEMI)合作開發,逆變頻率在100KHz以上。由於本逆變焊機的工作頻率為100KHz以上,可以對熔滴過渡細分為多個階段進行控製。對CO2氣體保護焊來講,本方案可以大幅度降低飛濺。對脈衝熔化極惰性/活性氣體保護焊(MIG/MAG),benfangankeyouxiaodikongzhisheliuguodudewendingxing,haikeyijiangrongdiguoduhesongsijigoudeyundongjieheqilai,jinxingyibukongzhirongdiguodudeguocheng。zhexieshichuantongzhengliuhanjiwufazuodaode。chuantonghanjizhongbianyaqidezhongliangzhanlehanjizhongliangde80%以上,逆變焊機中變壓器重量是焊機重量的1/5--1/10。逆變焊機重量是同容量整流焊機的1/2--1/4。
焊(han)機(ji)是(shi)一(yi)個(ge)特(te)殊(shu)的(de)電(dian)源(yuan),輸(shu)出(chu)負(fu)載(zai)是(shi)電(dian)弧(hu),有(you)空(kong)載(zai),短(duan)路(lu)的(de)過(guo)程(cheng),焊(han)接(jie)電(dian)源(yuan)必(bi)須(xu)滿(man)足(zu)焊(han)接(jie)過(guo)程(cheng)穩(wen)定(ding)性(xing)的(de)要(yao)求(qiu)。在(zai)許(xu)多(duo)場(chang)合(he)下(xia),焊(han)接(jie)過(guo)程(cheng)由(you)人(ren)來(lai)完(wan)成(cheng),電(dian)源(yuan)輸(shu)出(chu)端(duan)經(jing)常(chang)要(yao)接(jie)觸(chu)到(dao)人(ren)的(de)身(shen)體(ti),所(suo)以(yi)在(zai)焊(han)接(jie)電(dian)源(yuan)除(chu)滿(man)足(zu)焊(han)接(jie)過(guo)程(cheng)的(de)要(yao)求(qiu)外(wai),還(hai)要(yao)滿(man)足(zu)人(ren)身(shen)的(de)安(an)全(quan)要(yao)求(qiu)。以(yi)國(guo)內(nei)市(shi)電(dian)為(wei)例(li),輸(shu)入(ru)220V交流電經整流後,變成310V左(zuo)右(you)的(de)高(gao)壓(ya)直(zhi)流(liu)電(dian),經(jing)逆(ni)變(bian)器(qi)變(bian)成(cheng)高(gao)頻(pin)交(jiao)流(liu),經(jing)變(bian)壓(ya)器(qi)降(jiang)壓(ya),整(zheng)流(liu)濾(lv)波(bo)後(hou)變(bian)成(cheng)平(ping)滑(hua)直(zhi)流(liu)電(dian)供(gong)焊(han)機(ji)使(shi)用(yong)。在(zai)焊(han)接(jie)鋁(lv),鎂(mei)等(deng)金(jin)屬(shu)時(shi)需(xu)要(yao)交(jiao)流(liu)電(dian)弧(hu),還(hai)需(xu)要(yao)再(zai)加(jia)二(er)次(ci)逆(ni)變(bian)環(huan)節(jie),將(jiang)直(zhi)流(liu)變(bian)為(wei)交(jiao)流(liu),產(chan)生(sheng)交(jiao)流(liu)電(dian)弧(hu),完(wan)成(cheng)焊(han)接(jie)過(guo)程(cheng)。
本逆變焊機方案采用純硬件結構,主控芯片選用FAIRCHILD公司的電源IC KA3525 驅動12個成啟半導體(HOMSEMI)大功率MOSFET HS20N50。 橋式逆變電路由4*3個HS20N50和變壓器組成,變壓器一次回路中串聯隔直電容來校正變壓器的磁偏。
早期的逆變焊機中功率開關器件采用晶閘管,逆變頻率為2--3KHz,變壓器鐵心采用矽鋼片,本機采用成啟半導體(HOMSEMI)MOSFET,逆變頻率為100KHz以上,主變壓器鐵心采用微晶鐵心和鐵氧體。主變壓器介電強度和絕緣電阻均滿足國標要求,有理想的短路電流控製特性。
方案優勢
- 體積小重量輕
- 節能
- 可實現熔滴過度的精細控製
HS20N50:
- HOMSEMI PLANNAR MOSFET
- VDS:500V
- ID:20A
- 針對逆變焊機應用優化

圖1:逆變焊機原理框圖

圖2:逆變焊機主控電路原理圖
圖3:逆變焊機主功率MOS工作波形
逆變氣保焊(NB係列)控製電路的特點
1,對其送絲機上的給定係統(電壓、送絲速度)進行了線性化處理,杜絕了小規範難以調整的缺陷。
2,對係統解調後的電壓、送絲(電流)速度給定信號進行了同步精密整流處理,消除了此類焊機大規範長線(收弧)情況下給定信號被幹擾的現象。
3,優化了波形控製電路,大大減小了短路過渡下的焊接飛濺,從而提高了焊接質量。
IGBT在焊機中的應用
隨著IGBT技術的成熟,其在焊機的應用中越來越廣泛。IGBT即雙極型絕緣效應管,其開關頻率在20KHZ~50KHZ之間。但它可以通過大電流(單管可達60A),而且由於外封裝引腳間距大,爬電距離大,能抵禦環境高壓的影響,安全可靠;同時IGBT與場效應管相比具有更低的導通壓降,在大電流使用環境下IGBT發熱量更小,所以IGBT特別適合應用在大功率逆變焊機。廣州成啟半導體已經啟動IGBT發展戰略,將聯合上下遊廠商開發出越來越多的IGBT器件。
關於成啟半導體
廣州成啟半導體有限公司(HOMSEMI)是研發和生產功率半導體(MOSFET、IGBT)的一家高新科技企業,其經營特點是產品均與應用方案結合,針對具體不同的應用進行參數的匹配和優化。
香港凱泰科電子有限公司(KEYTECH):專注於功率電子元件的發展應用,特別在逆變焊機的應用中積累了深厚的經驗,可根據客戶需求設計逆變焊機方案並提供模板。
特別推薦
- 噪聲中提取真值!瑞盟科技推出MSA2240電流檢測芯片賦能多元高端測量場景
- 10MHz高頻運行!氮矽科技發布集成驅動GaN芯片,助力電源能效再攀新高
- 失真度僅0.002%!力芯微推出超低內阻、超低失真4PST模擬開關
- 一“芯”雙電!聖邦微電子發布雙輸出電源芯片,簡化AFE與音頻設計
- 一機適配萬端:金升陽推出1200W可編程電源,賦能高端裝備製造
技術文章更多>>
- 大聯大世平集團首度亮相北京國際汽車展 攜手全球芯片夥伴打造智能車整合應用新典範
- 2026北京車展即將啟幕,高通攜手汽車生態“朋友圈”推動智能化體驗再升級
- 邊緣重構智慧城市:FPGA SoM 如何破解視頻係統 “重而慢”
- 如何使用工業級串行數字輸入來設計具有並行接口的數字輸入模塊
- 意法半導體將舉辦投資者會議探討低地球軌道(LEO)發展機遇
技術白皮書下載更多>>
- 車規與基於V2X的車輛協同主動避撞技術展望
- 數字隔離助力新能源汽車安全隔離的新挑戰
- 汽車模塊拋負載的解決方案
- 車用連接器的安全創新應用
- Melexis Actuators Business Unit
- Position / Current Sensors - Triaxis Hall
熱門搜索




