電容型高功率脈衝電源控製電路的設計及改進
發布時間:2012-02-06
中心議題:
- 電容型高功率脈衝電源中控製電路基本功能
- 控製器件選用
- 控製電路設計及改進
本ben文wen論lun述shu了le電dian容rong型xing高gao功gong率lv脈mai衝chong電dian源yuan中zhong控kong製zhi電dian路lu的de基ji本ben功gong能neng。指zhi出chu控kong製zhi電dian路lu設she計ji選xuan用yong固gu態tai繼ji電dian器qi主zhu要yao原yuan因yin是shi其qi具ju有you優you良liang的de抗kang震zhen動dong性xing能neng。采cai用yong經jing驗yan法fa設she計ji了le控kong製zhi電dian路lu,並bing通tong過guo試shi用yong改gai進jin了le控kong製zhi電dian路lu。設she計ji的de控kong製zhi電dian路lu滿man足zu了le電dian熱re化hua學xue炮pao與yu高gao功gong率lv脈mai衝chong電dian源yuan實shi用yong化hua一yi體ti集ji成cheng需xu要yao。
1 引 言
高功率脈衝電源(PPS)是為脈衝功率裝置負載提供電磁能量的裝置。由多個脈衝電容器組為儲能單元並聯組成的PPS,具有儲能簡單,造價低、波形靈活可調,所需充電功率小,抗幹擾能力強,方便運輸等突出優點,在電熱化學炮(ETcG)研究領域得到了廣泛應用。
實驗研究用的PPS通常由充電子係統、脈衝成形子係統、彙流排及大功率傳輸線、控製與測試子係統、屏蔽與接地子係統等幾部分組成。為了避開ETCG發射時劇烈的機械震動和強烈的電磁幹擾,實驗研究時PPS的控製子係統的電路通常采用遠方方式設計和使用。隨著ETCG朝實用化方向發展,需要ETCG與PPS諸係統集成一體,從而要求控製電路必須具有優良的抗機械震動性能,並能在強電磁幹擾環境中使用。
2 控製電路功能
PPS工作時,由控製電路對係統各階段狀態進行監測,並根據監測情況發指令進行係統狀態跳轉。
控製電路主要功能是實現PPS的充、放電電控製。
通常,充電子係統內部配有過電流、過電壓和過熱等故障保護或異常告警裝置。但這些裝置的保護範圍一般僅限於充電子係統內部,PPS放電時浪湧電壓等外部因素仍可能造成充電設備損壞。因此,在儲能單元和充電子係統間還需配置一些隔離和保護電路。圖1給出了用於ETCG研究的PPS所配置的充電隔離及保護電路。圖1中,充電隔離開關(Kc)和地絕緣隔離開關(Kg)在充電結束後打開,用以防止PPS放電時由負載等因素產生的浪湧高電壓通過充電子係統對地放電,可以避免因此所造成的充電設備絕緣損壞;充電輸出終端並聯了一小容量電容器(Cp)及其安全釋能電路(開關Kp、電阻Rp),目的在於防止空載誤充電,以避免在此情況下充電電路末端電壓急劇升高損壞充電設備。

圖1 充電隔離保護電路
脈衝電容器儲能後,由控製電路發送命令進行觸發放電(ETcG發射)。ETCG發射精度和一致性與PPSchunengliangmiqiexiangguan,dianrongqichunengdaxiaoyuqichongdiandianyadeliangzhipingfangchengzhengbi,yincikongzhidianlubixunengjingquekongzhichongdiandianyaliangzhi,zhekeyitongguoyubeichongdianrongqizubinglian"分壓器一電壓繼電器組"來實現,見圖2。

圖2 充電電壓測控與安全釋能電路
工作中有可能因安全因素或異常情況需要取消ETCG發射,這種情況下電容器可能已經儲存了大量電能。此外,ETCG發射後電容器一般仍存儲著一些剩餘電能。因此,如圖2所示,PPS安裝了儲能安全釋放電路,Kd是安全釋能開關,其狀態受控於控製電路,Rd為安全釋能電阻。
[page]
因此,控製電路應具備如下基本功能:
(1)高壓繼電開關狀態控製。控製電路必須能使各高壓繼電開關通斷狀態正確對應於PPS的不同工作階段,見表1;
(2)充電啟、停控製。充電設備將根據控製電路命令啟動或停止充電;
(3)放電控製。在正常情況下,電容器組儲能結束後,PPS將根據控製電路命令啟動觸發放電(ETCG發射);
(4)急停控製。工作中,若係統某個部分(器件)發生異常或出現安全隱患,控製電路應具有使充電設備緊急停車功能,並能使電容器安全釋能。

表1 被控繼電開關狀態
3 控製器件選用
ETcG發射特點不僅是高電壓、強電流,而且伴隨著強烈的機械震動。因此,選用控製器件時必須兼顧器件的電磁兼容(EMC)性能和抗震動性能。
實驗研究用PPS的控製電路一般為遠方模式,可以采用單片機等微控製器(MCU)或者電磁式繼電器(EMR)進行電路設計。但係統一體集成時,ETCG發射所引起的強震動、強電磁幹擾將致使MCU不能正常工作甚至損壞,同樣,由於具有金屬線圈和機械觸點,EMR也難免發生誤動作或損壞。
調查發現,固態繼電器(SSR)可在強震動工況下使用。作為一種由固態電子元件組成的新型無觸點開關器件,SSR近年來在民用工控領域得到了廣泛應用。它是依靠半導體器件和電子元件的電、光特性來完成隔離和繼電切換功能的。由於沒有電磁線圈,且不含運動零部件,因而它不怕劇烈的機械震動。根據文獻[4]所進行的電磁抗幹擾能力測試與給出的EMC抗幹擾標準,SSR也具有良好的EMC性能,在類似於ETCG工況的電磁環境中使用完全合適。因此,電路設計時控製器件選用了SSR.
4 控製電路設計
圖3是基於PPSkongzhigongnengyaoqiu,caiyongjingyanfashejidekongzhidianlu。xuyaozhichu,weilerangbeikongjidiankaiguantongduanzhuangtaixinxishishidifankuiyukongzhihuanjie,xitongzhongshiyongdegaoyajidiankaiguan(Kc、Kg、Kd、Kp)均帶有位置行程輔助開關。
圖3(a)中,KM1-4為SSR,SB1-4為自鎖按鈕。係統上電後,通過按鈕SB1啟動KM1和KM2,這樣Kd將首先得電動作,隨後Kc、Kg、Kp也相繼動作,為下一步進行的充電工作做好了準備。圖3(b)中,Kc和Kg啟動采用了位置接點Kdl,同樣Kp啟動也采用了位置接點Kcl和Kgl,這樣設計目的是使控製電路具有了邏輯動作與防誤閉鎖功能。此時隻要充電設備自檢正常(圖3(a)中"充電機正常"接點閉合),則燈HI 1指示可以進行充電,通過按鈕SB2啟動KM3便可對脈衝電容器組進行充電。脈衝電容器電壓達到預設值後,KV動作,常閉接點KV1斷開致使KM2失電,則Kc、Kg、Kp相繼返回,同時Kp返回又使KM3失電,這樣Kc、Kg斷開,充電機停止工作,滿足了係統放電前提。此時燈HL1熄滅、KV2接通,燈HL2指示充電完畢,通過按鈕SB3啟動KM4則可進行ETCG發射。

圖3 基本控製電路
若遇到異常需要工作急停,僅需通過按鈕SB4使KM1失電即可。KM1失電將使得Kd複位閉合,脈衝電容器中存儲的能量便通過電阻Rd安全釋放;同時,由於位置接點Kdl斷開,Kc、Kg、Kp相繼複位,係統從而完全停止運行。在ETCG發射完畢後SB4還被用作狀態複位按鈕。
[page]
5 電路試用及改進
將圖3電路組裝於鋼箱內,安裝在電容8 000uF、脈衝成形電感10uH、工作電壓15 kV的PPS上,通過模擬ETCG工況對電路進行了試用。
試用期間電路出現了SSR誤動作問題。統計發現,出現SSR誤動的工作次數約占總工作次數的7%.分析表明,SSR誤動作的原因來自PPS充放電所產生的強電磁幹擾,與機械震動無關。SSR通常因DC輸入側或AC輸出負載側出現了較大電磁噪音(或浪湧)而誤動作。PPS中,被控高壓繼電開關(Kc、Kg、Kd、Kp)采用的是大功率電磁鐵開關,線圈通斷電和強電磁幹擾必然會生成電磁噪音或浪湧。此外,控製電源、控製線路也會因強電磁幹擾而出現諧波與噪音。
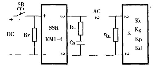
如圖4所示,針對PPS充放電所產生的強電磁幹擾,在控製電路中為SSR增裝了浪湧吸收等輔助保護電路。電阻Ru和吸收電路Rs-Cs用來防止負載所造成的SSR誤動;Ru用於吸收SSR斷開時繼電開關線圈的殘存能量以及因電磁幹擾產生的感應能量,能有效抑製因此所產生的電磁噪音與浪湧;Rs~Cs是SSR負載側浪湧吸收電路。電阻Rv作用是使SSR輸入端在SB斷開時具有相同電位,能防止輸入側噪音所引起的SSR誤動。

圖4 控製輔助電路
控製電路改進後試用沒有再次出現SSR誤動作,這說明其可以滿足ETCG與PPS一體化集成要求。
6 結束語
根據PPS控製電路功能要求和ETCG實用化方向發展要求,本文選用SSR進行了PPS控製電路設計,並通過模擬實驗對基於SSR設計的控製電路進行了試用和改進。與其他控製器件相比,SSR具有優良的抗震動性能和較強的電磁兼容能力,應用於強震動環境下的電控領域前景廣闊。
- 噪聲中提取真值!瑞盟科技推出MSA2240電流檢測芯片賦能多元高端測量場景
- 10MHz高頻運行!氮矽科技發布集成驅動GaN芯片,助力電源能效再攀新高
- 失真度僅0.002%!力芯微推出超低內阻、超低失真4PST模擬開關
- 一“芯”雙電!聖邦微電子發布雙輸出電源芯片,簡化AFE與音頻設計
- 一機適配萬端:金升陽推出1200W可編程電源,賦能高端裝備製造
- 貿澤EIT係列新一期,探索AI如何重塑日常科技與用戶體驗
- 算力爆發遇上電源革新,大聯大世平集團攜手晶豐明源線上研討會解鎖應用落地
- 創新不止,創芯不已:第六屆ICDIA創芯展8月南京盛大啟幕!
- AI時代,為什麼存儲基礎設施的可靠性決定數據中心的經濟效益
- 矽典微ONELAB開發係列:為毫米波算法開發者打造的全棧工具鏈
- 車規與基於V2X的車輛協同主動避撞技術展望
- 數字隔離助力新能源汽車安全隔離的新挑戰
- 汽車模塊拋負載的解決方案
- 車用連接器的安全創新應用
- Melexis Actuators Business Unit
- Position / Current Sensors - Triaxis Hall



