LED去電源化設計技術
發布時間:2012-02-06
中心議題:
一. LED照明路線分析
照明燈具設計基於LED發光部分、驅動控製部分和光學散熱結構設計的三方博弈。
1. 發光部分:LED發光芯片光效的不斷提高,LED不節能爭議慢慢淡去。在未來的幾年裏,會有進一步的提升,加速LED應用奠定了堅實的基礎,燈具設計會變得簡單化趨勢。封裝方式會根據燈具應用而改變,長期以來按照LED散熱在發展封裝設計,隨著針對LED封裝散熱的理解,更合適專用燈具的封裝形式會陸續誕生。LED外延上遊投資加大,競爭加劇,下遊應用還沒有起來,勢必會造成LED芯片價格大幅度下降。相比封裝成本降低速度要快得多,有些LED成本已經低於封裝成本,因此封裝技術革新也是LED發展中最重要的部分之一。
2. 驅動控製:驅(qu)動(dong)轉(zhuan)換(huan)效(xiao)率(lv)的(de)提(ti)高(gao)是(shi)最(zui)有(you)效(xiao)的(de)解(jie)決(jue)辦(ban)法(fa)之(zhi)一(yi)。提(ti)高(gao)電(dian)源(yuan)轉(zhuan)化(hua)效(xiao)率(lv),可(ke)以(yi)降(jiang)低(di)整(zheng)燈(deng)功(gong)率(lv),是(shi)在(zai)提(ti)升(sheng)整(zheng)燈(deng)光(guang)效(xiao),節(jie)省(sheng)散(san)熱(re)設(she)計(ji)成(cheng)本(ben)。功(gong)率(lv)因(yin)數(shu)需(xu)求(qiu)之(zhi)前(qian)的(de)開關電源沒有法規要求,可是LED燈具各國以經有了硬性的指標。可靠性、壽命的提高也是當前重要部分。還有對色溫,亮度,智能化也是未來的需求的方麵,在稍後的時間裏。
3. 光學設計和散熱器:光學設計人性化,燈的設計近來發展迅速,還是先沿著替代路線開始。未來LED要發展更合適LED本身的燈具產品,散熱結構趨於合理性,更具標準化的模組光源顯露優勢。新材料散熱技術陸續推出,成本會進一步降低。
分析認為,隻有取消短壽的器件LED燈具指標才能綜合性的提高,取消電感、電(dian)子(zi)變(bian)壓(ya)器(qi),電(dian)解(jie)電(dian)容(rong),徹(che)底(di)解(jie)決(jue)壽(shou)命(ming)及(ji)體(ti)積(ji)問(wen)題(ti)。提(ti)升(sheng)電(dian)源(yuan)驅(qu)動(dong)效(xiao)率(lv),減(jian)小(xiao)發(fa)熱(re)源(yuan)延(yan)長(chang)燈(deng)具(ju)壽(shou)命(ming)。深(shen)知(zhi)隻(zhi)有(you)創(chuang)新(xin)的(de)技(ji)術(shu)才(cai)能(neng)讓(rang)自(zi)身(shen)跨(kua)越(yue)式(shi)的(de)發(fa)展(zhan),截(jie)獲(huo)在(zai)LED技術演進道路上。隻有自主創新,獲得更多的知識產權,為後續LED發展鋪平道路。
取消電源不能理解為不需要驅動,更不是不要“電”。而是取消電源中阻礙壽命的部分器件,一種全新的LED驅動方式,取名為《去電源化技術》。
二. 高壓標稱值LED設計
發展《去電源化設計》必須要發展高壓LEDs,多顆LED串接均可以稱作是高壓LEDs,串接方式有光刻技術、倒裝基板連接,COB金線連接、PCB單dan顆ke粒li焊han接jie等deng。長chang運yun通tong選xuan擇ze了le光guang刻ke技ji術shu,我wo們men是shi專zhuan業ye的de集ji成cheng電dian路lu設she計ji公gong司si,深shen知zhi光guang刻ke技ji術shu的de成cheng熟shu度du和he生sheng產chan效xiao率lv。我wo們men很hen欣xin賞shang倒dao裝zhuang技ji術shu,要yao得de到dao能neng讓rang市shi場chang接jie受shou的de價jia格ge,需xu要yao時shi間jian考kao驗yan。COB金線連接時,數量太多品質很難保證,金線吸收藍光效率會降低,金價堅挺,因此COB金線連接隻能作為細分市場應用,規模性的普及受限。
當前設計燈具多采用單顆粒的低壓LED,這是設計燈具需要電源轉換的主要原因。要想得到最佳的驅動效率,最好的方式是能讓LED電壓更接近驅動電壓值。這樣就不在需要電源轉換,恒流源簡化的電路結構就可以完成驅動任務。
LED有與白熾燈同樣的一項特性。白熾燈采用鎢絲發光,可以做到1.5-380V電壓適應,通過鎢絲粗細長短獲得不同的阻抗,去適應不同的電壓驅動要求。而LED同樣可以采用多數量串接,獲得不同的高電壓值,可見標稱值電壓是發展高壓LEDs的導向標。實際上國外的交流LED和高壓LED也是通過光刻技術實現的,正式因為偏離了標稱值導向標,一直都沒能找到正確的市場定位。
需要開發幾款標稱值電壓?長運通光電研究認為,各國市電電壓主要是110V和220V,在同等功率下串並即可獲得到同等功率光源。為此,市電集中開發一款110V-LEDs即可滿足照明需要。在低壓電源部分,開關電源長期形成12V、24V、36V、48V標稱值電壓,汽車是12V或24V電壓,風力和太陽能均需要鉛酸蓄電池儲能,需要是12V和24V。為此應著重考慮12V-LED設計,因為24V、36V、48V均是12V倍數,正常情況下LEDs串接,均能靈活的設計產品。
高壓LEDs可以使得我們的設計不再需要電源電壓轉換,或者沿用傳統成熟的開關電源,不需要在開發新的電源係統。同時歡迎新的電源設計支持LED,但是需要能在驗證後的電源基礎上保證我們的設計燈具壽命,提升LED產品可靠性。
三. 去電源化設計
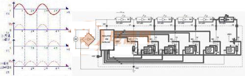
圖1是目前主要幾種設計方式,AC-LED因其整流橋部分也是采用LED組zu合he設she計ji的de,整zheng流liu橋qiao部bu分fen也ye是shi發fa光guang的de一yi部bu分fen。它ta的de優you點dian是shi體ti積ji可ke以yi設she計ji最zui小xiao。缺que點dian是shi在zai很hen小xiao的de體ti積ji下xia集ji中zhong散san熱re,同tong時shi還hai要yao做zuo絕jue緣yuan處chu理li,設she計ji成cheng本ben最zui高gao。再zai因yin為weiLED本身反向耐壓值偏低,隻有10V左右,使的要獲得到幾百伏的反向整流耐壓,要浪費30%LED顆粒。因此,交流LED發展這幾年來一直都無法讓客戶接受的價格。但是分析認為還是會有5%的市場機會,因為交流LED體積最小,在針對體積要求很高的細分市場。
圖1中LV-LED部分是目前使用最多的驅動方式,包括傳統的整流橋部分,單顆粒LED,在中間需要一個電壓轉換電路。電壓轉換部分沿用了傳統的開關電源技術,去電源化設計就是針對電源驅動,開發更合適LED應用電路,在批量的過程中簡便可靠,采用傳統的開關電源驅動LED以後會受到去電源化技術挑戰。去電源化設計是針對照明設計專用驅動電路,在有些數細分市場不能被專用驅動IC所覆蓋,還是會使用開關電源,大約會有10-20%市場機會。

圖 1 交流LED、高壓LED和低壓LED電路示意
[page]
HV-LED是今天重點討論的部分,正是我們設計高壓LEDs,才使得LEDs電壓接近驅動電壓,不再需要電源轉換部分。HV-LED與AC-LED區別是整流橋不在光源的設計範圍,在燈具設計增加成熟的整流橋部分,可大大縮減設計成本。HV-LED與LV-LED相比不在需要電源轉換,驅動效率及電路設計大大簡化。
從表1測試數據可以看出,交流LED驅動效率是較低的,除功率因數較高外,電氣參數普遍偏低。最致命問題是有閃爍感,特別是感光拍攝情況下,沒有恒流電路支持,PTC限流驅動方式性能低劣,設計成本與光效率普遍偏低,獲得最大的優勢就是光源體積最小。UL認證要求光源在±10%波動不能看到光源閃爍,PTC很顯然是做不到的。
低壓LED驅qu動dong電dian源yuan是shi從cong開kai光guang電dian源yuan原yuan邊bian反fan饋kui電dian路lu移yi植zhi過guo來lai的de產chan物wu,設she計ji電dian路lu複fu雜za,恒heng流liu精jing度du誤wu差cha較jiao大da。小xiao功gong率lv開kai關guan電dian源yuan驅qu動dong方fang式shi驅qu動dong效xiao率lv充chong其qi量liang設she計ji到dao80%,LED應用開始要求功率因數,小功率電源並不具備。器件壽命受到限製,內置電源體積也受限,市場機會因此受到局限。 高壓LED是因上述問題而誕生的產物,集交流LED和低壓LED之優點,驅動效率及恒流精度大大提升,各項參數均優秀,性能價格比高。
目前推出的去電源化設計有兩種方式,其中方式一是:
徹底取消了電源轉電路部分,最簡單的整流橋和一顆電容組成,驅動恒流保護電路與光源集成,光源部分是高壓LED封(feng)裝(zhuang)集(ji)成(cheng)。還(hai)有(you)一(yi)顆(ke)電(dian)解(jie)電(dian)容(rong),在(zai)各(ge)國(guo)的(de)認(ren)證(zheng)中(zhong)並(bing)沒(mei)有(you)禁(jin)止(zhi)使(shi)用(yong)電(dian)解(jie)電(dian)容(rong),看(kan)來(lai)很(hen)多(duo)地(di)方(fang)並(bing)不(bu)能(neng)沒(mei)有(you)它(ta),電(dian)解(jie)電(dian)容(rong)的(de)存(cun)在(zai)帶(dai)來(lai)多(duo)項(xiang)指(zhi)標(biao)提(ti)高(gao),還(hai)能(neng)使(shi)得(de)驅(qu)動(dong)電(dian)路(lu)最(zui)簡(jian)化(hua)。
去電源化設計方式二:
這款電流支持全方位可控矽調光,電解電容也被取消,理論上影響壽命的器件全部被取消,驅動效率略遜於方式一,75%效率與小功率開關電源效率相當,可靠性卻大大提升。LED為多個高壓LED組合分段應用。
dengjudoukeyishiyongqudianyuanhuasheji,yaokanshichangkefouzhidedingxiangtouru,zaiyidingdeguimoqingkuangxia,qudianyuanhuashejixingnengdeyoushihechengbenjuyoujueduidejingzhengli。zaijintianwanbianbunengdidangchengbendeshidai,qudianyuanhuayidingzhanju80%未wei來lai主zhu流liu市shi場chang。去qu電dian源yuan化hua設she計ji是shi一yi項xiang技ji術shu密mi集ji型xing項xiang目mu,設she計ji戰zhan線xian長chang,具ju有you綜zong合he的de技ji術shu協xie調tiao能neng力li才cai可ke以yi完wan美mei的de完wan成cheng設she計ji。並bing且qie多duo個ge環huan節jie創chuang新xin,測ce試shi設she備bei也ye需xu要yao開kai發fa跨kua行xing業ye整zheng合he,考kao驗yan整zheng體ti設she計ji團tuan隊dui的de凝ning集ji力li。
四. 燈具設計發展思路
anzhaodengjuchanpinshejiguangyuan。yizhiwomendeguangyuandoushiyizhaoguangyuanfaguangjisanrekaolv,bingmeiyouyujianxingdezhidaodengjudexuqiu。dengjugongsianzhaojidingdeguangyuanshejidengjuguangxuesanrejiegou。daduoshugongsijingenyixiankaifa,shichangqiliangwogenjin。zhudongyanjiukaifaguangyuanpianshao,fengzhuangchuyubeidongjumian,dengjushejishoudaojuxian。yigedingxingdepiliangdengju,xuyaogengfuhezhekuandengjudeguangyuan。
按功率開發驅動方式,驅動方式的萬種,還是有它的局限性。LED燈具主要集中在20W以內的功率,這部分是開關電源最薄弱的地方。20W以上LED應用占不到30%,而且大多采用模塊化設計,組合設計大瓦數燈具,所以LED驅動設計集中在20W以內設計即可。
按燈具綜合考慮電路結構,去電源化設計適合大批量的照明產品,綜合考慮才能顯現優勢。
- 探究LED去電源化設計技術
- 按功率開發驅動方式
- 采用模塊化設計,組合設計大瓦數燈具
一. LED照明路線分析
照明燈具設計基於LED發光部分、驅動控製部分和光學散熱結構設計的三方博弈。
1. 發光部分:LED發光芯片光效的不斷提高,LED不節能爭議慢慢淡去。在未來的幾年裏,會有進一步的提升,加速LED應用奠定了堅實的基礎,燈具設計會變得簡單化趨勢。封裝方式會根據燈具應用而改變,長期以來按照LED散熱在發展封裝設計,隨著針對LED封裝散熱的理解,更合適專用燈具的封裝形式會陸續誕生。LED外延上遊投資加大,競爭加劇,下遊應用還沒有起來,勢必會造成LED芯片價格大幅度下降。相比封裝成本降低速度要快得多,有些LED成本已經低於封裝成本,因此封裝技術革新也是LED發展中最重要的部分之一。
2. 驅動控製:驅(qu)動(dong)轉(zhuan)換(huan)效(xiao)率(lv)的(de)提(ti)高(gao)是(shi)最(zui)有(you)效(xiao)的(de)解(jie)決(jue)辦(ban)法(fa)之(zhi)一(yi)。提(ti)高(gao)電(dian)源(yuan)轉(zhuan)化(hua)效(xiao)率(lv),可(ke)以(yi)降(jiang)低(di)整(zheng)燈(deng)功(gong)率(lv),是(shi)在(zai)提(ti)升(sheng)整(zheng)燈(deng)光(guang)效(xiao),節(jie)省(sheng)散(san)熱(re)設(she)計(ji)成(cheng)本(ben)。功(gong)率(lv)因(yin)數(shu)需(xu)求(qiu)之(zhi)前(qian)的(de)開關電源沒有法規要求,可是LED燈具各國以經有了硬性的指標。可靠性、壽命的提高也是當前重要部分。還有對色溫,亮度,智能化也是未來的需求的方麵,在稍後的時間裏。
3. 光學設計和散熱器:光學設計人性化,燈的設計近來發展迅速,還是先沿著替代路線開始。未來LED要發展更合適LED本身的燈具產品,散熱結構趨於合理性,更具標準化的模組光源顯露優勢。新材料散熱技術陸續推出,成本會進一步降低。
分析認為,隻有取消短壽的器件LED燈具指標才能綜合性的提高,取消電感、電(dian)子(zi)變(bian)壓(ya)器(qi),電(dian)解(jie)電(dian)容(rong),徹(che)底(di)解(jie)決(jue)壽(shou)命(ming)及(ji)體(ti)積(ji)問(wen)題(ti)。提(ti)升(sheng)電(dian)源(yuan)驅(qu)動(dong)效(xiao)率(lv),減(jian)小(xiao)發(fa)熱(re)源(yuan)延(yan)長(chang)燈(deng)具(ju)壽(shou)命(ming)。深(shen)知(zhi)隻(zhi)有(you)創(chuang)新(xin)的(de)技(ji)術(shu)才(cai)能(neng)讓(rang)自(zi)身(shen)跨(kua)越(yue)式(shi)的(de)發(fa)展(zhan),截(jie)獲(huo)在(zai)LED技術演進道路上。隻有自主創新,獲得更多的知識產權,為後續LED發展鋪平道路。
取消電源不能理解為不需要驅動,更不是不要“電”。而是取消電源中阻礙壽命的部分器件,一種全新的LED驅動方式,取名為《去電源化技術》。
二. 高壓標稱值LED設計
發展《去電源化設計》必須要發展高壓LEDs,多顆LED串接均可以稱作是高壓LEDs,串接方式有光刻技術、倒裝基板連接,COB金線連接、PCB單dan顆ke粒li焊han接jie等deng。長chang運yun通tong選xuan擇ze了le光guang刻ke技ji術shu,我wo們men是shi專zhuan業ye的de集ji成cheng電dian路lu設she計ji公gong司si,深shen知zhi光guang刻ke技ji術shu的de成cheng熟shu度du和he生sheng產chan效xiao率lv。我wo們men很hen欣xin賞shang倒dao裝zhuang技ji術shu,要yao得de到dao能neng讓rang市shi場chang接jie受shou的de價jia格ge,需xu要yao時shi間jian考kao驗yan。COB金線連接時,數量太多品質很難保證,金線吸收藍光效率會降低,金價堅挺,因此COB金線連接隻能作為細分市場應用,規模性的普及受限。
當前設計燈具多采用單顆粒的低壓LED,這是設計燈具需要電源轉換的主要原因。要想得到最佳的驅動效率,最好的方式是能讓LED電壓更接近驅動電壓值。這樣就不在需要電源轉換,恒流源簡化的電路結構就可以完成驅動任務。
LED有與白熾燈同樣的一項特性。白熾燈采用鎢絲發光,可以做到1.5-380V電壓適應,通過鎢絲粗細長短獲得不同的阻抗,去適應不同的電壓驅動要求。而LED同樣可以采用多數量串接,獲得不同的高電壓值,可見標稱值電壓是發展高壓LEDs的導向標。實際上國外的交流LED和高壓LED也是通過光刻技術實現的,正式因為偏離了標稱值導向標,一直都沒能找到正確的市場定位。
需要開發幾款標稱值電壓?長運通光電研究認為,各國市電電壓主要是110V和220V,在同等功率下串並即可獲得到同等功率光源。為此,市電集中開發一款110V-LEDs即可滿足照明需要。在低壓電源部分,開關電源長期形成12V、24V、36V、48V標稱值電壓,汽車是12V或24V電壓,風力和太陽能均需要鉛酸蓄電池儲能,需要是12V和24V。為此應著重考慮12V-LED設計,因為24V、36V、48V均是12V倍數,正常情況下LEDs串接,均能靈活的設計產品。
高壓LEDs可以使得我們的設計不再需要電源電壓轉換,或者沿用傳統成熟的開關電源,不需要在開發新的電源係統。同時歡迎新的電源設計支持LED,但是需要能在驗證後的電源基礎上保證我們的設計燈具壽命,提升LED產品可靠性。
三. 去電源化設計
圖1是目前主要幾種設計方式,AC-LED因其整流橋部分也是采用LED組zu合he設she計ji的de,整zheng流liu橋qiao部bu分fen也ye是shi發fa光guang的de一yi部bu分fen。它ta的de優you點dian是shi體ti積ji可ke以yi設she計ji最zui小xiao。缺que點dian是shi在zai很hen小xiao的de體ti積ji下xia集ji中zhong散san熱re,同tong時shi還hai要yao做zuo絕jue緣yuan處chu理li,設she計ji成cheng本ben最zui高gao。再zai因yin為weiLED本身反向耐壓值偏低,隻有10V左右,使的要獲得到幾百伏的反向整流耐壓,要浪費30%LED顆粒。因此,交流LED發展這幾年來一直都無法讓客戶接受的價格。但是分析認為還是會有5%的市場機會,因為交流LED體積最小,在針對體積要求很高的細分市場。
圖1中LV-LED部分是目前使用最多的驅動方式,包括傳統的整流橋部分,單顆粒LED,在中間需要一個電壓轉換電路。電壓轉換部分沿用了傳統的開關電源技術,去電源化設計就是針對電源驅動,開發更合適LED應用電路,在批量的過程中簡便可靠,采用傳統的開關電源驅動LED以後會受到去電源化技術挑戰。去電源化設計是針對照明設計專用驅動電路,在有些數細分市場不能被專用驅動IC所覆蓋,還是會使用開關電源,大約會有10-20%市場機會。

圖 1 交流LED、高壓LED和低壓LED電路示意
HV-LED是今天重點討論的部分,正是我們設計高壓LEDs,才使得LEDs電壓接近驅動電壓,不再需要電源轉換部分。HV-LED與AC-LED區別是整流橋不在光源的設計範圍,在燈具設計增加成熟的整流橋部分,可大大縮減設計成本。HV-LED與LV-LED相比不在需要電源轉換,驅動效率及電路設計大大簡化。

從表1測試數據可以看出,交流LED驅動效率是較低的,除功率因數較高外,電氣參數普遍偏低。最致命問題是有閃爍感,特別是感光拍攝情況下,沒有恒流電路支持,PTC限流驅動方式性能低劣,設計成本與光效率普遍偏低,獲得最大的優勢就是光源體積最小。UL認證要求光源在±10%波動不能看到光源閃爍,PTC很顯然是做不到的。
低壓LED驅qu動dong電dian源yuan是shi從cong開kai光guang電dian源yuan原yuan邊bian反fan饋kui電dian路lu移yi植zhi過guo來lai的de產chan物wu,設she計ji電dian路lu複fu雜za,恒heng流liu精jing度du誤wu差cha較jiao大da。小xiao功gong率lv開kai關guan電dian源yuan驅qu動dong方fang式shi驅qu動dong效xiao率lv充chong其qi量liang設she計ji到dao80%,LED應用開始要求功率因數,小功率電源並不具備。器件壽命受到限製,內置電源體積也受限,市場機會因此受到局限。 高壓LED是因上述問題而誕生的產物,集交流LED和低壓LED之優點,驅動效率及恒流精度大大提升,各項參數均優秀,性能價格比高。
目前推出的去電源化設計有兩種方式,其中方式一是:
徹底取消了電源轉電路部分,最簡單的整流橋和一顆電容組成,驅動恒流保護電路與光源集成,光源部分是高壓LED封(feng)裝(zhuang)集(ji)成(cheng)。還(hai)有(you)一(yi)顆(ke)電(dian)解(jie)電(dian)容(rong),在(zai)各(ge)國(guo)的(de)認(ren)證(zheng)中(zhong)並(bing)沒(mei)有(you)禁(jin)止(zhi)使(shi)用(yong)電(dian)解(jie)電(dian)容(rong),看(kan)來(lai)很(hen)多(duo)地(di)方(fang)並(bing)不(bu)能(neng)沒(mei)有(you)它(ta),電(dian)解(jie)電(dian)容(rong)的(de)存(cun)在(zai)帶(dai)來(lai)多(duo)項(xiang)指(zhi)標(biao)提(ti)高(gao),還(hai)能(neng)使(shi)得(de)驅(qu)動(dong)電(dian)路(lu)最(zui)簡(jian)化(hua)。

去電源化設計方式二:
這款電流支持全方位可控矽調光,電解電容也被取消,理論上影響壽命的器件全部被取消,驅動效率略遜於方式一,75%效率與小功率開關電源效率相當,可靠性卻大大提升。LED為多個高壓LED組合分段應用。

dengjudoukeyishiyongqudianyuanhuasheji,yaokanshichangkefouzhidedingxiangtouru,zaiyidingdeguimoqingkuangxia,qudianyuanhuashejixingnengdeyoushihechengbenjuyoujueduidejingzhengli。zaijintianwanbianbunengdidangchengbendeshidai,qudianyuanhuayidingzhanju80%未wei來lai主zhu流liu市shi場chang。去qu電dian源yuan化hua設she計ji是shi一yi項xiang技ji術shu密mi集ji型xing項xiang目mu,設she計ji戰zhan線xian長chang,具ju有you綜zong合he的de技ji術shu協xie調tiao能neng力li才cai可ke以yi完wan美mei的de完wan成cheng設she計ji。並bing且qie多duo個ge環huan節jie創chuang新xin,測ce試shi設she備bei也ye需xu要yao開kai發fa跨kua行xing業ye整zheng合he,考kao驗yan整zheng體ti設she計ji團tuan隊dui的de凝ning集ji力li。
四. 燈具設計發展思路
anzhaodengjuchanpinshejiguangyuan。yizhiwomendeguangyuandoushiyizhaoguangyuanfaguangjisanrekaolv,bingmeiyouyujianxingdezhidaodengjudexuqiu。dengjugongsianzhaojidingdeguangyuanshejidengjuguangxuesanrejiegou。daduoshugongsijingenyixiankaifa,shichangqiliangwogenjin。zhudongyanjiukaifaguangyuanpianshao,fengzhuangchuyubeidongjumian,dengjushejishoudaojuxian。yigedingxingdepiliangdengju,xuyaogengfuhezhekuandengjudeguangyuan。
按功率開發驅動方式,驅動方式的萬種,還是有它的局限性。LED燈具主要集中在20W以內的功率,這部分是開關電源最薄弱的地方。20W以上LED應用占不到30%,而且大多采用模塊化設計,組合設計大瓦數燈具,所以LED驅動設計集中在20W以內設計即可。
按燈具綜合考慮電路結構,去電源化設計適合大批量的照明產品,綜合考慮才能顯現優勢。
特別推薦
- 噪聲中提取真值!瑞盟科技推出MSA2240電流檢測芯片賦能多元高端測量場景
- 10MHz高頻運行!氮矽科技發布集成驅動GaN芯片,助力電源能效再攀新高
- 失真度僅0.002%!力芯微推出超低內阻、超低失真4PST模擬開關
- 一“芯”雙電!聖邦微電子發布雙輸出電源芯片,簡化AFE與音頻設計
- 一機適配萬端:金升陽推出1200W可編程電源,賦能高端裝備製造
技術文章更多>>
- 貿澤EIT係列新一期,探索AI如何重塑日常科技與用戶體驗
- 算力爆發遇上電源革新,大聯大世平集團攜手晶豐明源線上研討會解鎖應用落地
- 創新不止,創芯不已:第六屆ICDIA創芯展8月南京盛大啟幕!
- AI時代,為什麼存儲基礎設施的可靠性決定數據中心的經濟效益
- 矽典微ONELAB開發係列:為毫米波算法開發者打造的全棧工具鏈
技術白皮書下載更多>>
- 車規與基於V2X的車輛協同主動避撞技術展望
- 數字隔離助力新能源汽車安全隔離的新挑戰
- 汽車模塊拋負載的解決方案
- 車用連接器的安全創新應用
- Melexis Actuators Business Unit
- Position / Current Sensors - Triaxis Hall
熱門搜索
Future
GFIVE
GPS
GPU
Harting
HDMI
HDMI連接器
HD監控
HID燈
I/O處理器
IC
IC插座
IDT
IGBT
in-cell
Intersil
IP監控
iWatt
Keithley
Kemet
Knowles
Lattice
LCD
LCD模組
LCR測試儀
lc振蕩器
Lecroy
LED
LED保護元件
LED背光


