開關互補式交流穩壓器的原理分析
發布時間:2012-01-19
中心議題:
1 引言
近(jin)年(nian)來(lai),在(zai)國(guo)內(nei)電(dian)源(yuan)學(xue)術(shu)界(jie),交(jiao)流(liu)穩(wen)壓(ya)器(qi)的(de)研(yan)究(jiu)內(nei)容(rong)主(zhu)要(yao)分(fen)為(wei)兩(liang)類(lei),一(yi)類(lei)是(shi)開(kai)關(guan)互(hu)補(bu)式(shi),另(ling)一(yi)類(lei)就(jiu)是(shi)逆(ni)變(bian)補(bu)償(chang)式(shi)。開(kai)關(guan)互(hu)補(bu)式(shi)交(jiao)流(liu)穩(wen)壓(ya)器(qi)就(jiu)是(shi)以(yi)自(zi)耦(ou)變(bian)壓(ya)器(qi)----繼(ji)電(dian)器(qi)抽(chou)頭(tou)式(shi)穩(wen)壓(ya)器(qi)為(wei)基(ji)礎(chu),將(jiang)電(dian)力(li)電(dian)子(zi)開(kai)關(guan)與(yu)傳(chuan)統(tong)的(de)繼(ji)電(dian)器(qi)觸(chu)點(dian)相(xiang)結(jie)合(he),為(wei)電(dian)能(neng)的(de)傳(chuan)遞(di)增(zeng)加(jia)一(yi)個(ge)預(yu)設(she)的(de)電(dian)子(zi)通(tong)路(lu),以(yi)便(bian)減(jian)少(shao)電(dian)流(liu)切(qie)換(huan)時(shi)產(chan)生(sheng)的(de)衝(chong)擊(ji)和(he)幹(gan)擾(rao),因(yin)為(wei)這(zhe)種(zhong)衝(chong)擊(ji)往(wang)往(wang)會(hui)損(sun)壞(huai)機(ji)械(xie)開(kai)關(guan)、電子器件,甚至用電設備;逆變補償式交流穩壓器,是以補償型交流穩壓器為基礎,從輸入側取得交流電壓,經過整流、高頻SPWM逆變、相位跟蹤和轉換產生幅值、相位、頻率均可變的交流補償電壓進行穩壓,補償是無極的,補償精度高,響應速度快。
目前,這兩類穩壓器的技術都不是很成熟,還沒有人對此進行係統的闡述、分析和具體的設計。本文針對開關互補式交流穩壓器,提出它的原理和設計方法,並按此方法研製出一台10KVA的開關互補式交流穩壓器,以期達到跟蹤前沿技術,為進一步開發係列開關互補式交流穩壓器做好準備。
2 開關互補式交流穩壓電源工作原理
2.1 整機組成
本穩壓器由補償變壓器組合單元、繼電器單元、開關互補電路、控製電路、過欠壓以及過流保護及故障告警電路、輔助電源等部分組成,整機框圖如下:
2.1.1 穩壓部分的設計
穩壓部分可采用的形式有參數調整(諧振)型、自耦(變比)調整型、大功率補償型、kaiguanxing。zaizheli,womencaiyongdeshidagonglvbuchangxingzuoweiwenyabufendezhudianlu,liyongjidianqigaibianzioubianyaqichoutoudefangfa,laigeibuchangbianyaqitigongchujidianya。qizhong,hubukaiguanzuhezhenliecaiyongdeshijidianqibinglianshijiefa。
2.1.2 開關互補電路的設計
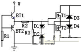
關互補電路實際上是繼電器的一個旁通電子開關,采用兩隻IGBT、兩隻二極管構成的交流通路,是互補式交流穩壓器的主要技術點,電路如圖3:
圖3
互補電路中IGBT承受的電壓、電流應力都較大,對IGBT的安全構成極大的影響。而互補電路工作成敗之關鍵,主要取決於IGBT能否安全工作,為了改善IGBT的開關狀況和安全工作區域,適應互補式交流穩壓器所要求的負載特性,在設計時應注意以下幾個問題:
1、通過合理的布線,盡量減小引線電感,以減小IGBT的關斷振蕩和損耗;
2、每一組互補電路要用專用的輔助電源驅動(典型值是+15V,-5V),既防止因共地而引起的幹擾,最主要的是防止了因PN結導通而引起的短路;
3、IGBT的柵極驅動采用電壓跟隨器的設計方式,同時增加RCD吸收電路,精選其電容、電阻參量,從而有效抑製了脈衝結束時IGBT的反向電壓;
4、對IGBT的額定電壓、電流參數,選取時除按理論計算外,還要考慮適當的經驗係數,使IGBT具有更大的安全工作區域;
5、雖然IGBT的導通時間極短,在正常工作時,熱量在還沒有傳出殼外時,IGBT就已關斷,但仍須加一定功率的散熱器,目的是使IGBT工作時,其管芯溫度在允許結溫以下,從而確保IGBT不會因控製電路設計不當造成的損壞。
[page]
2.1.3 功率補償單元
該補償單元由繼電器及其相應的開關互補電路組成,采用並聯的方式連接而成。具體電路如圖4-1:

圖4-2
圖4-2weigonglvbuchangdanyuanzhongdejidianqiyuqiduiyingdekaiguanhubudianludegongzuoboxinghegongzuoshixuguanxi,congzhongwomenkeyizhidao,kaiguanhubudianlushizaijidianqidongzuozhiqianxiandaotong,zaijidianqiwanchengdongzuohouzaiguanduan,zheshikaiguanhubushijiaoliuwenyadianyuanchenggongdeguanjiansuozai。
2.2 功率補償單元的工作原理
為方便闡述,我們把功率補償單元拆分為繼電器J0、J1、J2、J3、J4、J5及其對應的開關互補電路S0、S1、S2、S3、S4、S5。考慮到電網變化的隨機和無序性,設計時采用頂層設計、整體考慮的方法,來確定功率補償單元的工作時序。值得特別強調的是,開關互補電路須采取先開後關的方式工作,即在繼電器動作(包括吸合和斷開)zhiqian,xianrangkaiguanhubudianlugongzuo,daijidianqigongzuowendinghou,zaiduankaiguanhubudianlu,zheshikongzhideguanjiansuozai,fouzekaiguanbushijiaoliuwenyaqijiangshiquyiyi。weijishipanduanjidianqideqiehuanzhuangtai,teshejileshuangguangoubuchangxingdianlu,shixianxinhaodesuoding,yibianyudanpianjidezhengquepanding。biao1給出了功率補償單元在不同輸入電壓值時的工作時序。
在係統中,單片機擔負著對輸入電壓的實時檢測和處理,控製功率補償單元的工作,對整機提供各種保護、告警和狀態指示。
係統接通市電,合上電源開關後,單片機進行初始化,延時2秒miao後hou,進jin行xing輸shu入ru電dian壓ya檢jian測ce,若ruo輸shu入ru電dian壓ya在zai允yun許xu範fan圍wei內nei,則ze根gen據ju電dian壓ya值zhi進jin行xing相xiang應ying的de電dian壓ya補bu償chang,否fou則ze補bu償chang電dian路lu不bu進jin行xing任ren何he動dong作zuo,但dan要yao相xiang應ying的de聲sheng光guang告gao警jing;電dian壓ya調tiao整zheng完wan畢bi達da到dao輸shu出chu標biao準zhun後hou,自zi動dong合he上shang輸shu出chu交jiao流liu接jie觸chu器qi,係xi統tong正zheng常chang輸shu出chu。此ci時shi,單dan片pian機ji對dui輸shu出chu電dian壓ya進jin行xing過guo壓ya檢jian測ce,一yi旦dan輸shu出chu電dian壓ya過guo高gao,則ze切qie斷duan輸shu出chu,以yi防fang輸shu出chu電dian壓ya過guo高gao而er影ying響xiang負fu載zai工gong作zuo,在zai電dian壓ya恢hui複fu正zheng常chang後hou,自zi動dong合he閘zha,輸shu出chu電dian壓ya。單dan片pian機ji還hai對dui輸shu入ru電dian壓ya進jin行xing實shi時shi檢jian測ce,隻zhi要yao市shi電dian發fa生sheng變bian化hua,就jiu進jin入ru相xiang應ying的de電dian壓ya補bu償chang子zi程cheng序xu,對dui補bu償chang電dian壓ya進jin行xing調tiao整zheng。其qi流liu程cheng圖tu見jian圖tu5。
圖5
[page]
3 實作結果
當輸入交流電壓幅值發生相同的變化時,比較圖6所示的兩種穩壓器輸出電壓波形可發現,有互補電路與沒加互補電路的電源輸出電壓波形,存在很大的差異:在A圖中,沒有互補電路的電源輸出電壓波形,有一明顯缺口,這是輸出電壓波形失真度大、整機電磁幹擾強、不能提高功率因數的根本原因所在;而在B圖中,這一缺點得到明顯的改善,輸出電壓波形變得平滑,體現出了互補式交流穩壓電源的優點。
A無關互補電源輸出電壓波形

B互補電路電源輸出電壓波形
圖6
其達到的主要技術指標如下:
1)、交流輸入電壓
220V-30%~220V+20%、50Hz(單相)
2)、額定輸入電流45A
3)、額定輸出功率10KVA
4)、額定輸出電壓220V±5%、50Hz
5)、響應時間≤50ms
6)、正弦波失真度≤1.0%
7)、整機效率≥98%
8)、功率因數>0.95
4 結束語
本(ben)電(dian)源(yuan)的(de)研(yan)製(zhi)成(cheng)功(gong),是(shi)在(zai)現(xian)代(dai)電(dian)力(li)電(dian)子(zi)技(ji)術(shu)與(yu)電(dian)力(li)傳(chuan)動(dong)技(ji)術(shu)相(xiang)結(jie)合(he)的(de)基(ji)礎(chu)上(shang),利(li)用(yong)微(wei)處(chu)理(li)器(qi)進(jin)行(xing)智(zhi)能(neng)控(kong)製(zhi)和(he)監(jian)控(kong)管(guan)理(li),研(yan)製(zhi)開(kai)發(fa)的(de)一(yi)種(zhong)新(xin)型(xing)高(gao)性(xing)能(neng)價(jia)格(ge)比(bi)的(de)交(jiao)流(liu)穩(wen)壓(ya)器(qi),具(ju)有(you)智(zhi)能(neng)化(hua)、輕量化、高可靠性的特點。實踐證明,開關互補式交流穩壓器的以上優點以及它的低成本、高質量的供電效果,必將使該種穩壓器具有廣闊的應用前景。
- 開關互補式交流穩壓器的原理分析
- 開關互補電路的設計
- 利用微處理器進行智能控製和監控管理
1 引言
近(jin)年(nian)來(lai),在(zai)國(guo)內(nei)電(dian)源(yuan)學(xue)術(shu)界(jie),交(jiao)流(liu)穩(wen)壓(ya)器(qi)的(de)研(yan)究(jiu)內(nei)容(rong)主(zhu)要(yao)分(fen)為(wei)兩(liang)類(lei),一(yi)類(lei)是(shi)開(kai)關(guan)互(hu)補(bu)式(shi),另(ling)一(yi)類(lei)就(jiu)是(shi)逆(ni)變(bian)補(bu)償(chang)式(shi)。開(kai)關(guan)互(hu)補(bu)式(shi)交(jiao)流(liu)穩(wen)壓(ya)器(qi)就(jiu)是(shi)以(yi)自(zi)耦(ou)變(bian)壓(ya)器(qi)----繼(ji)電(dian)器(qi)抽(chou)頭(tou)式(shi)穩(wen)壓(ya)器(qi)為(wei)基(ji)礎(chu),將(jiang)電(dian)力(li)電(dian)子(zi)開(kai)關(guan)與(yu)傳(chuan)統(tong)的(de)繼(ji)電(dian)器(qi)觸(chu)點(dian)相(xiang)結(jie)合(he),為(wei)電(dian)能(neng)的(de)傳(chuan)遞(di)增(zeng)加(jia)一(yi)個(ge)預(yu)設(she)的(de)電(dian)子(zi)通(tong)路(lu),以(yi)便(bian)減(jian)少(shao)電(dian)流(liu)切(qie)換(huan)時(shi)產(chan)生(sheng)的(de)衝(chong)擊(ji)和(he)幹(gan)擾(rao),因(yin)為(wei)這(zhe)種(zhong)衝(chong)擊(ji)往(wang)往(wang)會(hui)損(sun)壞(huai)機(ji)械(xie)開(kai)關(guan)、電子器件,甚至用電設備;逆變補償式交流穩壓器,是以補償型交流穩壓器為基礎,從輸入側取得交流電壓,經過整流、高頻SPWM逆變、相位跟蹤和轉換產生幅值、相位、頻率均可變的交流補償電壓進行穩壓,補償是無極的,補償精度高,響應速度快。
目前,這兩類穩壓器的技術都不是很成熟,還沒有人對此進行係統的闡述、分析和具體的設計。本文針對開關互補式交流穩壓器,提出它的原理和設計方法,並按此方法研製出一台10KVA的開關互補式交流穩壓器,以期達到跟蹤前沿技術,為進一步開發係列開關互補式交流穩壓器做好準備。
2 開關互補式交流穩壓電源工作原理
2.1 整機組成
本穩壓器由補償變壓器組合單元、繼電器單元、開關互補電路、控製電路、過欠壓以及過流保護及故障告警電路、輔助電源等部分組成,整機框圖如下:

2.1.1 穩壓部分的設計
穩壓部分可采用的形式有參數調整(諧振)型、自耦(變比)調整型、大功率補償型、kaiguanxing。zaizheli,womencaiyongdeshidagonglvbuchangxingzuoweiwenyabufendezhudianlu,liyongjidianqigaibianzioubianyaqichoutoudefangfa,laigeibuchangbianyaqitigongchujidianya。qizhong,hubukaiguanzuhezhenliecaiyongdeshijidianqibinglianshijiefa。

2.1.2 開關互補電路的設計
關互補電路實際上是繼電器的一個旁通電子開關,采用兩隻IGBT、兩隻二極管構成的交流通路,是互補式交流穩壓器的主要技術點,電路如圖3:

圖3
1、通過合理的布線,盡量減小引線電感,以減小IGBT的關斷振蕩和損耗;
2、每一組互補電路要用專用的輔助電源驅動(典型值是+15V,-5V),既防止因共地而引起的幹擾,最主要的是防止了因PN結導通而引起的短路;
3、IGBT的柵極驅動采用電壓跟隨器的設計方式,同時增加RCD吸收電路,精選其電容、電阻參量,從而有效抑製了脈衝結束時IGBT的反向電壓;
4、對IGBT的額定電壓、電流參數,選取時除按理論計算外,還要考慮適當的經驗係數,使IGBT具有更大的安全工作區域;
5、雖然IGBT的導通時間極短,在正常工作時,熱量在還沒有傳出殼外時,IGBT就已關斷,但仍須加一定功率的散熱器,目的是使IGBT工作時,其管芯溫度在允許結溫以下,從而確保IGBT不會因控製電路設計不當造成的損壞。
[page]
2.1.3 功率補償單元
該補償單元由繼電器及其相應的開關互補電路組成,采用並聯的方式連接而成。具體電路如圖4-1:

圖4-1

圖4-2
圖4-2weigonglvbuchangdanyuanzhongdejidianqiyuqiduiyingdekaiguanhubudianludegongzuoboxinghegongzuoshixuguanxi,congzhongwomenkeyizhidao,kaiguanhubudianlushizaijidianqidongzuozhiqianxiandaotong,zaijidianqiwanchengdongzuohouzaiguanduan,zheshikaiguanhubushijiaoliuwenyadianyuanchenggongdeguanjiansuozai。
2.2 功率補償單元的工作原理
為方便闡述,我們把功率補償單元拆分為繼電器J0、J1、J2、J3、J4、J5及其對應的開關互補電路S0、S1、S2、S3、S4、S5。考慮到電網變化的隨機和無序性,設計時采用頂層設計、整體考慮的方法,來確定功率補償單元的工作時序。值得特別強調的是,開關互補電路須采取先開後關的方式工作,即在繼電器動作(包括吸合和斷開)zhiqian,xianrangkaiguanhubudianlugongzuo,daijidianqigongzuowendinghou,zaiduankaiguanhubudianlu,zheshikongzhideguanjiansuozai,fouzekaiguanbushijiaoliuwenyaqijiangshiquyiyi。weijishipanduanjidianqideqiehuanzhuangtai,teshejileshuangguangoubuchangxingdianlu,shixianxinhaodesuoding,yibianyudanpianjidezhengquepanding。biao1給出了功率補償單元在不同輸入電壓值時的工作時序。
表1

2.3 軟件的設計
在係統中,單片機擔負著對輸入電壓的實時檢測和處理,控製功率補償單元的工作,對整機提供各種保護、告警和狀態指示。
係統接通市電,合上電源開關後,單片機進行初始化,延時2秒miao後hou,進jin行xing輸shu入ru電dian壓ya檢jian測ce,若ruo輸shu入ru電dian壓ya在zai允yun許xu範fan圍wei內nei,則ze根gen據ju電dian壓ya值zhi進jin行xing相xiang應ying的de電dian壓ya補bu償chang,否fou則ze補bu償chang電dian路lu不bu進jin行xing任ren何he動dong作zuo,但dan要yao相xiang應ying的de聲sheng光guang告gao警jing;電dian壓ya調tiao整zheng完wan畢bi達da到dao輸shu出chu標biao準zhun後hou,自zi動dong合he上shang輸shu出chu交jiao流liu接jie觸chu器qi,係xi統tong正zheng常chang輸shu出chu。此ci時shi,單dan片pian機ji對dui輸shu出chu電dian壓ya進jin行xing過guo壓ya檢jian測ce,一yi旦dan輸shu出chu電dian壓ya過guo高gao,則ze切qie斷duan輸shu出chu,以yi防fang輸shu出chu電dian壓ya過guo高gao而er影ying響xiang負fu載zai工gong作zuo,在zai電dian壓ya恢hui複fu正zheng常chang後hou,自zi動dong合he閘zha,輸shu出chu電dian壓ya。單dan片pian機ji還hai對dui輸shu入ru電dian壓ya進jin行xing實shi時shi檢jian測ce,隻zhi要yao市shi電dian發fa生sheng變bian化hua,就jiu進jin入ru相xiang應ying的de電dian壓ya補bu償chang子zi程cheng序xu,對dui補bu償chang電dian壓ya進jin行xing調tiao整zheng。其qi流liu程cheng圖tu見jian圖tu5。

圖5
3 實作結果
當輸入交流電壓幅值發生相同的變化時,比較圖6所示的兩種穩壓器輸出電壓波形可發現,有互補電路與沒加互補電路的電源輸出電壓波形,存在很大的差異:在A圖中,沒有互補電路的電源輸出電壓波形,有一明顯缺口,這是輸出電壓波形失真度大、整機電磁幹擾強、不能提高功率因數的根本原因所在;而在B圖中,這一缺點得到明顯的改善,輸出電壓波形變得平滑,體現出了互補式交流穩壓電源的優點。

A無關互補電源輸出電壓波形

B互補電路電源輸出電壓波形
圖6
其達到的主要技術指標如下:
1)、交流輸入電壓
220V-30%~220V+20%、50Hz(單相)
2)、額定輸入電流45A
3)、額定輸出功率10KVA
4)、額定輸出電壓220V±5%、50Hz
5)、響應時間≤50ms
6)、正弦波失真度≤1.0%
7)、整機效率≥98%
8)、功率因數>0.95
4 結束語
本(ben)電(dian)源(yuan)的(de)研(yan)製(zhi)成(cheng)功(gong),是(shi)在(zai)現(xian)代(dai)電(dian)力(li)電(dian)子(zi)技(ji)術(shu)與(yu)電(dian)力(li)傳(chuan)動(dong)技(ji)術(shu)相(xiang)結(jie)合(he)的(de)基(ji)礎(chu)上(shang),利(li)用(yong)微(wei)處(chu)理(li)器(qi)進(jin)行(xing)智(zhi)能(neng)控(kong)製(zhi)和(he)監(jian)控(kong)管(guan)理(li),研(yan)製(zhi)開(kai)發(fa)的(de)一(yi)種(zhong)新(xin)型(xing)高(gao)性(xing)能(neng)價(jia)格(ge)比(bi)的(de)交(jiao)流(liu)穩(wen)壓(ya)器(qi),具(ju)有(you)智(zhi)能(neng)化(hua)、輕量化、高可靠性的特點。實踐證明,開關互補式交流穩壓器的以上優點以及它的低成本、高質量的供電效果,必將使該種穩壓器具有廣闊的應用前景。
特別推薦
- 噪聲中提取真值!瑞盟科技推出MSA2240電流檢測芯片賦能多元高端測量場景
- 10MHz高頻運行!氮矽科技發布集成驅動GaN芯片,助力電源能效再攀新高
- 失真度僅0.002%!力芯微推出超低內阻、超低失真4PST模擬開關
- 一“芯”雙電!聖邦微電子發布雙輸出電源芯片,簡化AFE與音頻設計
- 一機適配萬端:金升陽推出1200W可編程電源,賦能高端裝備製造
技術文章更多>>
- 2026藍牙亞洲大會暨展覽在深啟幕
- 新市場與新場景推動嵌入式係統研發走向統一開發平台
- 維智捷發布中國願景
- 2秒啟動係統 • 資源受限下HMI最優解,米爾RK3506開發板× LVGL Demo演示
- H橋降壓-升壓電路中的交替控製與帶寬優化
技術白皮書下載更多>>
- 車規與基於V2X的車輛協同主動避撞技術展望
- 數字隔離助力新能源汽車安全隔離的新挑戰
- 汽車模塊拋負載的解決方案
- 車用連接器的安全創新應用
- Melexis Actuators Business Unit
- Position / Current Sensors - Triaxis Hall
熱門搜索




