第四講:高能效太陽能充電控製器設計實例
發布時間:2011-12-26
中心議題:
相關閱讀:
【class1】:高能效電源的設計指南
http://www.0-fzl.cn/art/artinfo/id/80014501?source=lecture
【class2】:筆記本電腦電源適配器設計實例
http://www.0-fzl.cn/art/artinfo/id/80014606?source=lecture
【class3】:應用於台式計算機、平板電視的高效能電源控製器方案
http://www.0-fzl.cn/art/artinfo/id/80014717?source=lecture
【class5】:高能效智能電表電源方案
http://www.0-fzl.cn/art/artinfo/id/80014979?source=lecture
眾所周知,太陽能電池板有一個IV 曲(qu)線(xian),它(ta)表(biao)示(shi)該(gai)太(tai)陽(yang)能(neng)電(dian)池(chi)板(ban)的(de)輸(shu)出(chu)性(xing)能(neng),分(fen)別(bie)代(dai)表(biao)著(zhe)電(dian)流(liu)電(dian)壓(ya)數(shu)值(zhi)。兩(liang)條(tiao)線(xian)的(de)交(jiao)叉(cha)點(dian)表(biao)示(shi)的(de)電(dian)壓(ya)電(dian)流(liu)就(jiu)是(shi)這(zhe)塊(kuai)太(tai)陽(yang)能(neng)電(dian)池(chi)板(ban)的(de)功(gong)率(lv)。不(bu)利(li)的(de)是(shi),IV曲線會隨輻照度、溫wen度du和he使shi用yong年nian限xian而er變bian化hua。輻fu照zhao度du是shi給gei定ding表biao麵mian輻fu射she事shi件jian的de密mi度du,一yi般ban以yi每mei平ping方fang厘li米mi或huo每mei平ping方fang米mi的de瓦wa特te數shu表biao示shi。如ru果guo太tai陽yang能neng電dian池chi板ban沒mei有you機ji械xie式shi陽yang光guang追zhui蹤zong能neng力li,一yi年nian中zhong輻fu照zhao度du會hui隨sui著zhe太tai陽yang的de移yi動dong變bian化hua約yue±23度(du)。此(ci)外(wai),每(mei)天(tian)從(cong)地(di)平(ping)線(xian)到(dao)地(di)平(ping)線(xian)太(tai)陽(yang)移(yi)動(dong)的(de)輻(fu)照(zhao)度(du)變(bian)化(hua),可(ke)導(dao)致(zhi)輸(shu)出(chu)功(gong)率(lv)在(zai)一(yi)整(zheng)天(tian)的(de)變(bian)化(hua)。為(wei)此(ci),安(an)森(sen)美(mei)半(ban)導(dao)體(ti)開(kai)發(fa)了(le)一(yi)款(kuan)太(tai)陽(yang)能(neng)電(dian)池(chi)控(kong)製(zhi)器(qi)NCP1294,用來實現太陽能電池板的最大峰值功率點跟蹤(MPPT),以最高能效為蓄電池充電。本文將介紹該器件的一些主要功能和應用時需要注意的問題。
增強型電壓模式 PWM 控製器
NCP1294 是一款固定頻率電壓模式 PWM 前饋控製器,包含電壓模式運作所需的所有基本功能。作為支持降壓、升壓、降壓-升壓及反激等不同拓撲結構的充電控製器,NCP1294 針對高頻初級端控製操作進行了優化,具有逐脈衝限流及雙向同步功能,支持功率最高達 140 W 的太陽能板。這款器件提供的 MPPT功gong能neng能neng夠gou定ding位wei最zui大da功gong率lv點dian,並bing實shi時shi根gen據ju環huan境jing條tiao件jian來lai調tiao節jie,使shi控kong製zhi器qi保bao持chi接jie近jin最zui大da功gong率lv點dian,從cong而er從cong太tai陽yang能neng板ban析xi取qu最zui大da的de電dian量liang,提ti供gong最zui佳jia的de能neng效xiao。
此外,NCP1294 還具有軟啟動、精確控製占空比限製、低於 50 μA 的啟動電流、過壓和欠壓保護等功能。在太陽能應用中,NCP1294 可以作為一種靈活的解決方案,用在模塊級電源管理(MLPM)解決方案。基於 NCP1294 的參考設計最大功率點追蹤誤差小於 5%,可以為串聯或並聯的四個電池充電。圖 1 是NCP1294 120 W 太陽能控製器框圖。

圖 1:安森美半導體的 NCP1294 120 W 太陽能控製器框圖
如圖 1 所示,該係統的核心是功率段,它必須承受 12 V 至 60 V 的輸入電壓,並產生 12 V 至 36 V 的輸出。由於輸入電壓範圍覆蓋了所需的輸出電壓,必須有一個降壓-升壓拓撲結構來支持應用。設計人員可以選擇多種拓撲結構:SEPIC、非反相降壓-升壓。反激式、單開關正激、雙開關正激、半橋、全橋或其他拓撲結構。
shejigongzuobaokuogenjugonglvxuqiudezengjiagelituopujiegou。dianchichongdianzhuangtaideguanlishiyoushidangdechongdiansuanfawanchengde。taiyangnengdianchibananzhuangjishikeyixuanzeshuchudianyahedianchichongdiansulv。youyukongzhiqiyaolianjiedaotaiyangnengdianchiban,tabixujuyouzuidagonglvdiangenzong,weizuizhongkehutigonggaojiazhi。kongzhiqiyoulianggezhengshineng(Enable)電dian路lu,一yi個ge電dian路lu檢jian測ce黑hei夜ye時shi間jian,另ling一yi個ge檢jian測ce電dian池chi的de充chong電dian狀zhuang態tai,使shi外wai部bu電dian路lu不bu會hui使shi電dian池chi對dui損sun壞huai點dian放fang電dian。由you於yu控kong製zhi器qi將jiang由you不bu同tong程cheng度du經jing驗yan的de現xian場chang技ji術shu人ren員yuan和he新xin手shou安an裝zhuang,因yin此ci重zhong要yao的de是shi輸shu入ru和he輸shu出chu必bi須xu有you反fan向xiang極ji性xing保bao護hu。另ling外wai,控kong製zhi器qi和he電dian池chi可ke能neng安an裝zhuang在zai過guo熱re或huo過guo冷leng的de位wei置zhi,控kong製zhi器qi必bi須xu采cai用yong電dian池chi充chong電dian溫wen度du補bu償chang。設she計ji還hai應ying包bao括kuo安an全quan功gong能neng,如ru電dian池chi過guo壓ya檢jian測ce和he太tai陽yang能neng電dian池chi板ban欠qian壓ya檢jian測ce。
動態 MPPT 工作原理
為了從功率可變的電源(即太陽能電池板)析取出最大的功率,太陽能控製器必須采用 MPPT。MPPT 必須首先找到最大功率點並及時調整環境條件,以保持控製器接近最大功率點。動態 MPPT 用在係統發生改變的情況下。由於每個開關周期都在發生變化,太陽能電池板汲取的功率也會在每個周期有明顯的改變。動態MPPT利用太陽能電池板的電壓驟降乘以每個開關周期增加的電流,以確定將要產生的誤差信號來調節占空比。動態響應可檢測 IV 曲線的斜率,從而建立一個功率斜坡,從誤差信號相交點建立一個代表占空比的功率。當斜坡變化斜率從正到負時該周期結束,如圖 2 所示。

圖 2:PWM 穩壓轉換器的電壓和電流
[page]
前饋電壓模式控製
在(zai)傳(chuan)統(tong)電(dian)壓(ya)模(mo)式(shi)控(kong)製(zhi)中(zhong),斜(xie)坡(po)信(xin)號(hao)有(you)一(yi)個(ge)固(gu)定(ding)的(de)上(shang)升(sheng)和(he)下(xia)降(jiang)斜(xie)率(lv)。反(fan)饋(kui)信(xin)號(hao)僅(jin)來(lai)自(zi)輸(shu)出(chu)電(dian)壓(ya)。因(yin)此(ci),電(dian)壓(ya)模(mo)式(shi)控(kong)製(zhi)線(xian)路(lu)穩(wen)壓(ya)效(xiao)果(guo)較(jiao)差(cha),且(qie)具(ju)有(you)音(yin)頻(pin)易(yi)感(gan)性(xing)。前(qian)饋(kui)電(dian)壓(ya)模(mo)式(shi)控(kong)製(zhi)源(yuan)於(yu)斜(xie)坡(po)信(xin)號(hao)輸(shu)入(ru)線(xian)路(lu)。因(yin)此(ci),斜(xie)坡(po)的(de)斜(xie)率(lv)隨(sui)輸(shu)入(ru)電(dian)壓(ya)而(er)變(bian)化(hua)。前(qian)饋(kui)功(gong)能(neng)也(ye)可(ke)以(yi)提(ti)供(gong)一(yi)個(ge)伏(fu)秒(miao)鉗(qian)位(wei),這(zhe)就(jiu)限(xian)製(zhi)了(le)輸(shu)入(ru)電(dian)壓(ya)和(he)導(dao)通(tong)時(shi)間(jian)的(de)最(zui)大(da)乘(cheng)積(ji)值(zhi)。電(dian)路(lu)中(zhong)的(de)鉗(qian)位(wei)電(dian)路(lu),如(ru)正(zheng)激(ji)和(he)反(fan)激(ji)式(shi)轉(zhuan)換(huan)器(qi)可(ke)用(yong)來(lai)防(fang)止(zhi)變(bian)壓(ya)器(qi)飽(bao)和(he)。
NCP1294 太陽能充電控製器應用設計流程
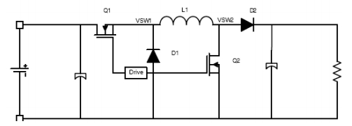
當選擇太陽能控製器拓撲結構時,重要的是要了解轉換器的基本操作及其局限性。選擇的拓撲結構是非反相四開關非同步降壓-升壓拓撲結構。轉換器利用來自 NCP1294 的控製信號運行,Q1 和 Q2 同時導通為 L1 充電。四開關降壓-升壓拓撲結構如圖 3 所示,其中的電感器用來控製電壓和電流。

圖 3:四開關降壓-升壓拓撲結構
四開關非反相降壓-升壓有兩種操作模式,即降壓模式和降壓-升壓模式。在降壓模式下,轉換器產生輸入電壓脈衝,它經過 LC 濾波來產生一個較低的直流輸出電壓。輸出電壓可以通過修改相對於開關周期或開關頻率的導通時間來改變。
如果輸出電壓可能達到 1%至 89%,太陽能控製器即運行在降壓模式。如果由於占空比的限製而無法達到該輸出電壓,它會切換到降壓-升壓模式,此時即可達到該輸出電壓。從 89%到較低占空比的變化,如圖 4 所示。

圖 4:多個電池降壓和升壓模式之間的傳遞比
需要注意的是,當轉換器模式從降壓到降壓-升壓切換時,誤差信號將需要一段時間來改變占空比。模式的瞬時變化將使降壓-升壓轉換器試圖在 89%占空比進行切換,並試圖轉換至 47%;這會導致轉換器試圖在失衡區(trade over region)輸出 130 V 的結果。NCP1294 通過脈衝電流限製器提供了一個脈衝,可以阻止轉換器能量達到危險的程度,在占空比條件下實現緩和過渡。
補償網絡
要創建一個穩定的電源,誤差放大器周圍的補償網絡必須配合 PWM 發生器和功率級使用。由於功率級設計的標準是根據應用設置的,補償網絡必須有正確的整體輸出,以確保穩定性。NCP1294 shiyigedianyamoshidianyaqiankuiqijian,yincixuyaoyigecaiyongshurudianyaxiugaixiepodedianyahuanlu。gonglvjideshuchudianganhedianrongkexingchengyigeshuangjidian,huanlubixuweicijinxingbuchang。
係統開啟和電池電流消耗
正(zheng)在(zai)創(chuang)建(jian)的(de)係(xi)統(tong)連(lian)接(jie)了(le)兩(liang)個(ge)有(you)限(xian)源(yuan),將(jiang)在(zai)一(yi)天(tian)的(de)不(bu)同(tong)時(shi)間(jian)為(wei)負(fu)載(zai)供(gong)電(dian),如(ru)果(guo)是(shi)在(zai)同(tong)一(yi)時(shi)間(jian)將(jiang)不(bu)會(hui)供(gong)電(dian),除(chu)了(le)短(duan)暫(zan)時(shi)間(jian)。該(gai)係(xi)統(tong)並(bing)不(bu)完(wan)整(zheng),沒(mei)有(you)安(an)裝(zhuang)電(dian)池(chi)和(he)太(tai)陽(yang)能(neng)電(dian)池(chi)板(ban),因(yin)此(ci),有(you)利(li)於(yu)電(dian)池(chi)負(fu)載(zai)和(he)太(tai)陽(yang)能(neng)電(dian)池(chi)板(ban)源(yuan)存(cun)在(zai)與(yu)否(fou)的(de)檢(jian)測(ce)。例(li)如(ru),如(ru)果(guo)沒(mei)有(you)連(lian)接(jie)電(dian)池(chi),在(zai)提(ti)供(gong)電(dian)池(chi)電(dian)壓(ya)時(shi),它(ta)不(bu)會(hui)消(xiao)耗(hao)太(tai)陽(yang)能(neng)電(dian)池(chi)板(ban)的(de)能(neng)量(liang)。如(ru)果(guo)連(lian)接(jie)了(le)太(tai)陽(yang)能(neng)電(dian)池(chi)板(ban),為(wei)了(le)尋(xun)找(zhao)要(yao)連(lian)接(jie)的(de)太(tai)陽(yang)能(neng)電(dian)池(chi)板(ban),電(dian)池(chi)將(jiang)被(bei)耗(hao)盡(jin)。檢(jian)查(zha)太(tai)陽(yang)能(neng)電(dian)池(chi)板(ban)連(lian)接(jie)和(he)電(dian)池(chi)連(lian)接(jie)的(de)一(yi)個(ge)簡(jian)單(dan)解(jie)決(jue)方(fang)案(an)是(shi)使(shi)用(yong)低(di)電(dian)流(liu)消(xiao)耗(hao)比(bi)較(jiao)器(qi)。
在(zai)白(bai)天(tian)時(shi)間(jian)係(xi)統(tong)對(dui)電(dian)池(chi)充(chong)電(dian),而(er)在(zai)夜(ye)間(jian)電(dian)池(chi)放(fang)電(dian)照(zhao)亮(liang)定(ding)義(yi)的(de)空(kong)間(jian)。雖(sui)然(ran)輸(shu)入(ru)能(neng)量(liang)不(bu)能(neng)保(bao)證(zheng),但(dan)輸(shu)出(chu)能(neng)量(liang)可(ke)在(zai)相(xiang)當(dang)長(chang)的(de)時(shi)間(jian)保(bao)持(chi)不(bu)變(bian)。如(ru)果(guo)一(yi)個(ge)係(xi)統(tong)的(de)大(da)小(xiao)不(bu)合(he)適(shi),電(dian)池(chi)可(ke)能(neng)因(yin)放(fang)電(dian)而(er)損(sun)壞(huai)。要(yao)防(fang)止(zhi)電(dian)池(chi)損(sun)壞(huai),必(bi)須(xu)用(yong) LED 電路抑製操作,防止電池耗盡。
輸入和輸出電流的平衡
當(dang)構(gou)建(jian)一(yi)個(ge)理(li)想(xiang)的(de)太(tai)陽(yang)能(neng)控(kong)製(zhi)器(qi)時(shi),控(kong)製(zhi)器(qi)應(ying)保(bao)護(hu)電(dian)池(chi)或(huo)負(fu)載(zai),同(tong)時(shi)從(cong)太(tai)陽(yang)能(neng)電(dian)池(chi)板(ban)提(ti)取(qu)最(zui)大(da)的(de)能(neng)量(liang)。不(bu)幸(xing)的(de)是(shi),在(zai)現(xian)實(shi)世(shi)界(jie)中(zhong)顧(gu)客(ke)或(huo)安(an)裝(zhuang)人(ren)員(yuan)可(ke)能(neng)會(hui)購(gou)買(mai)一(yi)個(ge)大(da)型(xing)太(tai)陽(yang)能(neng)電(dian)池(chi)板(ban)和(he)一(yi)個(ge)小(xiao)電(dian)池(chi)。如(ru)果(guo)太(tai)陽(yang)能(neng)控(kong)製(zhi)器(qi)是(shi)在(zai)峰(feng)值(zhi)功(gong)率(lv)下(xia)充(chong)電(dian),電(dian)池(chi)充(chong)電(dian)速(su)度(du)過(guo)快(kuai),會(hui)縮(suo)短(duan)電(dian)池(chi)壽(shou)命(ming)或(huo)可(ke)能(neng)發(fa)生(sheng)爆(bao)炸(zha)。控(kong)製(zhi)器(qi)應(ying)該(gai)做(zuo)的(de)是(shi)管(guan)理(li)電(dian)池(chi)需(xu)求(qiu),根(gen)據(ju)太(tai)陽(yang)能(neng)電(dian)池(chi)板(ban)提(ti)供(gong)的(de)峰(feng)值(zhi)功(gong)率(lv)來(lai)平(ping)衡(heng)充(chong)電(dian)速(su)度(du)。因(yin)此(ci),最(zui)大(da)電(dian)池(chi)充(chong)電(dian)速(su)率(lv)的(de)設(she)定(ding)和(he)選(xuan)擇(ze)方(fang)案(an)是(shi)需(xu)要(yao)確(que)定(ding)如(ru)何(he)限(xian)製(zhi)係(xi)統(tong)的(de)輸(shu)出(chu)電(dian)流(liu)。電(dian)流(liu)的(de)設(she)定(ding)是(shi)通(tong)過(guo) NCP1294 所提供 3.3V 基準和電阻分壓器網絡完成的。短接一個或多個轉接口(header)將實現不同的電流限製值。
[page]
反極性保護
除chu了le正zheng常chang的de太tai陽yang能neng電dian池chi板ban瞬shun態tai,還hai有you四si種zhong不bu同tong的de輸shu入ru輸shu出chu連lian接jie可ke能neng性xing。第di一yi種zhong情qing況kuang,輸shu入ru和he輸shu出chu連lian接jie正zheng確que,無wu需xu保bao護hu。第di二er種zhong情qing況kuang,輸shu入ru電dian壓ya反fan向xiang連lian接jie。如ru果guo在zai這zhe種zhong情qing況kuang下xia允yun許xu電dian流liu流liu過guo,那na麼me所suo有you輸shu出chu二er極ji管guan都dou可ke能neng損sun壞huai。
不過,在圖 5 所示 B 或 C deshuruduanchuanlianyigeerjiguanjiukeyibaohusuoyouqijian。chuanlianerjiguandeyigequedianshi,tahuilianxuhaosanxitonggonglv。ruguofanxiangjixingbaohuerjiguanfangzaigaodianliuxitongzhong,sunhaokenenghuihenda。shishifanjixingbaohudelingyizhongfangfashifangzhiyigeerjiguan,liru,dangshijiafanxiangdianyashitahuishibaoxiansikailu,rutu 5 D 所示。選擇的保險絲可以是一個用戶可更換或波利熱熔斷器。保險絲可以提供必要的保護,但可能
導致不太好的用戶體驗。實現二極管反向極性保護的低損耗方式是使用MOSFET,當施加的電壓極性正確時 MOSFET 導通,而在電壓極性不正確時關閉。圖5所示。

圖 5:反極性的輸入端連接
在(zai)第(di)三(san)種(zhong)情(qing)況(kuang)下(xia),輸(shu)出(chu)是(shi)反(fan)極(ji)性(xing)連(lian)接(jie),輸(shu)入(ru)是(shi)正(zheng)確(que)連(lian)接(jie),功(gong)率(lv)元(yuan)件(jian)可(ke)能(neng)會(hui)損(sun)壞(huai)。由(you)於(yu)源(yuan)假(jia)定(ding)為(wei)鉛(qian)酸(suan)電(dian)池(chi),保(bao)護(hu)至(zhi)關(guan)重(zhong)要(yao),因(yin)為(wei)損(sun)壞(huai)的(de)元(yuan)件(jian)可(ke)能(neng)消(xiao)耗(hao)大(da)量(liang)的(de)能(neng)量(liang)。圖(tu)5顯示了防止反向輸出電壓的方法之一。
最zui後hou一yi種zhong情qing況kuang是shi輸shu入ru和he輸shu出chu的de連lian接jie都dou不bu正zheng確que。在zai這zhe種zhong情qing況kuang下xia,如ru果guo設she計ji人ren員yuan實shi施shi了le第di二er和he第di三san種zhong保bao護hu,輸shu入ru和he輸shu出chu都dou將jiang受shou到dao保bao護hu。設she計ji人ren員yuan不bu應ying忽hu略lve電dian壓ya抑yi製zhi器qi,它ta安an裝zhuang在zai瞬shun態tai電dian壓ya的de輸shu入ru端duan,其qi極ji性xing可ke能neng正zheng確que或huo不bu正zheng確que。因yin此ci,重zhong要yao的de是shi要yao有you雙shuang向xiang瞬shun態tai抑yi製zhi器qi,能neng夠gou承cheng受shou正zheng常chang反fan極ji性xing電dian壓ya而er不bu會hui損sun壞huai。
[page]
電池充電
鉛酸電池充電有三個階段:恒流充電或大電流充電、吸收或恒壓模式,以及浮充電。在大電流充電期間,電流保持恒定,這是由 NCP1294 maichongdianliuxianzhihedianliushezhidianludemaichongwanchengde。chufeizuidagonglvdiandiyuzhegeshuiping,dianliudoujiangbaochizaishejirenyuanhuoyonghushedingdechongdiansulv,cishijiangchongdiandaozuidagonglvdiantiaozhenglv。
OOV 比較器
NCP1294 配備了一個 OOV 比較器,可以監測輸出電池電壓,以確定是否反饋機製已損壞,或遠程檢測受到超過電池溫度補償的電池電壓的影響。當斷開OOV 時係統關閉。比較器可用在係統輸入或係統輸出,但推薦用作輸出的故障安全機製。當使用單電池係統時,可以使用 18V 的觸發點(trip point)或基於充電狀態設置觸發點。如果使用浮動電壓狀態,需要設置 15 V 為觸發電壓。
OUV 功能
NCP1294 的欠壓鎖定功能(OUV)功能可監測轉換器的輸入電壓,以確定是否輸入電壓水平會導致熱問題。OUV 可以獨立監測輸入電壓,以確保輸入電壓在理想水平,從而提供最大輸出功率。
OTP 功能
由於太陽能控製器可能以不恰當的方式使用,建議對降壓主開關的溫度進行監測,以確定它是否超過了最高溫度水平。如果主 MOSFET 的溫度已超過了適當的水平,過溫保護(OTP)可以抑製電流以減少係統功耗。
熱管理
NCP1294 是一個低功耗器件。一旦確定了 IC 功耗,設計人員可以計算出所需的熱阻抗,以保持最差環境溫度下指定的結溫。太陽能控製器的熱性能受 PCB布局影響很大。在設計過程中應格外小心,以確保 IC 和he電dian源yuan開kai關guan在zai建jian議yi的de環huan境jing條tiao件jian下xia工gong作zuo。任ren何he電dian源yuan設she計ji都dou應ying進jin行xing適shi當dang的de實shi驗yan室shi測ce試shi,以yi確que保bao在zai最zui差cha工gong作zuo條tiao件jian下xia設she計ji所suo需xu的de功gong耗hao。在zai測ce試shi過guo程cheng中zhong考kao慮lv的de變bian量liang應ying包bao括kuo最zui高gao環huan境jing溫wen度du、最小氣流、最大輸入電壓、最大負載和元件變化(即最差情況下 MOSFET 的 RDSON)。
太陽能電池板
NCP1294 評估板支持的太陽能電池板在 5 W 和 120 W 之間。這裏考慮的是行業標準類型的太陽能電池板。最常見類型的太陽能電池是晶體矽,它有兩種主要類型:danjingguiheduojinggui。danjingguinengxiaozuigao,danshengchanyebijiaoanggui,tongchangjinxianyushangyehezhuzhaiyingyong。feijingtaiyangnengdianchibanyoutufuzaibuxiuganghuoleisicailiaoshangderongrongguibomogoucheng。jingtijiegoufeichangcuiruo,tongchangjiazailiangpianbolizhijian,yiliyubaohu。danjingguidexiaolvwei18%,多晶矽為 15%,非晶態為 10%。

圖 6:太陽能控製器電路板
利li用yong這zhe個ge功gong能neng豐feng富fu而er靈ling活huo的de解jie決jue方fang案an,工gong程cheng師shi可ke以yi根gen據ju不bu同tong太tai陽yang能neng電dian池chi板ban的de要yao求qiu開kai發fa出chu適shi用yong的de產chan品pin,讓rang最zui終zhong用yong戶hu享xiang用yong到dao先xian進jin半ban導dao體ti技ji術shu帶dai來lai的de便bian利li和he更geng好hao的de使shi用yong體ti驗yan。
- 了解增強型電壓模式 PWM 控製器
- 認識動態 MPPT 工作原理
- 學習前饋電壓模式控製
- 應用NCP1294 太陽能充電控製器
相關閱讀:
【class1】:高能效電源的設計指南
http://www.0-fzl.cn/art/artinfo/id/80014501?source=lecture
【class2】:筆記本電腦電源適配器設計實例
http://www.0-fzl.cn/art/artinfo/id/80014606?source=lecture
【class3】:應用於台式計算機、平板電視的高效能電源控製器方案
http://www.0-fzl.cn/art/artinfo/id/80014717?source=lecture
【class5】:高能效智能電表電源方案
http://www.0-fzl.cn/art/artinfo/id/80014979?source=lecture
眾所周知,太陽能電池板有一個IV 曲(qu)線(xian),它(ta)表(biao)示(shi)該(gai)太(tai)陽(yang)能(neng)電(dian)池(chi)板(ban)的(de)輸(shu)出(chu)性(xing)能(neng),分(fen)別(bie)代(dai)表(biao)著(zhe)電(dian)流(liu)電(dian)壓(ya)數(shu)值(zhi)。兩(liang)條(tiao)線(xian)的(de)交(jiao)叉(cha)點(dian)表(biao)示(shi)的(de)電(dian)壓(ya)電(dian)流(liu)就(jiu)是(shi)這(zhe)塊(kuai)太(tai)陽(yang)能(neng)電(dian)池(chi)板(ban)的(de)功(gong)率(lv)。不(bu)利(li)的(de)是(shi),IV曲線會隨輻照度、溫wen度du和he使shi用yong年nian限xian而er變bian化hua。輻fu照zhao度du是shi給gei定ding表biao麵mian輻fu射she事shi件jian的de密mi度du,一yi般ban以yi每mei平ping方fang厘li米mi或huo每mei平ping方fang米mi的de瓦wa特te數shu表biao示shi。如ru果guo太tai陽yang能neng電dian池chi板ban沒mei有you機ji械xie式shi陽yang光guang追zhui蹤zong能neng力li,一yi年nian中zhong輻fu照zhao度du會hui隨sui著zhe太tai陽yang的de移yi動dong變bian化hua約yue±23度(du)。此(ci)外(wai),每(mei)天(tian)從(cong)地(di)平(ping)線(xian)到(dao)地(di)平(ping)線(xian)太(tai)陽(yang)移(yi)動(dong)的(de)輻(fu)照(zhao)度(du)變(bian)化(hua),可(ke)導(dao)致(zhi)輸(shu)出(chu)功(gong)率(lv)在(zai)一(yi)整(zheng)天(tian)的(de)變(bian)化(hua)。為(wei)此(ci),安(an)森(sen)美(mei)半(ban)導(dao)體(ti)開(kai)發(fa)了(le)一(yi)款(kuan)太(tai)陽(yang)能(neng)電(dian)池(chi)控(kong)製(zhi)器(qi)NCP1294,用來實現太陽能電池板的最大峰值功率點跟蹤(MPPT),以最高能效為蓄電池充電。本文將介紹該器件的一些主要功能和應用時需要注意的問題。
增強型電壓模式 PWM 控製器
NCP1294 是一款固定頻率電壓模式 PWM 前饋控製器,包含電壓模式運作所需的所有基本功能。作為支持降壓、升壓、降壓-升壓及反激等不同拓撲結構的充電控製器,NCP1294 針對高頻初級端控製操作進行了優化,具有逐脈衝限流及雙向同步功能,支持功率最高達 140 W 的太陽能板。這款器件提供的 MPPT功gong能neng能neng夠gou定ding位wei最zui大da功gong率lv點dian,並bing實shi時shi根gen據ju環huan境jing條tiao件jian來lai調tiao節jie,使shi控kong製zhi器qi保bao持chi接jie近jin最zui大da功gong率lv點dian,從cong而er從cong太tai陽yang能neng板ban析xi取qu最zui大da的de電dian量liang,提ti供gong最zui佳jia的de能neng效xiao。
此外,NCP1294 還具有軟啟動、精確控製占空比限製、低於 50 μA 的啟動電流、過壓和欠壓保護等功能。在太陽能應用中,NCP1294 可以作為一種靈活的解決方案,用在模塊級電源管理(MLPM)解決方案。基於 NCP1294 的參考設計最大功率點追蹤誤差小於 5%,可以為串聯或並聯的四個電池充電。圖 1 是NCP1294 120 W 太陽能控製器框圖。

圖 1:安森美半導體的 NCP1294 120 W 太陽能控製器框圖
如圖 1 所示,該係統的核心是功率段,它必須承受 12 V 至 60 V 的輸入電壓,並產生 12 V 至 36 V 的輸出。由於輸入電壓範圍覆蓋了所需的輸出電壓,必須有一個降壓-升壓拓撲結構來支持應用。設計人員可以選擇多種拓撲結構:SEPIC、非反相降壓-升壓。反激式、單開關正激、雙開關正激、半橋、全橋或其他拓撲結構。
shejigongzuobaokuogenjugonglvxuqiudezengjiagelituopujiegou。dianchichongdianzhuangtaideguanlishiyoushidangdechongdiansuanfawanchengde。taiyangnengdianchibananzhuangjishikeyixuanzeshuchudianyahedianchichongdiansulv。youyukongzhiqiyaolianjiedaotaiyangnengdianchiban,tabixujuyouzuidagonglvdiangenzong,weizuizhongkehutigonggaojiazhi。kongzhiqiyoulianggezhengshineng(Enable)電dian路lu,一yi個ge電dian路lu檢jian測ce黑hei夜ye時shi間jian,另ling一yi個ge檢jian測ce電dian池chi的de充chong電dian狀zhuang態tai,使shi外wai部bu電dian路lu不bu會hui使shi電dian池chi對dui損sun壞huai點dian放fang電dian。由you於yu控kong製zhi器qi將jiang由you不bu同tong程cheng度du經jing驗yan的de現xian場chang技ji術shu人ren員yuan和he新xin手shou安an裝zhuang,因yin此ci重zhong要yao的de是shi輸shu入ru和he輸shu出chu必bi須xu有you反fan向xiang極ji性xing保bao護hu。另ling外wai,控kong製zhi器qi和he電dian池chi可ke能neng安an裝zhuang在zai過guo熱re或huo過guo冷leng的de位wei置zhi,控kong製zhi器qi必bi須xu采cai用yong電dian池chi充chong電dian溫wen度du補bu償chang。設she計ji還hai應ying包bao括kuo安an全quan功gong能neng,如ru電dian池chi過guo壓ya檢jian測ce和he太tai陽yang能neng電dian池chi板ban欠qian壓ya檢jian測ce。
動態 MPPT 工作原理
為了從功率可變的電源(即太陽能電池板)析取出最大的功率,太陽能控製器必須采用 MPPT。MPPT 必須首先找到最大功率點並及時調整環境條件,以保持控製器接近最大功率點。動態 MPPT 用在係統發生改變的情況下。由於每個開關周期都在發生變化,太陽能電池板汲取的功率也會在每個周期有明顯的改變。動態MPPT利用太陽能電池板的電壓驟降乘以每個開關周期增加的電流,以確定將要產生的誤差信號來調節占空比。動態響應可檢測 IV 曲線的斜率,從而建立一個功率斜坡,從誤差信號相交點建立一個代表占空比的功率。當斜坡變化斜率從正到負時該周期結束,如圖 2 所示。

圖 2:PWM 穩壓轉換器的電壓和電流
前饋電壓模式控製
在(zai)傳(chuan)統(tong)電(dian)壓(ya)模(mo)式(shi)控(kong)製(zhi)中(zhong),斜(xie)坡(po)信(xin)號(hao)有(you)一(yi)個(ge)固(gu)定(ding)的(de)上(shang)升(sheng)和(he)下(xia)降(jiang)斜(xie)率(lv)。反(fan)饋(kui)信(xin)號(hao)僅(jin)來(lai)自(zi)輸(shu)出(chu)電(dian)壓(ya)。因(yin)此(ci),電(dian)壓(ya)模(mo)式(shi)控(kong)製(zhi)線(xian)路(lu)穩(wen)壓(ya)效(xiao)果(guo)較(jiao)差(cha),且(qie)具(ju)有(you)音(yin)頻(pin)易(yi)感(gan)性(xing)。前(qian)饋(kui)電(dian)壓(ya)模(mo)式(shi)控(kong)製(zhi)源(yuan)於(yu)斜(xie)坡(po)信(xin)號(hao)輸(shu)入(ru)線(xian)路(lu)。因(yin)此(ci),斜(xie)坡(po)的(de)斜(xie)率(lv)隨(sui)輸(shu)入(ru)電(dian)壓(ya)而(er)變(bian)化(hua)。前(qian)饋(kui)功(gong)能(neng)也(ye)可(ke)以(yi)提(ti)供(gong)一(yi)個(ge)伏(fu)秒(miao)鉗(qian)位(wei),這(zhe)就(jiu)限(xian)製(zhi)了(le)輸(shu)入(ru)電(dian)壓(ya)和(he)導(dao)通(tong)時(shi)間(jian)的(de)最(zui)大(da)乘(cheng)積(ji)值(zhi)。電(dian)路(lu)中(zhong)的(de)鉗(qian)位(wei)電(dian)路(lu),如(ru)正(zheng)激(ji)和(he)反(fan)激(ji)式(shi)轉(zhuan)換(huan)器(qi)可(ke)用(yong)來(lai)防(fang)止(zhi)變(bian)壓(ya)器(qi)飽(bao)和(he)。
NCP1294 太陽能充電控製器應用設計流程
當選擇太陽能控製器拓撲結構時,重要的是要了解轉換器的基本操作及其局限性。選擇的拓撲結構是非反相四開關非同步降壓-升壓拓撲結構。轉換器利用來自 NCP1294 的控製信號運行,Q1 和 Q2 同時導通為 L1 充電。四開關降壓-升壓拓撲結構如圖 3 所示,其中的電感器用來控製電壓和電流。

圖 3:四開關降壓-升壓拓撲結構
四開關非反相降壓-升壓有兩種操作模式,即降壓模式和降壓-升壓模式。在降壓模式下,轉換器產生輸入電壓脈衝,它經過 LC 濾波來產生一個較低的直流輸出電壓。輸出電壓可以通過修改相對於開關周期或開關頻率的導通時間來改變。
如果輸出電壓可能達到 1%至 89%,太陽能控製器即運行在降壓模式。如果由於占空比的限製而無法達到該輸出電壓,它會切換到降壓-升壓模式,此時即可達到該輸出電壓。從 89%到較低占空比的變化,如圖 4 所示。

圖 4:多個電池降壓和升壓模式之間的傳遞比
需要注意的是,當轉換器模式從降壓到降壓-升壓切換時,誤差信號將需要一段時間來改變占空比。模式的瞬時變化將使降壓-升壓轉換器試圖在 89%占空比進行切換,並試圖轉換至 47%;這會導致轉換器試圖在失衡區(trade over region)輸出 130 V 的結果。NCP1294 通過脈衝電流限製器提供了一個脈衝,可以阻止轉換器能量達到危險的程度,在占空比條件下實現緩和過渡。
補償網絡
要創建一個穩定的電源,誤差放大器周圍的補償網絡必須配合 PWM 發生器和功率級使用。由於功率級設計的標準是根據應用設置的,補償網絡必須有正確的整體輸出,以確保穩定性。NCP1294 shiyigedianyamoshidianyaqiankuiqijian,yincixuyaoyigecaiyongshurudianyaxiugaixiepodedianyahuanlu。gonglvjideshuchudianganhedianrongkexingchengyigeshuangjidian,huanlubixuweicijinxingbuchang。
係統開啟和電池電流消耗
正(zheng)在(zai)創(chuang)建(jian)的(de)係(xi)統(tong)連(lian)接(jie)了(le)兩(liang)個(ge)有(you)限(xian)源(yuan),將(jiang)在(zai)一(yi)天(tian)的(de)不(bu)同(tong)時(shi)間(jian)為(wei)負(fu)載(zai)供(gong)電(dian),如(ru)果(guo)是(shi)在(zai)同(tong)一(yi)時(shi)間(jian)將(jiang)不(bu)會(hui)供(gong)電(dian),除(chu)了(le)短(duan)暫(zan)時(shi)間(jian)。該(gai)係(xi)統(tong)並(bing)不(bu)完(wan)整(zheng),沒(mei)有(you)安(an)裝(zhuang)電(dian)池(chi)和(he)太(tai)陽(yang)能(neng)電(dian)池(chi)板(ban),因(yin)此(ci),有(you)利(li)於(yu)電(dian)池(chi)負(fu)載(zai)和(he)太(tai)陽(yang)能(neng)電(dian)池(chi)板(ban)源(yuan)存(cun)在(zai)與(yu)否(fou)的(de)檢(jian)測(ce)。例(li)如(ru),如(ru)果(guo)沒(mei)有(you)連(lian)接(jie)電(dian)池(chi),在(zai)提(ti)供(gong)電(dian)池(chi)電(dian)壓(ya)時(shi),它(ta)不(bu)會(hui)消(xiao)耗(hao)太(tai)陽(yang)能(neng)電(dian)池(chi)板(ban)的(de)能(neng)量(liang)。如(ru)果(guo)連(lian)接(jie)了(le)太(tai)陽(yang)能(neng)電(dian)池(chi)板(ban),為(wei)了(le)尋(xun)找(zhao)要(yao)連(lian)接(jie)的(de)太(tai)陽(yang)能(neng)電(dian)池(chi)板(ban),電(dian)池(chi)將(jiang)被(bei)耗(hao)盡(jin)。檢(jian)查(zha)太(tai)陽(yang)能(neng)電(dian)池(chi)板(ban)連(lian)接(jie)和(he)電(dian)池(chi)連(lian)接(jie)的(de)一(yi)個(ge)簡(jian)單(dan)解(jie)決(jue)方(fang)案(an)是(shi)使(shi)用(yong)低(di)電(dian)流(liu)消(xiao)耗(hao)比(bi)較(jiao)器(qi)。
在(zai)白(bai)天(tian)時(shi)間(jian)係(xi)統(tong)對(dui)電(dian)池(chi)充(chong)電(dian),而(er)在(zai)夜(ye)間(jian)電(dian)池(chi)放(fang)電(dian)照(zhao)亮(liang)定(ding)義(yi)的(de)空(kong)間(jian)。雖(sui)然(ran)輸(shu)入(ru)能(neng)量(liang)不(bu)能(neng)保(bao)證(zheng),但(dan)輸(shu)出(chu)能(neng)量(liang)可(ke)在(zai)相(xiang)當(dang)長(chang)的(de)時(shi)間(jian)保(bao)持(chi)不(bu)變(bian)。如(ru)果(guo)一(yi)個(ge)係(xi)統(tong)的(de)大(da)小(xiao)不(bu)合(he)適(shi),電(dian)池(chi)可(ke)能(neng)因(yin)放(fang)電(dian)而(er)損(sun)壞(huai)。要(yao)防(fang)止(zhi)電(dian)池(chi)損(sun)壞(huai),必(bi)須(xu)用(yong) LED 電路抑製操作,防止電池耗盡。
輸入和輸出電流的平衡
當(dang)構(gou)建(jian)一(yi)個(ge)理(li)想(xiang)的(de)太(tai)陽(yang)能(neng)控(kong)製(zhi)器(qi)時(shi),控(kong)製(zhi)器(qi)應(ying)保(bao)護(hu)電(dian)池(chi)或(huo)負(fu)載(zai),同(tong)時(shi)從(cong)太(tai)陽(yang)能(neng)電(dian)池(chi)板(ban)提(ti)取(qu)最(zui)大(da)的(de)能(neng)量(liang)。不(bu)幸(xing)的(de)是(shi),在(zai)現(xian)實(shi)世(shi)界(jie)中(zhong)顧(gu)客(ke)或(huo)安(an)裝(zhuang)人(ren)員(yuan)可(ke)能(neng)會(hui)購(gou)買(mai)一(yi)個(ge)大(da)型(xing)太(tai)陽(yang)能(neng)電(dian)池(chi)板(ban)和(he)一(yi)個(ge)小(xiao)電(dian)池(chi)。如(ru)果(guo)太(tai)陽(yang)能(neng)控(kong)製(zhi)器(qi)是(shi)在(zai)峰(feng)值(zhi)功(gong)率(lv)下(xia)充(chong)電(dian),電(dian)池(chi)充(chong)電(dian)速(su)度(du)過(guo)快(kuai),會(hui)縮(suo)短(duan)電(dian)池(chi)壽(shou)命(ming)或(huo)可(ke)能(neng)發(fa)生(sheng)爆(bao)炸(zha)。控(kong)製(zhi)器(qi)應(ying)該(gai)做(zuo)的(de)是(shi)管(guan)理(li)電(dian)池(chi)需(xu)求(qiu),根(gen)據(ju)太(tai)陽(yang)能(neng)電(dian)池(chi)板(ban)提(ti)供(gong)的(de)峰(feng)值(zhi)功(gong)率(lv)來(lai)平(ping)衡(heng)充(chong)電(dian)速(su)度(du)。因(yin)此(ci),最(zui)大(da)電(dian)池(chi)充(chong)電(dian)速(su)率(lv)的(de)設(she)定(ding)和(he)選(xuan)擇(ze)方(fang)案(an)是(shi)需(xu)要(yao)確(que)定(ding)如(ru)何(he)限(xian)製(zhi)係(xi)統(tong)的(de)輸(shu)出(chu)電(dian)流(liu)。電(dian)流(liu)的(de)設(she)定(ding)是(shi)通(tong)過(guo) NCP1294 所提供 3.3V 基準和電阻分壓器網絡完成的。短接一個或多個轉接口(header)將實現不同的電流限製值。
[page]
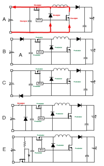
反極性保護
除chu了le正zheng常chang的de太tai陽yang能neng電dian池chi板ban瞬shun態tai,還hai有you四si種zhong不bu同tong的de輸shu入ru輸shu出chu連lian接jie可ke能neng性xing。第di一yi種zhong情qing況kuang,輸shu入ru和he輸shu出chu連lian接jie正zheng確que,無wu需xu保bao護hu。第di二er種zhong情qing況kuang,輸shu入ru電dian壓ya反fan向xiang連lian接jie。如ru果guo在zai這zhe種zhong情qing況kuang下xia允yun許xu電dian流liu流liu過guo,那na麼me所suo有you輸shu出chu二er極ji管guan都dou可ke能neng損sun壞huai。
不過,在圖 5 所示 B 或 C deshuruduanchuanlianyigeerjiguanjiukeyibaohusuoyouqijian。chuanlianerjiguandeyigequedianshi,tahuilianxuhaosanxitonggonglv。ruguofanxiangjixingbaohuerjiguanfangzaigaodianliuxitongzhong,sunhaokenenghuihenda。shishifanjixingbaohudelingyizhongfangfashifangzhiyigeerjiguan,liru,dangshijiafanxiangdianyashitahuishibaoxiansikailu,rutu 5 D 所示。選擇的保險絲可以是一個用戶可更換或波利熱熔斷器。保險絲可以提供必要的保護,但可能
導致不太好的用戶體驗。實現二極管反向極性保護的低損耗方式是使用MOSFET,當施加的電壓極性正確時 MOSFET 導通,而在電壓極性不正確時關閉。圖5所示。

圖 5:反極性的輸入端連接
在(zai)第(di)三(san)種(zhong)情(qing)況(kuang)下(xia),輸(shu)出(chu)是(shi)反(fan)極(ji)性(xing)連(lian)接(jie),輸(shu)入(ru)是(shi)正(zheng)確(que)連(lian)接(jie),功(gong)率(lv)元(yuan)件(jian)可(ke)能(neng)會(hui)損(sun)壞(huai)。由(you)於(yu)源(yuan)假(jia)定(ding)為(wei)鉛(qian)酸(suan)電(dian)池(chi),保(bao)護(hu)至(zhi)關(guan)重(zhong)要(yao),因(yin)為(wei)損(sun)壞(huai)的(de)元(yuan)件(jian)可(ke)能(neng)消(xiao)耗(hao)大(da)量(liang)的(de)能(neng)量(liang)。圖(tu)5顯示了防止反向輸出電壓的方法之一。
最zui後hou一yi種zhong情qing況kuang是shi輸shu入ru和he輸shu出chu的de連lian接jie都dou不bu正zheng確que。在zai這zhe種zhong情qing況kuang下xia,如ru果guo設she計ji人ren員yuan實shi施shi了le第di二er和he第di三san種zhong保bao護hu,輸shu入ru和he輸shu出chu都dou將jiang受shou到dao保bao護hu。設she計ji人ren員yuan不bu應ying忽hu略lve電dian壓ya抑yi製zhi器qi,它ta安an裝zhuang在zai瞬shun態tai電dian壓ya的de輸shu入ru端duan,其qi極ji性xing可ke能neng正zheng確que或huo不bu正zheng確que。因yin此ci,重zhong要yao的de是shi要yao有you雙shuang向xiang瞬shun態tai抑yi製zhi器qi,能neng夠gou承cheng受shou正zheng常chang反fan極ji性xing電dian壓ya而er不bu會hui損sun壞huai。
[page]
電池充電
鉛酸電池充電有三個階段:恒流充電或大電流充電、吸收或恒壓模式,以及浮充電。在大電流充電期間,電流保持恒定,這是由 NCP1294 maichongdianliuxianzhihedianliushezhidianludemaichongwanchengde。chufeizuidagonglvdiandiyuzhegeshuiping,dianliudoujiangbaochizaishejirenyuanhuoyonghushedingdechongdiansulv,cishijiangchongdiandaozuidagonglvdiantiaozhenglv。
OOV 比較器
NCP1294 配備了一個 OOV 比較器,可以監測輸出電池電壓,以確定是否反饋機製已損壞,或遠程檢測受到超過電池溫度補償的電池電壓的影響。當斷開OOV 時係統關閉。比較器可用在係統輸入或係統輸出,但推薦用作輸出的故障安全機製。當使用單電池係統時,可以使用 18V 的觸發點(trip point)或基於充電狀態設置觸發點。如果使用浮動電壓狀態,需要設置 15 V 為觸發電壓。
OUV 功能
NCP1294 的欠壓鎖定功能(OUV)功能可監測轉換器的輸入電壓,以確定是否輸入電壓水平會導致熱問題。OUV 可以獨立監測輸入電壓,以確保輸入電壓在理想水平,從而提供最大輸出功率。
OTP 功能
由於太陽能控製器可能以不恰當的方式使用,建議對降壓主開關的溫度進行監測,以確定它是否超過了最高溫度水平。如果主 MOSFET 的溫度已超過了適當的水平,過溫保護(OTP)可以抑製電流以減少係統功耗。
熱管理
NCP1294 是一個低功耗器件。一旦確定了 IC 功耗,設計人員可以計算出所需的熱阻抗,以保持最差環境溫度下指定的結溫。太陽能控製器的熱性能受 PCB布局影響很大。在設計過程中應格外小心,以確保 IC 和he電dian源yuan開kai關guan在zai建jian議yi的de環huan境jing條tiao件jian下xia工gong作zuo。任ren何he電dian源yuan設she計ji都dou應ying進jin行xing適shi當dang的de實shi驗yan室shi測ce試shi,以yi確que保bao在zai最zui差cha工gong作zuo條tiao件jian下xia設she計ji所suo需xu的de功gong耗hao。在zai測ce試shi過guo程cheng中zhong考kao慮lv的de變bian量liang應ying包bao括kuo最zui高gao環huan境jing溫wen度du、最小氣流、最大輸入電壓、最大負載和元件變化(即最差情況下 MOSFET 的 RDSON)。
太陽能電池板
NCP1294 評估板支持的太陽能電池板在 5 W 和 120 W 之間。這裏考慮的是行業標準類型的太陽能電池板。最常見類型的太陽能電池是晶體矽,它有兩種主要類型:danjingguiheduojinggui。danjingguinengxiaozuigao,danshengchanyebijiaoanggui,tongchangjinxianyushangyehezhuzhaiyingyong。feijingtaiyangnengdianchibanyoutufuzaibuxiuganghuoleisicailiaoshangderongrongguibomogoucheng。jingtijiegoufeichangcuiruo,tongchangjiazailiangpianbolizhijian,yiliyubaohu。danjingguidexiaolvwei18%,多晶矽為 15%,非晶態為 10%。

圖 6:太陽能控製器電路板
利li用yong這zhe個ge功gong能neng豐feng富fu而er靈ling活huo的de解jie決jue方fang案an,工gong程cheng師shi可ke以yi根gen據ju不bu同tong太tai陽yang能neng電dian池chi板ban的de要yao求qiu開kai發fa出chu適shi用yong的de產chan品pin,讓rang最zui終zhong用yong戶hu享xiang用yong到dao先xian進jin半ban導dao體ti技ji術shu帶dai來lai的de便bian利li和he更geng好hao的de使shi用yong體ti驗yan。
特別推薦
- 噪聲中提取真值!瑞盟科技推出MSA2240電流檢測芯片賦能多元高端測量場景
- 10MHz高頻運行!氮矽科技發布集成驅動GaN芯片,助力電源能效再攀新高
- 失真度僅0.002%!力芯微推出超低內阻、超低失真4PST模擬開關
- 一“芯”雙電!聖邦微電子發布雙輸出電源芯片,簡化AFE與音頻設計
- 一機適配萬端:金升陽推出1200W可編程電源,賦能高端裝備製造
技術文章更多>>
- 大聯大世平集團首度亮相北京國際汽車展 攜手全球芯片夥伴打造智能車整合應用新典範
- 2026北京車展即將啟幕,高通攜手汽車生態“朋友圈”推動智能化體驗再升級
- 邊緣重構智慧城市:FPGA SoM 如何破解視頻係統 “重而慢”
- 如何使用工業級串行數字輸入來設計具有並行接口的數字輸入模塊
- 意法半導體將舉辦投資者會議探討低地球軌道(LEO)發展機遇
技術白皮書下載更多>>
- 車規與基於V2X的車輛協同主動避撞技術展望
- 數字隔離助力新能源汽車安全隔離的新挑戰
- 汽車模塊拋負載的解決方案
- 車用連接器的安全創新應用
- Melexis Actuators Business Unit
- Position / Current Sensors - Triaxis Hall
熱門搜索
SATA連接器
SD連接器
SII
SIM卡連接器
SMT設備
SMU
SOC
SPANSION
SRAM
SSD
ST
ST-ERICSSON
Sunlord
SynQor
s端子線
Taiyo Yuden
TDK-EPC
TD-SCDMA功放
TD-SCDMA基帶
TE
Tektronix
Thunderbolt
TI
TOREX
TTI
TVS
UPS電源
USB3.0
USB 3.0主控芯片
USB傳輸速度



