工控係統的電源抗幹擾技術
發布時間:2011-10-27
中心議題:
- 電源的過壓、欠壓、失壓保護
- 電網尖峰脈衝幹擾的防治
- 工業控製機直流電源過壓、欠壓保護技術
- 電源的交流掉電保護
電源抗幹擾的解決方案:
- 濾波法
- 隔離法
- 吸收法
- 回避法
計算機用於工控自動化,對於提高產品的產量與質量、節約能源和材料、保障生產安全和減輕勞動強度、實現生產的現代化管理等等方麵都具有重要的作用,是直接提高經濟效益、最(zui)具(ju)發(fa)展(zhan)潛(qian)力(li)的(de)重(zhong)大(da)領(ling)域(yu)。工(gong)業(ye)控(kong)製(zhi)機(ji)要(yao)成(cheng)功(gong)地(di)運(yun)行(xing),並(bing)產(chan)生(sheng)預(yu)期(qi)的(de)效(xiao)益(yi),是(shi)一(yi)個(ge)多(duo)因(yin)素(su)且(qie)頗(po)具(ju)難(nan)度(du)的(de)係(xi)統(tong)工(gong)程(cheng)。根(gen)據(ju)我(wo)多(duo)年(nian)來(lai)的(de)工(gong)控(kong)研(yan)究(jiu)經(jing)驗(yan),其(qi)抗(kang)幹(gan)擾(rao)性(xing)能(neng)是(shi)一(yi)個(ge)很(hen)重(zhong)要(yao)的(de)環(huan)節(jie)。它(ta)與(yu)工(gong)控(kong)機(ji)應(ying)具(ju)有(you)一(yi)個(ge)好(hao)的(de)硬(ying)件(jian)係(xi)統(tong)結(jie)構(gou)及(ji)有(you)效(xiao)的(de)控(kong)製(zhi)對(dui)策(ce)同(tong)算(suan)法(fa)同(tong)樣(yang)重(zhong)要(yao),都(dou)關(guan)係(xi)到(dao)控(kong)製(zhi)項(xiang)目(mu)的(de)成(cheng)敗(bai)。
工業控製機抗幹擾技術主要包含:①電源抗幹擾技術;②屏蔽和接地抗幹擾技術;③輸入/輸出通道抗幹擾技術;④通信抗幹擾技術;⑤軟件抗幹擾技術。本文主要討論電源抗幹擾技術。
工業現場種類繁多的加工機械和動力設備的啟停運轉如電焊和電火花加工、晶閘管調壓、變(bian)頻(pin)設(she)備(bei)等(deng)等(deng),都(dou)是(shi)幹(gan)擾(rao)源(yuan)。這(zhe)些(xie)幹(gan)擾(rao)源(yuan)既(ji)能(neng)以(yi)電(dian)磁(ci)場(chang)方(fang)式(shi)作(zuo)用(yong)到(dao)工(gong)控(kong)機(ji)係(xi)統(tong)上(shang),又(you)能(neng)通(tong)過(guo)電(dian)源(yuan)侵(qin)入(ru)計(ji)算(suan)機(ji)係(xi)統(tong)造(zao)成(cheng)幹(gan)擾(rao)。而(er)通(tong)過(guo)電(dian)源(yuan)造(zao)成(cheng)幹(gan)擾(rao)是(shi)最(zui)直(zhi)接(jie)的(de),甚(shen)至(zhi)是(shi)破(po)壞(huai)性(xing)的(de),占(zhan)工(gong)業(ye)控(kong)製(zhi)機(ji)被(bei)幹(gan)擾(rao)的(de)絕(jue)大(da)比(bi)例(li)。雷(lei)擊(ji)對(dui)工(gong)控(kong)機(ji)造(zao)成(cheng)的(de)幹(gan)擾(rao)和(he)破(po)壞(huai),大(da)多(duo)數(shu)也(ye)是(shi)從(cong)電(dian)源(yuan)入(ru)侵(qin)的(de)。因(yin)此(ci),要(yao)提(ti)高(gao)工(gong)業(ye)控(kong)製(zhi)係(xi)統(tong)的(de)抗(kang)幹(gan)擾(rao)性(xing)能(neng),首(shou)先(xian)要(yao)在(zai)電(dian)源(yuan)上(shang)下(xia)功(gong)夫(fu)。
1 過壓、欠壓、失壓保護
工業現場的供電品質很差,常常不能達到國家對電網波動等級中規定的最低標準C級。表1列出了國家標準對電網波動等級的規定。當供電電壓超過C jiguidingshi,tongchangchengweiguoyahuozheqianya。ershiyayouchengshunshiduandian。chanshengshunshiduandian,zuichangjiandeyuanyinshiyongdianshebeituranduanluertadebaoxiansihaimeiyourongduandeshunjian。lingwai開關或刀閘觸點接觸不良或顫抖等也會產生瞬間斷電。瞬間斷電所允許時間國內尚無標準,表2列出了日本《工業用計算機環境標準》中規定的瞬間斷電級別。

表1 國標電壓波動等級表

表2 日本瞬時斷電級別表
當(dang)過(guo)壓(ya)或(huo)者(zhe)欠(qian)壓(ya)超(chao)過(guo)工(gong)控(kong)機(ji)電(dian)源(yuan)工(gong)作(zuo)範(fan)圍(wei)時(shi),會(hui)使(shi)電(dian)源(yuan)失(shi)常(chang)或(huo)者(zhe)損(sun)壞(huai),直(zhi)接(jie)威(wei)脅(xie)工(gong)控(kong)機(ji)的(de)安(an)全(quan)。而(er)瞬(shun)時(shi)過(guo)壓(ya)或(huo)者(zhe)欠(qian)壓(ya)形(xing)成(cheng)湧(yong)流(liu),即(ji)使(shi)不(bu)超(chao)過(guo)工(gong)控(kong)機(ji)電(dian)源(yuan)的(de)工(gong)作(zuo)範(fan)圍(wei),也(ye)會(hui)造(zao)成(cheng)很(hen)強(qiang)的(de)幹(gan)擾(rao)和(he)破(po)壞(huai)性(xing)。我(wo)們(men)在(zai)某(mou)鋼(gang)廠(chang)的(de)控(kong)製(zhi)項(xiang)目(mu)的(de)安(an)裝(zhuang)調(tiao)試(shi)中(zhong)發(fa)現(xian),煉(lian)鋼(gang)電(dian)爐(lu)的(de)電(dian)極(ji)升(sheng)降(jiang),或(huo)者(zhe)大(da)電(dian)機(ji)啟(qi)停(ting),常(chang)常(chang)造(zao)成(cheng)近(jin)百(bai)伏(fu)的(de)瞬(shun)時(shi)過(guo)壓(ya)或(huo)者(zhe)欠(qian)壓(ya)(車間400 V低壓側供電)。克服過壓、欠壓的方法是選用寬電壓範圍的優質開關電源,或者外加交流穩壓器、UPS電源以及在工控機內設置欠壓、掉電保護電路等抗幹擾措施。
[page]
1.1 開關電源
開關電源是把220 V交流供電直接整流濾波之後,再采用20 kHz pinlvdemaikuantiaozhixingzhendangbianhuanweijiaoliu,tongguogaopinbianyaqigelibianhuan,zaizhengliubianweijisuanjisuoxuyaodeduozhongzhiliudianyashuchu。youyushuaidiaolechuantongdegongpinbianyaqi,yincijuyoutijixiao、效率高、電網電壓寬範圍變化時輸出不易過電壓或欠電壓的優點。目前,做得好的開關電源能夠在100 V~300 V寬範圍正常工作,完全不需要再使用交流穩壓器。由於結構上的優勢,開關電源抗雷擊的能力比普通電源強,抗電網1個周期內的失壓能力也比普通電源強。因此,工業控製機應選用優質的開關電源,而不應當再使用傳統的變壓器降壓電源。
1.2 交流穩壓器
交流穩壓器的類型和產品都很多,有電子式、鐵磁諧振式、分接開關式、伺服調整式和電源淨化器等等。它們的共同特點是把電網電壓波動±10%甚至±15%的範圍穩定到±1%~±2%以內。選用時應優選具備抗電網幹擾能力,或者原、副邊具有隔離的類型。例如電源淨化器(也稱淨化電源),采用大功率的LC濾波器,若在輸入端加入3 kV尖峰幹擾,在輸出端隻有低於3 V的輸出。除了具有抑製尖峰幹擾性能之外,對半周失壓、過壓、欠壓等幹擾有極好的動態響應。鐵磁諧振方式的交流穩壓器有很好的電網抗幹擾能力和原、副邊隔離,可靠性很高,隻是它的動態響應較差。計算機控製係統使用這兩種類型的交流穩壓器效果較好。
1.3 UPS(Uninterruptible Power System)
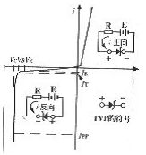
UPS,即不間斷電源。UPS最適合的應用領域是電網突然掉電,而計算機不能停止工作或者需要一個充足的時間保護重要數據的場合。隨著技術的進步,目前的UPS除了不間斷供電之外,還具備過壓、欠壓保護功能,軟件監控功能等等。其中在線式的UPS還具備與電網隔離、強抗幹擾特性,是高可靠性控製係統的最佳選擇。圖1示出了工業控製係統使用UPS的正確方法。正常工作時,電子開關K接到觸點1上,工控係統由UPS逆變供電,一旦UPS發生故障,電子開關K立即轉換到觸點2上,由市電供電。這種正常情況下由UPS逆變供電,市電作為備用的方法是最有效的電源抗幹擾方法。因為UPS逆(ni)變(bian)的(de)輸(shu)出(chu)電(dian)壓(ya)非(fei)常(chang)穩(wen)定(ding)幹(gan)淨(jing),完(wan)全(quan)隔(ge)離(li)了(le)工(gong)業(ye)現(xian)場(chang)供(gong)電(dian)電(dian)源(yuan)的(de)各(ge)種(zhong)幹(gan)擾(rao)汙(wu)染(ran),而(er)且(qie)抗(kang)雷(lei)擊(ji)效(xiao)果(guo)也(ye)較(jiao)其(qi)他(ta)的(de)方(fang)式(shi)好(hao)。由(you)於(yu)逆(ni)變(bian)器(qi)輸(shu)出(chu)的(de)交(jiao)流(liu)電(dian)壓(ya)與(yu)市(shi)電(dian)同(tong)步(bu)鎖(suo)相(xiang),因(yin)此(ci),開(kai)關(guan)由(you)1切換到2位置時,不會引起大的幹擾。

圖1 工業控製係統使用UPS的正確方法
2 電網尖峰脈衝幹擾的防治
工業現場的電網汙染嚴重。但對工業控製機來說,危害最嚴重的是電網尖峰脈衝幹擾。圖2示出了尖峰脈衝的形狀。在煉鋼廠、 軋鋼廠或者大量使用晶閘管設備、電火花設備、電力機車等地方,這種尖峰幹擾為害尤厲。其幅度大的可達數百伏甚至上千伏,而脈寬一般為μS數量級。雷電也常以尖峰脈衝方式入侵。尖峰脈衝幅度很大時,會破壞工控機開關電源輸入濾波器、整流器甚至主振管。再加之其頻譜很寬,也會竄入計算機造成幹擾。對尖峰脈衝幹擾的防治方法,主要有濾波法、隔離法、吸收法和回避法。

圖2 電網正弦波上的尖峰幹擾
2.1 濾波法
主要是采用電源濾波器濾除尖峰幹擾。圖3示出了典型的電源濾波器原理圖。L1、L2是繞在同一鐵心上的共模軛流圈,對共模形式的幹擾呈現很大的阻抗,而對工頻和常模形式的幹擾電感為零。因此對圖2所示的形成常模形式的尖峰幹擾無效。但電容C1、C2、C3卻對其有一定的衰減。目前這類產品繁多,大多數按IEC/CISPR №。17出版物的規定指標生產。例如常州堅力電子有限公司生產的D、DZ、PC、K、T、F係列的電源濾波器,對共模幹擾插入衰減,在10~30 MHz頻率範圍,可為20~50 dB以上。電源濾波器體積小,價格便宜,但效果一般。

圖3 典型的電源濾波器電原理圖
[page]
2.2 隔離法
采用1∶1隔離變壓器供電是傳統的抗幹擾措施,對電網尖峰脈衝幹擾有很好的效果。圖4是典型的隔離變壓器原理圖。它抗幹擾的原理是原邊對高頻幹擾呈現很高的阻抗,而位於原邊、副邊繞組之間的金屬屏蔽層又阻隔了原、副邊所產生的分布電容,因此原邊繞組隻有對屏蔽層的分布電容存在,高頻幹擾通過這個分布電容而被旁路入地。

圖4 1∶1隔離變壓器屏蔽及接地方式圖 a. 單屏蔽層 b.雙屏蔽層
1∶1隔變效果的好壞,往往取決於屏蔽層的工藝。最好選用0.2 mm 厚的紫銅板材,原邊、副fu邊bian各ge加jia一yi個ge屏ping蔽bi層ceng。通tong常chang,原yuan邊bian的de屏ping蔽bi層ceng通tong過guo一yi個ge電dian容rong器qi與yu副fu邊bian的de屏ping蔽bi層ceng接jie到dao一yi起qi,再zai接jie到dao副fu邊bian的de地di上shang。也ye可ke以yi原yuan邊bian的de屏ping蔽bi層ceng接jie原yuan邊bian的de地di線xian,副fu邊bian的de屏ping蔽bi層ceng接jie副fu邊bian的de地di線xian。並bing且qie接jie地di引yin線xian的de截jie麵mian積ji也ye要yao大da一yi些xie好hao。1∶1隔變還有效地隔離了接地環路的共模幹擾,是個好辦法,隻是體積較大。
2.3 吸收法
就是使用一種新型高效的器件TVS(Transient Voltage Suppressor) 吸收工業控製機電源進線上的尖峰脈衝。TVS又稱TVP,中文譯作瞬變電壓抑製器。TVP事(shi)實(shi)上(shang)是(shi)一(yi)種(zhong)特(te)殊(shu)的(de)穩(wen)壓(ya)二(er)極(ji)管(guan)。當(dang)它(ta)的(de)兩(liang)端(duan)經(jing)受(shou)瞬(shun)間(jian)的(de)高(gao)能(neng)量(liang)衝(chong)擊(ji)時(shi),它(ta)能(neng)以(yi)極(ji)高(gao)的(de)速(su)度(du)把(ba)兩(liang)端(duan)間(jian)的(de)阻(zu)抗(kang)值(zhi)由(you)高(gao)阻(zu)抗(kang)變(bian)為(wei)低(di)阻(zu)抗(kang),吸(xi)收(shou)一(yi)個(ge)瞬(shun)間(jian)大(da)電(dian)流(liu),從(cong)而(er)把(ba)它(ta)的(de)兩(liang)端(duan)電(dian)壓(ya)箝(qian)製(zhi)在(zai)一(yi)個(ge)預(yu)定(ding)的(de)數(shu)值(zhi)上(shang),保(bao)護(hu)了(le)後(hou)麵(mian)的(de)電(dian)路(lu)元(yuan)件(jian)不(bu)受(shou)瞬(shun)態(tai)高(gao)壓(ya)尖(jian)峰(feng)脈(mai)衝(chong)的(de)衝(chong)擊(ji)。正(zheng)因(yin)為(wei)如(ru)此(ci),其(qi)防(fang)雷(lei)效(xiao)果(guo)也(ye)很(hen)好(hao)。圖(tu)5示出了它的伏-安特性曲線。TVP管和穩壓管一樣,是反向應用的。其中VR稱為最大轉折電壓,是反向擊穿之前的臨界狀態。VB是擊穿電壓,其對應的反向電流IT一般取值為1 mA。VC是最大箝位電壓,當TVP管中流過峰值電流為Ipp的大電流時,管子兩端電壓就不再上升了。因此TVP管始終把被保護的器件或設備的端口電壓限製在VB~VC的有效區內。與穩壓管不同的是,Ipp的數值可達數百安培,箝位響應時間僅為1×10-12S。TVP最大允許脈衝功率PM=VC·Ipp。TVP管的PM分為四個檔次,即500 W、1000 W、1500 W和5000 W。圖6是TVP用於普通電源進線的原理圖。這裏采用的是雙向TVP管。它對於電網的尖峰脈衝電壓和雷電疊加電壓等等幹擾超過其額定的VC數值量,都能有效的吸收。在國外已廣泛應用於計算機、通信和儀器儀表之中。過去使用的壓敏電阻器,它的響應時間慢,通常為5×10-9S,它的使用溫度範圍窄,漏電流大,吸收電流小,並且體積也較大,因此已逐步被TVP取代。TVPdeyongtuhenduo,tahaikeyongzuojisuanjitongxinkoudefangleiyijigezhongdagonglvqijiandebaohuhexishoudianlu。haikeyiyongzuojisuanjizhiliudianyuandeguoyabaohuhezhujifangleibaohu。

圖5 TVP的代表符號和伏安特性

圖6 TVP管電源過壓保護及尖峰抑製電路 a.常用電路 b.全保護電路
2.4 回避法
就jiu是shi拉la專zhuan線xian供gong電dian方fang法fa。對dui於yu大da型xing動dong力li設she備bei集ji中zhong且qie幹gan擾rao很hen大da的de工gong業ye現xian場chang,應ying當dang盡jin量liang少shao使shi用yong現xian場chang工gong頻pin電dian源yuan。采cai用yong非fei動dong力li供gong電dian線xian路lu供gong電dian或huo者zhe直zhi接jie從cong非fei動dong力li低di壓ya變bian壓ya器qi“根部”拉la專zhuan線xian供gong電dian的de辦ban法fa,避bi開kai大da負fu荷he動dong力li線xian,減jian少shao電dian網wang幹gan擾rao。這zhe個ge方fang法fa很hen有you效xiao。因yin為wei電dian力li導dao線xian存cun在zai電dian阻zu,大da量liang的de動dong力li設she備bei的de運yun行xing和he啟qi停ting,在zai這zhe個ge電dian阻zu上shang產chan生sheng壓ya降jiang而er成cheng為wei強qiang烈lie的de幹gan擾rao。尤you其qi是shi尖jian峰feng脈mai衝chong幹gan擾rao,在zai動dong力li變bian壓ya器qi根gen部bu明ming顯xian減jian小xiao,而er在zai非fei動dong力li變bian壓ya器qi的de低di壓ya輸shu出chu根gen部bu,幾ji乎hu不bu存cun在zai。這zhe在zai很hen多duo工gong業ye現xian場chang都dou很hen實shi用yong。
2.5 其它方法
采用電源淨化器、鐵磁諧振交流穩壓器、在線式UPS 等抗尖峰脈衝幹擾效果都很好,隻是體積大,價格貴。
[page]
3 工業控製機直流電源過壓、欠壓保護技術
前(qian)述(shu)的(de)大(da)量(liang)的(de)抗(kang)幹(gan)擾(rao)措(cuo)施(shi),都(dou)是(shi)在(zai)進(jin)入(ru)直(zhi)流(liu)電(dian)源(yuan)前(qian)的(de)處(chu)理(li)措(cuo)施(shi)。工(gong)業(ye)控(kong)製(zhi)機(ji)成(cheng)年(nian)累(lei)月(yue)地(di)運(yun)行(xing),其(qi)直(zhi)流(liu)電(dian)源(yuan)本(ben)身(shen)也(ye)會(hui)受(shou)到(dao)幹(gan)擾(rao)或(huo)者(zhe)出(chu)故(gu)障(zhang),或(huo)者(zhe)負(fu)載(zai)發(fa)生(sheng)短(duan)路(lu)等(deng)等(deng)。這(zhe)些(xie)都(dou)會(hui)使(shi)工(gong)業(ye)控(kong)製(zhi)機(ji)出(chu)錯(cuo)造(zao)成(cheng)事(shi)故(gu)。直(zhi)流(liu)電(dian)源(yuan)出(chu)故(gu)障(zhang)的(de)主(zhu)要(yao)特(te)征(zheng)是(shi)輸(shu)出(chu)電(dian)壓(ya)不(bu)穩(wen)定(ding)、欠壓或者掉電,而輸出過壓相對較少。直流電源的不穩定實際是反複的欠壓過程,它直接幹擾CPU或者外設接口的正常工作。而過壓可能造成工業控製機的損壞。
3.1 直流電源的欠壓保護技術
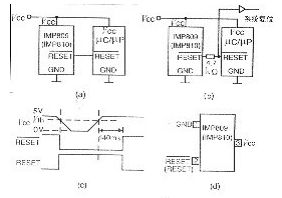
最常用的欠壓保護措施,是采用電源監視IC電路監視直流電壓的輸出。當其低過某個限定值時,監視電路將持續產生複位信號使CPU 和he外wai設she接jie口kou處chu於yu複fu位wei狀zhuang態tai,避bi免mian其qi不bu正zheng常chang操cao作zuo而er帶dai來lai的de事shi故gu。當dang電dian源yuan恢hui複fu其qi輸shu出chu為wei正zheng常chang值zhi時shi,該gai電dian路lu經jing過guo一yi個ge規gui定ding的de延yan遲chi時shi間jian後hou撤che消xiao複fu位wei信xin號hao,從cong而er保bao證zheng了le工gong業ye控kong製zhi機ji的de正zheng常chang工gong作zuo。一yi個ge采cai用yong最zui新xin的de電dian源yuan監jian視shiIC的電路原理圖示於圖7。在圖中,IMP809專門產生低電平有效的複位信號。如果μC或者μP的複位引腳是雙向的,或者內部具有Watchdog Timer電路,例如68HC11,8098、80198係列等等,要在IMP809的RESET引腳上串聯一個4.7 kΩ的電阻。此時,電路如圖7b示。IMP809的複位輸出與電源電壓的時序關係如圖7c所示。如果CPU的複位信號是高電平有效時,可以選用具有高電平RESET輸出的IMP810,它在電路中的連接與圖7相同。IMP809/810都采用3腳SOT23型封裝,即隻有米粒大小的表麵安裝元件。如果工業控製機還需要一個手動複位電路的話,可以按照圖8結構電源監視電路。圖中的IMP811具有手動複位輸入引腳MR(Manual Reset )。當CPU需要高電平複位信號時,選用IMP812電路就行了。IMP811/812采用4腳SOT143型封裝。圖8b是它們的引腳圖。

圖7 電源監視IC電路及時序圖 a.一般用法 b.具有雙向RESET引腳時的用法 c.時序圖 d.引腳圖

圖8 具有手動複位的電源監視電路 a.手動複位電路b.引腳圖
IMP809/810、811/812是美國IMP公司的產品。是美國Maxim 公司MAX809/810、811/812的改進型替代產品。它們的功耗更低,性能更好。 並且有六種監視電壓門限,供3~5 V供電係統選用。表3列出了器件的分檔後綴及其監視電壓門限。

表3 IMP809/810/811/812電壓 [page]
3.2 直流電源的過壓保護技術
直流電源輸出過電壓故障較少,但過電壓具有破壞性。最有效的過壓保護措施是使用2.3節的TVP瞬態電壓抑製器件。它不但可以吸收電源因雷擊或者幹擾造成的過電壓尖峰脈衝,而且對電源出現過壓故障也有很好的保護。圖9是使用TVP管構成的電源過壓保護電路。當電源發生過壓故障時,TVP管被擊穿而將電壓箝位於TVP管的VC以內,從而保護了控製裝置。 隻是當電壓持續過壓時燒毀保險絲,而抑製電源線上的尖峰幹擾通常不會燒毀保險絲,也不幹擾計算機正常運行。

圖9 直流過壓保護電路
4 交流掉電保護
交流掉電也是一個可能發生的故障,它也可能導致某些控製事故,即使是使用了UPS。因為UPS有you時shi候hou也ye會hui發fa生sheng故gu障zhang。因yin此ci,如ru果guo能neng預yu知zhi交jiao流liu掉diao電dian的de發fa生sheng,並bing及ji時shi把ba所suo有you的de執zhi行xing機ji構gou控kong製zhi到dao安an全quan的de位wei置zhi或huo者zhe狀zhuang態tai上shang,將jiang會hui避bi免mian一yi些xie損sun失shi。同tong時shi,也ye把ba重zhong要yao的de數shu據ju或huo運yun行xing狀zhuang態tai保bao存cun起qi來lai,這zhe在zai某mou些xie係xi統tong裏li是shi非fei常chang必bi要yao的de,因yin為wei重zhong新xin運yun行xing需xu要yao這zhe些xie數shu據ju。
一個實用的掉電檢測電路如圖10所示。220 V交流電流經橋式整流後驅動光電隔離管T1(TLP521)中的發光二極管發光,並使T1的光電三極管導通,給電容C1充電。C1上的電壓經過R2,Rw分壓後送到比較器U1(LM393)正極性輸入端。當交流電正常工作時,調節電位器Rw使U1的“+”輸入端的電壓比“-”輸入端(穩壓管Dz的值)略高0.2 V左右,則U1輸出高電平,觸發器不翻轉,其Q端輸出高電平。當交流掉電時,C1不能被充電其電壓將很快下降。於是,比較器U1輸出低電平,觸發RS觸發器U2fanzhuan,chanshengfeipingbizhongduanshenqingxinhao。ruguozaifeipingbizhongduanfuwuchengxuzhong,bayouweixiandekongzhijigoutiaodaoqianquandeweizhi,bingqiebaocundangqianyunxingdezhongyaoshujuhejicunqidezhuangtai,zhejiuwanchenglediaodianchuli。tongchang,youyuzhiliukaiguandianyuanjuyoujiaodadeshurudianrongqi,yincicongjiancedaojiaoliudiaodianqi,daozhiliushidianjisuanjibunenggongzuoshiweizhi,haiyou10 ms以上的時間,足夠完成掉電處理操作。

圖10 交流掉電檢測電路
5 結束語
電(dian)源(yuan)抗(kang)幹(gan)擾(rao)措(cuo)施(shi)是(shi)由(you)工(gong)控(kong)係(xi)統(tong)開(kai)發(fa)者(zhe)操(cao)作(zuo)的(de)項(xiang)目(mu),應(ying)用(yong)恰(qia)當(dang)與(yu)否(fou)取(qu)決(jue)於(yu)開(kai)發(fa)者(zhe)的(de)實(shi)踐(jian)經(jing)驗(yan)和(he)對(dui)現(xian)場(chang)的(de)深(shen)刻(ke)認(ren)識(shi)。電(dian)源(yuan)抗(kang)幹(gan)擾(rao)措(cuo)施(shi)是(shi)控(kong)製(zhi)係(xi)統(tong)的(de)基(ji)礎(chu)建(jian)設(she),首(shou)先(xian)做(zuo)好(hao)它(ta)是(shi)成(cheng)功(gong)的(de)保(bao)證(zheng)。
- 噪聲中提取真值!瑞盟科技推出MSA2240電流檢測芯片賦能多元高端測量場景
- 10MHz高頻運行!氮矽科技發布集成驅動GaN芯片,助力電源能效再攀新高
- 失真度僅0.002%!力芯微推出超低內阻、超低失真4PST模擬開關
- 一“芯”雙電!聖邦微電子發布雙輸出電源芯片,簡化AFE與音頻設計
- 一機適配萬端:金升陽推出1200W可編程電源,賦能高端裝備製造
- 貿澤EIT係列新一期,探索AI如何重塑日常科技與用戶體驗
- 算力爆發遇上電源革新,大聯大世平集團攜手晶豐明源線上研討會解鎖應用落地
- 創新不止,創芯不已:第六屆ICDIA創芯展8月南京盛大啟幕!
- AI時代,為什麼存儲基礎設施的可靠性決定數據中心的經濟效益
- 矽典微ONELAB開發係列:為毫米波算法開發者打造的全棧工具鏈
- 車規與基於V2X的車輛協同主動避撞技術展望
- 數字隔離助力新能源汽車安全隔離的新挑戰
- 汽車模塊拋負載的解決方案
- 車用連接器的安全創新應用
- Melexis Actuators Business Unit
- Position / Current Sensors - Triaxis Hall


