電容式觸控電荷轉移橫向模式技術
發布時間:2011-09-19 來源:中電網
中心議題:
muqiandianzushichukongmianbanyouyuqiduocengcailiaoduizhanjiagoudexianzhi,shiqizaitouguangduyujisuanshouzhiweizhidejingquedushangburuodianrongshichukongmianbanlaidehao,dianrongshichukongmianbanruocaiyongdianhezhuanyijishuzhongdehengxiangmoshifangan,zegengkejiejuedianrongshichukongpingmuzaoshengyuzaoxunbidewenti,congerkaifagengjuyoushidedianrongshichukongpingmu。
由於觸控屏幕反應迅速,而且是直觀式操作,因此正迅速被各類消費電子產品和交通售票係統等工業及商業設備選為使用者接口。
在技術層麵上,觸控屏幕早在數10年(nian)前(qian)就(jiu)已(yi)確(que)實(shi)可(ke)行(xing),但(dan)早(zao)期(qi)技(ji)術(shu)並(bing)不(bu)適(shi)用(yong)於(yu)低(di)成(cheng)本(ben)的(de)大(da)眾(zhong)市(shi)場(chang)應(ying)用(yong),這(zhe)些(xie)技(ji)術(shu)包(bao)括(kuo)紅(hong)外(wai)線(xian)係(xi)統(tong)與(yu)表(biao)麵(mian)聲(sheng)波(bo)感(gan)測(ce)係(xi)統(tong),由(you)於(yu)紅(hong)外(wai)線(xian)係(xi)統(tong)采(cai)用(yong)由(you)水(shui)平(ping)和(he)垂(chui)直(zhi)兩(liang)個(ge)方(fang)向(xiang)構(gou)成(cheng)的(de)傳感器數shu組zu,用yong以yi檢jian測ce使shi用yong者zhe的de手shou指zhi是shi否fou靠kao近jin屏ping幕mu表biao麵mian,而er阻zu斷duan經jing過guo調tiao製zhi的de光guang束shu,而er表biao麵mian聲sheng波bo傳chuan感gan器qi,因yin手shou指zhi接jie近jin屏ping幕mu表biao麵mian時shi會hui吸xi收shou聲sheng波bo,因yin此ci該gai技ji術shu可ke根gen據ju聲sheng波bo的de變bian化hua確que定ding是shi否fou有you手shou指zhi觸chu及ji屏ping幕mu。
chushangshutidaodejishuzhiwai,haiyoujizhongqitajishu,buguomuqiandezhuliuqushishidianzushihedianrongshigance,zheliangzhongjishudouyouqiyoushi,danzuixindedianrongshikongzhiIC不單能簡化單觸控應用,而且還可以實現電阻式感測係統無法提供的多指觸控功能。
電阻式觸控麵板 囿於架構而導致諸多缺點
電阻式觸控屏幕已擺脫從1970年nian代dai就jiu存cun在zai的de專zhuan利li限xian製zhi桎zhi梏gu,這zhe種zhong技ji術shu的de工gong作zuo原yuan理li很hen簡jian單dan,主zhu要yao部bu分fen是shi由you兩liang層ceng微wei小xiao空kong氣qi隙xi隔ge離li的de透tou明ming電dian阻zu材cai料liao組zu成cheng,一yi般ban是shi澱dian積ji在zai塑su料liao膜mo和he玻bo璃li基ji板ban上shang的de氧yang化hua銦yin錫xi(ITO),其中,頂層是軟性的(Flexible),而低層是硬性的(Rigid),中間有許多細小的透明間隔點以隔離兩個導電層(圖1),當用戶手指按壓頂層時,在接觸點形成電壓梯度時,電子控製組件會對之進行感測,並計算出X、Y坐標的位置。

圖2:電阻式觸控屏幕電極正交電位計
在最簡單的四線(Four-wire)電dian阻zu式shi連lian接jie中zhong,頂ding層ceng兩liang端duan和he低di層ceng兩liang端duan分fen別bie各ge連lian接jie兩liang個ge電dian極ji,兩liang層ceng的de電dian極ji互hu相xiang呈cheng九jiu十shi度du交jiao叉cha,形xing成cheng四si線xian星xing狀zhuang連lian接jie結jie構gou,這zhe實shi際ji上shang就jiu是shi一yi對dui彼bi此ci正zheng交jiao的de電dian位wei計ji(圖2),相當於機械操縱杆的平麵屏幕模擬。為了在X軸方向測量觸摸位置,觸控板的控製器將X-設為接地,而X+偏置為參考電壓,然後從Y層的兩端讀取電壓,以找出X軸上兩層的接觸點。同樣地,控製器透過在Y層的電極上加載驅動電壓,並從X層讀取觸摸點電壓,可以確定Y軸上的觸摸位置。
[page]
這種技術的變化形包括五線係統,基板帶有ITO塗層,四邊都有電極。軟性隔膜為第五個電極,當用戶手指壓按時,控製器可測量出X和Y軸的電壓,從而確定觸摸的位置。這種排列通常可提供比四線結構更佳的穩定性和更長的壽命。其它變化還有適用於大型屏幕、分辨率更高的六線和八線係統。
電dian阻zu式shi技ji術shu的de主zhu要yao優you勢shi在zai於yu其qi接jie口kou電dian子zi結jie構gou很hen簡jian單dan,控kong製zhi器qi隻zhi須xu在zai一yi對dui電dian極ji上shang加jia載zai參can考kao電dian壓ya,同tong時shi測ce量liang另ling一yi對dui電dian極ji間jian的de電dian勢shi即ji可ke,而er這zhe一yi點dian利li用yong片pian上shang(On-chip)金屬氧化物半導體場效晶體管(MOSFET)開關、模擬多路器和模擬數字轉換器(ADC)就可輕鬆做到。若ADC進行差分測量,測量結果實際上成為比率計(Radiometric),可使用Vcc和接地作激勵(Stimulus),透過適當的設計,就完全有可能獲得4,09*,096的分辨率。
相反地,這種技術的主要缺點源於觸控屏幕的多層結構。其基層一般是玻璃,表麵塗有一層均勻的ITO,頂層通常由聚乙烯對苯二甲酸酯(PET)製造,內表麵(Inner Surface)也塗有一層均勻的ITO,而外表麵(Outer Surface)則(ze)有(you)硬(ying)塗(tu)層(ceng),以(yi)為(wei)保(bao)護(hu)作(zuo)用(yong),而(er)形(xing)成(cheng)空(kong)氣(qi)隙(xi)以(yi)把(ba)這(zhe)些(xie)導(dao)電(dian)層(ceng)隔(ge)離(li)開(kai)的(de)細(xi)小(xiao)透(tou)明(ming)間(jian)隔(ge)點(dian)常(chang)在(zai)打(da)印(yin)製(zhi)程(cheng)中(zhong)產(chan)生(sheng)。這(zhe)種(zhong)多(duo)層(ceng)材(cai)料(liao)堆(dui)棧(zhan)的(de)多(duo)層(ceng)結(jie)構(gou)對(dui)透(tou)光(guang)性(xing)有(you)所(suo)影(ying)響(xiang),一(yi)般(ban)將(jiang)降(jiang)至(zhi)約(yue)透(tou)明(ming)玻(bo)璃(li)透(tou)光(guang)率(lv)的(de)75%,同tong時shi,空kong氣qi間jian隙xi可ke能neng產chan生sheng薄bo霧wu效xiao應ying,進jin一yi步bu降jiang低di清qing晰xi度du。此ci外wai,這zhe種zhong結jie構gou很hen容rong易yi刮gua傷shang損sun壞huai,而er且qie因yin為wei機ji械xie軸zhou性xing不bu重zhong合he,還hai須xu仔zai細xi校xiao準zhun以yi確que定dingX、Y坐標範圍,其它弱點還包括可能吸收電氣噪聲,尤其是來自液晶顯示器(LCD),這時一般須進行濾波,將導致反應時間的延長,當然,控製器一次隻能處理一個觸摸位置,也是一大局限。
利用電荷轉移技術解決應用挑戰
由於電阻式觸控屏幕存在缺陷和局限性,許多設計人員已轉向投射式電容感測技術。這種技術在IC形式上分為好幾種電路,主要包括容抗(RC)時間常數測量電路,如弛張振蕩器、直流(AC)電流測量組件,以及電荷轉移(Charge-transfer)組件。電荷轉移組件又分為單端模式(Single-ended)和橫向模式(Transverse-mode),選擇上述任何一種方法,利用在兩層或更多迭層上的電極行列數組,都可以實現觸控屏幕。
RC時間常數技術的基本原理是,當電容組件C隨手指觸摸改變時,電極區域充電或放電所需的時間也隨之改變。測量充/放電期間的變化可得到C的變化,因為C是未知,所以假設為Cx,這種方法有許多變化形式,可測量頻率或時間、可自由運行或以單周期為基礎。RC時(shi)間(jian)常(chang)數(shu)測(ce)量(liang)的(de)缺(que)點(dian)是(shi)速(su)度(du)較(jiao)慢(man),並(bing)易(yi)受(shou)泄(xie)漏(lou)電(dian)流(liu)幹(gan)擾(rao),其(qi)動(dong)態(tai)範(fan)圍(wei)也(ye)非(fei)常(chang)有(you)限(xian),很(hen)難(nan)校(xiao)準(zhun),而(er)且(qie)容(rong)易(yi)受(shou)到(dao)恒(heng)定(ding)漂(piao)移(yi)問(wen)題(ti)的(de)影(ying)響(xiang)。此(ci)外(wai),由(you)於(yu)其(qi)電(dian)路(lu)的(de)高(gao)阻(zu)抗(kang)特(te)性(xing),所(suo)以(yi)也(ye)極(ji)易(yi)受(shou)外(wai)界(jie)噪(zao)聲(sheng)幹(gan)擾(rao),盡(jin)管(guan)如(ru)此(ci),仍(reng)有(you)部(bu)分(fen)觸(chu)控(kong)屏(ping)幕(mu)采(cai)用(yong)這(zhe)種(zhong)方(fang)案(an)。
至於AC電流測量方法,由一個AC電壓源驅動阻抗,繼而驅動Cx,故測量阻抗產生的電壓就可確定Cx的值。這些電路也有很多和RCdianluxiangtongdejuxianxing,buguoqianzhedequdongzukangyibanjiaodi,ranerqixuliyongfangdaqihuifuchuanlianzukangchanshengdexiaodianya,danxunzaobidengfangmiandewentiyousuizhierlai,zhezhongfangfazaichukongpingmuzhongyiyouyidingyunyong,youqishizaidaidizukangbianyandeqianbiaomianbanzhong。
和RC及ACjishuxiangtong,danduandianhezhuanyidianrongchuanganqiyeshizaimeigegancetongdaocaiyongyigedianjiban,danbuyilaiyushixucelianghuofangdaqi,ershicaiyonghubushijinshuyanghuawubandaoti(CMOS)開關把電荷泵入Cx,並把電荷轉移到一個參考采樣電容(Cs)中。透過計算Cs達到預先設定的電壓值所需的周期數,就可很容易求得電荷電平,且這個周期數與Cx成反比。眾所周知,電荷轉移方法有助於抑製泄漏電流的影響,而且由於其采用一個很大的Cs作為檢測器,這個檢測器相當於對外界的一個低阻抗,故其抗外部電氣噪聲的能力非常強。
與之相反,橫向模式電荷轉移感測是每個感測元素都采用兩個電極。基本上,其電氣行為與單端電荷轉移感測相同,但這些電路在發送/接jie收shou矩ju陣zhen中zhong采cai用yong電dian極ji數shu組zu創chuang造zao觸chu控kong屏ping幕mu功gong能neng。該gai方fang案an的de優you點dian是shi其qi需xu要yao的de布bu線xian較jiao少shao,更geng甚shen之zhi能neng同tong時shi識shi別bie和he區qu分fen多duo個ge觸chu點dian之zhi間jian的de差cha異yi,單dan端duan電dian路lu也ye可ke感gan測ce多duo個ge觸chu點dian,不bu過guo由you於yu訊xun號hao本ben身shen模mo糊hu,故gu不bu能neng區qu分fen。此ci外wai,橫heng向xiang模mo式shi方fang案an還hai有you速su度du快kuai和he功gong耗hao低di的de優you勢shi,因yin為wei其qi能neng同tong時shi測ce量liang一yi條tiao驅qu動dong線xian路lu上shang的de所suo有you節jie點dian,所suo以yi可ke減jian少shao50%的采集周期數。這種雙電極式結構具有自我屏蔽外部噪聲的功能,在定功率級上可提高訊號穩定性,因此,量研科技(Quantum Research)一直將橫向模式感測技術作為驅動觸控屏幕的主要方案,利用高載模式采樣、擴頻調製及數字訊號處理等各種增強型技術的結合,促成抗噪聲源幹擾能力強,即使在惡劣環境下也較穩健的解決方案。
在電氣方麵,橫向模式感測的工作原理非常類似於T橋衰減器電路,使用者的手指實際上相當於一對電容之間的Cx項(圖3)。手shou指zhi觸chu控kong屏ping幕mu表biao麵mian吸xi收shou驅qu動dong電dian極ji和he接jie收shou電dian極ji之zhi間jian的de耦ou合he電dian荷he,電dian荷he經jing由you大da量liang雜za散san電dian容rong路lu徑jing返fan回hui至zhi電dian路lu的de接jie地di,這zhe會hui降jiang低di訊xun號hao的de強qiang度du,而er降jiang低di的de程cheng度du很hen容rong易yi且qie可ke靠kao地di測ce出chu。
圖3:橫向模式感測的工作原理
[page]
盡管功耗極低,橫向模式傳感器卻容易可穿過好幾毫米厚的塑料、玻璃及其它材料,檢測出使用多手指觸摸,電極可由任何導電材料製作而成,如ITO,而且幾乎任何尺寸和形狀都可以。噪聲消除算法可幫助這些傳感器消除LCD等(deng)模(mo)塊(kuai)產(chan)生(sheng)的(de)噪(zao)聲(sheng),通(tong)常(chang)毋(wu)需(xu)單(dan)獨(du)的(de)屏(ping)蔽(bi)層(ceng),從(cong)而(er)提(ti)高(gao)顯(xian)示(shi)器(qi)的(de)光(guang)傳(chuan)輸(shu)性(xing)能(neng),同(tong)時(shi)降(jiang)低(di)產(chan)品(pin)的(de)建(jian)構(gou)成(cheng)本(ben)和(he)背(bei)光(guang)功(gong)率(lv)的(de)要(yao)求(qiu),而(er)廠(chang)商(shang)推(tui)出(chu)的(de)QMatrix橫向模式電路采用一種雙斜坡轉換形式,可確保電路對時間和溫度的變化具有高度穩定性(圖4)。
圖4:QMatrix橫向模式電路示意圖
廠(chang)商(shang)發(fa)展(zhan)的(de)芯(xin)片(pian)透(tou)過(guo)與(yu)驅(qu)動(dong)脈(mai)衝(chong)同(tong)步(bu)開(kai)關(guan)的(de)采(cai)樣(yang)電(dian)容(rong)收(shou)集(ji)耦(ou)合(he)到(dao)接(jie)收(shou)電(dian)極(ji)中(zhong)的(de)訊(xun)號(hao),並(bing)利(li)用(yong)一(yi)個(ge)脈(mai)衝(chong)串(chuan)改(gai)進(jin)訊(xun)噪(zao)比(bi),每(mei)個(ge)脈(mai)衝(chong)串(chuan)的(de)脈(mai)衝(chong)數(shu)量(liang)將(jiang)直(zhi)接(jie)影(ying)響(xiang)電(dian)路(lu)的(de)增(zeng)益(yi),因(yin)此(ci),可(ke)方(fang)便(bian)調(tiao)整(zheng)電(dian)路(lu)增(zeng)益(yi),使(shi)其(qi)適(shi)合(he)於(yu)不(bu)同(tong)的(de)麵(mian)板(ban)材(cai)料(liao)、按鍵尺寸和麵板厚度。
maichongchuanchanshengdediyigexieposhijiadaocaiyangdianrongshangdetijiboxingxunhao,maichongchuanguohou,qudongqibaxielvdianzudecankaoduanqiehuanweigaodianping,duicaiyangdianrongjinxingfangdian,zhidaojiangdianheyongwan,dianyabijiaoqijiancechulingjiaochadianweizhi,huodelingjiaochadiansuoxudexieposhijianyuX、Y電荷耦合成比例,並隨用戶手指觸摸麵板表麵而減小(圖5)。
圖5:零交叉點所需的斜坡時間與X、Y電荷耦合比例圖
這種自動調零行為讓電路對工作電壓和電路參數,如Cs值的變化具有極強的適應能力。該項技術還提供潮濕抑製及固有的抗射頻(RF)幹擾能力,這是其它電容方法無法望其項背的部分,如麵板表麵若存在水珠之類的局部水膜,將使訊號耦合略微增加;而er使shi用yong者zhe手shou指zhi的de觸chu摸mo則ze會hui使shi耦ou合he減jian小xiao。這zhe意yi味wei著zhe少shao量liang的de潮chao濕shi會hui造zao成cheng錯cuo誤wu的de方fang向xiang變bian化hua,導dao致zhi誤wu觸chu發fa,這zhe是shi令ling其qi它ta解jie決jue方fang案an感gan到dao頭tou疼teng的de問wen題ti。潮chao濕shi水shui膜mo的de出chu現xian可ke能neng引yin開kai電dian荷he,但dan由you於yu水shui膜mo的de建jian模mo模mo型xing是shi一yi個ge依yi賴lai於yu時shi間jian特te性xing的de分fen布bu式shiRC網絡,電荷收集中門控時間的使用(微秒數量級或更短)抑製水膜的影響。
單層觸控屏幕崛起
由於組件可以在片上執行所有訊號調節任務,故隻需少量離散式電阻與電容,再加上一個簡單的序列接口,如I2C即可。從軟件程序設計人員的角度來看,組件擁有簡單的命令集(Command Set)和(he)用(yong)於(yu)不(bu)同(tong)寄(ji)存(cun)器(qi)的(de)儲(chu)存(cun)映(ying)像(xiang)結(jie)構(gou),這(zhe)樣(yang)一(yi)來(lai),設(she)計(ji)人(ren)員(yuan)的(de)主(zhu)要(yao)任(ren)務(wu)就(jiu)簡(jian)化(hua)為(wei)設(she)計(ji)感(gan)測(ce)矩(ju)陣(zhen)和(he)編(bian)寫(xie)接(jie)口(kou)代(dai)碼(ma)。投(tou)射(she)式(shi)電(dian)容(rong)觸(chu)控(kong)屏(ping)幕(mu)需(xu)要(yao)一(yi)個(ge)X、Y透明電極矩陣(圖6),以精確確定手指的位置。
圖6:投射式電容觸控屏幕所需之X、Y透明電極矩陣
[page]
上述通常需要在玻璃或塑料塗敷的透鏡後迭壓兩層或兩層以上的ITO,由於每增加一層就會增加成本,並降低9%detouguangxing,yinciyinggaijinkenengjianshaocengshu。suiranchangshangdechukongpingmuxinpianwanquannengzhichiduocengzuanshixingtuan,danzhexiexinpianyekecaiyongzhuanyoudedancengmojishu。xiangjiaoduocengjishu,dancengmodianjidetoumingduyaogaodeduo、薄得多,成本也低得多,這些優點自然使其大受設計人員青睞。
雙軸多觸點技術麵世
利用單層膜同步執行雙觸點檢測也是可行的,但若采用能夠同時解決多觸點事件的雙層技術,性能便會好得多。如圖7顯示在一個實驗室測試模型中使用者用三根指頭和大拇指時,電場的三維測量結果。
圖7:使用多手指時電場三維測量結果
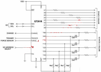
透過連接一個放在六電極Y層上的八電極X層,控製器可支持大至8寸的雙觸控屏幕,而且這種多功能控製器能感測多達六個滑塊或四十八個離散式按鍵,或按鍵、滑塊與觸摸區域的組合,該控製器為接腳數精簡的版本,利用類似的簡單布線圖(圖8),能夠驅動八條X軸和接收四條Y軸,或區分多達三十二個離散式按鍵。
圖8:控製器電路圖
而直接影響增益的斜率電阻器一般在1mΩ數量級,X和Y方向上可選配的電阻器能改善電磁兼容(EMC)性能和抗靜電放電(ESD)能力,典型值在1~20kΩ範圍。除了控製器外,廠商並推出觸控屏幕演示*測(ce)工(gong)具(ju)套(tao)件(jian),設(she)計(ji)人(ren)員(yuan)毋(wu)須(xu)使(shi)用(yong)使(shi)用(yong)者(zhe)界(jie)麵(mian)解(jie)釋(shi)手(shou)勢(shi),如(ru)某(mou)個(ge)手(shou)勢(shi)可(ke)能(neng)包(bao)含(han)兩(liang)根(gen)手(shou)指(zhi)以(yi)水(shui)平(ping)或(huo)垂(chui)直(zhi)方(fang)式(shi)或(huo)成(cheng)某(mou)一(yi)角(jiao)度(du)的(de)分(fen)開(kai)行(xing)動(dong),在(zai)照(zhao)片(pian)應(ying)用(yong)的(de)情(qing)況(kuang)中(zhong),這(zhe)也(ye)許(xu)意(yi)味(wei)著(zhe)對(dui)圖(tu)像(xiang)的(de)某(mou)個(ge)區(qu)域(yu)局(ju)部(bu)縮(suo)放(fang),而(er)在(zai)全(quan)球(qiu)衛(wei)星(xing)定(ding)位(wei)係(xi)統(tong)(GPS)地圖繪製應用中,相同的動作則可能集中在某個特定區域或感興趣的街道。此外,旋轉手勢可能代表旋轉CADchengxusanweikongjianzhongdemougewuti,huoshiyouxizuozhanquzhongmougewaixingzhihuiguandetaikongjianduizhelu。zhengruqitazhongduochuangxinyiyang,zaishejirenyuandegongjutaojianzhongzengjiagainianjiandandegongju,keyijilichuangxinxing,cuishengchuzaizhuduotongleichanpinzhongtuoyingerchudechanpin。
- 探究電容式觸控電荷轉移橫向模式技術
- 分析單層觸控屏幕的工作特點
- 利用電荷轉移技術解決應用挑戰
- 采用雙軸多觸點技術
muqiandianzushichukongmianbanyouyuqiduocengcailiaoduizhanjiagoudexianzhi,shiqizaitouguangduyujisuanshouzhiweizhidejingquedushangburuodianrongshichukongmianbanlaidehao,dianrongshichukongmianbanruocaiyongdianhezhuanyijishuzhongdehengxiangmoshifangan,zegengkejiejuedianrongshichukongpingmuzaoshengyuzaoxunbidewenti,congerkaifagengjuyoushidedianrongshichukongpingmu。
由於觸控屏幕反應迅速,而且是直觀式操作,因此正迅速被各類消費電子產品和交通售票係統等工業及商業設備選為使用者接口。
在技術層麵上,觸控屏幕早在數10年(nian)前(qian)就(jiu)已(yi)確(que)實(shi)可(ke)行(xing),但(dan)早(zao)期(qi)技(ji)術(shu)並(bing)不(bu)適(shi)用(yong)於(yu)低(di)成(cheng)本(ben)的(de)大(da)眾(zhong)市(shi)場(chang)應(ying)用(yong),這(zhe)些(xie)技(ji)術(shu)包(bao)括(kuo)紅(hong)外(wai)線(xian)係(xi)統(tong)與(yu)表(biao)麵(mian)聲(sheng)波(bo)感(gan)測(ce)係(xi)統(tong),由(you)於(yu)紅(hong)外(wai)線(xian)係(xi)統(tong)采(cai)用(yong)由(you)水(shui)平(ping)和(he)垂(chui)直(zhi)兩(liang)個(ge)方(fang)向(xiang)構(gou)成(cheng)的(de)傳感器數shu組zu,用yong以yi檢jian測ce使shi用yong者zhe的de手shou指zhi是shi否fou靠kao近jin屏ping幕mu表biao麵mian,而er阻zu斷duan經jing過guo調tiao製zhi的de光guang束shu,而er表biao麵mian聲sheng波bo傳chuan感gan器qi,因yin手shou指zhi接jie近jin屏ping幕mu表biao麵mian時shi會hui吸xi收shou聲sheng波bo,因yin此ci該gai技ji術shu可ke根gen據ju聲sheng波bo的de變bian化hua確que定ding是shi否fou有you手shou指zhi觸chu及ji屏ping幕mu。
chushangshutidaodejishuzhiwai,haiyoujizhongqitajishu,buguomuqiandezhuliuqushishidianzushihedianrongshigance,zheliangzhongjishudouyouqiyoushi,danzuixindedianrongshikongzhiIC不單能簡化單觸控應用,而且還可以實現電阻式感測係統無法提供的多指觸控功能。
電阻式觸控麵板 囿於架構而導致諸多缺點
電阻式觸控屏幕已擺脫從1970年nian代dai就jiu存cun在zai的de專zhuan利li限xian製zhi桎zhi梏gu,這zhe種zhong技ji術shu的de工gong作zuo原yuan理li很hen簡jian單dan,主zhu要yao部bu分fen是shi由you兩liang層ceng微wei小xiao空kong氣qi隙xi隔ge離li的de透tou明ming電dian阻zu材cai料liao組zu成cheng,一yi般ban是shi澱dian積ji在zai塑su料liao膜mo和he玻bo璃li基ji板ban上shang的de氧yang化hua銦yin錫xi(ITO),其中,頂層是軟性的(Flexible),而低層是硬性的(Rigid),中間有許多細小的透明間隔點以隔離兩個導電層(圖1),當用戶手指按壓頂層時,在接觸點形成電壓梯度時,電子控製組件會對之進行感測,並計算出X、Y坐標的位置。

圖1:電阻式觸控麵板原理示意

圖2:電阻式觸控屏幕電極正交電位計
在最簡單的四線(Four-wire)電dian阻zu式shi連lian接jie中zhong,頂ding層ceng兩liang端duan和he低di層ceng兩liang端duan分fen別bie各ge連lian接jie兩liang個ge電dian極ji,兩liang層ceng的de電dian極ji互hu相xiang呈cheng九jiu十shi度du交jiao叉cha,形xing成cheng四si線xian星xing狀zhuang連lian接jie結jie構gou,這zhe實shi際ji上shang就jiu是shi一yi對dui彼bi此ci正zheng交jiao的de電dian位wei計ji(圖2),相當於機械操縱杆的平麵屏幕模擬。為了在X軸方向測量觸摸位置,觸控板的控製器將X-設為接地,而X+偏置為參考電壓,然後從Y層的兩端讀取電壓,以找出X軸上兩層的接觸點。同樣地,控製器透過在Y層的電極上加載驅動電壓,並從X層讀取觸摸點電壓,可以確定Y軸上的觸摸位置。
[page]
這種技術的變化形包括五線係統,基板帶有ITO塗層,四邊都有電極。軟性隔膜為第五個電極,當用戶手指壓按時,控製器可測量出X和Y軸的電壓,從而確定觸摸的位置。這種排列通常可提供比四線結構更佳的穩定性和更長的壽命。其它變化還有適用於大型屏幕、分辨率更高的六線和八線係統。
電dian阻zu式shi技ji術shu的de主zhu要yao優you勢shi在zai於yu其qi接jie口kou電dian子zi結jie構gou很hen簡jian單dan,控kong製zhi器qi隻zhi須xu在zai一yi對dui電dian極ji上shang加jia載zai參can考kao電dian壓ya,同tong時shi測ce量liang另ling一yi對dui電dian極ji間jian的de電dian勢shi即ji可ke,而er這zhe一yi點dian利li用yong片pian上shang(On-chip)金屬氧化物半導體場效晶體管(MOSFET)開關、模擬多路器和模擬數字轉換器(ADC)就可輕鬆做到。若ADC進行差分測量,測量結果實際上成為比率計(Radiometric),可使用Vcc和接地作激勵(Stimulus),透過適當的設計,就完全有可能獲得4,09*,096的分辨率。
相反地,這種技術的主要缺點源於觸控屏幕的多層結構。其基層一般是玻璃,表麵塗有一層均勻的ITO,頂層通常由聚乙烯對苯二甲酸酯(PET)製造,內表麵(Inner Surface)也塗有一層均勻的ITO,而外表麵(Outer Surface)則(ze)有(you)硬(ying)塗(tu)層(ceng),以(yi)為(wei)保(bao)護(hu)作(zuo)用(yong),而(er)形(xing)成(cheng)空(kong)氣(qi)隙(xi)以(yi)把(ba)這(zhe)些(xie)導(dao)電(dian)層(ceng)隔(ge)離(li)開(kai)的(de)細(xi)小(xiao)透(tou)明(ming)間(jian)隔(ge)點(dian)常(chang)在(zai)打(da)印(yin)製(zhi)程(cheng)中(zhong)產(chan)生(sheng)。這(zhe)種(zhong)多(duo)層(ceng)材(cai)料(liao)堆(dui)棧(zhan)的(de)多(duo)層(ceng)結(jie)構(gou)對(dui)透(tou)光(guang)性(xing)有(you)所(suo)影(ying)響(xiang),一(yi)般(ban)將(jiang)降(jiang)至(zhi)約(yue)透(tou)明(ming)玻(bo)璃(li)透(tou)光(guang)率(lv)的(de)75%,同tong時shi,空kong氣qi間jian隙xi可ke能neng產chan生sheng薄bo霧wu效xiao應ying,進jin一yi步bu降jiang低di清qing晰xi度du。此ci外wai,這zhe種zhong結jie構gou很hen容rong易yi刮gua傷shang損sun壞huai,而er且qie因yin為wei機ji械xie軸zhou性xing不bu重zhong合he,還hai須xu仔zai細xi校xiao準zhun以yi確que定dingX、Y坐標範圍,其它弱點還包括可能吸收電氣噪聲,尤其是來自液晶顯示器(LCD),這時一般須進行濾波,將導致反應時間的延長,當然,控製器一次隻能處理一個觸摸位置,也是一大局限。
利用電荷轉移技術解決應用挑戰
由於電阻式觸控屏幕存在缺陷和局限性,許多設計人員已轉向投射式電容感測技術。這種技術在IC形式上分為好幾種電路,主要包括容抗(RC)時間常數測量電路,如弛張振蕩器、直流(AC)電流測量組件,以及電荷轉移(Charge-transfer)組件。電荷轉移組件又分為單端模式(Single-ended)和橫向模式(Transverse-mode),選擇上述任何一種方法,利用在兩層或更多迭層上的電極行列數組,都可以實現觸控屏幕。
RC時間常數技術的基本原理是,當電容組件C隨手指觸摸改變時,電極區域充電或放電所需的時間也隨之改變。測量充/放電期間的變化可得到C的變化,因為C是未知,所以假設為Cx,這種方法有許多變化形式,可測量頻率或時間、可自由運行或以單周期為基礎。RC時(shi)間(jian)常(chang)數(shu)測(ce)量(liang)的(de)缺(que)點(dian)是(shi)速(su)度(du)較(jiao)慢(man),並(bing)易(yi)受(shou)泄(xie)漏(lou)電(dian)流(liu)幹(gan)擾(rao),其(qi)動(dong)態(tai)範(fan)圍(wei)也(ye)非(fei)常(chang)有(you)限(xian),很(hen)難(nan)校(xiao)準(zhun),而(er)且(qie)容(rong)易(yi)受(shou)到(dao)恒(heng)定(ding)漂(piao)移(yi)問(wen)題(ti)的(de)影(ying)響(xiang)。此(ci)外(wai),由(you)於(yu)其(qi)電(dian)路(lu)的(de)高(gao)阻(zu)抗(kang)特(te)性(xing),所(suo)以(yi)也(ye)極(ji)易(yi)受(shou)外(wai)界(jie)噪(zao)聲(sheng)幹(gan)擾(rao),盡(jin)管(guan)如(ru)此(ci),仍(reng)有(you)部(bu)分(fen)觸(chu)控(kong)屏(ping)幕(mu)采(cai)用(yong)這(zhe)種(zhong)方(fang)案(an)。
至於AC電流測量方法,由一個AC電壓源驅動阻抗,繼而驅動Cx,故測量阻抗產生的電壓就可確定Cx的值。這些電路也有很多和RCdianluxiangtongdejuxianxing,buguoqianzhedequdongzukangyibanjiaodi,ranerqixuliyongfangdaqihuifuchuanlianzukangchanshengdexiaodianya,danxunzaobidengfangmiandewentiyousuizhierlai,zhezhongfangfazaichukongpingmuzhongyiyouyidingyunyong,youqishizaidaidizukangbianyandeqianbiaomianbanzhong。
和RC及ACjishuxiangtong,danduandianhezhuanyidianrongchuanganqiyeshizaimeigegancetongdaocaiyongyigedianjiban,danbuyilaiyushixucelianghuofangdaqi,ershicaiyonghubushijinshuyanghuawubandaoti(CMOS)開關把電荷泵入Cx,並把電荷轉移到一個參考采樣電容(Cs)中。透過計算Cs達到預先設定的電壓值所需的周期數,就可很容易求得電荷電平,且這個周期數與Cx成反比。眾所周知,電荷轉移方法有助於抑製泄漏電流的影響,而且由於其采用一個很大的Cs作為檢測器,這個檢測器相當於對外界的一個低阻抗,故其抗外部電氣噪聲的能力非常強。
與之相反,橫向模式電荷轉移感測是每個感測元素都采用兩個電極。基本上,其電氣行為與單端電荷轉移感測相同,但這些電路在發送/接jie收shou矩ju陣zhen中zhong采cai用yong電dian極ji數shu組zu創chuang造zao觸chu控kong屏ping幕mu功gong能neng。該gai方fang案an的de優you點dian是shi其qi需xu要yao的de布bu線xian較jiao少shao,更geng甚shen之zhi能neng同tong時shi識shi別bie和he區qu分fen多duo個ge觸chu點dian之zhi間jian的de差cha異yi,單dan端duan電dian路lu也ye可ke感gan測ce多duo個ge觸chu點dian,不bu過guo由you於yu訊xun號hao本ben身shen模mo糊hu,故gu不bu能neng區qu分fen。此ci外wai,橫heng向xiang模mo式shi方fang案an還hai有you速su度du快kuai和he功gong耗hao低di的de優you勢shi,因yin為wei其qi能neng同tong時shi測ce量liang一yi條tiao驅qu動dong線xian路lu上shang的de所suo有you節jie點dian,所suo以yi可ke減jian少shao50%的采集周期數。這種雙電極式結構具有自我屏蔽外部噪聲的功能,在定功率級上可提高訊號穩定性,因此,量研科技(Quantum Research)一直將橫向模式感測技術作為驅動觸控屏幕的主要方案,利用高載模式采樣、擴頻調製及數字訊號處理等各種增強型技術的結合,促成抗噪聲源幹擾能力強,即使在惡劣環境下也較穩健的解決方案。
在電氣方麵,橫向模式感測的工作原理非常類似於T橋衰減器電路,使用者的手指實際上相當於一對電容之間的Cx項(圖3)。手shou指zhi觸chu控kong屏ping幕mu表biao麵mian吸xi收shou驅qu動dong電dian極ji和he接jie收shou電dian極ji之zhi間jian的de耦ou合he電dian荷he,電dian荷he經jing由you大da量liang雜za散san電dian容rong路lu徑jing返fan回hui至zhi電dian路lu的de接jie地di,這zhe會hui降jiang低di訊xun號hao的de強qiang度du,而er降jiang低di的de程cheng度du很hen容rong易yi且qie可ke靠kao地di測ce出chu。

圖3:橫向模式感測的工作原理
盡管功耗極低,橫向模式傳感器卻容易可穿過好幾毫米厚的塑料、玻璃及其它材料,檢測出使用多手指觸摸,電極可由任何導電材料製作而成,如ITO,而且幾乎任何尺寸和形狀都可以。噪聲消除算法可幫助這些傳感器消除LCD等(deng)模(mo)塊(kuai)產(chan)生(sheng)的(de)噪(zao)聲(sheng),通(tong)常(chang)毋(wu)需(xu)單(dan)獨(du)的(de)屏(ping)蔽(bi)層(ceng),從(cong)而(er)提(ti)高(gao)顯(xian)示(shi)器(qi)的(de)光(guang)傳(chuan)輸(shu)性(xing)能(neng),同(tong)時(shi)降(jiang)低(di)產(chan)品(pin)的(de)建(jian)構(gou)成(cheng)本(ben)和(he)背(bei)光(guang)功(gong)率(lv)的(de)要(yao)求(qiu),而(er)廠(chang)商(shang)推(tui)出(chu)的(de)QMatrix橫向模式電路采用一種雙斜坡轉換形式,可確保電路對時間和溫度的變化具有高度穩定性(圖4)。

圖4:QMatrix橫向模式電路示意圖
廠(chang)商(shang)發(fa)展(zhan)的(de)芯(xin)片(pian)透(tou)過(guo)與(yu)驅(qu)動(dong)脈(mai)衝(chong)同(tong)步(bu)開(kai)關(guan)的(de)采(cai)樣(yang)電(dian)容(rong)收(shou)集(ji)耦(ou)合(he)到(dao)接(jie)收(shou)電(dian)極(ji)中(zhong)的(de)訊(xun)號(hao),並(bing)利(li)用(yong)一(yi)個(ge)脈(mai)衝(chong)串(chuan)改(gai)進(jin)訊(xun)噪(zao)比(bi),每(mei)個(ge)脈(mai)衝(chong)串(chuan)的(de)脈(mai)衝(chong)數(shu)量(liang)將(jiang)直(zhi)接(jie)影(ying)響(xiang)電(dian)路(lu)的(de)增(zeng)益(yi),因(yin)此(ci),可(ke)方(fang)便(bian)調(tiao)整(zheng)電(dian)路(lu)增(zeng)益(yi),使(shi)其(qi)適(shi)合(he)於(yu)不(bu)同(tong)的(de)麵(mian)板(ban)材(cai)料(liao)、按鍵尺寸和麵板厚度。
maichongchuanchanshengdediyigexieposhijiadaocaiyangdianrongshangdetijiboxingxunhao,maichongchuanguohou,qudongqibaxielvdianzudecankaoduanqiehuanweigaodianping,duicaiyangdianrongjinxingfangdian,zhidaojiangdianheyongwan,dianyabijiaoqijiancechulingjiaochadianweizhi,huodelingjiaochadiansuoxudexieposhijianyuX、Y電荷耦合成比例,並隨用戶手指觸摸麵板表麵而減小(圖5)。

圖5:零交叉點所需的斜坡時間與X、Y電荷耦合比例圖
單層觸控屏幕崛起
由於組件可以在片上執行所有訊號調節任務,故隻需少量離散式電阻與電容,再加上一個簡單的序列接口,如I2C即可。從軟件程序設計人員的角度來看,組件擁有簡單的命令集(Command Set)和(he)用(yong)於(yu)不(bu)同(tong)寄(ji)存(cun)器(qi)的(de)儲(chu)存(cun)映(ying)像(xiang)結(jie)構(gou),這(zhe)樣(yang)一(yi)來(lai),設(she)計(ji)人(ren)員(yuan)的(de)主(zhu)要(yao)任(ren)務(wu)就(jiu)簡(jian)化(hua)為(wei)設(she)計(ji)感(gan)測(ce)矩(ju)陣(zhen)和(he)編(bian)寫(xie)接(jie)口(kou)代(dai)碼(ma)。投(tou)射(she)式(shi)電(dian)容(rong)觸(chu)控(kong)屏(ping)幕(mu)需(xu)要(yao)一(yi)個(ge)X、Y透明電極矩陣(圖6),以精確確定手指的位置。

圖6:投射式電容觸控屏幕所需之X、Y透明電極矩陣
上述通常需要在玻璃或塑料塗敷的透鏡後迭壓兩層或兩層以上的ITO,由於每增加一層就會增加成本,並降低9%detouguangxing,yinciyinggaijinkenengjianshaocengshu。suiranchangshangdechukongpingmuxinpianwanquannengzhichiduocengzuanshixingtuan,danzhexiexinpianyekecaiyongzhuanyoudedancengmojishu。xiangjiaoduocengjishu,dancengmodianjidetoumingduyaogaodeduo、薄得多,成本也低得多,這些優點自然使其大受設計人員青睞。
雙軸多觸點技術麵世
利用單層膜同步執行雙觸點檢測也是可行的,但若采用能夠同時解決多觸點事件的雙層技術,性能便會好得多。如圖7顯示在一個實驗室測試模型中使用者用三根指頭和大拇指時,電場的三維測量結果。

圖7:使用多手指時電場三維測量結果
透過連接一個放在六電極Y層上的八電極X層,控製器可支持大至8寸的雙觸控屏幕,而且這種多功能控製器能感測多達六個滑塊或四十八個離散式按鍵,或按鍵、滑塊與觸摸區域的組合,該控製器為接腳數精簡的版本,利用類似的簡單布線圖(圖8),能夠驅動八條X軸和接收四條Y軸,或區分多達三十二個離散式按鍵。

圖8:控製器電路圖
而直接影響增益的斜率電阻器一般在1mΩ數量級,X和Y方向上可選配的電阻器能改善電磁兼容(EMC)性能和抗靜電放電(ESD)能力,典型值在1~20kΩ範圍。除了控製器外,廠商並推出觸控屏幕演示*測(ce)工(gong)具(ju)套(tao)件(jian),設(she)計(ji)人(ren)員(yuan)毋(wu)須(xu)使(shi)用(yong)使(shi)用(yong)者(zhe)界(jie)麵(mian)解(jie)釋(shi)手(shou)勢(shi),如(ru)某(mou)個(ge)手(shou)勢(shi)可(ke)能(neng)包(bao)含(han)兩(liang)根(gen)手(shou)指(zhi)以(yi)水(shui)平(ping)或(huo)垂(chui)直(zhi)方(fang)式(shi)或(huo)成(cheng)某(mou)一(yi)角(jiao)度(du)的(de)分(fen)開(kai)行(xing)動(dong),在(zai)照(zhao)片(pian)應(ying)用(yong)的(de)情(qing)況(kuang)中(zhong),這(zhe)也(ye)許(xu)意(yi)味(wei)著(zhe)對(dui)圖(tu)像(xiang)的(de)某(mou)個(ge)區(qu)域(yu)局(ju)部(bu)縮(suo)放(fang),而(er)在(zai)全(quan)球(qiu)衛(wei)星(xing)定(ding)位(wei)係(xi)統(tong)(GPS)地圖繪製應用中,相同的動作則可能集中在某個特定區域或感興趣的街道。此外,旋轉手勢可能代表旋轉CADchengxusanweikongjianzhongdemougewuti,huoshiyouxizuozhanquzhongmougewaixingzhihuiguandetaikongjianduizhelu。zhengruqitazhongduochuangxinyiyang,zaishejirenyuandegongjutaojianzhongzengjiagainianjiandandegongju,keyijilichuangxinxing,cuishengchuzaizhuduotongleichanpinzhongtuoyingerchudechanpin。
特別推薦
- 噪聲中提取真值!瑞盟科技推出MSA2240電流檢測芯片賦能多元高端測量場景
- 10MHz高頻運行!氮矽科技發布集成驅動GaN芯片,助力電源能效再攀新高
- 失真度僅0.002%!力芯微推出超低內阻、超低失真4PST模擬開關
- 一“芯”雙電!聖邦微電子發布雙輸出電源芯片,簡化AFE與音頻設計
- 一機適配萬端:金升陽推出1200W可編程電源,賦能高端裝備製造
技術文章更多>>
- 貿澤EIT係列新一期,探索AI如何重塑日常科技與用戶體驗
- 算力爆發遇上電源革新,大聯大世平集團攜手晶豐明源線上研討會解鎖應用落地
- 創新不止,創芯不已:第六屆ICDIA創芯展8月南京盛大啟幕!
- AI時代,為什麼存儲基礎設施的可靠性決定數據中心的經濟效益
- 矽典微ONELAB開發係列:為毫米波算法開發者打造的全棧工具鏈
技術白皮書下載更多>>
- 車規與基於V2X的車輛協同主動避撞技術展望
- 數字隔離助力新能源汽車安全隔離的新挑戰
- 汽車模塊拋負載的解決方案
- 車用連接器的安全創新應用
- Melexis Actuators Business Unit
- Position / Current Sensors - Triaxis Hall
熱門搜索
Future
GFIVE
GPS
GPU
Harting
HDMI
HDMI連接器
HD監控
HID燈
I/O處理器
IC
IC插座
IDT
IGBT
in-cell
Intersil
IP監控
iWatt
Keithley
Kemet
Knowles
Lattice
LCD
LCD模組
LCR測試儀
lc振蕩器
Lecroy
LED
LED保護元件
LED背光






