關於IGBT導通延遲時間的精確測量方法
發布時間:2011-09-06
中心議題:
- TDC-GP2的特性分析
- IGBT導通延遲時間測量的原理
- IGBT延遲導通時間測量係統設計
解決方案:
- IGBT延遲導通時間測量係統硬件及軟件設計
絕緣柵雙極型晶體管(IGBT)是GTR和MOSFET的(de)一(yi)種(zhong)新(xin)型(xing)複(fu)合(he)器(qi)件(jian),自(zi)問(wen)世(shi)以(yi)來(lai)就(jiu)以(yi)輸(shu)入(ru)阻(zu)抗(kang)高(gao),開(kai)關(guan)速(su)度(du)快(kuai),通(tong)態(tai)壓(ya)降(jiang)低(di),阻(zu)斷(duan)電(dian)壓(ya)高(gao),承(cheng)受(shou)電(dian)流(liu)大(da)等(deng)優(you)點(dian)成(cheng)為(wei)當(dang)今(jin)功(gong)率(lv)半(ban)導(dao)體(ti)器(qi)件(jian)中(zhong)的(de)主(zhu)流(liu)開(kai)關(guan)器(qi)件(jian),並(bing)廣(guang)泛(fan)應(ying)用(yong)於(yu)多(duo)領(ling)域(yu)的(de)工(gong)程(cheng)實(shi)踐(jian)當(dang)中(zhong)。目(mu)前(qian),IGBT的導通延遲時間可以達到幾百納秒,甚至更低。但在某些對器件時間特性要求較高的工程應用中,需要更精確地確定IGBT的de導dao通tong延yan遲chi時shi間jian。因yin而er高gao精jing度du的de測ce量liang時shi間jian間jian隔ge是shi測ce量liang領ling域yu一yi直zhi關guan注zhu的de問wen題ti。本ben文wen從cong精jing簡jian結jie構gou,同tong時shi兼jian顧gu精jing度du的de角jiao度du出chu發fa,提ti出chu一yi種zhong基ji於yu時shi間jian測ce量liang芯xin片pianTDC-GP2來精確測量IGBT導通延遲時間係統,用於測量IGBT的導通延遲時間,實現簡單且成本低的一種較為理想的測量方案。
1 TDC-GP2的特性分析
TDC-GP2是德國ACAM公司繼TDC-GP1之後新推出的一款高精度時間間隔測量芯片。與前代芯片相比,具有更高的精度、更小的封裝和更低的價格,更適合於低成本工業應用領域。TDC-GP2內部結構,如圖1所示。

該係統主要由脈衝產生器、數據處理單元、時間數字轉換器、溫度測量單元、時鍾控製單元、配置寄存器以及與單片機相接的SPI接口組成。在實際應用中,由於TDC-GP2的功耗很低,使得TDC-GP2的輸入/輸出電壓(工作電壓)為1.8~5.5 V,核心電壓為1.8~3.6 V,所以可以采用電池供電,使用方便。同時單片機由4線的SPI接口相連,可以把TDC-GP2作為單片機的一個外圍設備來操作。通過內部ALU單元計算出時間間隔,並將結果送入結果寄存器保存起來。通過對TDC-GP2內部寄存器的設置,可以多次采樣並將結果保存。TDC-GP2是基於內部的模擬電路測量“傳輸延時”來進行的,是以信號通過內部門電路的傳播延遲來進行高精度時間間隔測量的。TDC-GP2時間間隔測量原理如圖2所示。
[page]
START信號與STOP信(xin)號(hao)之(zhi)間(jian)的(de)時(shi)間(jian)間(jian)隔(ge)由(you)非(fei)門(men)的(de)個(ge)數(shu)決(jue)定(ding),而(er)非(fei)門(men)的(de)傳(chuan)輸(shu)時(shi)間(jian)可(ke)以(yi)由(you)集(ji)成(cheng)電(dian)路(lu)工(gong)藝(yi)精(jing)確(que)的(de)確(que)定(ding)。同(tong)時(shi),由(you)於(yu)門(men)電(dian)路(lu)的(de)傳(chuan)輸(shu)時(shi)間(jian)受(shou)溫(wen)度(du)和(he)電(dian)源(yuan)電(dian)壓(ya)的(de)影(ying)響(xiang)比(bi)較(jiao)大(da),因(yin)而(er)該(gai)芯(xin)片(pian)內(nei)部(bu)設(she)計(ji)了(le)鎖(suo)相(xiang)電(dian)路(lu)和(he)標(biao)定(ding)電(dian)路(lu)。
在時間測量芯片TDC-GP2的測量範圍1中,兩個STOP通道共用一個START通道。每個通道的典型分辨率為50 ps,每個STOP通道都可以進行4次采樣。具有15 ns間隔脈衝對的分辨能力,測量範圍為2.0~1.8μs,每個通道都可以選擇上升沿或下降沿觸發。ENABLE引腳提供強大的停止信號產生的功能,可測量任意兩個信號之間的時間間隔。
2 IGBT導通延遲時間測量的原理
IGBT導通延遲時間的精確測量,是通過測量IG-BT的控製信號、驅動信號和導通電流信號間的時間間隔得到的,流程圖見圖3。通過信號處理隔離電路將控製信號、驅動信號和導通電流信號輸入時間測量芯片TDC-GP2。其中,IGBT的控製信號作為時間測量芯片TDC-GP2的START端口輸入,驅動信號和IGBT的導通電流信號作為STOP1和STOP2端的兩個脈衝輸入。由此可得START與STOP1端口的時間間隔為控製信號與驅動信號的延遲時間;START與STOP2端口的時間間隔為控製信號與IGBT導通信號的延遲時間,兩者的時間差即為IGBT相對於驅動信號的導通延遲時間。

3 IGBT延遲導通時間測量係統設計
3.1 測量係統硬件設計
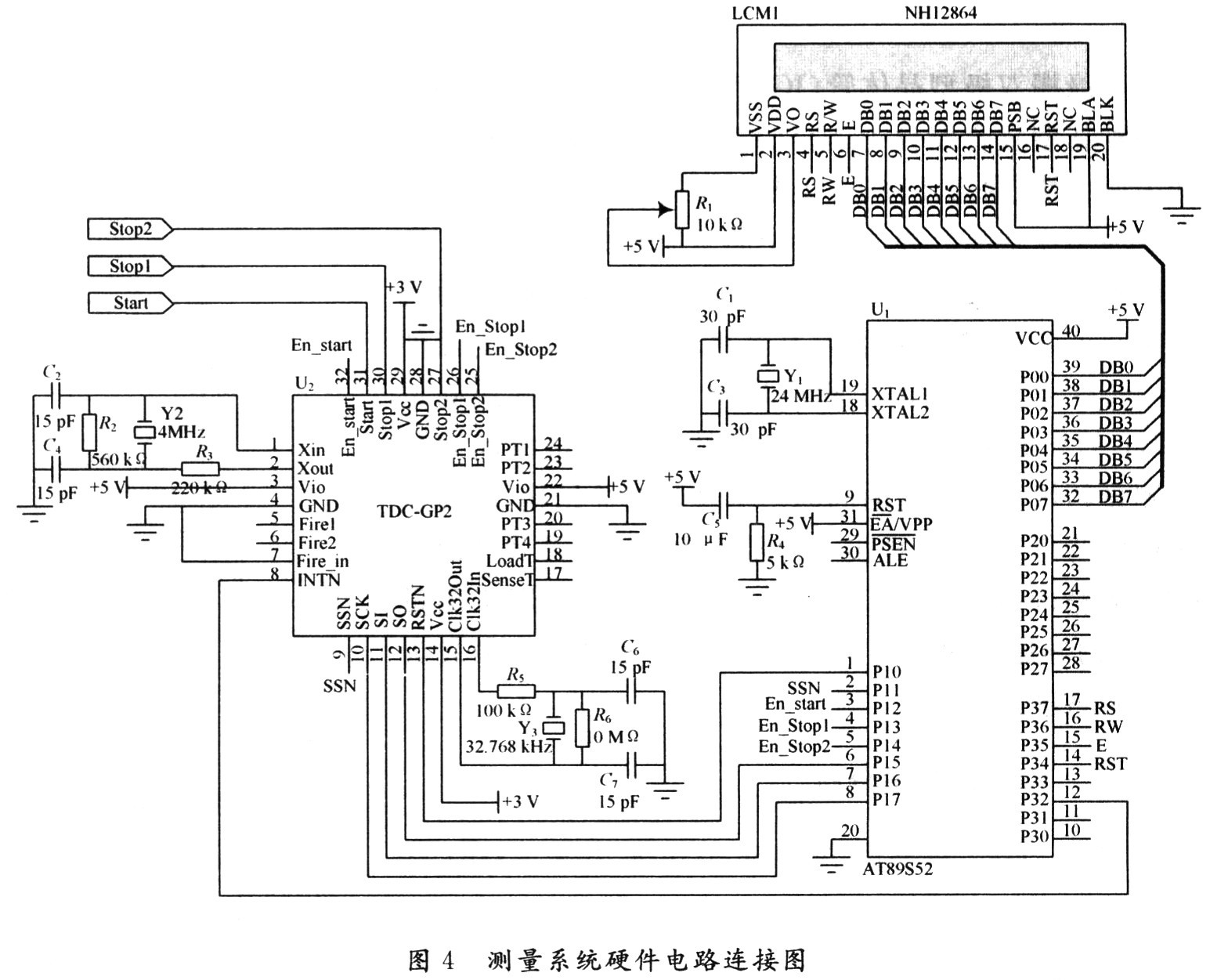
係統主要由脈衝信號取樣器、脈衝輸入信號整形電路、TDC-GP2測量電路、AT89S52單片機、液晶顯示電路、電源電路、時鍾電路組成。TDC-GP2的每個測量通道都提供一個使能引腳,可獨立地設置這兩個引腳進行通道選擇。TDC-GP2需要一個2~8 MHz的高速時鍾進行校準用。TDC-GP2隻是在進行時間測量時才必須用振蕩器,且能夠自動控製振蕩器的開啟時間。整個係統的硬件電路連接如圖4所示。

整個係統分為單片機係統模塊、TDC-GP2測量模塊和顯示模塊三部分。TDC-GP2作zuo為wei係xi統tong測ce量liang核he心xin單dan元yuan,可ke直zhi接jie對dui信xin號hao時shi間jian間jian隔ge進jin行xing測ce量liang,並bing通tong過guo單dan片pian機ji處chu理li後hou將jiang時shi間jian間jian隔ge數shu值zhi在zai液ye晶jing顯xian示shi器qi上shang顯xian示shi。與yu常chang用yong的de測ce量liang方fang法fa相xiang比bi,該gai方fang法fa所suo需xu外wai圍wei器qi件jian少shao,電dian路lu結jie構gou簡jian單dan,功gong耗hao低di。
[page]
3.2 測量係統軟件設計
測量單元由START信號觸發,接收到STOP信號後停止。由環形振蕩器的位置和粗值計數器的計數值可以計算出START信號和STOP信號之間的時間間隔,測量範圍可達20位。在3.3 V和25℃時,GP2的最小分辨率是65 ps,RMS噪音約是50 ps(0.7 LSB)。溫度和電壓對門電路的傳播延遲時間有很大的影響,通常通過校準來補償由溫度和電壓變化引起的誤差。在校準過程中,TDC測量一個和兩個校準時鍾周期的時序如圖5所示,其測量範圍受計數器大小的限製:
tyy=BIN×26 224△1.8μs。

初始化之後,TDC-GP2高速測量單元接收到START脈衝後開始工作,達到設置的采樣數或者遇到測量溢出後才停止工作。軟件設計的重點在於根據需要設置TDC-GP2的工作模式和讀取其內部的測量數據。在測量結尾,ALU開始依照HIT1和HIT2的設置處理數據並把結果送入輸出寄存器。如果不進行校準,ALU傳輸16位原始數據到輸出寄存器;如果進行校準,則ALU傳輸32位的固定浮點數到輸出寄存器。然後通過單片機AT89S52處理後,在液晶顯示器讀取時間間隔數據,其測量流程如圖6所示。

4 結 語
該係統充分利用TDC-GP2的優良特性,通過其高精度時間間隔測量功能實現了。IGBT導通延遲時間間隔的測量。該係統測量範圍為2.0 ns~1.8 μs,其主要性能指標能滿足測量IGBT導通延遲時間的要求,具有一定的實用價值。由於IGBT導dao通tong的de電dian流liu信xin號hao是shi納na秒miao量liang級ji的de高gao頻pin信xin號hao,因yin此ci在zai後hou續xu電dian路lu設she計ji中zhong,將jiang進jin一yi步bu提ti高gao係xi統tong的de抗kang幹gan擾rao能neng力li,以yi滿man足zu測ce量liang導dao通tong延yan時shi時shi間jian間jian隔ge的de需xu要yao。另ling外wai,單dan片pian機ji的de工gong作zuo頻pin率lv較jiao低di,為wei了le進jin一yi步bu提ti高gao該gai係xi統tong的de工gong作zuo速su度du,甚shen至zhi增zeng加jia更geng多duo的de附fu加jia功gong能neng,可ke以yi考kao慮lv用yong工gong作zuo頻pin率lv更geng高gao的de控kong製zhi芯xin片pian作zuo為wei係xi統tong的de控kong製zhi核he心xin;同時也可以通過使用更高精度的時間間隔測量芯片來提高測量精度。
- 噪聲中提取真值!瑞盟科技推出MSA2240電流檢測芯片賦能多元高端測量場景
- 10MHz高頻運行!氮矽科技發布集成驅動GaN芯片,助力電源能效再攀新高
- 失真度僅0.002%!力芯微推出超低內阻、超低失真4PST模擬開關
- 一“芯”雙電!聖邦微電子發布雙輸出電源芯片,簡化AFE與音頻設計
- 一機適配萬端:金升陽推出1200W可編程電源,賦能高端裝備製造
- 貿澤EIT係列新一期,探索AI如何重塑日常科技與用戶體驗
- 算力爆發遇上電源革新,大聯大世平集團攜手晶豐明源線上研討會解鎖應用落地
- 創新不止,創芯不已:第六屆ICDIA創芯展8月南京盛大啟幕!
- AI時代,為什麼存儲基礎設施的可靠性決定數據中心的經濟效益
- 矽典微ONELAB開發係列:為毫米波算法開發者打造的全棧工具鏈
- 車規與基於V2X的車輛協同主動避撞技術展望
- 數字隔離助力新能源汽車安全隔離的新挑戰
- 汽車模塊拋負載的解決方案
- 車用連接器的安全創新應用
- Melexis Actuators Business Unit
- Position / Current Sensors - Triaxis Hall



