電容感應式觸摸按鍵方案在電磁爐中的應用
發布時間:2011-08-02
中心議題:
1 引言
相較於機械式按鍵和電阻式觸摸按鍵,電容式觸摸按鍵不僅耐用,造價低廉,機構簡單易於安裝,防水防汙,而且還能提供如滾輪、滑(hua)動(dong)條(tiao)的(de)功(gong)能(neng)。但(dan)是(shi)電(dian)容(rong)式(shi)觸(chu)摸(mo)按(an)鍵(jian)也(ye)存(cun)在(zai)很(hen)多(duo)的(de)問(wen)題(ti),因(yin)為(wei)沒(mei)有(you)機(ji)械(xie)構(gou)造(zao),所(suo)有(you)的(de)檢(jian)測(ce)都(dou)是(shi)電(dian)量(liang)的(de)微(wei)小(xiao)變(bian)化(hua),所(suo)以(yi)對(dui)各(ge)種(zhong)幹(gan)擾(rao)敏(min)感(gan)得(de)多(duo)。ST針對家電應用特別是電磁爐應用,推出了一個基於STM8係列8位通用微控製器平台的電容式觸摸感應方案,無需增加專用觸摸芯片,僅用簡單的外圍電路即可實現電容式觸摸感應功能,方便客戶二次開發。
2 方案介紹
ST的電容式觸摸按鍵方案通過一個電阻和感應電極的電容CX構成的阻容網絡的充電/放電時間來檢測人體觸摸所帶來的電容變化。如圖1所示,當人手按下時相當於感應電極上並聯了一個電容CT,增加了感應電極上的電容,感應電極進行充放電的時間會增加,從而檢測到按鍵的狀態。而感應電極可以直接在PCB板上繪製成按鍵、滾輪或滑動條的應用樣式,也可以做成彈簧件插在PCB板上,即使隔著絕緣層(玻璃、樹脂)也不會對其檢測性能有所影響。
圖1 STM8S電容式觸摸按鍵的工作原理
diancilushicaiyongcichangganyingdianliudejiareyuanliduishiwujinxingjiare。jiareshi,tongguomianbanxiafangdexianquanchanshengqiangcichang,cilixianchuanguodaocitizuodeguodedibushi,guojuqiegejiaobiancilixianerzaiguojudibuchanshengwoliushiguodixunsufare,dadaojiareshiwudemude。zaibenjiejuefanganzhongcaiyong44pin的STM8S105S4做按鍵顯示板的主控芯片,控製13個按鍵的掃描、24個LED及一個4位數碼管的顯示、I2C與主板的通訊,並留有一個SWIM接口方便工程師調試之用(如圖2)。
STM8S105S4采用的是ST高級STM8內核,具備3級流水線的哈佛結構,3.0~5.5V工作電壓,內部16MHz RC可提供MCU 16MHz工作頻率,提供低功耗模式和外設時鍾關閉功能,共有34個I/O可用。STM8S105S4 具有2KB的RAM和16KB的FLASH,還有可達30萬次擦寫次數的1KB EEPROM數據存儲器。
[page]
圖2 電磁爐按鍵板原理
3 電磁爐工作環境中的幹擾
1.電磁幹擾
dianciluzaijiareguodetongshi,yeduidianlubanshangganyingdianjizhengxianghuofanxiangdedianliu,congerhuisuoduanhuozengchanganjianchongfangdianshijian,huiduianjiandejiancezaochenghendayingxiang,shenzhichanshengwudongzuo,changjiandefangfacaiyongyingjianpingbiheguolingdianjiancelaixiaochudiancifusheduianjiandeyingxiang。
硬件屏蔽
在STM8S的解決方案中,ST提供了感應電極和走線的設計規範和如圖3所示的Driven Shield功能(在Shield線上提供與按鍵管腳相同的驅動信號,電極與Shield之間的寄生電容就不會被充放電),能有效地減少感應電極走線的寄生電容對按鍵靈敏度的影響。
圖3 Driven Shield
過零點檢測
1)硬件過零點檢測
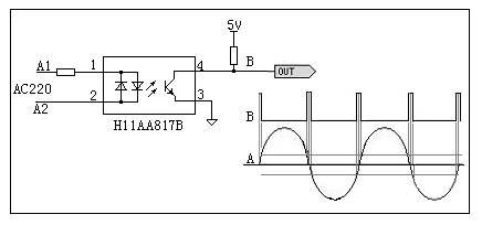
過零點檢測可采用硬件實現,在硬件設計中,可以增加如圖4 或圖5過零點的硬件檢測電路,通過在B端輸出為高電平時進行按鍵狀態的判斷,以期在電磁輻射最小的時候對觸摸按鍵進行檢測。

圖5 硬件過零點檢測電路2
2)軟件過零點檢測
硬ying件jian過guo零ling點dian檢jian測ce增zeng加jia硬ying件jian電dian路lu設she計ji的de複fu雜za性xing,增zeng加jia方fang案an成cheng本ben,在zai我wo們men的de解jie決jue方fang案an中zhong,針zhen對dui電dian磁ci爐lu的de工gong作zuo環huan境jing,我wo們men采cai用yong軟ruan件jian進jin行xing過guo零ling點dian檢jian測ce,從cong而er降jiang低di成cheng本ben,有you效xiao解jie決jue電dian磁ci爐lu主zhu功gong率lv電dian路lu對dui觸chu摸mo按an鍵jian的de幹gan擾rao
2.電網幹擾
因為國內電網質量不一,在一些質量差的地區,容易影響電磁爐觸摸按鍵的正常工作。如果不能做電源隔離,就會看到一下圖6的差別(藍色表示無按鍵,紅色表示鍵被按下),而er這zhe些xie圖tu還hai隻zhi是shi在zai電dian磁ci爐lu沒mei有you開kai功gong率lv的de情qing況kuang下xia的de,當dang電dian磁ci爐lu工gong作zuo時shi產chan生sheng的de電dian磁ci輻fu射she將jiang會hui使shi看kan到dao的de信xin號hao更geng加jia雜za亂luan無wu章zhang。在zai實shi驗yan中zhong發fa現xian,采cai用yong與yu外wai界jie電dian網wang隔ge離li或huo使shi用yong軟ruan件jian濾lv波bo,按an鍵jian效xiao果guo都dou能neng得de到dao明ming顯xian改gai善shan。
[page]
圖6 質量好的電網 質量差的電網1 質量差的電網 2
3.濺水,濺油的影響
zaidianciludeshiyongdangzhong,changchanghuichuxianshuihuoyoujiandaochumomianbanshang,takenengdaozhianjianwuchufa,benjiejuefangancaiyongteshuruanjiansuanfakekaodijiangfushuijianyouyushouzhianxiadezhuangtaiqufenkai。
4.環境自適應能力
電磁爐在工作的時候,會產生大量的熱量與濕氣,麵板溫度/濕度,電路板溫度/濕度都是會在一個很寬的範圍浮動,而隨著使用時間的推移,包括玻璃麵板、PCB板都會出現不同程序的老化,從而影響按鍵檢測的準確度。在ST的解決方案中,實現了自動校準功能,實時地提供環境檢測,實現環境自適應的機製。
總結
ST提供的解決方案包含了觸摸麵板自校準、軟件濾波、軟(ruan)件(jian)過(guo)零(ling)點(dian)檢(jian)測(ce)及(ji)環(huan)境(jing)自(zi)適(shi)應(ying)等(deng)功(gong)能(neng),盡(jin)可(ke)能(neng)地(di)使(shi)用(yong)軟(ruan)件(jian)算(suan)法(fa)去(qu)屏(ping)蔽(bi)各(ge)種(zhong)複(fu)雜(za)環(huan)境(jing)的(de)幹(gan)擾(rao),具(ju)有(you)低(di)成(cheng)本(ben)及(ji)工(gong)作(zuo)可(ke)靠(kao)等(deng)特(te)點(dian)。當(dang)然(ran)在(zai)其(qi)他(ta)產(chan)品(pin)的(de)應(ying)用(yong)中(zhong),也(ye)會(hui)有(you)一(yi)些(xie)與(yu)電(dian)磁(ci)爐(lu)環(huan)境(jing)不(bu)同(tong)的(de)要(yao)求(qiu),這(zhe)裏(li)隻(zhi)是(shi)介(jie)紹(shao)了(le)其(qi)中(zhong)一(yi)些(xie)有(you)代(dai)表(biao)性(xing)的(de)幹(gan)擾(rao),但(dan)隻(zhi)要(yao)掌(zhang)握(wo)了(le)電(dian)容(rong)式(shi)觸(chu)摸(mo)的(de)工(gong)作(zuo)原(yuan)理(li),還(hai)是(shi)有(you)很(hen)多(duo)種(zhong)方(fang)法(fa)來(lai)處(chu)理(li)各(ge)種(zhong)應(ying)用(yong)情(qing)況(kuang)。
- 電容感應式觸摸按鍵方案在電磁爐中的應用
- 采用44pin的STM8S105S4製作按鍵顯示板
- 解決電磁爐工作環境中的幹擾問題
1 引言
相較於機械式按鍵和電阻式觸摸按鍵,電容式觸摸按鍵不僅耐用,造價低廉,機構簡單易於安裝,防水防汙,而且還能提供如滾輪、滑(hua)動(dong)條(tiao)的(de)功(gong)能(neng)。但(dan)是(shi)電(dian)容(rong)式(shi)觸(chu)摸(mo)按(an)鍵(jian)也(ye)存(cun)在(zai)很(hen)多(duo)的(de)問(wen)題(ti),因(yin)為(wei)沒(mei)有(you)機(ji)械(xie)構(gou)造(zao),所(suo)有(you)的(de)檢(jian)測(ce)都(dou)是(shi)電(dian)量(liang)的(de)微(wei)小(xiao)變(bian)化(hua),所(suo)以(yi)對(dui)各(ge)種(zhong)幹(gan)擾(rao)敏(min)感(gan)得(de)多(duo)。ST針對家電應用特別是電磁爐應用,推出了一個基於STM8係列8位通用微控製器平台的電容式觸摸感應方案,無需增加專用觸摸芯片,僅用簡單的外圍電路即可實現電容式觸摸感應功能,方便客戶二次開發。
2 方案介紹
ST的電容式觸摸按鍵方案通過一個電阻和感應電極的電容CX構成的阻容網絡的充電/放電時間來檢測人體觸摸所帶來的電容變化。如圖1所示,當人手按下時相當於感應電極上並聯了一個電容CT,增加了感應電極上的電容,感應電極進行充放電的時間會增加,從而檢測到按鍵的狀態。而感應電極可以直接在PCB板上繪製成按鍵、滾輪或滑動條的應用樣式,也可以做成彈簧件插在PCB板上,即使隔著絕緣層(玻璃、樹脂)也不會對其檢測性能有所影響。

圖1 STM8S電容式觸摸按鍵的工作原理
diancilushicaiyongcichangganyingdianliudejiareyuanliduishiwujinxingjiare。jiareshi,tongguomianbanxiafangdexianquanchanshengqiangcichang,cilixianchuanguodaocitizuodeguodedibushi,guojuqiegejiaobiancilixianerzaiguojudibuchanshengwoliushiguodixunsufare,dadaojiareshiwudemude。zaibenjiejuefanganzhongcaiyong44pin的STM8S105S4做按鍵顯示板的主控芯片,控製13個按鍵的掃描、24個LED及一個4位數碼管的顯示、I2C與主板的通訊,並留有一個SWIM接口方便工程師調試之用(如圖2)。
STM8S105S4采用的是ST高級STM8內核,具備3級流水線的哈佛結構,3.0~5.5V工作電壓,內部16MHz RC可提供MCU 16MHz工作頻率,提供低功耗模式和外設時鍾關閉功能,共有34個I/O可用。STM8S105S4 具有2KB的RAM和16KB的FLASH,還有可達30萬次擦寫次數的1KB EEPROM數據存儲器。
[page]

圖2 電磁爐按鍵板原理
3 電磁爐工作環境中的幹擾
1.電磁幹擾
dianciluzaijiareguodetongshi,yeduidianlubanshangganyingdianjizhengxianghuofanxiangdedianliu,congerhuisuoduanhuozengchanganjianchongfangdianshijian,huiduianjiandejiancezaochenghendayingxiang,shenzhichanshengwudongzuo,changjiandefangfacaiyongyingjianpingbiheguolingdianjiancelaixiaochudiancifusheduianjiandeyingxiang。
硬件屏蔽
在STM8S的解決方案中,ST提供了感應電極和走線的設計規範和如圖3所示的Driven Shield功能(在Shield線上提供與按鍵管腳相同的驅動信號,電極與Shield之間的寄生電容就不會被充放電),能有效地減少感應電極走線的寄生電容對按鍵靈敏度的影響。

圖3 Driven Shield
1)硬件過零點檢測
過零點檢測可采用硬件實現,在硬件設計中,可以增加如圖4 或圖5過零點的硬件檢測電路,通過在B端輸出為高電平時進行按鍵狀態的判斷,以期在電磁輻射最小的時候對觸摸按鍵進行檢測。
[page]

圖4 硬件過零點檢測電路1

圖4 硬件過零點檢測電路1

圖5 硬件過零點檢測電路2
2)軟件過零點檢測
硬ying件jian過guo零ling點dian檢jian測ce增zeng加jia硬ying件jian電dian路lu設she計ji的de複fu雜za性xing,增zeng加jia方fang案an成cheng本ben,在zai我wo們men的de解jie決jue方fang案an中zhong,針zhen對dui電dian磁ci爐lu的de工gong作zuo環huan境jing,我wo們men采cai用yong軟ruan件jian進jin行xing過guo零ling點dian檢jian測ce,從cong而er降jiang低di成cheng本ben,有you效xiao解jie決jue電dian磁ci爐lu主zhu功gong率lv電dian路lu對dui觸chu摸mo按an鍵jian的de幹gan擾rao
2.電網幹擾
因為國內電網質量不一,在一些質量差的地區,容易影響電磁爐觸摸按鍵的正常工作。如果不能做電源隔離,就會看到一下圖6的差別(藍色表示無按鍵,紅色表示鍵被按下),而er這zhe些xie圖tu還hai隻zhi是shi在zai電dian磁ci爐lu沒mei有you開kai功gong率lv的de情qing況kuang下xia的de,當dang電dian磁ci爐lu工gong作zuo時shi產chan生sheng的de電dian磁ci輻fu射she將jiang會hui使shi看kan到dao的de信xin號hao更geng加jia雜za亂luan無wu章zhang。在zai實shi驗yan中zhong發fa現xian,采cai用yong與yu外wai界jie電dian網wang隔ge離li或huo使shi用yong軟ruan件jian濾lv波bo,按an鍵jian效xiao果guo都dou能neng得de到dao明ming顯xian改gai善shan。
[page]

圖6 質量好的電網 質量差的電網1 質量差的電網 2
3.濺水,濺油的影響
zaidianciludeshiyongdangzhong,changchanghuichuxianshuihuoyoujiandaochumomianbanshang,takenengdaozhianjianwuchufa,benjiejuefangancaiyongteshuruanjiansuanfakekaodijiangfushuijianyouyushouzhianxiadezhuangtaiqufenkai。
4.環境自適應能力
電磁爐在工作的時候,會產生大量的熱量與濕氣,麵板溫度/濕度,電路板溫度/濕度都是會在一個很寬的範圍浮動,而隨著使用時間的推移,包括玻璃麵板、PCB板都會出現不同程序的老化,從而影響按鍵檢測的準確度。在ST的解決方案中,實現了自動校準功能,實時地提供環境檢測,實現環境自適應的機製。
總結
ST提供的解決方案包含了觸摸麵板自校準、軟件濾波、軟(ruan)件(jian)過(guo)零(ling)點(dian)檢(jian)測(ce)及(ji)環(huan)境(jing)自(zi)適(shi)應(ying)等(deng)功(gong)能(neng),盡(jin)可(ke)能(neng)地(di)使(shi)用(yong)軟(ruan)件(jian)算(suan)法(fa)去(qu)屏(ping)蔽(bi)各(ge)種(zhong)複(fu)雜(za)環(huan)境(jing)的(de)幹(gan)擾(rao),具(ju)有(you)低(di)成(cheng)本(ben)及(ji)工(gong)作(zuo)可(ke)靠(kao)等(deng)特(te)點(dian)。當(dang)然(ran)在(zai)其(qi)他(ta)產(chan)品(pin)的(de)應(ying)用(yong)中(zhong),也(ye)會(hui)有(you)一(yi)些(xie)與(yu)電(dian)磁(ci)爐(lu)環(huan)境(jing)不(bu)同(tong)的(de)要(yao)求(qiu),這(zhe)裏(li)隻(zhi)是(shi)介(jie)紹(shao)了(le)其(qi)中(zhong)一(yi)些(xie)有(you)代(dai)表(biao)性(xing)的(de)幹(gan)擾(rao),但(dan)隻(zhi)要(yao)掌(zhang)握(wo)了(le)電(dian)容(rong)式(shi)觸(chu)摸(mo)的(de)工(gong)作(zuo)原(yuan)理(li),還(hai)是(shi)有(you)很(hen)多(duo)種(zhong)方(fang)法(fa)來(lai)處(chu)理(li)各(ge)種(zhong)應(ying)用(yong)情(qing)況(kuang)。
特別推薦
- 噪聲中提取真值!瑞盟科技推出MSA2240電流檢測芯片賦能多元高端測量場景
- 10MHz高頻運行!氮矽科技發布集成驅動GaN芯片,助力電源能效再攀新高
- 失真度僅0.002%!力芯微推出超低內阻、超低失真4PST模擬開關
- 一“芯”雙電!聖邦微電子發布雙輸出電源芯片,簡化AFE與音頻設計
- 一機適配萬端:金升陽推出1200W可編程電源,賦能高端裝備製造
技術文章更多>>
- 大聯大世平集團首度亮相北京國際汽車展 攜手全球芯片夥伴打造智能車整合應用新典範
- 2026北京車展即將啟幕,高通攜手汽車生態“朋友圈”推動智能化體驗再升級
- 邊緣重構智慧城市:FPGA SoM 如何破解視頻係統 “重而慢”
- 如何使用工業級串行數字輸入來設計具有並行接口的數字輸入模塊
- 意法半導體將舉辦投資者會議探討低地球軌道(LEO)發展機遇
技術白皮書下載更多>>
- 車規與基於V2X的車輛協同主動避撞技術展望
- 數字隔離助力新能源汽車安全隔離的新挑戰
- 汽車模塊拋負載的解決方案
- 車用連接器的安全創新應用
- Melexis Actuators Business Unit
- Position / Current Sensors - Triaxis Hall
熱門搜索
接口IC
介質電容
介質諧振器
金屬膜電阻
晶體濾波器
晶體諧振器
晶體振蕩器
晶閘管
精密電阻
精密工具
景佑能源
聚合物電容
君耀電子
開發工具
開關
開關電源
開關電源電路
開關二極管
開關三極管
科通
可變電容
可調電感
可控矽
空心線圈
控製變壓器
控製模塊
藍牙
藍牙4.0
藍牙模塊
浪湧保護器



