熱敏電阻型浪湧抑製器在電源設計中的應用及其選型
發布時間:2011-06-17
中心議題 :
- 開機浪湧電流產生原因
- 浪湧電流的抑製
- NTC熱敏電阻的選型
解決方案:
- 使用熱敏電阻抑製浪湧電流的電源電路
隨sui著zhe電dian子zi產chan品pin對dui可ke靠kao性xing要yao求qiu的de不bu斷duan提ti高gao和he能neng源yuan資zi源yuan的de日ri益yi緊jin縮suo,高gao可ke靠kao性xing和he高gao效xiao節jie能neng的de電dian子zi產chan品pin將jiang是shi未wei來lai電dian子zi產chan品pin發fa展zhan的de一yi個ge方fang向xiang,因yin此ci在zai產chan品pin的de電dian源yuan設she計ji上shang,必bi須xu要yao充chong分fen考kao慮lv其qi可ke靠kao性xing能neng和he電dian源yuan使shi用yong效xiao率lv。
本ben文wen首shou先xian分fen析xi電dian子zi產chan品pin為wei什shen麼me會hui有you開kai機ji浪lang湧yong,然ran後hou以yi典dian型xing的de電dian源yuan電dian路lu為wei例li分fen析xi如ru何he使shi用yong熱re敏min電dian阻zu抑yi製zhi浪lang湧yong電dian流liu,最zui後hou介jie紹shao熱re敏min電dian阻zu在zai實shi際ji應ying用yong中zhong應ying如ru何he選xuan型xing。
開機浪湧電流產生的原因
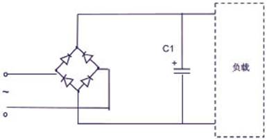
圖1是典型的電子產品電源部分簡化電路,C1是(shi)與(yu)負(fu)載(zai)並(bing)聯(lian)的(de)濾(lv)波(bo)電(dian)容(rong)。在(zai)開(kai)機(ji)上(shang)電(dian)的(de)瞬(shun)間(jian),電(dian)容(rong)電(dian)壓(ya)不(bu)能(neng)突(tu)變(bian),因(yin)此(ci)會(hui)產(chan)生(sheng)一(yi)個(ge)很(hen)大(da)的(de)充(chong)電(dian)電(dian)流(liu)。根(gen)據(ju)一(yi)階(jie)電(dian)路(lu)零(ling)狀(zhuang)態(tai)響(xiang)應(ying)模(mo)型(xing)所(suo)建(jian)立(li)的(de)一(yi)階(jie)線(xian)性(xing)非(fei)齊(qi)次(ci)方(fang)程(cheng)可(ke)以(yi)求(qiu)出(chu)其(qi)電(dian)流(liu)初(chu)始(shi)值(zhi)相(xiang)當(dang)於(yu)把(ba)濾(lv)波(bo)電(dian)容(rong)短(duan)路(lu)而(er)得(de)到(dao)的(de)電(dian)流(liu)值(zhi)。這(zhe)個(ge)電(dian)流(liu)就(jiu)是(shi)我(wo)們(men)常(chang)說(shuo)的(de)輸(shu)入(ru)浪(lang)湧(yong)電(dian)流(liu),它(ta)是(shi)在(zai)對(dui)濾(lv)波(bo)電(dian)容(rong)進(jin)行(xing)初(chu)始(shi)充(chong)電(dian)時(shi)產(chan)生(sheng)的(de),其(qi)大(da)小(xiao)取(qu)決(jue)於(yu)啟(qi)動(dong)上(shang)電(dian)時(shi)輸(shu)入(ru)電(dian)壓(ya)的(de)幅(fu)值(zhi)以(yi)及(ji)由(you)橋(qiao)式(shi)整(zheng)流(liu)器(qi)和(he)電(dian)解(jie)電(dian)容(rong)其(qi)所(suo)形(xing)成(cheng)的(de)回(hui)路(lu)的(de)總(zong)電(dian)阻(zu)。

圖1 電源示意圖
假設輸入電壓V1為220Vac,整個電網內阻(含整流橋和濾波電容)Rs=1Ω,若正好在電源輸入波形達到90度相位的時候開機,那麼開機瞬間浪湧電流的峰值將達到I=220×1.414/1=311(A)。這個浪湧電流雖然時間很短,但如果不加以抑製,會減短輸入電容和整流橋的壽命,還可能造成輸入電源電壓的降低,讓使用同一輸入電源的其它動力設備瞬間掉電,對臨近設備的正常工作產生幹擾。
浪湧電流的抑製
浪湧電流的抑製方法有很多,一般中小功率電源中采用電阻限流的辦法抑製開機浪湧電流。圖2是一個常見的110V/220V雙輸入電源示意圖,以此為例,我們分析一下如何使用NTC熱敏電阻進行浪湧電流的抑製。

圖2 110/220Vac雙輸入電源示意圖
NTC熱敏電阻,即負溫度係數熱敏電阻,其特性是電阻值隨著溫度的升高而呈非線性的下降。NTC在應用上一般分為測溫熱敏電阻和功率型熱敏電阻,用於抑製浪湧的NTC熱敏電阻指的就是功率型熱敏電阻器。
圖2中R1~R4為熱敏電阻浪湧抑製器通常放置的位置。對於同時兼容110Vac和220Vac輸入的雙電壓輸入產品,應該在R1和R2位置同時放兩個NTC熱敏電阻,這樣可使在110Vac輸入連接線連接時和220Vac輸入連接線斷開時的衝擊電流大小一致,也可單獨在R3或R4處放置一個NTC熱敏電阻。對於隻有220Vac輸入的單電壓產品,隻需在R3或R1位置放1個NTC熱敏電阻即可。
其工作原理如下:
在常溫下,NTC熱敏電阻具有較高的電阻值(一般選用5Ω或10Ω),即標稱零功率電阻值。參考圖1的例子,串接10ΩNTC時,開機浪湧電流為:I=220×1.414/(1+10)= 28(A),比未使用NTC熱敏電阻時的311A降低了10倍,有效的起到了抑製浪湧電流的作用。
開機後,由於NTC熱敏電阻迅速發熱、溫(wen)度(du)升(sheng)高(gao),其(qi)電(dian)阻(zu)值(zhi)會(hui)在(zai)毫(hao)秒(miao)級(ji)的(de)時(shi)間(jian)內(nei)迅(xun)速(su)下(xia)降(jiang)到(dao)一(yi)個(ge)很(hen)小(xiao)的(de)級(ji)別(bie),一(yi)般(ban)隻(zhi)有(you)零(ling)點(dian)幾(ji)歐(ou)到(dao)幾(ji)歐(ou)的(de)大(da)小(xiao),相(xiang)對(dui)於(yu)傳(chuan)統(tong)的(de)固(gu)定(ding)阻(zu)值(zhi)限(xian)流(liu)電(dian)阻(zu)而(er)言(yan),這(zhe)意(yi)味(wei)著(zhe)電(dian)阻(zu)上(shang)的(de)功(gong)耗(hao)因(yin)為(wei)阻(zu)值(zhi)的(de)下(xia)降(jiang)隨(sui)之(zhi)降(jiang)低(di)了(le)幾(ji)十(shi)到(dao)上(shang)百(bai)倍(bei),因(yin)此(ci)這(zhe)種(zhong)設(she)計(ji)非(fei)常(chang)適(shi)合(he)對(dui)轉(zhuan)換(huan)效(xiao)率(lv)和(he)節(jie)能(neng)有(you)較(jiao)高(gao)要(yao)求(qiu)的(de)產(chan)品(pin),如(ru)開關電源。
斷電後,NTCremindianzusuizhezishendelengque,dianzuzhihuizhujianhuifudaobiaochenglinggonglvdianzuzhi,huifushijianxuyaojishimiaodaojifenzhongbudeng。xiayiciqidongshi,youanshangshuguochengxunhuan。
[page]
改進型電源設計
上述使用NTC浪湧抑製器的電路與使用固定電阻的電路相比,已經具備了節能的特性。對於某些特殊的產品,如工業產品,有時客戶會提出如下要求:1、如何降低NTC的故障率以提高其使用壽命?2、如何將NTC的功耗降至最低?3、如何使串聯了NTC熱敏電阻的電源電路能適應循環開關的應用條件?
對於第1、2兩點,因為NTC熱敏電阻的主要作用是抑製浪湧,產品正常啟動後它所消耗的能量是我們不需要的,如果有一種可行的辦法能將NTC熱敏電阻從正常工作的電路中切斷,就可以滿足這種要求。
對於第3點,首先分析為什麼使用了NTC熱敏電阻的產品不能頻繁開關。從電路工作原理的分析我們可以看到,在正常工作狀態下,是有一定電流通過NTC熱敏電阻的,這個工作電流足以使NTC的表麵溫度達到100℃~200℃。當產品關斷時,NTC熱敏電阻必須要從高溫低阻狀態完全恢複到常溫高阻狀態才能達到與上一次同等的浪湧抑製效果。這個恢複時間與NTC熱敏電阻的耗散係數和熱容有關,工程上一般以冷卻時間常數作為參考。所謂冷卻時間常數,指的是在規定的介質中,NTC熱敏電阻自熱後冷卻到其溫升的63.2%所需要的時間(單位為秒)。冷卻時間常數並不是NTC熱敏電阻恢複到常態所需要的時間,但冷卻時間常數越大,所需要的恢複時間就越長,反之則越短。
在上述思路的指導下,產生了圖3的改進型電路。產品上電瞬間,NTC熱敏電阻將浪湧電流抑製到一個合適的水平,之後產品得電正常工作,此時繼電器線圈從負載電路得電後動作,將NTC熱敏電阻從工作電路中切去。這樣,NTC熱敏電阻僅在產品啟動時工作,而當產品正常工作時是不接入電路的。這樣既延長了NTC熱敏電阻的使用壽命,又保證其有充分的冷卻時間,能適用於需要頻繁開關的應用場合。

圖3 帶繼電器旁路電路的電源設計示意。
NTC熱敏電阻的選型
NTC熱敏電阻的選型要考慮以下幾個要點:
1.最大額定電壓和濾波電容值
濾波電容的大小決定了應該選用多大尺寸的NTC。對於某個尺寸的NTC熱(re)敏(min)電(dian)阻(zu)來(lai)說(shuo),允(yun)許(xu)接(jie)入(ru)的(de)濾(lv)波(bo)電(dian)容(rong)的(de)大(da)小(xiao)是(shi)有(you)嚴(yan)格(ge)要(yao)求(qiu)的(de),這(zhe)個(ge)值(zhi)也(ye)與(yu)最(zui)大(da)額(e)定(ding)電(dian)壓(ya)有(you)關(guan)。在(zai)電(dian)源(yuan)應(ying)用(yong)中(zhong),開(kai)機(ji)浪(lang)湧(yong)是(shi)因(yin)為(wei)電(dian)容(rong)充(chong)電(dian)產(chan)生(sheng)的(de),因(yin)此(ci)通(tong)常(chang)用(yong)給(gei)定(ding)電(dian)壓(ya)值(zhi)下(xia)的(de)允(yun)許(xu)接(jie)入(ru)的(de)電(dian)容(rong)量(liang)來(lai)評(ping)估(gu)NTC熱敏電阻承受浪湧電流的能力。對於某一個具體的NTC熱敏電阻來說,所能承受的最大能量已經確定了,根據一階電路中電阻的能量消耗公式E=1/2×CV2keyikanchu,qiyunxudejierudedianrongzhiyuedingdianyadepingfangchengfanbi。jiandanlaishuo,jiushishurudianyayueda,yunxujierudezuidadianrongzhijiuyuexiao,fanzhiyiran。
NTC熱敏電阻產品的規範一般定義了在220Vac下允許接入的最大電容值。假設某應用條件最大額定電壓是420Vac,濾波電容值為200μF,根據上述能量公式可以折算出在220Vac下的等效電容值應為200×4202/2202=729μF,這樣在選型時就必須選擇220Vac下允許接入電容值大於729μF的型號。
2.產品允許的最大啟動電流值和長期加載在NTC熱敏電阻上的工作電流
電子產品允許的最大啟動電流值決定了NTC熱敏電阻的阻值。假設電源額定輸入為220Vac,內阻為1Ω,允許的最大啟動電流為60A,那麼選取的NTC在初始狀態下的最小阻值為Rmin=(220×1.414/60)-1=4.2(Ω)。至此,滿足條件的NTC熱敏電阻一般會有一個或多個,此時再按下麵的方法進行選擇。
產品正常工作時,長期加載在NTC熱敏電阻上的電流應不大於規格書規定的電流。根據這個原則可以從阻值大於4.2Ω的多個電阻中挑選出一個適合的阻值。當然這指的是在常溫情況下。如果工作的環境溫度不是常溫,就需要按下文提到的原則來進行NTC熱敏電阻的降額設計。
3.NTC熱敏電阻的工作環境
由於NTC熱敏電阻受環境溫度影響較大,一般在產品規格書中隻給出常溫下(25℃)的阻值,若產品應用條件不是在常溫下,或因產品本身設計或結構的原因,導致NTC熱敏電阻周圍環境溫度不是常溫的時候,必須先計算出NTC在初始狀態下的阻值才能進行以上步驟的選擇。
當環境溫度過高或過低時,必須根據廠家提供的降功耗曲線進行降額設計。將功耗曲線一般有兩種形式,如圖4所示。

圖4 降功耗曲線
對曲線a,允許的最大持續工作電流可用以下公式表示:


對曲線b,允許的最大持續工作電流可用以下公式表示:

事實上,不少生產廠家都對自己的產品定義了環境溫度類別,在實際應用中,應盡量使NTC熱敏電阻工作的環境溫度不超出廠家規定的上/下限溫度。同時,應注意不要使其工作在潮濕的環境中,因為過於潮濕的環境會加速NTC熱敏電阻的老化。
結論
通過以上分析可以看出,在電源設計中使用NTCremindianzuxinglangyongyizhiqi,qiyizhilangyongdianliudenengliyuputongdianzuxiangdang,erzaidianzushangdegonghaozekejiangdijishidaoshangbaibei。duiyuxuyaopinfankaiguandeyingyongchanghe,dianluzhongbixuzengjiajidianqipangludianluyibaozhengNTCremindianzunengwanquanlengquehuifudaochushizhuangtaixiadedianzu。zaichanpinxuanxingshang,yaogenjuzuidaedingdianyahelvbodianrongzhixuandingchanpinxilie,genjuchanpinyunxudezuidaqidongdianliuzhihechangshijianjiazaizaiNTC熱敏電阻上的工作電流來選擇NTC熱敏電阻的阻值,同時要考慮工作環境的溫度,適當進行降額設計。
- 噪聲中提取真值!瑞盟科技推出MSA2240電流檢測芯片賦能多元高端測量場景
- 10MHz高頻運行!氮矽科技發布集成驅動GaN芯片,助力電源能效再攀新高
- 失真度僅0.002%!力芯微推出超低內阻、超低失真4PST模擬開關
- 一“芯”雙電!聖邦微電子發布雙輸出電源芯片,簡化AFE與音頻設計
- 一機適配萬端:金升陽推出1200W可編程電源,賦能高端裝備製造
- 大聯大世平集團首度亮相北京國際汽車展 攜手全球芯片夥伴打造智能車整合應用新典範
- 2026北京車展即將啟幕,高通攜手汽車生態“朋友圈”推動智能化體驗再升級
- 邊緣重構智慧城市:FPGA SoM 如何破解視頻係統 “重而慢”
- 如何使用工業級串行數字輸入來設計具有並行接口的數字輸入模塊
- 意法半導體將舉辦投資者會議探討低地球軌道(LEO)發展機遇
- 車規與基於V2X的車輛協同主動避撞技術展望
- 數字隔離助力新能源汽車安全隔離的新挑戰
- 汽車模塊拋負載的解決方案
- 車用連接器的安全創新應用
- Melexis Actuators Business Unit
- Position / Current Sensors - Triaxis Hall



