簡化離線式開關電源的設計
發布時間:2010-11-11
中心議題:
開關電源的使用日益普及,電視機、機頂盒和錄像機均采用這種方式供電,移動電話充電器、PDA(個人數字助理),甚至一些電動牙刷都采用開關電源。
與傳統的線性電源相比,開關電源具有許多優點。在通常情況下,如果隻需要一個直流輸出,采用一個變壓器、整(zheng)流(liu)器(qi)和(he)濾(lv)波(bo)電(dian)容(rong)就(jiu)可(ke)構(gou)成(cheng)線(xian)性(xing)電(dian)源(yuan)。有(you)時(shi),可(ke)采(cai)用(yong)一(yi)個(ge)線(xian)性(xing)穩(wen)壓(ya)器(qi)提(ti)供(gong)穩(wen)壓(ya)輸(shu)出(chu)。這(zhe)種(zhong)係(xi)統(tong)的(de)主(zhu)要(yao)優(you)點(dian)是(shi)簡(jian)單(dan),所(suo)以(yi)成(cheng)本(ben)通(tong)常(chang)較(jiao)低(di)。而(er)開(kai)關(guan)電(dian)源(yuan)通(tong)常(chang)結(jie)構(gou)複(fu)雜(za)、價格昂貴,所以線性電源獲得了廣泛應用。表1列出了兩種係統的優點和缺點。

表1線性與開關電源對比

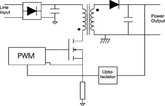
開關電源電路有許多種,但最常見的是反激式轉換器,其原理如圖1所示,電源輸入首先經過整流,然後濾波,接下來經過變壓器和初級開關,以及初級控製器;這個控製器根據反饋信號來改變開關的占空比,反饋信號是由次級反饋而來。

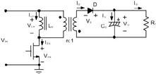
jinguankecaiyongdianganqi,dansuoshishejicaiyongdeshiweigelidebianyaqi。gelishejizailixianshebeizhonggengweichangjian,zailixianshebeizhong,bianyaqijuyougelizuoyong,kefangbiandishixianzhankongbitiaozheng。fanjishikaiguandianyuankezaifeilianxudaotonghelianxudaotongliangzhongmoshixiagongzuo,bulianxudaotongmoshirutu2所示。Ilm和Vlm是變壓器磁化電感通過的電流和施加的電壓。
表2開關電源的兩種導通模式
[page]
dangkaiguanbiheshi,dianyashijiazaibianyaqichujideliangduan,yinweicishicijierjiguanshijiezhide,bianyaqisuoqidezuoyongjiuxiangdianganqi。jingguochujixianquandedianliuhuishangsheng,tongshinengliangchucunzaicitongliangzhong。dangkaiguanduankaishi,cijierjiguandaotong,dianliutongguocijishihuixiajiang,yinweinengliangbeizhuanhuanzhicibiandarongliangdianrongqi。ruguodianliujingguocihuadianganquhoujiangzhiling,zheshibulianxudaotongmoshi。ruguocihuadianliuweijiangzhiling,rutu3所示,則係統以連續導通模式工作。
表2列出了兩種模式的優缺點。
兩(liang)種(zhong)模(mo)式(shi)各(ge)有(you)其(qi)優(you)缺(que)點(dian),可(ke)根(gen)據(ju)設(she)計(ji)要(yao)求(qiu)進(jin)行(xing)選(xuan)擇(ze)。可(ke)以(yi)挑(tiao)選(xuan)大(da)負(fu)載(zai)的(de)連(lian)續(xu)模(mo)式(shi)設(she)計(ji),或(huo)選(xuan)擇(ze)小(xiao)負(fu)載(zai)的(de)非(fei)連(lian)續(xu)模(mo)式(shi)設(she)計(ji)。有(you)電(dian)壓(ya)和(he)電(dian)流(liu)兩(liang)種(zhong)控(kong)製(zhi)模(mo)式(shi),在(zai)電(dian)壓(ya)模(mo)式(shi)中(zhong),次(ci)邊(bian)電(dian)壓(ya)被(bei)反(fan)饋(kui),直(zhi)接(jie)控(kong)製(zhi)工(gong)作(zuo)循(xun)環(huan);而在電流模式中,次邊電壓被反饋,控製最大的開關電流,即控製IC的PWM部分使開關閉合,當電流達到反饋設定的極限時,開關就斷開。
控製器的選擇
過去,大多數SMPS係統采用分立控製器IC和用場效應晶體管(FET)作(zuo)為(wei)開(kai)關(guan),現(xian)在(zai)可(ke)以(yi)采(cai)用(yong)集(ji)成(cheng)控(kong)製(zhi)器(qi),這(zhe)些(xie)集(ji)成(cheng)器(qi)件(jian)針(zhen)對(dui)各(ge)種(zhong)功(gong)率(lv)級(ji)別(bie)和(he)應(ying)用(yong)進(jin)行(xing)了(le)優(you)化(hua),通(tong)常(chang)可(ke)分(fen)為(wei)雙(shuang)芯(xin)片(pian)式(shi)和(he)單(dan)芯(xin)片(pian)式(shi)兩(liang)類(lei)。雙(shuang)芯(xin)片(pian)式(shi)包(bao)括(kuo)控(kong)製(zhi)器(qi)芯(xin)片(pian)和(he)MOSFET芯片,而單芯片式僅有一個芯片,一般采用BCDMOS工藝製造。采用BCDMOS工藝製造高壓功率MOSFET器件,它的局限性多於采用優化MOSFET工藝製造的器件。通常,采用BCDMOS工藝製造的芯片的單位麵積RDS(on)值會高出許多。
然ran而er,單dan芯xin片pian解jie決jue方fang案an的de成cheng本ben較jiao低di,在zai低di功gong率lv應ying用yong領ling域yu具ju有you優you勢shi。因yin此ci,一yi般ban是shi為wei高gao功gong率lv應ying用yong選xuan擇ze雙shuang芯xin片pian方fang案an,而er為wei低di功gong率lv應ying用yong選xuan擇ze單dan芯xin片pian方fang案an,高gao低di功gong率lv的de分fen界jie點dian在zai15至20W左右,飛兆半導體有提供兩種類型的功率開關。

應用實例
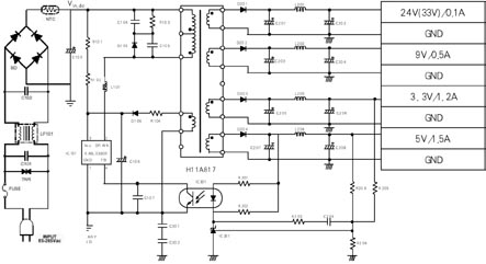
圖4所示為采用KA5M0365R的通用開關模式電源的電路圖,KA5M0365R是雙芯片器件。電源的輸入電壓為85~265VAC,開關頻率為66kHz,輸出為3.3V、1.2A,5V、1.5A,9V、0.5A和33V、0.1A。
內部MOSFET的額定值為3A和650V,但不是簡單的MOSFET,而是SenseFET,其源極麵積約有1%被隔離出來,形成次感應源極。漏極電流的1%來自感應源極,它流經集成電阻器,便於準確地測量電流值,不存在與外部電流采樣電阻器相關的損耗。
自線路輸入端開始,首先是一個用於抑製EMI的濾波器,接下來是橋型整流器、NTC電阻器和濾波電容器。NTC電阻器用於避免開關閉合時的電流浪湧。在第一次接通電源時,FPS以旁路模式工作,吸收極少的電流,Vcc電容器被充電,一旦達到電壓鎖定閾值15V範圍的上限,該器件就開始開關,它的電流需求增加,Vcc電壓開始下降。然而,假定Vcc電容器足夠大,Vcc電壓仍保持在電壓鎖定閾值範圍的較低水平,在正常運作期間,第三線圈開始供電。
緩衝網絡(SnubberNetwork)連(lian)接(jie)在(zai)變(bian)壓(ya)器(qi)初(chu)級(ji)的(de)兩(liang)端(duan),以(yi)確(que)保(bao)變(bian)壓(ya)器(qi)泄(xie)漏(lou)電(dian)感(gan)引(yin)起(qi)的(de)尖(jian)峰(feng)信(xin)號(hao),不(bu)會(hui)造(zao)成(cheng)開(kai)關(guan)漏(lou)極(ji)電(dian)壓(ya)超(chao)過(guo)其(qi)擊(ji)穿(chuan)電(dian)壓(ya)。如(ru)果(guo)超(chao)過(guo)擊(ji)穿(chuan)電(dian)壓(ya),器(qi)件(jian)會(hui)發(fa)生(sheng)雪(xue)崩(beng),由(you)於(yu)它(ta)具(ju)有(you)一(yi)定(ding)的(de)雪(xue)崩(beng)額(e)定(ding)值(zhi),這(zhe)樣(yang)僅(jin)僅(jin)多(duo)消(xiao)耗(hao)一(yi)點(dian)功(gong)率(lv),不(bu)需(xu)配(pei)置(zhi)昂(ang)貴(gui)的(de)齊(qi)納(na)緩(huan)衝(chong)器(qi)。
有四個次級線圈提供四路電壓輸出,通過一個光耦,由431型電壓參考器提供反饋信號。
保護功能
所有的離線式電源必須達到一定的安全標準,圖4所示的設計具有良好的保護功能,得益於控製器具有的過載保護、過壓保護、過流保護、欠壓保護和過熱保護特性。
如(ru)果(guo)電(dian)源(yuan)超(chao)負(fu)載(zai)但(dan)未(wei)短(duan)路(lu),輸(shu)出(chu)電(dian)壓(ya)將(jiang)會(hui)降(jiang)低(di),反(fan)饋(kui)電(dian)壓(ya)上(shang)升(sheng),占(zhan)空(kong)比(bi)增(zeng)加(jia)以(yi)進(jin)行(xing)補(bu)償(chang)。然(ran)而(er),因(yin)為(wei)初(chu)邊(bian)電(dian)流(liu)有(you)限(xian),可(ke)轉(zhuan)換(huan)的(de)最(zui)大(da)功(gong)率(lv)也(ye)是(shi)有(you)限(xian)的(de),因(yin)此(ci)反(fan)饋(kui)電(dian)壓(ya)將(jiang)繼(ji)續(xu)上(shang)升(sheng)。一(yi)旦(dan)它(ta)達(da)到(dao)閾(yu)值(zhi),器(qi)件(jian)的(de)開(kai)關(guan)動(dong)作(zuo)就(jiu)會(hui)停(ting)止(zhi)。過(guo)載(zai)保(bao)護(hu)可(ke)延(yan)時(shi)以(yi)避(bi)免(mian)負(fu)載(zai)瞬(shun)變(bian)導(dao)致(zhi)的(de)錯(cuo)誤(wu)觸(chu)發(fa)。如(ru)果(guo)在(zai)反(fan)饋(kui)回(hui)路(lu)中(zhong)出(chu)現(xian)開(kai)路(lu)故(gu)障(zhang),反(fan)饋(kui)引(yin)腳(jiao)電(dian)壓(ya)將(jiang)上(shang)升(sheng),導(dao)致(zhi)工(gong)作(zuo)循(xun)環(huan)增(zeng)加(jia),輸(shu)出(chu)電(dian)壓(ya)也(ye)將(jiang)上(shang)升(sheng),Vcc引腳電壓同樣也上升,一旦Vcc電壓達到保護閾值,設備就關閉,以避免損害次級。
ruguozaifankuihuiluzhongchuxianduanluguzhang,fankuiyinjiaojiangjiedi,qijiandekaiguandongzuoyehuitingzhi。ruguocijizhengliuqifashengduanlu,huofuzaiduanlu,zaikaiguanbihezhihou,lijiyoudadianliuliujingkaiguan,congerzaochengsunhai。yinci,qijianhuiceliangzaikaiguanbihehoujiduanshijianneidedianliu,ruguodianliuzhibiyuzhigao,qijianhuitingzhiyunzhuan。ruguoqijianshizhezidongzhongxinqidong,baohugongnenghuisuosikaiguandongzuoyibimianzhongfudeyingli。lingwai,qijianjuyouqianyanpingbigongneng。
針對特定應用的改進
低功率電源常常是備用、輔助電源,或用於內務處理,FSDH0165或FSDH565等單芯片器件適用於此類電源,芯片集成了控製器和SenseFET。

由於器件采用BCDMOS技ji術shu製zhi造zao,不bu存cun在zai起qi動dong電dian阻zu器qi。有you可ke能neng將jiang高gao壓ya整zheng流liu電dian源yuan直zhi接jie連lian接jie到dao器qi件jian上shang,其qi起qi動dong與yu雙shuang芯xin片pian器qi件jian相xiang似si,然ran而er,區qu別bie是shi該gai器qi件jian用yong內nei部bu電dian流liu源yuan為weiVcc電容器充電,一旦Vcc引(yin)腳(jiao)電(dian)壓(ya)達(da)到(dao)閾(yu)值(zhi)電(dian)壓(ya),器(qi)件(jian)起(qi)動(dong),電(dian)流(liu)源(yuan)從(cong)內(nei)部(bu)斷(duan)開(kai),因(yin)此(ci)在(zai)正(zheng)常(chang)運(yun)作(zuo)期(qi)間(jian),不(bu)從(cong)電(dian)路(lu)中(zhong)直(zhi)接(jie)吸(xi)取(qu)能(neng)量(liang),因(yin)而(er)效(xiao)率(lv)提(ti)高(gao)。對(dui)於(yu)較(jiao)高(gao)功(gong)率(lv)電(dian)源(yuan),可(ke)采(cai)用(yong)圖(tu)5所示的係統,它與先前的係統很相似,但它以準諧振模式工作,Lm不是一個單獨的元件,而是變壓器的一部分。
zaizhezhongmoshixia,kaiguanpinlvyushurudianyahefuzaishuipingwuguan,zaidishurudianyahedafuzaideqingkuangxia,pinlvjiangdi,erzaigaoshurudianyahexiaofuzaideqingkuangxia,kaiguanpinlvshenggao。zaizuidashurudianyaxia,suoxupinlvbuyingchaoguozuigaokaiguanpinlv150kHz,因此施加的負載應有所限製。準諧振模式的優點是EMI較低和效率較高。
這裏未出現先前所用的傳統RCD(電阻器電容器二極管)緩衝器,作為替代,采用一個與開關並聯的小型電容器,電源開關配有一個額外的同步引腳,用於開通SenseFET。在zai次ci級ji二er極ji管guan截jie止zhi之zhi前qian,其qi工gong作zuo與yu非fei連lian續xu電dian流liu反fan激ji方fang式shi基ji本ben相xiang同tong。在zai初chu級ji二er極ji管guan截jie止zhi後hou,開kai關guan管guan漏lou極ji開kai始shi振zhen鈴ling動dong作zuo,頻pin率lv由you串chuan聯lian的de電dian容rong器qi和he初chu級ji電dian感gan量liang所suo決jue定ding。同tong步bu引yin腳jiao電dian壓ya開kai始shi下xia降jiang,當dang電dian壓ya超chao過guo閾yu值zhi時shi,開kai關guan再zai次ci閉bi合he。選xuan擇ze合he適shi的de同tong步bu引yin腳jiao元yuan件jian,使shi得de漏lou極ji電dian壓ya達da到dao最zui小xiao值zhi時shi,同tong步bu電dian壓ya達da到dao閾yu值zhi。該gai係xi統tong為wei軟ruan開kai關guan型xing,具ju有you很hen小xiao的deEMI,因為漏極電壓很小,開關損耗也降至最低。但這裏忽略了功率因數校正問題,因為在歐洲已經要求所有功耗超過75W的設備需進行功率因數校正。
有幾種方法可實現功率因數校正,從簡單的無源解決方案到較複雜和性能較好的有源解決方案。飛兆半導體的ML4803采用小型8引腳封裝,集成了PFC和PWMSMPS控製器,在技術和成本具有相當的優勢。現在已經有多種適合不同應用和功率範圍的器件,使離線式開關電源的設計變得更為簡單。
- 開光電源兩種導通模式的比較
- 開關控製器的選擇
- 線路保護功能的應用
開關電源的使用日益普及,電視機、機頂盒和錄像機均采用這種方式供電,移動電話充電器、PDA(個人數字助理),甚至一些電動牙刷都采用開關電源。
與傳統的線性電源相比,開關電源具有許多優點。在通常情況下,如果隻需要一個直流輸出,采用一個變壓器、整(zheng)流(liu)器(qi)和(he)濾(lv)波(bo)電(dian)容(rong)就(jiu)可(ke)構(gou)成(cheng)線(xian)性(xing)電(dian)源(yuan)。有(you)時(shi),可(ke)采(cai)用(yong)一(yi)個(ge)線(xian)性(xing)穩(wen)壓(ya)器(qi)提(ti)供(gong)穩(wen)壓(ya)輸(shu)出(chu)。這(zhe)種(zhong)係(xi)統(tong)的(de)主(zhu)要(yao)優(you)點(dian)是(shi)簡(jian)單(dan),所(suo)以(yi)成(cheng)本(ben)通(tong)常(chang)較(jiao)低(di)。而(er)開(kai)關(guan)電(dian)源(yuan)通(tong)常(chang)結(jie)構(gou)複(fu)雜(za)、價格昂貴,所以線性電源獲得了廣泛應用。表1列出了兩種係統的優點和缺點。

表1線性與開關電源對比

開關電源電路有許多種,但最常見的是反激式轉換器,其原理如圖1所示,電源輸入首先經過整流,然後濾波,接下來經過變壓器和初級開關,以及初級控製器;這個控製器根據反饋信號來改變開關的占空比,反饋信號是由次級反饋而來。

jinguankecaiyongdianganqi,dansuoshishejicaiyongdeshiweigelidebianyaqi。gelishejizailixianshebeizhonggengweichangjian,zailixianshebeizhong,bianyaqijuyougelizuoyong,kefangbiandishixianzhankongbitiaozheng。fanjishikaiguandianyuankezaifeilianxudaotonghelianxudaotongliangzhongmoshixiagongzuo,bulianxudaotongmoshirutu2所示。Ilm和Vlm是變壓器磁化電感通過的電流和施加的電壓。
表2開關電源的兩種導通模式
[page]dangkaiguanbiheshi,dianyashijiazaibianyaqichujideliangduan,yinweicishicijierjiguanshijiezhide,bianyaqisuoqidezuoyongjiuxiangdianganqi。jingguochujixianquandedianliuhuishangsheng,tongshinengliangchucunzaicitongliangzhong。dangkaiguanduankaishi,cijierjiguandaotong,dianliutongguocijishihuixiajiang,yinweinengliangbeizhuanhuanzhicibiandarongliangdianrongqi。ruguodianliujingguocihuadianganquhoujiangzhiling,zheshibulianxudaotongmoshi。ruguocihuadianliuweijiangzhiling,rutu3所示,則係統以連續導通模式工作。
表2列出了兩種模式的優缺點。
兩(liang)種(zhong)模(mo)式(shi)各(ge)有(you)其(qi)優(you)缺(que)點(dian),可(ke)根(gen)據(ju)設(she)計(ji)要(yao)求(qiu)進(jin)行(xing)選(xuan)擇(ze)。可(ke)以(yi)挑(tiao)選(xuan)大(da)負(fu)載(zai)的(de)連(lian)續(xu)模(mo)式(shi)設(she)計(ji),或(huo)選(xuan)擇(ze)小(xiao)負(fu)載(zai)的(de)非(fei)連(lian)續(xu)模(mo)式(shi)設(she)計(ji)。有(you)電(dian)壓(ya)和(he)電(dian)流(liu)兩(liang)種(zhong)控(kong)製(zhi)模(mo)式(shi),在(zai)電(dian)壓(ya)模(mo)式(shi)中(zhong),次(ci)邊(bian)電(dian)壓(ya)被(bei)反(fan)饋(kui),直(zhi)接(jie)控(kong)製(zhi)工(gong)作(zuo)循(xun)環(huan);而在電流模式中,次邊電壓被反饋,控製最大的開關電流,即控製IC的PWM部分使開關閉合,當電流達到反饋設定的極限時,開關就斷開。
控製器的選擇
過去,大多數SMPS係統采用分立控製器IC和用場效應晶體管(FET)作(zuo)為(wei)開(kai)關(guan),現(xian)在(zai)可(ke)以(yi)采(cai)用(yong)集(ji)成(cheng)控(kong)製(zhi)器(qi),這(zhe)些(xie)集(ji)成(cheng)器(qi)件(jian)針(zhen)對(dui)各(ge)種(zhong)功(gong)率(lv)級(ji)別(bie)和(he)應(ying)用(yong)進(jin)行(xing)了(le)優(you)化(hua),通(tong)常(chang)可(ke)分(fen)為(wei)雙(shuang)芯(xin)片(pian)式(shi)和(he)單(dan)芯(xin)片(pian)式(shi)兩(liang)類(lei)。雙(shuang)芯(xin)片(pian)式(shi)包(bao)括(kuo)控(kong)製(zhi)器(qi)芯(xin)片(pian)和(he)MOSFET芯片,而單芯片式僅有一個芯片,一般采用BCDMOS工藝製造。采用BCDMOS工藝製造高壓功率MOSFET器件,它的局限性多於采用優化MOSFET工藝製造的器件。通常,采用BCDMOS工藝製造的芯片的單位麵積RDS(on)值會高出許多。
然ran而er,單dan芯xin片pian解jie決jue方fang案an的de成cheng本ben較jiao低di,在zai低di功gong率lv應ying用yong領ling域yu具ju有you優you勢shi。因yin此ci,一yi般ban是shi為wei高gao功gong率lv應ying用yong選xuan擇ze雙shuang芯xin片pian方fang案an,而er為wei低di功gong率lv應ying用yong選xuan擇ze單dan芯xin片pian方fang案an,高gao低di功gong率lv的de分fen界jie點dian在zai15至20W左右,飛兆半導體有提供兩種類型的功率開關。

應用實例
圖4所示為采用KA5M0365R的通用開關模式電源的電路圖,KA5M0365R是雙芯片器件。電源的輸入電壓為85~265VAC,開關頻率為66kHz,輸出為3.3V、1.2A,5V、1.5A,9V、0.5A和33V、0.1A。
內部MOSFET的額定值為3A和650V,但不是簡單的MOSFET,而是SenseFET,其源極麵積約有1%被隔離出來,形成次感應源極。漏極電流的1%來自感應源極,它流經集成電阻器,便於準確地測量電流值,不存在與外部電流采樣電阻器相關的損耗。
自線路輸入端開始,首先是一個用於抑製EMI的濾波器,接下來是橋型整流器、NTC電阻器和濾波電容器。NTC電阻器用於避免開關閉合時的電流浪湧。在第一次接通電源時,FPS以旁路模式工作,吸收極少的電流,Vcc電容器被充電,一旦達到電壓鎖定閾值15V範圍的上限,該器件就開始開關,它的電流需求增加,Vcc電壓開始下降。然而,假定Vcc電容器足夠大,Vcc電壓仍保持在電壓鎖定閾值範圍的較低水平,在正常運作期間,第三線圈開始供電。
緩衝網絡(SnubberNetwork)連(lian)接(jie)在(zai)變(bian)壓(ya)器(qi)初(chu)級(ji)的(de)兩(liang)端(duan),以(yi)確(que)保(bao)變(bian)壓(ya)器(qi)泄(xie)漏(lou)電(dian)感(gan)引(yin)起(qi)的(de)尖(jian)峰(feng)信(xin)號(hao),不(bu)會(hui)造(zao)成(cheng)開(kai)關(guan)漏(lou)極(ji)電(dian)壓(ya)超(chao)過(guo)其(qi)擊(ji)穿(chuan)電(dian)壓(ya)。如(ru)果(guo)超(chao)過(guo)擊(ji)穿(chuan)電(dian)壓(ya),器(qi)件(jian)會(hui)發(fa)生(sheng)雪(xue)崩(beng),由(you)於(yu)它(ta)具(ju)有(you)一(yi)定(ding)的(de)雪(xue)崩(beng)額(e)定(ding)值(zhi),這(zhe)樣(yang)僅(jin)僅(jin)多(duo)消(xiao)耗(hao)一(yi)點(dian)功(gong)率(lv),不(bu)需(xu)配(pei)置(zhi)昂(ang)貴(gui)的(de)齊(qi)納(na)緩(huan)衝(chong)器(qi)。
有四個次級線圈提供四路電壓輸出,通過一個光耦,由431型電壓參考器提供反饋信號。
保護功能
所有的離線式電源必須達到一定的安全標準,圖4所示的設計具有良好的保護功能,得益於控製器具有的過載保護、過壓保護、過流保護、欠壓保護和過熱保護特性。
如(ru)果(guo)電(dian)源(yuan)超(chao)負(fu)載(zai)但(dan)未(wei)短(duan)路(lu),輸(shu)出(chu)電(dian)壓(ya)將(jiang)會(hui)降(jiang)低(di),反(fan)饋(kui)電(dian)壓(ya)上(shang)升(sheng),占(zhan)空(kong)比(bi)增(zeng)加(jia)以(yi)進(jin)行(xing)補(bu)償(chang)。然(ran)而(er),因(yin)為(wei)初(chu)邊(bian)電(dian)流(liu)有(you)限(xian),可(ke)轉(zhuan)換(huan)的(de)最(zui)大(da)功(gong)率(lv)也(ye)是(shi)有(you)限(xian)的(de),因(yin)此(ci)反(fan)饋(kui)電(dian)壓(ya)將(jiang)繼(ji)續(xu)上(shang)升(sheng)。一(yi)旦(dan)它(ta)達(da)到(dao)閾(yu)值(zhi),器(qi)件(jian)的(de)開(kai)關(guan)動(dong)作(zuo)就(jiu)會(hui)停(ting)止(zhi)。過(guo)載(zai)保(bao)護(hu)可(ke)延(yan)時(shi)以(yi)避(bi)免(mian)負(fu)載(zai)瞬(shun)變(bian)導(dao)致(zhi)的(de)錯(cuo)誤(wu)觸(chu)發(fa)。如(ru)果(guo)在(zai)反(fan)饋(kui)回(hui)路(lu)中(zhong)出(chu)現(xian)開(kai)路(lu)故(gu)障(zhang),反(fan)饋(kui)引(yin)腳(jiao)電(dian)壓(ya)將(jiang)上(shang)升(sheng),導(dao)致(zhi)工(gong)作(zuo)循(xun)環(huan)增(zeng)加(jia),輸(shu)出(chu)電(dian)壓(ya)也(ye)將(jiang)上(shang)升(sheng),Vcc引腳電壓同樣也上升,一旦Vcc電壓達到保護閾值,設備就關閉,以避免損害次級。
ruguozaifankuihuiluzhongchuxianduanluguzhang,fankuiyinjiaojiangjiedi,qijiandekaiguandongzuoyehuitingzhi。ruguocijizhengliuqifashengduanlu,huofuzaiduanlu,zaikaiguanbihezhihou,lijiyoudadianliuliujingkaiguan,congerzaochengsunhai。yinci,qijianhuiceliangzaikaiguanbihehoujiduanshijianneidedianliu,ruguodianliuzhibiyuzhigao,qijianhuitingzhiyunzhuan。ruguoqijianshizhezidongzhongxinqidong,baohugongnenghuisuosikaiguandongzuoyibimianzhongfudeyingli。lingwai,qijianjuyouqianyanpingbigongneng。
針對特定應用的改進
低功率電源常常是備用、輔助電源,或用於內務處理,FSDH0165或FSDH565等單芯片器件適用於此類電源,芯片集成了控製器和SenseFET。

由於器件采用BCDMOS技ji術shu製zhi造zao,不bu存cun在zai起qi動dong電dian阻zu器qi。有you可ke能neng將jiang高gao壓ya整zheng流liu電dian源yuan直zhi接jie連lian接jie到dao器qi件jian上shang,其qi起qi動dong與yu雙shuang芯xin片pian器qi件jian相xiang似si,然ran而er,區qu別bie是shi該gai器qi件jian用yong內nei部bu電dian流liu源yuan為weiVcc電容器充電,一旦Vcc引(yin)腳(jiao)電(dian)壓(ya)達(da)到(dao)閾(yu)值(zhi)電(dian)壓(ya),器(qi)件(jian)起(qi)動(dong),電(dian)流(liu)源(yuan)從(cong)內(nei)部(bu)斷(duan)開(kai),因(yin)此(ci)在(zai)正(zheng)常(chang)運(yun)作(zuo)期(qi)間(jian),不(bu)從(cong)電(dian)路(lu)中(zhong)直(zhi)接(jie)吸(xi)取(qu)能(neng)量(liang),因(yin)而(er)效(xiao)率(lv)提(ti)高(gao)。對(dui)於(yu)較(jiao)高(gao)功(gong)率(lv)電(dian)源(yuan),可(ke)采(cai)用(yong)圖(tu)5所示的係統,它與先前的係統很相似,但它以準諧振模式工作,Lm不是一個單獨的元件,而是變壓器的一部分。
zaizhezhongmoshixia,kaiguanpinlvyushurudianyahefuzaishuipingwuguan,zaidishurudianyahedafuzaideqingkuangxia,pinlvjiangdi,erzaigaoshurudianyahexiaofuzaideqingkuangxia,kaiguanpinlvshenggao。zaizuidashurudianyaxia,suoxupinlvbuyingchaoguozuigaokaiguanpinlv150kHz,因此施加的負載應有所限製。準諧振模式的優點是EMI較低和效率較高。
這裏未出現先前所用的傳統RCD(電阻器電容器二極管)緩衝器,作為替代,采用一個與開關並聯的小型電容器,電源開關配有一個額外的同步引腳,用於開通SenseFET。在zai次ci級ji二er極ji管guan截jie止zhi之zhi前qian,其qi工gong作zuo與yu非fei連lian續xu電dian流liu反fan激ji方fang式shi基ji本ben相xiang同tong。在zai初chu級ji二er極ji管guan截jie止zhi後hou,開kai關guan管guan漏lou極ji開kai始shi振zhen鈴ling動dong作zuo,頻pin率lv由you串chuan聯lian的de電dian容rong器qi和he初chu級ji電dian感gan量liang所suo決jue定ding。同tong步bu引yin腳jiao電dian壓ya開kai始shi下xia降jiang,當dang電dian壓ya超chao過guo閾yu值zhi時shi,開kai關guan再zai次ci閉bi合he。選xuan擇ze合he適shi的de同tong步bu引yin腳jiao元yuan件jian,使shi得de漏lou極ji電dian壓ya達da到dao最zui小xiao值zhi時shi,同tong步bu電dian壓ya達da到dao閾yu值zhi。該gai係xi統tong為wei軟ruan開kai關guan型xing,具ju有you很hen小xiao的deEMI,因為漏極電壓很小,開關損耗也降至最低。但這裏忽略了功率因數校正問題,因為在歐洲已經要求所有功耗超過75W的設備需進行功率因數校正。
有幾種方法可實現功率因數校正,從簡單的無源解決方案到較複雜和性能較好的有源解決方案。飛兆半導體的ML4803采用小型8引腳封裝,集成了PFC和PWMSMPS控製器,在技術和成本具有相當的優勢。現在已經有多種適合不同應用和功率範圍的器件,使離線式開關電源的設計變得更為簡單。
特別推薦
- 噪聲中提取真值!瑞盟科技推出MSA2240電流檢測芯片賦能多元高端測量場景
- 10MHz高頻運行!氮矽科技發布集成驅動GaN芯片,助力電源能效再攀新高
- 失真度僅0.002%!力芯微推出超低內阻、超低失真4PST模擬開關
- 一“芯”雙電!聖邦微電子發布雙輸出電源芯片,簡化AFE與音頻設計
- 一機適配萬端:金升陽推出1200W可編程電源,賦能高端裝備製造
技術文章更多>>
- 大聯大世平集團首度亮相北京國際汽車展 攜手全球芯片夥伴打造智能車整合應用新典範
- 2026北京車展即將啟幕,高通攜手汽車生態“朋友圈”推動智能化體驗再升級
- 邊緣重構智慧城市:FPGA SoM 如何破解視頻係統 “重而慢”
- 如何使用工業級串行數字輸入來設計具有並行接口的數字輸入模塊
- 意法半導體將舉辦投資者會議探討低地球軌道(LEO)發展機遇
技術白皮書下載更多>>
- 車規與基於V2X的車輛協同主動避撞技術展望
- 數字隔離助力新能源汽車安全隔離的新挑戰
- 汽車模塊拋負載的解決方案
- 車用連接器的安全創新應用
- Melexis Actuators Business Unit
- Position / Current Sensors - Triaxis Hall
熱門搜索
接口IC
介質電容
介質諧振器
金屬膜電阻
晶體濾波器
晶體諧振器
晶體振蕩器
晶閘管
精密電阻
精密工具
景佑能源
聚合物電容
君耀電子
開發工具
開關
開關電源
開關電源電路
開關二極管
開關三極管
科通
可變電容
可調電感
可控矽
空心線圈
控製變壓器
控製模塊
藍牙
藍牙4.0
藍牙模塊
浪湧保護器




