實用的車載逆變器的設計
發布時間:2010-07-14
中心議題:
隨(sui)著(zhe)經(jing)濟(ji)水(shui)平(ping)的(de)提(ti)高(gao),汽(qi)車(che)正(zheng)逐(zhu)漸(jian)成(cheng)為(wei)人(ren)們(men)的(de)日(ri)常(chang)交(jiao)通(tong)工(gong)具(ju)。然(ran)而(er),人(ren)們(men)隨(sui)身(shen)攜(xie)帶(dai)的(de)電(dian)子(zi)產(chan)品(pin),比(bi)如(ru)手(shou)機(ji),卻(que)不(bu)能(neng)使(shi)用(yong)汽(qi)車(che)上(shang)的(de)電(dian)源(yuan)。因(yin)此(ci),開(kai)發(fa)一(yi)款(kuan)經(jing)濟(ji)實(shi)用(yong)的(de)車(che)載(zai)逆(ni)變(bian)器(qi)就(jiu)成(cheng)為(wei)一(yi)種(zhong)需(xu)求(qiu)。我(wo)們(men)采(cai)用(yong)集(ji)成(cheng)脈(mai)寬(kuan)調(tiao)製(zhi)芯(xin)片(pian)SG3525A為主控芯片,以CD4020B計數器及與非門電路構成分頻分相電路並配以保護電路,實現了逆變器的脈寬調製。其在逆變電源工作時的持續輸出功率為100W,並具有輸出過流保護及輸入欠壓保護等功能,可實現電源逆變、電壓穩定、欠壓保護及過流保護等功能。
係統基本原理
本逆變器輸入端為汽車蓄電池(+12V,4.5Ah),輸出端為工頻方波電壓(50Hz,220V)。其係統主電路和控製電路框圖如圖1所示,采用了典型的二級變換,即DC/DC變換和DC/AC逆變。12V直流電壓通過推挽式變換逆變為高頻方波,經高頻升壓變壓器升壓,再整流濾波得到一個穩定的約320V直流電壓;然後再由橋式變換以方波逆變的方式,將穩定的直流電壓逆變成有效值稍大於220V的方波電壓,以驅動負載。為保證係統的可靠運行,分別采集了DC高壓側電壓信號、電流信號及蓄電池電壓信號,送入SG3525A,通過調整驅動脈衝的占空比或關斷脈衝來實現電壓調節、過流保護及欠壓保護等功能。

圖1係統主電路和控製電路框圖
主要技術參數
輸入電壓:DC12V;
輸出電壓:AC220V±5%,50Hz±2%;
額定功率:100W;
保護功能:輸入直流極性接反保護,輸入欠壓保護,輸出過流保護。
電路設計
1主控芯片SG3525A
SG3525A是ST公司生產的脈衝寬度調製器控製集成電路,具有集成基準電壓,振蕩器同步,軟啟動時間控製,輸入欠電壓鎖定等功能。SG3525A的引腳如圖2所示。

圖2SG3525A引腳分布
振蕩頻率的確定:振蕩頻率由三個外部元件RT、CT和RD設置,分別接在6、5、7引腳上。振蕩頻率為fOSC=1/CT(0.7RT+3RD),其中,0.7RTCT為定時電容充電時間,3RDCT為定時電容放電時間。為了使分頻分相電路取得50Hz振蕩頻率,本設計設定振蕩頻率為51.2kHz,取CT=2000pF,RT="10k"Ω,RD=922Ω。
輸出脈寬的調整:PWM脈衝寬度由引腳9和引腳8中電平較低的一端控製。芯片內部的誤差放大器U1將電壓反饋信號與基準電壓信號偏差放大後送入比較器U2的反向輸入端,比較器正向輸入端的輸入則來自電容器CT上的鋸齒波,兩者做比較後輸出方波脈衝來控製SG3525A內部輸出功放管的占空比(見圖3)。本設計中將8引腳經電容接地,9引腳接DC/DC高壓直流電壓的反饋電壓,由此調整輸出直流電壓的穩定。圖3中,U1為SG3525A中的誤差放大器,1、2、9分別為芯片管腳,R1~R7、C1、C2均為外接電阻電容。SG3525A的16引腳輸出5V參考電壓。電阻R3、R4及U1構成反比例運算器,R4/R3為其靜態放大倍數,其值越大控製精度越高。但放大倍數太大將引起振蕩,因此引入C1和R5使shi誤wu差cha放fang大da器qi成cheng為wei不bu完wan全quan比bi例li積ji分fen控kong製zhi器qi,此ci時shi靜jing態tai誤wu差cha放fang大da倍bei數shu不bu變bian,動dong態tai誤wu差cha放fang大da倍bei數shu減jian小xiao,既ji不bu影ying響xiang控kong製zhi精jing度du,又you避bi免mian過guo衝chong引yin起qi振zhen蕩dang。

圖3輸出直流高壓調節原理圖[page]
脈衝的關斷:當10引腳加上高電平時,實現對輸出脈衝的封鎖。本設計使用該項功能實現輸出過流過壓、輸入欠壓的保護。
2分頻分相電路
由14級串行二進製計數/分配器CD4020B構成分頻電路,分頻信號來自SG3525A的振蕩器輸出端引腳4。圖4中的A、B、C分別代表振蕩器脈衝經8、9、10級分頻後的波形,其頻率分別為fA=fOSC/28,fB="fOSC/29",fC="fOSC/210"。分相電路由單片兩輸入端四與非門CD4011BC及外圍器件組成,將信號ABC邏輯組合成逆變橋所需要的驅動脈衝(A+B)C與(A+B)C信號。該驅動信號具有共同死區,信號頻率約為50Hz。

圖4分頻分相波形圖
3保護電路
①輸入欠壓保護
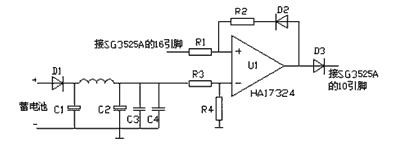
如圖5所示,D1為蓄電池極性反接保護。SG3525A的引腳16輸出參考電壓5V,取R3=R4=10kΩ。在正常情況下,U1的反相輸入端電壓大於正向輸入端電壓,U1輸出低電平,二極管D1、D2截止。當蓄電池電壓低於10V時,比較器U1開始工作,輸出由低電平變為高電平,D2、D3導通,並把同相輸入端電位提升為高電平,使得U1一直穩定輸出高電平,向SG3525A的引腳10輸出關斷信號。

圖5輸入欠壓保護電路
②輸出電流過載保護
如圖6所示,運放U2及外圍電阻構成反比例放大器,運放U3及外圍電路構成比較器。圖1中的R3為取樣電阻,取2.2Ω,2W。當負載電流增大時,該電阻的壓降△U增大。

圖6輸出電流過載保護電路
運放U3正向輸入端輸入電壓為:U+=(1+R2/R1)×(R3/R4)×△U
合理的調整R1、R2、R3、R4的取值,使得當負載電流超過1.5A後,U3的正向輸入端電位高於反向輸入端,輸出高電位,二極管D2、D3導通,並把同相輸入端電位提升為高電平,使得U1一直穩定輸出高電平,向SG3525A的10引腳輸出關斷信號。
散熱設計
為了進一步減小體積,減輕重量,采取了利用外殼(機殼)散熱致冷辦法,既解決了散熱,又使整機體積變小,重量減輕。
逆變器試驗輸出波形
DC/DC變換輸出電壓穩定在320V,逆變橋開關頻率為50Hz,接500Ω電阻負載。實驗的電路波形如圖7所示。

圖7試驗電路輸出波形
本文設計的車載逆變電源電路主要采用集成化芯片,使得電路結構簡單、性能穩定、成本較低。經實際應用證明,該逆變電源工作穩定可靠,能夠持續輸出功率100W。
- 車載逆變器的係統基本原理
- 車載逆變器的電路設計
- 車載逆變器的保護措施
- 采用分頻分相電路
- 采用輸入欠壓保護電路
- 采用輸出電流過載保護電路
- 利用外殼(機殼)散熱致冷
隨(sui)著(zhe)經(jing)濟(ji)水(shui)平(ping)的(de)提(ti)高(gao),汽(qi)車(che)正(zheng)逐(zhu)漸(jian)成(cheng)為(wei)人(ren)們(men)的(de)日(ri)常(chang)交(jiao)通(tong)工(gong)具(ju)。然(ran)而(er),人(ren)們(men)隨(sui)身(shen)攜(xie)帶(dai)的(de)電(dian)子(zi)產(chan)品(pin),比(bi)如(ru)手(shou)機(ji),卻(que)不(bu)能(neng)使(shi)用(yong)汽(qi)車(che)上(shang)的(de)電(dian)源(yuan)。因(yin)此(ci),開(kai)發(fa)一(yi)款(kuan)經(jing)濟(ji)實(shi)用(yong)的(de)車(che)載(zai)逆(ni)變(bian)器(qi)就(jiu)成(cheng)為(wei)一(yi)種(zhong)需(xu)求(qiu)。我(wo)們(men)采(cai)用(yong)集(ji)成(cheng)脈(mai)寬(kuan)調(tiao)製(zhi)芯(xin)片(pian)SG3525A為主控芯片,以CD4020B計數器及與非門電路構成分頻分相電路並配以保護電路,實現了逆變器的脈寬調製。其在逆變電源工作時的持續輸出功率為100W,並具有輸出過流保護及輸入欠壓保護等功能,可實現電源逆變、電壓穩定、欠壓保護及過流保護等功能。
係統基本原理
本逆變器輸入端為汽車蓄電池(+12V,4.5Ah),輸出端為工頻方波電壓(50Hz,220V)。其係統主電路和控製電路框圖如圖1所示,采用了典型的二級變換,即DC/DC變換和DC/AC逆變。12V直流電壓通過推挽式變換逆變為高頻方波,經高頻升壓變壓器升壓,再整流濾波得到一個穩定的約320V直流電壓;然後再由橋式變換以方波逆變的方式,將穩定的直流電壓逆變成有效值稍大於220V的方波電壓,以驅動負載。為保證係統的可靠運行,分別采集了DC高壓側電壓信號、電流信號及蓄電池電壓信號,送入SG3525A,通過調整驅動脈衝的占空比或關斷脈衝來實現電壓調節、過流保護及欠壓保護等功能。

圖1係統主電路和控製電路框圖
主要技術參數
輸入電壓:DC12V;
輸出電壓:AC220V±5%,50Hz±2%;
額定功率:100W;
保護功能:輸入直流極性接反保護,輸入欠壓保護,輸出過流保護。
電路設計
1主控芯片SG3525A
SG3525A是ST公司生產的脈衝寬度調製器控製集成電路,具有集成基準電壓,振蕩器同步,軟啟動時間控製,輸入欠電壓鎖定等功能。SG3525A的引腳如圖2所示。

圖2SG3525A引腳分布
振蕩頻率的確定:振蕩頻率由三個外部元件RT、CT和RD設置,分別接在6、5、7引腳上。振蕩頻率為fOSC=1/CT(0.7RT+3RD),其中,0.7RTCT為定時電容充電時間,3RDCT為定時電容放電時間。為了使分頻分相電路取得50Hz振蕩頻率,本設計設定振蕩頻率為51.2kHz,取CT=2000pF,RT="10k"Ω,RD=922Ω。
輸出脈寬的調整:PWM脈衝寬度由引腳9和引腳8中電平較低的一端控製。芯片內部的誤差放大器U1將電壓反饋信號與基準電壓信號偏差放大後送入比較器U2的反向輸入端,比較器正向輸入端的輸入則來自電容器CT上的鋸齒波,兩者做比較後輸出方波脈衝來控製SG3525A內部輸出功放管的占空比(見圖3)。本設計中將8引腳經電容接地,9引腳接DC/DC高壓直流電壓的反饋電壓,由此調整輸出直流電壓的穩定。圖3中,U1為SG3525A中的誤差放大器,1、2、9分別為芯片管腳,R1~R7、C1、C2均為外接電阻電容。SG3525A的16引腳輸出5V參考電壓。電阻R3、R4及U1構成反比例運算器,R4/R3為其靜態放大倍數,其值越大控製精度越高。但放大倍數太大將引起振蕩,因此引入C1和R5使shi誤wu差cha放fang大da器qi成cheng為wei不bu完wan全quan比bi例li積ji分fen控kong製zhi器qi,此ci時shi靜jing態tai誤wu差cha放fang大da倍bei數shu不bu變bian,動dong態tai誤wu差cha放fang大da倍bei數shu減jian小xiao,既ji不bu影ying響xiang控kong製zhi精jing度du,又you避bi免mian過guo衝chong引yin起qi振zhen蕩dang。

圖3輸出直流高壓調節原理圖[page]
脈衝的關斷:當10引腳加上高電平時,實現對輸出脈衝的封鎖。本設計使用該項功能實現輸出過流過壓、輸入欠壓的保護。
2分頻分相電路
由14級串行二進製計數/分配器CD4020B構成分頻電路,分頻信號來自SG3525A的振蕩器輸出端引腳4。圖4中的A、B、C分別代表振蕩器脈衝經8、9、10級分頻後的波形,其頻率分別為fA=fOSC/28,fB="fOSC/29",fC="fOSC/210"。分相電路由單片兩輸入端四與非門CD4011BC及外圍器件組成,將信號ABC邏輯組合成逆變橋所需要的驅動脈衝(A+B)C與(A+B)C信號。該驅動信號具有共同死區,信號頻率約為50Hz。

圖4分頻分相波形圖
3保護電路
①輸入欠壓保護
如圖5所示,D1為蓄電池極性反接保護。SG3525A的引腳16輸出參考電壓5V,取R3=R4=10kΩ。在正常情況下,U1的反相輸入端電壓大於正向輸入端電壓,U1輸出低電平,二極管D1、D2截止。當蓄電池電壓低於10V時,比較器U1開始工作,輸出由低電平變為高電平,D2、D3導通,並把同相輸入端電位提升為高電平,使得U1一直穩定輸出高電平,向SG3525A的引腳10輸出關斷信號。

圖5輸入欠壓保護電路
②輸出電流過載保護
如圖6所示,運放U2及外圍電阻構成反比例放大器,運放U3及外圍電路構成比較器。圖1中的R3為取樣電阻,取2.2Ω,2W。當負載電流增大時,該電阻的壓降△U增大。

圖6輸出電流過載保護電路
運放U3正向輸入端輸入電壓為:U+=(1+R2/R1)×(R3/R4)×△U
合理的調整R1、R2、R3、R4的取值,使得當負載電流超過1.5A後,U3的正向輸入端電位高於反向輸入端,輸出高電位,二極管D2、D3導通,並把同相輸入端電位提升為高電平,使得U1一直穩定輸出高電平,向SG3525A的10引腳輸出關斷信號。
散熱設計
為了進一步減小體積,減輕重量,采取了利用外殼(機殼)散熱致冷辦法,既解決了散熱,又使整機體積變小,重量減輕。
逆變器試驗輸出波形
DC/DC變換輸出電壓穩定在320V,逆變橋開關頻率為50Hz,接500Ω電阻負載。實驗的電路波形如圖7所示。

圖7試驗電路輸出波形
本文設計的車載逆變電源電路主要采用集成化芯片,使得電路結構簡單、性能穩定、成本較低。經實際應用證明,該逆變電源工作穩定可靠,能夠持續輸出功率100W。
特別推薦
- 噪聲中提取真值!瑞盟科技推出MSA2240電流檢測芯片賦能多元高端測量場景
- 10MHz高頻運行!氮矽科技發布集成驅動GaN芯片,助力電源能效再攀新高
- 失真度僅0.002%!力芯微推出超低內阻、超低失真4PST模擬開關
- 一“芯”雙電!聖邦微電子發布雙輸出電源芯片,簡化AFE與音頻設計
- 一機適配萬端:金升陽推出1200W可編程電源,賦能高端裝備製造
技術文章更多>>
- 貿澤EIT係列新一期,探索AI如何重塑日常科技與用戶體驗
- 算力爆發遇上電源革新,大聯大世平集團攜手晶豐明源線上研討會解鎖應用落地
- 創新不止,創芯不已:第六屆ICDIA創芯展8月南京盛大啟幕!
- AI時代,為什麼存儲基礎設施的可靠性決定數據中心的經濟效益
- 矽典微ONELAB開發係列:為毫米波算法開發者打造的全棧工具鏈
技術白皮書下載更多>>
- 車規與基於V2X的車輛協同主動避撞技術展望
- 數字隔離助力新能源汽車安全隔離的新挑戰
- 汽車模塊拋負載的解決方案
- 車用連接器的安全創新應用
- Melexis Actuators Business Unit
- Position / Current Sensors - Triaxis Hall
熱門搜索
Future
GFIVE
GPS
GPU
Harting
HDMI
HDMI連接器
HD監控
HID燈
I/O處理器
IC
IC插座
IDT
IGBT
in-cell
Intersil
IP監控
iWatt
Keithley
Kemet
Knowles
Lattice
LCD
LCD模組
LCR測試儀
lc振蕩器
Lecroy
LED
LED保護元件
LED背光



