交流供電低電流LED照明中的CCR驅動器應用設計過程
發布時間:2010-06-28 來源:安森美半導體
設計LED驅動方案,如果電流大於500 mA,通常使用開關穩壓器來驅動LED;若電流介於200 mA至500 mA之間,既可以采用開關穩壓器,也可以采用線性穩壓器;若電流低於200 mA,則可以采用線性穩壓器,或分立器件方案,如電阻驅動電路。
就低於200 mA的低電流LEDzhaomingyingyongdequdongfanganeryan,xianxingwenyaqihuodianzuqudongdianlugeyouqiyoulieshi。liru,xianxingwenyaqijiegoubijiaojiandan,yiyusheji,tigongwenliujiguoliubaohu,juyouwaibudianliushedingdian,qiemeiyoudiancijianrongxing(EMC)問題,但功率耗散和成本較高,而能效較低。電阻型驅動器利用電阻這樣的簡單分立器件來限製LED串電流,是最本最低的LED驅動方案,同樣易於設計,且沒有EMC問題,但這種方案的突出問題是輸入電壓變化時電流隨之變化,從而引起亮度變化,不能保持恒定亮度。
從客戶需求角度出發,市場上許多客戶需要比線性穩壓器經濟、但在性能上又比電阻驅動電路高出許多的驅動方案。在這種背景下,安森美半導體運用正待批專利的自偏置晶體管(SBT)技術,結合自身超強的工藝控製能力,推出一種新的LED驅動方案——NSI45係列雙端線性恒流穩壓器(CCR)。
CCR的特性及應用優勢
安森美半導體的CCR可以表征為可變電阻。隨著CCR兩端電壓上升,內部阻抗也上升,從而維持接近穩流電流(Ireg)規格的電流。CCR還有負溫度係數,故在CCR耗散功率(溫度上升)時,內部阻抗增加,使電流減小。

圖1:CCR結合電阻型驅動器與線性穩壓器所長。
與電阻型驅動方案相比,安森美半導體的NSI45係列CCR具有突出的優勢,例如交流電壓增加時仍保持恒流、達到LED閾值電壓後LED導通無延遲、低電壓時LED保持明亮,以及保持LED免受電壓浪湧影響等。此外,得益於CCR的恒流特性, 客戶可以減少或消除源自不同供應商提供的不同LED的額外成本,降低係統總成本。
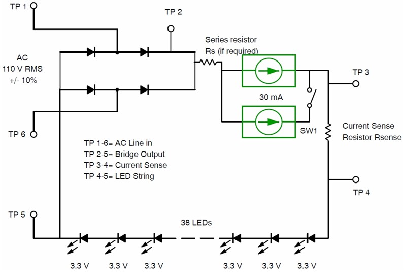
在各種低電流應用中,諸如裝飾照明、工作燈、室外照明、景觀照明、櫃台照明和LED平板照明等建築物和通用照明中,也可以直接采用交流電源供電。交流市電輸入經過橋式整流後,隻需要保證輸入電壓減去LED串總電壓後所剩下的電壓不超過CCR的最大陽極至陰極電壓(VAK)即可,顯示CCR非常易於用於設計。典型電路圖參見圖2。

圖2:基本LED交流應用原理圖。
CCR應用設計示例[page]
我們既可以采用CCR來開啟新的設計,也可以采用CCR來修改既有設計。本文將主要以新設計為例,探討采用SOT-223封裝的CCR器件在110 Vac及220 Vac均方根(RMS)輸入條件下在交流照明中的應用,簡述其設計過程。由於全波橋整流的脈衝工作,穩態電流為30 mA的CCR在交流應用中的均方根電流為22 mA。CCR在交流電路中的工作電壓範圍為1.8 V至45 V。LED導通時間取決於LED串的正向壓降(VF)。本應用的參考電路中,CCR導通時間約是峰值電壓導通時間的一半。因此,約有50%的時間內LED處於導通狀態。因此,LED均方根電流是穩流電流的約50%。
我們需要根據設計參數選定LED數量。設計參數是110 Vac RMS,±10%,HB LED (20 mA電流時VF為3.3 V)。先針對Vin=+10%(最大值)展開分析。
最大輸入電壓Vin (max)=110 V rms +10% = 120 V rms
整流峰值電壓Vpeak=120 V rms x 1.414 =170 V
LED串總正向壓降=170 V(peak Vin)-45 V(Vak max)=125 V (LED串VF )
故LED數量為:125 V/3.3 V=38 LED
再針對先針對Vin=-10%(最小值)展開分析。
測試最小輸入電壓Vin (min)=110 Vrms-10%=100 Vrms
整流峰值電壓Vpeak=100 Vrmsx1.414=141 V
CCR陽極至陰極電壓Vak=141 V-125 V=16 V
Vak範圍將隨著LED串中LED數量的變化而變化。另增3顆LED將使Vak範圍設定為6 V到35 V。增加的HB LED提供更高的流明輸出並減少CCR散熱。

圖3:CCR用於直接交流供電LED照明應用的電路圖。
交流均方根電壓經過全波整流後轉換為頻率為120 Hz的直流脈衝動。當這電壓超過LED串與橋整流器正向壓降之和時,CCR導通,控製電流,並將LED與峰值整流電壓隔離開來。
根據圖3,CCR的功率耗散計算公式如下:
P=(Vak rms)x(IREG*占空比)=(120 Vbr rms-(38x3.3 V LEDx0.707))x(30 mAx50%)
=31 V rms x 15 mA=465 mW
帶麵積100平方毫米、重量1盎司的銅散熱片的SOT-223封裝工作溫度可達85℃。我們采用示波器測試了110 V±10%交流RMS輸入條件下38顆串聯LED應用電路板,穩流電流以100 Ω、精度1%的感測電阻來測量,相關跡線圖詳見參考設計方案(雙端線性恒流穩壓器CCR在交流供電低電流LED照明中的應用)。值得一提的是,CCR也可以並聯工作,從而增加提供給電路的穩流電流。當然,CCR電流越大,電路的功率耗散也隨之增加。
上述設計探討的是110 Vac設計條件。當然,CCR同樣也可以用於220 Vac設計,所要做的就是增加LED數量。LED數量的計算過程參照上述計算進行。
除了在新設計中使用CCR,也可以在既有設計中使用CCR,同樣非常簡單。我們假定這既有設計使用24顆LED(22 mA電流時VF為3.3 V),其它參數相同,即110 Vac RMS,±10%。為了將CCR保持在其工作電壓限製範圍(最大VAK為45 V)以內,我們需要在電路中增加一顆串聯降壓電阻(Rs),並計算其阻值。
同樣,最大輸入電壓為120 V rms,整流峰值電壓為170 V,而LED串正向壓降為24x3.3 V= 79.2 V。因此,串聯降壓電阻所要求的電壓降可用下述公式計算:
Vdrop, RS=Vpeak-(VF LEDs PK+VAK CCR pk+VRsense pk)
=170 V-(79.2 V+45 V+4V)=41.8 V
CCR峰值電流為34 mA;因此,Rs=41.8 V/0.034 A=1229 Ω。實際測試電路選擇的是1200 Ω的Rs。因此,功率耗散為VxI=1.42 W pk或1.0 W RMS。
使用1200 Ω串聯降壓電阻來在最小輸入電壓條件下測試。這時整流峰值電壓為100 Vrms x 1.414=142 V,故CCR Vak為141 V-(79.2 + 41.8 +4) =16 V,同樣保持在工作電壓限製範圍以內。
總結:
在建築物及通用照明等可以采用交流供電的低電流LED照明應用中,安森美半導體的NSI45係列雙端線性恒流穩壓器與普通線性穩壓器相比成本更低,但性能上又比常見的電阻驅動電路方案高出許多,是一種高性價比及可靠的LED驅動方案,且設計過程非常簡單,既可用於新設計,也可非常方便地用於修改既有設計。
您可能感興趣的文章:
- 噪聲中提取真值!瑞盟科技推出MSA2240電流檢測芯片賦能多元高端測量場景
- 10MHz高頻運行!氮矽科技發布集成驅動GaN芯片,助力電源能效再攀新高
- 失真度僅0.002%!力芯微推出超低內阻、超低失真4PST模擬開關
- 一“芯”雙電!聖邦微電子發布雙輸出電源芯片,簡化AFE與音頻設計
- 一機適配萬端:金升陽推出1200W可編程電源,賦能高端裝備製造
- 邊緣AI的發展為更智能、更可持續的技術鋪平道路
- 每台智能體PC,都是AI時代的新入口
- IAR作為Qt Group獨立BU攜兩項重磅汽車電子應用開發方案首秀北京車展
- 構建具有網絡彈性的嵌入式係統:來自行業領袖的洞見
- 數字化的線性穩壓器
- 車規與基於V2X的車輛協同主動避撞技術展望
- 數字隔離助力新能源汽車安全隔離的新挑戰
- 汽車模塊拋負載的解決方案
- 車用連接器的安全創新應用
- Melexis Actuators Business Unit
- Position / Current Sensors - Triaxis Hall





