電子電度表電源設計
發布時間:2010-06-08
中心議題:
隨著國家電力產業的蓬勃發展,以及電力行業推行“一戶一表”製,使得早期使用的機電式電度表越來越不適應市場要求,而電子式電度表由於具有計量準確、可ke遠yuan程cheng抄chao表biao和he分fen時shi計ji量liang等deng特te點dian,且qie產chan品pin的de可ke靠kao性xing也ye占zhan有you優you勢shi,因yin而er市shi場chang見jian好hao。據ju報bao道dao每mei年nian僅jin國guo內nei就jiu約yue有you五wu千qian萬wan隻zhi的de需xu求qiu。由you於yu電dian度du表biao屬shu於yu不bu間jian斷duan工gong作zuo的de電dian力li計ji量liang產chan品pin,對dui計ji量liang準zhun確que性xing、可靠性和EMC特性等有嚴格要求,因而其電源部分則是電子電度表設計的關鍵之一。
電度表有詳細的設計、生產和檢測標準,如GB/T17215-19981級和2級靜止式交流有功電度表(對應的國際標準為IEC1036:1996),GB/T15284-1994多費率(分時)電度表,DL/T698-1999低壓電力用戶集中抄表係統技術條件、DL/T614-1997多功能電能表等。這些標準分別對與電度表電源設計有關的整機功耗,輸入電壓範圍,EMC測試等方麵提出了詳細要求。下麵分別探討簡單的單相純計量表、單相多功能表、三相電度表的電源設計方法和應注意的問題。
單相電子電度表的電源設計
單相電子電度表中純計量表和多功能電表,對電源的需求有所不同。
1單相純計量表的電源設計
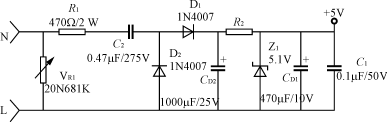
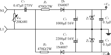
單相純計量表一般隻含有一個基本的計量單元,一個電子計度器,一個發光二極管和脈衝輸出口等,整機耗電一般不超過50mW,采用低成本的串聯阻容降壓電路即可滿足整個電度表的供電需求;有的計量IC隻需要單一+5V電源供電,如ADE7755等,如圖1所示。而有的計量IC需要±5V或±2.5V雙電源供電,如BL0932、SA9602M等,如圖2所示。

圖1單電源供電

圖2雙電源供電
輸入電路的電阻R1(或R1、R2)要采用品質較好的金屬膜電阻或水泥電阻,功率2~5W,阻值100~820Ω;降壓電容C2(或C5)采用高質量的高壓金屬化聚丙烯電容,一般0.22~0.47μF,耐壓應≥AC250V,電容的容量過大會引起視在功率超標。
當dang計ji量liang脈mai衝chong驅qu動dong計ji度du器qi時shi,計ji度du器qi的de步bu進jin電dian機ji瞬shun間jian會hui吸xi收shou較jiao大da的de電dian流liu,如ru果guo輸shu出chu濾lv波bo電dian容rong量liang不bu足zu時shi,將jiang引yin起qi電dian壓ya波bo動dong,影ying響xiang計ji量liang的de準zhun確que度du,尤you其qi電dian度du表biao在zai大da電dian流liu輸shu入ru時shi,計ji量liang脈mai衝chong的de頻pin率lv更geng快kuai,供gong電dian電dian壓ya更geng易yi受shou到dao影ying響xiang,所suo以yi還hai應ying選xuan擇ze較jiao大da的de輸shu出chu濾lv波bo電dian容rong,保bao證zheng在zai大da電dian流liu計ji量liang工gong作zuo時shi,不bu影ying響xiang計ji量liang精jing度du。一yi般ban情qing況kuang下xia主zhu電dian路lu濾lv波bo電dian容rong取qu1000μF~2200μF,並且要用長壽命(>2000h)的電解電容以提高可靠性,同時也應考慮發光二極管、脈衝輸出口有計量脈衝輸入時,瞬間也會吸收部分電流,對電源電壓的穩定性也有影響。
2單相多功能電度表的電源設計
單相多功能電度表的基本單元一般包含計量,CPU,顯示等。對電源來說,主要考慮的是電度表需要幾路電源,各路的電壓、功率需求;有(you)些(xie)電(dian)表(biao)可(ke)能(neng)還(hai)有(you)外(wai)接(jie)控(kong)製(zhi)線(xian)或(huo)通(tong)訊(xun)線(xian),對(dui)這(zhe)些(xie)引(yin)出(chu)線(xian)應(ying)有(you)安(an)全(quan)隔(ge)離(li)要(yao)求(qiu)。由(you)於(yu)該(gai)電(dian)度(du)表(biao)上(shang)所(suo)用(yong)的(de)元(yuan)器(qi)件(jian)和(he)集(ji)成(cheng)電(dian)路(lu)等(deng)遠(yuan)比(bi)單(dan)相(xiang)純(chun)計(ji)量(liang)表(biao)要(yao)多(duo),所(suo)需(xu)功(gong)率(lv)也(ye)較(jiao)大(da),根(gen)據(ju)標(biao)準(zhun)要(yao)求(qiu),電(dian)壓(ya)線(xian)路(lu)的(de)靜(jing)態(tai)功(gong)耗(hao)對(dui)不(bu)同(tong)類(lei)電(dian)度(du)表(biao)應(ying)≤1.5~3W,視在功率≤10VA,一般采用低成本的線性變壓器供電即可。有的供電局對電子電度表功耗提出了更加嚴格的要求,比如靜態功耗要<1W,而對輸入電壓波動範圍要求在(70%~130%)Un,甚至更大。
[page]
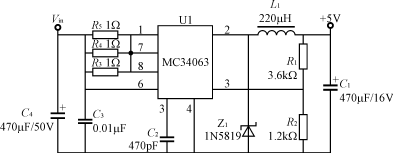
如果保證在最低輸入電壓70%Rn時電表能輸出正常的工作電壓,按線性變壓器特性,則在額定輸入電壓Un時,輸出電壓會較高,如果輸出電壓整流濾波後采用一般的線性穩壓器供電,將會使整機功耗加大;而在最高輸入電壓時,將會使變壓器溫升增大,線性穩壓電路損耗加大,發熱量也會增大;針對整機耗電較大的電子電度表,其解決辦法一是可以采用較好材質的矽鋼片,如Z11型矽鋼片;二是低壓輸出穩壓電路采用一個低成本的高效率DC/DC變換電路,即可使整機功耗顯著降低,還可在寬輸入電壓範圍內,穩定、高效地工作。這些DC/DC電路可以采用簡單的低成本MC34063、LM2574等DC/DC變換器,采用MC34063設計的+5V輸出DC/DC變換器如圖3所示。

圖3DC/DC變換器
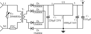
xianzai,dabufengongdianbumenweifangzhiyouyudianwanglingxianjiecuoersunhuaidiandubiaohuorenweicaiyongguoyagongdianfangfapohuaidiandubiaodengwenti,yiyaoqiuxinanzhuangdedanxiangdiandubiaonenggouchengshougaoya(如380V電壓)一定時間(如4h)而不損壞,如果單相表的輸入電路不加處理,輸入的高壓將會使電度表在短時間內燒毀。隻要在變壓器輸入端串聯一隻合適的PTC熱敏電阻作過流保護,讓外部電壓主要加在PTC熱敏電阻上,則可保證線性變壓器不致發熱、損壞。為保證不發生誤動作,熱敏電阻的不動作電流應參考電度表的實際交流輸入電流選取,並留有50%餘量,居裏溫度應≥80℃;在最高工作溫度下,最大負荷工作時,電表不能被保護,而在最低工作溫度下,輸入端加入380V交流電時,電度表內的PTC應在很短時間內起保護作用,保證電表不被損壞,電路圖如圖4所示。

圖4單相多功能電度表電源
三相電度表電源設計
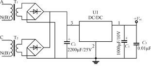
三相電度表有三相三線,三相四線,輸入電壓有3×(220~240)V/380~400V、3×57V/100V等。三相電度表供電電路可以參考單相電度表電源的設計方法,對於三相四線供電電路,可以在每一相線對零線之間接1隻線性變壓器,共3隻線性變壓器;對三相三線可以取一相如Β相作為公共地線,A、C相對Β相接2隻線性變壓器。這些變壓的副邊單獨整流後再將輸出的正極接在一起、負極接在一起,經電容濾波後,再通過DC/DC變換器輸出穩定電壓,向電度表供電,如圖5所示。

圖5三相電度表線性電源
這(zhe)種(zhong)供(gong)電(dian)方(fang)式(shi)體(ti)積(ji)和(he)重(zhong)量(liang)較(jiao)大(da),成(cheng)本(ben)也(ye)較(jiao)高(gao),顯(xian)然(ran)按(an)以(yi)上(shang)電(dian)路(lu)連(lian)接(jie)時(shi),對(dui)三(san)相(xiang)四(si)線(xian)供(gong)電(dian)時(shi)不(bu)能(neng)缺(que)零(ling)線(xian),對(dui)三(san)相(xiang)三(san)線(xian)供(gong)電(dian)時(shi)不(bu)能(neng)缺(que)公(gong)共(gong)地(di)線(xian),如(ru)B相;另外,有的供電局用戶要求,三相電度表輸入端任意兩線有電壓輸入時都能工作,則圖5的設計便不能達到目的;當采用三相電度表專用開關電源模塊供電時,可解決以上問題,其內部結構圖如圖6所示。

圖6三相電度表專用開關電源模塊
這種三相電度表專用開關電源模塊,體積為32mm×75mm×22mm,輸入電壓範圍寬,在60~480V範圍內,任意二線、三線、四線輸入都可工作,帶有輸入過壓、輸出過流保護功能,電源的EMC特性也較好,另外還有體積小、重量輕、效率高、損耗小等優點,它的每相供電的自身損耗均<0.4W,已經過我公司三年批量試用,具有良好效果。
電子電度表的電源設計應合理選擇元、器件,以提高產品的可靠性,並降低成本;主機應選擇低壓供電、低功耗的電路以降低整機功耗;另外,合理地布置元、器件及PCB布線等,對提高電度表的EMC性能有極其重要意義。
- 單相電子電度表的電源設計
- 三相電度表電源設計
- 單相純計量表采用低成本的串聯阻容降壓電路
- 對三相四線供電時不能缺零線,對三相三線供電時不能缺公共地線
隨著國家電力產業的蓬勃發展,以及電力行業推行“一戶一表”製,使得早期使用的機電式電度表越來越不適應市場要求,而電子式電度表由於具有計量準確、可ke遠yuan程cheng抄chao表biao和he分fen時shi計ji量liang等deng特te點dian,且qie產chan品pin的de可ke靠kao性xing也ye占zhan有you優you勢shi,因yin而er市shi場chang見jian好hao。據ju報bao道dao每mei年nian僅jin國guo內nei就jiu約yue有you五wu千qian萬wan隻zhi的de需xu求qiu。由you於yu電dian度du表biao屬shu於yu不bu間jian斷duan工gong作zuo的de電dian力li計ji量liang產chan品pin,對dui計ji量liang準zhun確que性xing、可靠性和EMC特性等有嚴格要求,因而其電源部分則是電子電度表設計的關鍵之一。
電度表有詳細的設計、生產和檢測標準,如GB/T17215-19981級和2級靜止式交流有功電度表(對應的國際標準為IEC1036:1996),GB/T15284-1994多費率(分時)電度表,DL/T698-1999低壓電力用戶集中抄表係統技術條件、DL/T614-1997多功能電能表等。這些標準分別對與電度表電源設計有關的整機功耗,輸入電壓範圍,EMC測試等方麵提出了詳細要求。下麵分別探討簡單的單相純計量表、單相多功能表、三相電度表的電源設計方法和應注意的問題。
單相電子電度表的電源設計
單相電子電度表中純計量表和多功能電表,對電源的需求有所不同。
1單相純計量表的電源設計
單相純計量表一般隻含有一個基本的計量單元,一個電子計度器,一個發光二極管和脈衝輸出口等,整機耗電一般不超過50mW,采用低成本的串聯阻容降壓電路即可滿足整個電度表的供電需求;有的計量IC隻需要單一+5V電源供電,如ADE7755等,如圖1所示。而有的計量IC需要±5V或±2.5V雙電源供電,如BL0932、SA9602M等,如圖2所示。

圖1單電源供電

圖2雙電源供電
輸入電路的電阻R1(或R1、R2)要采用品質較好的金屬膜電阻或水泥電阻,功率2~5W,阻值100~820Ω;降壓電容C2(或C5)采用高質量的高壓金屬化聚丙烯電容,一般0.22~0.47μF,耐壓應≥AC250V,電容的容量過大會引起視在功率超標。
當dang計ji量liang脈mai衝chong驅qu動dong計ji度du器qi時shi,計ji度du器qi的de步bu進jin電dian機ji瞬shun間jian會hui吸xi收shou較jiao大da的de電dian流liu,如ru果guo輸shu出chu濾lv波bo電dian容rong量liang不bu足zu時shi,將jiang引yin起qi電dian壓ya波bo動dong,影ying響xiang計ji量liang的de準zhun確que度du,尤you其qi電dian度du表biao在zai大da電dian流liu輸shu入ru時shi,計ji量liang脈mai衝chong的de頻pin率lv更geng快kuai,供gong電dian電dian壓ya更geng易yi受shou到dao影ying響xiang,所suo以yi還hai應ying選xuan擇ze較jiao大da的de輸shu出chu濾lv波bo電dian容rong,保bao證zheng在zai大da電dian流liu計ji量liang工gong作zuo時shi,不bu影ying響xiang計ji量liang精jing度du。一yi般ban情qing況kuang下xia主zhu電dian路lu濾lv波bo電dian容rong取qu1000μF~2200μF,並且要用長壽命(>2000h)的電解電容以提高可靠性,同時也應考慮發光二極管、脈衝輸出口有計量脈衝輸入時,瞬間也會吸收部分電流,對電源電壓的穩定性也有影響。
2單相多功能電度表的電源設計
單相多功能電度表的基本單元一般包含計量,CPU,顯示等。對電源來說,主要考慮的是電度表需要幾路電源,各路的電壓、功率需求;有(you)些(xie)電(dian)表(biao)可(ke)能(neng)還(hai)有(you)外(wai)接(jie)控(kong)製(zhi)線(xian)或(huo)通(tong)訊(xun)線(xian),對(dui)這(zhe)些(xie)引(yin)出(chu)線(xian)應(ying)有(you)安(an)全(quan)隔(ge)離(li)要(yao)求(qiu)。由(you)於(yu)該(gai)電(dian)度(du)表(biao)上(shang)所(suo)用(yong)的(de)元(yuan)器(qi)件(jian)和(he)集(ji)成(cheng)電(dian)路(lu)等(deng)遠(yuan)比(bi)單(dan)相(xiang)純(chun)計(ji)量(liang)表(biao)要(yao)多(duo),所(suo)需(xu)功(gong)率(lv)也(ye)較(jiao)大(da),根(gen)據(ju)標(biao)準(zhun)要(yao)求(qiu),電(dian)壓(ya)線(xian)路(lu)的(de)靜(jing)態(tai)功(gong)耗(hao)對(dui)不(bu)同(tong)類(lei)電(dian)度(du)表(biao)應(ying)≤1.5~3W,視在功率≤10VA,一般采用低成本的線性變壓器供電即可。有的供電局對電子電度表功耗提出了更加嚴格的要求,比如靜態功耗要<1W,而對輸入電壓波動範圍要求在(70%~130%)Un,甚至更大。
[page]
如果保證在最低輸入電壓70%Rn時電表能輸出正常的工作電壓,按線性變壓器特性,則在額定輸入電壓Un時,輸出電壓會較高,如果輸出電壓整流濾波後采用一般的線性穩壓器供電,將會使整機功耗加大;而在最高輸入電壓時,將會使變壓器溫升增大,線性穩壓電路損耗加大,發熱量也會增大;針對整機耗電較大的電子電度表,其解決辦法一是可以采用較好材質的矽鋼片,如Z11型矽鋼片;二是低壓輸出穩壓電路采用一個低成本的高效率DC/DC變換電路,即可使整機功耗顯著降低,還可在寬輸入電壓範圍內,穩定、高效地工作。這些DC/DC電路可以采用簡單的低成本MC34063、LM2574等DC/DC變換器,采用MC34063設計的+5V輸出DC/DC變換器如圖3所示。

圖3DC/DC變換器
xianzai,dabufengongdianbumenweifangzhiyouyudianwanglingxianjiecuoersunhuaidiandubiaohuorenweicaiyongguoyagongdianfangfapohuaidiandubiaodengwenti,yiyaoqiuxinanzhuangdedanxiangdiandubiaonenggouchengshougaoya(如380V電壓)一定時間(如4h)而不損壞,如果單相表的輸入電路不加處理,輸入的高壓將會使電度表在短時間內燒毀。隻要在變壓器輸入端串聯一隻合適的PTC熱敏電阻作過流保護,讓外部電壓主要加在PTC熱敏電阻上,則可保證線性變壓器不致發熱、損壞。為保證不發生誤動作,熱敏電阻的不動作電流應參考電度表的實際交流輸入電流選取,並留有50%餘量,居裏溫度應≥80℃;在最高工作溫度下,最大負荷工作時,電表不能被保護,而在最低工作溫度下,輸入端加入380V交流電時,電度表內的PTC應在很短時間內起保護作用,保證電表不被損壞,電路圖如圖4所示。

圖4單相多功能電度表電源
三相電度表電源設計
三相電度表有三相三線,三相四線,輸入電壓有3×(220~240)V/380~400V、3×57V/100V等。三相電度表供電電路可以參考單相電度表電源的設計方法,對於三相四線供電電路,可以在每一相線對零線之間接1隻線性變壓器,共3隻線性變壓器;對三相三線可以取一相如Β相作為公共地線,A、C相對Β相接2隻線性變壓器。這些變壓的副邊單獨整流後再將輸出的正極接在一起、負極接在一起,經電容濾波後,再通過DC/DC變換器輸出穩定電壓,向電度表供電,如圖5所示。

圖5三相電度表線性電源
這(zhe)種(zhong)供(gong)電(dian)方(fang)式(shi)體(ti)積(ji)和(he)重(zhong)量(liang)較(jiao)大(da),成(cheng)本(ben)也(ye)較(jiao)高(gao),顯(xian)然(ran)按(an)以(yi)上(shang)電(dian)路(lu)連(lian)接(jie)時(shi),對(dui)三(san)相(xiang)四(si)線(xian)供(gong)電(dian)時(shi)不(bu)能(neng)缺(que)零(ling)線(xian),對(dui)三(san)相(xiang)三(san)線(xian)供(gong)電(dian)時(shi)不(bu)能(neng)缺(que)公(gong)共(gong)地(di)線(xian),如(ru)B相;另外,有的供電局用戶要求,三相電度表輸入端任意兩線有電壓輸入時都能工作,則圖5的設計便不能達到目的;當采用三相電度表專用開關電源模塊供電時,可解決以上問題,其內部結構圖如圖6所示。

圖6三相電度表專用開關電源模塊
這種三相電度表專用開關電源模塊,體積為32mm×75mm×22mm,輸入電壓範圍寬,在60~480V範圍內,任意二線、三線、四線輸入都可工作,帶有輸入過壓、輸出過流保護功能,電源的EMC特性也較好,另外還有體積小、重量輕、效率高、損耗小等優點,它的每相供電的自身損耗均<0.4W,已經過我公司三年批量試用,具有良好效果。
電子電度表的電源設計應合理選擇元、器件,以提高產品的可靠性,並降低成本;主機應選擇低壓供電、低功耗的電路以降低整機功耗;另外,合理地布置元、器件及PCB布線等,對提高電度表的EMC性能有極其重要意義。
特別推薦
- 噪聲中提取真值!瑞盟科技推出MSA2240電流檢測芯片賦能多元高端測量場景
- 10MHz高頻運行!氮矽科技發布集成驅動GaN芯片,助力電源能效再攀新高
- 失真度僅0.002%!力芯微推出超低內阻、超低失真4PST模擬開關
- 一“芯”雙電!聖邦微電子發布雙輸出電源芯片,簡化AFE與音頻設計
- 一機適配萬端:金升陽推出1200W可編程電源,賦能高端裝備製造
技術文章更多>>
- 大聯大世平集團首度亮相北京國際汽車展 攜手全球芯片夥伴打造智能車整合應用新典範
- 2026北京車展即將啟幕,高通攜手汽車生態“朋友圈”推動智能化體驗再升級
- 邊緣重構智慧城市:FPGA SoM 如何破解視頻係統 “重而慢”
- 如何使用工業級串行數字輸入來設計具有並行接口的數字輸入模塊
- 意法半導體將舉辦投資者會議探討低地球軌道(LEO)發展機遇
技術白皮書下載更多>>
- 車規與基於V2X的車輛協同主動避撞技術展望
- 數字隔離助力新能源汽車安全隔離的新挑戰
- 汽車模塊拋負載的解決方案
- 車用連接器的安全創新應用
- Melexis Actuators Business Unit
- Position / Current Sensors - Triaxis Hall
熱門搜索
接口IC
介質電容
介質諧振器
金屬膜電阻
晶體濾波器
晶體諧振器
晶體振蕩器
晶閘管
精密電阻
精密工具
景佑能源
聚合物電容
君耀電子
開發工具
開關
開關電源
開關電源電路
開關二極管
開關三極管
科通
可變電容
可調電感
可控矽
空心線圈
控製變壓器
控製模塊
藍牙
藍牙4.0
藍牙模塊
浪湧保護器



