電機節能控製器的設計
發布時間:2009-11-20
中心議題:
節能原理
電dian機ji的de效xiao率lv是shi電dian機ji輸shu出chu功gong率lv與yu輸shu入ru功gong率lv的de比bi值zhi的de百bai分fen數shu。因yin此ci供gong電dian機ji的de電dian能neng即ji輸shu入ru功gong率lv並bing不bu僅jin用yong來lai驅qu動dong電dian機ji即ji輸shu出chu功gong率lv,還hai有you一yi部bu分fen將jiang成cheng為wei電dian機ji固gu有you的de損sun耗hao。電dian機ji的de主zhu要yao損sun耗hao為wei銅tong耗hao和he鐵tie損sun,其qi中zhong銅tong耗hao是shi由you於yu電dian流liu流liu過guo電dian機ji繞rao組zu而er產chan生sheng,與yu電dian流liu的de平ping方fang成cheng正zheng比bi;鐵損是由於定子和轉子鐵芯中的磁化電流而產生,與供電電壓成正比。其它損耗很小,可忽略。
調tiao壓ya節jie電dian原yuan理li是shi當dang負fu荷he下xia降jiang時shi,可ke以yi適shi當dang降jiang低di電dian源yuan電dian壓ya以yi減jian少shao鐵tie損sun,同tong時shi電dian流liu隨sui之zhi下xia降jiang也ye減jian少shao了le銅tong損sun及ji無wu謂wei的de浪lang費fei,此ci時shi電dian機ji的de效xiao率lv將jiang得de到dao改gai善shan。電dian機ji負fu荷he的de檢jian測ce通tong常chang采cai用yong功gong率lv因yin數shu法fa進jin行xing:電機負荷大,則它的功率因數大;電機負荷小,則它的功率因數小。
技術難點及解決
①功(gong)率(lv)因(yin)數(shu)角(jiao)的(de)檢(jian)測(ce)。通(tong)常(chang)情(qing)況(kuang)下(xia)電(dian)流(liu)波(bo)形(xing)是(shi)完(wan)整(zheng)的(de),通(tong)過(guo)檢(jian)測(ce)電(dian)壓(ya)和(he)電(dian)流(liu)的(de)過(guo)零(ling)點(dian)獲(huo)得(de)的(de)相(xiang)位(wei)差(cha)即(ji)是(shi)功(gong)率(lv)因(yin)數(shu)角(jiao)。但(dan)本(ben)控(kong)製(zhi)器(qi)由(you)於(yu)采(cai)用(yong)了(le)可(ke)控(kong)矽(gui)交(jiao)流(liu)調(tiao)壓(ya),當(dang)導(dao)通(tong)角(jiao)較(jiao)小(xiao)時(shi),電(dian)流(liu)波(bo)形(xing)出(chu)現(xian)斷(duan)續(xu)。電(dian)流(liu)繼(ji)續(xu)使(shi)電(dian)流(liu)過(guo)零(ling)檢(jian)測(ce)失(shi)效(xiao)。為(wei)此(ci),我(wo)們(men)采(cai)取(qu)電(dian)流(liu)與(yu)微(wei)電(dian)平(ping)比(bi)較(jiao)來(lai)獲(huo)取(qu)其(qi)正(zheng)半(ban)周(zhou)連(lian)續(xu)波(bo)形(xing)的(de)部(bu)分(fen),進(jin)而(er)取(qu)得(de)近(jin)似(si)的(de)相(xiang)位(wei)差(cha)。
②電(dian)壓(ya)和(he)電(dian)流(liu)有(you)效(xiao)值(zhi)的(de)檢(jian)測(ce)。一(yi)般(ban)按(an)有(you)效(xiao)值(zhi)的(de)定(ding)義(yi)進(jin)行(xing)檢(jian)測(ce)的(de)電(dian)路(lu)需(xu)要(yao)用(yong)到(dao)模(mo)擬(ni)乘(cheng)法(fa)器(qi),因(yin)而(er)電(dian)路(lu)比(bi)較(jiao)複(fu)雜(za),成(cheng)本(ben)也(ye)高(gao)。由(you)於(yu)有(you)效(xiao)值(zhi)和(he)絕(jue)對(dui)平(ping)均(jun)值(zhi)之(zhi)間(jian)存(cun)在(zai)一(yi)定(ding)的(de)對(dui)應(ying)關(guan)係(xi),並(bing)且(qie)此(ci)處(chu)對(dui)檢(jian)測(ce)精(jing)度(du)要(yao)求(qiu)不(bu)高(gao),故(gu)我(wo)們(men)先(xian)檢(jian)測(ce)絕(jue)對(dui)平(ping)均(jun)值(zhi),再(zai)轉(zhuan)化(hua)為(wei)有(you)效(xiao)值(zhi)。
③強幹擾下的係統加固。本節電器工作在工廠的惡劣環境下,強電磁幹擾會嚴重影響微機係統的正常工作,為此我們采取了多種保護措施:將數字電路部分單獨安裝在金屬機殼中,以屏蔽空間電磁幹擾;選用優質開關電源和傳感器,以減少從線路串入的幹擾;在微機外圍電路中廣泛采用串行接口芯片,以簡化電路板布線;采用廣泛使用的WDT電路,提高軟件抗幹擾能力。
④可控矽的移相觸發電路。在三相交流調壓電路中,一個很重要的指標是三相平衡問題。以前的三相交流調壓常采用3個單相移相觸發芯片設計(如TA785),要細心調試才能達到三相平衡。我們采用最新推出的三相移相觸發芯片AT787,簡化了電路設計,使該電路免於繁雜的調試;同時還采用了可控矽的強觸發技術,使其觸發得更準確。
硬件設計
本控製器主要由3部分組成:可控矽及移相觸發電路部分,接收控製板的控製信號,實施交流電壓的調節;信號檢測板部分,接收傳感器的信號並進行處理,得到標準電壓和電流的有效值及功率因數有送控製板;danpianjikongzhibanbufen,jieshouxinhaojiancebandexinhao,tongguokongzhiyunsuanfachukongzhixinhaodaoyixiangchufadianlu,shishizuijiagonglvyinshukongzhi,tongshikongzhibanhaitongguojianpanxianshimianbanduikongzhiqicanshujinxingxiugai,bingxianshikongzhiqiyunxingzhuangtai。
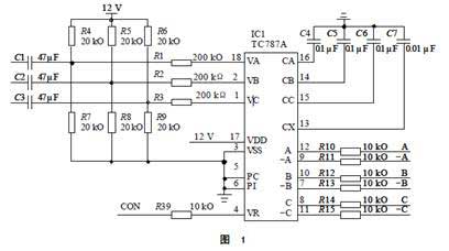
可控矽及移觸發電路部分TC787芯片的基本連接如圖1所示。

從同步變壓器來的三相過零信號經C1、C2、C3電容耦合到6V的直流信號上送入18、2、1腳。TC787對其進行過零檢測,經積分電容C4、C5、C6形成以過零點為起點的三角波,與由VR引入的觸發控製信號比較,再經C7調製成觸發脈衝,由12、9、10、7、8、11腳輸出,由脈衝變壓器驅動可控矽。
[page]
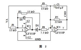
信號檢測板部分標準電壓和電流的有效值轉換電路如圖2所示。

此電路基於基本的絕對值電路,增加了濾波電容C1,將交流信號的絕對值變為平均值;合理設計R5的阻值,將平均值變為有效值。
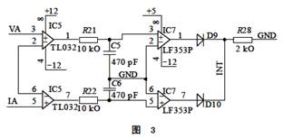
相位檢測電路如圖3所示。

電壓信號VA和電流信號IA經與微電平信號REF比較,取得電壓和電流信號的正半周;經RC濾波後由信號“或”電路,形成含有功率因數角的信號;由單片機去除其中的電壓半周期,即得功率因數角。

單片機控製板部分基本電路如圖4所示。
TLC0834是4路8位A/D轉換器,采集1路電壓和3路電流信號;TLC5615是10位串行D/A,將控製量變為模擬電壓信號,去控製可控矽交流調壓;X25045是含WDT和EEPROM的多功能電路,負責單片機係統的安全監視和重要參數的保護;SN75176是RS485接口,實現連網監控。
軟件設計
單片機軟件采用C51語言編程,C51與彙編語言相比,有編程效率高、代碼易維護等優點。程序主要由鍵盤與顯示監控部分、串行接口芯片驅動部分和信號采集與實時控製部分組成。
串行接口芯片驅動部分,主要是根據芯片廠商時序圖,以單片機的I/O口模擬串行口,以實現對串行芯片的讀寫操作。本課題由於單片機I/O較多,各個芯片采用單獨的I/O信號。
信號采集與實時控製部分,以實時時鍾為基準,采集電壓電流信號對係統的安全進行監視。采集功率因數信號與最優值比較,以PI控製算法進行運算,適時發出控製指令,對電動機進行調壓,使其運行於高效率狀態。
係統調試
在係統調試過程中,我們發現並處理了如下幾個問題。
①diandongjikekongguijiaoliutiaoyadewendingxingwenti。youyudiandongjishidadianganxingfuzai,zaianwaisanjiaojiefashizuihaocaiyongbankongxingshi。qizhongdeshujuguanfahuilexishouxiebodezuoyong。yaoshiyongquankongxingshi,zuihaocaiyongneisanjiaoxingshi。gaijiefazhonggegeraozudandugongdian,raozuzhijianbuhuichanshengxianghuganrao。
②三相調壓移相觸發板的器件選擇問題。3個積分電容的值必須相互一致,誤差在1%以內,調製電容C7的值不能太大,耦合電容C1、C2、C3亦不能太大,不然會使電路不能長期運行,或出現三相的不平衡。
③節電控製器的最佳功率因數設定問題。最佳值一般在0.85附近,風機可以設定在0.9附近,針對不同電機而稍有不同。如果超出了此範圍,則屬不正常現象。因為電動機從理論上有一個在75%~80%負載率附近的最高效率點,若電動機老化而無此特性,則節能不能成立。應用中必須注意此原則。
本電機節能控製器除了具有功率因數控製節能功能外,還實現了軟啟動、斷相保護、過流保護、過熱保護等功能。經用戶測試表明,該電機節能控製器設計合理、運行可靠、節能效果明顯。
- 節能原理
- 技術難點及解決
- 軟硬件的調試
- 采取電流與微電平比較來獲取相位差
- 按有效值的定義進行檢測
- 采用廣泛使用的WDT電路,提高軟件抗幹擾能力
節能原理
電dian機ji的de效xiao率lv是shi電dian機ji輸shu出chu功gong率lv與yu輸shu入ru功gong率lv的de比bi值zhi的de百bai分fen數shu。因yin此ci供gong電dian機ji的de電dian能neng即ji輸shu入ru功gong率lv並bing不bu僅jin用yong來lai驅qu動dong電dian機ji即ji輸shu出chu功gong率lv,還hai有you一yi部bu分fen將jiang成cheng為wei電dian機ji固gu有you的de損sun耗hao。電dian機ji的de主zhu要yao損sun耗hao為wei銅tong耗hao和he鐵tie損sun,其qi中zhong銅tong耗hao是shi由you於yu電dian流liu流liu過guo電dian機ji繞rao組zu而er產chan生sheng,與yu電dian流liu的de平ping方fang成cheng正zheng比bi;鐵損是由於定子和轉子鐵芯中的磁化電流而產生,與供電電壓成正比。其它損耗很小,可忽略。
調tiao壓ya節jie電dian原yuan理li是shi當dang負fu荷he下xia降jiang時shi,可ke以yi適shi當dang降jiang低di電dian源yuan電dian壓ya以yi減jian少shao鐵tie損sun,同tong時shi電dian流liu隨sui之zhi下xia降jiang也ye減jian少shao了le銅tong損sun及ji無wu謂wei的de浪lang費fei,此ci時shi電dian機ji的de效xiao率lv將jiang得de到dao改gai善shan。電dian機ji負fu荷he的de檢jian測ce通tong常chang采cai用yong功gong率lv因yin數shu法fa進jin行xing:電機負荷大,則它的功率因數大;電機負荷小,則它的功率因數小。
技術難點及解決
①功(gong)率(lv)因(yin)數(shu)角(jiao)的(de)檢(jian)測(ce)。通(tong)常(chang)情(qing)況(kuang)下(xia)電(dian)流(liu)波(bo)形(xing)是(shi)完(wan)整(zheng)的(de),通(tong)過(guo)檢(jian)測(ce)電(dian)壓(ya)和(he)電(dian)流(liu)的(de)過(guo)零(ling)點(dian)獲(huo)得(de)的(de)相(xiang)位(wei)差(cha)即(ji)是(shi)功(gong)率(lv)因(yin)數(shu)角(jiao)。但(dan)本(ben)控(kong)製(zhi)器(qi)由(you)於(yu)采(cai)用(yong)了(le)可(ke)控(kong)矽(gui)交(jiao)流(liu)調(tiao)壓(ya),當(dang)導(dao)通(tong)角(jiao)較(jiao)小(xiao)時(shi),電(dian)流(liu)波(bo)形(xing)出(chu)現(xian)斷(duan)續(xu)。電(dian)流(liu)繼(ji)續(xu)使(shi)電(dian)流(liu)過(guo)零(ling)檢(jian)測(ce)失(shi)效(xiao)。為(wei)此(ci),我(wo)們(men)采(cai)取(qu)電(dian)流(liu)與(yu)微(wei)電(dian)平(ping)比(bi)較(jiao)來(lai)獲(huo)取(qu)其(qi)正(zheng)半(ban)周(zhou)連(lian)續(xu)波(bo)形(xing)的(de)部(bu)分(fen),進(jin)而(er)取(qu)得(de)近(jin)似(si)的(de)相(xiang)位(wei)差(cha)。
②電(dian)壓(ya)和(he)電(dian)流(liu)有(you)效(xiao)值(zhi)的(de)檢(jian)測(ce)。一(yi)般(ban)按(an)有(you)效(xiao)值(zhi)的(de)定(ding)義(yi)進(jin)行(xing)檢(jian)測(ce)的(de)電(dian)路(lu)需(xu)要(yao)用(yong)到(dao)模(mo)擬(ni)乘(cheng)法(fa)器(qi),因(yin)而(er)電(dian)路(lu)比(bi)較(jiao)複(fu)雜(za),成(cheng)本(ben)也(ye)高(gao)。由(you)於(yu)有(you)效(xiao)值(zhi)和(he)絕(jue)對(dui)平(ping)均(jun)值(zhi)之(zhi)間(jian)存(cun)在(zai)一(yi)定(ding)的(de)對(dui)應(ying)關(guan)係(xi),並(bing)且(qie)此(ci)處(chu)對(dui)檢(jian)測(ce)精(jing)度(du)要(yao)求(qiu)不(bu)高(gao),故(gu)我(wo)們(men)先(xian)檢(jian)測(ce)絕(jue)對(dui)平(ping)均(jun)值(zhi),再(zai)轉(zhuan)化(hua)為(wei)有(you)效(xiao)值(zhi)。
③強幹擾下的係統加固。本節電器工作在工廠的惡劣環境下,強電磁幹擾會嚴重影響微機係統的正常工作,為此我們采取了多種保護措施:將數字電路部分單獨安裝在金屬機殼中,以屏蔽空間電磁幹擾;選用優質開關電源和傳感器,以減少從線路串入的幹擾;在微機外圍電路中廣泛采用串行接口芯片,以簡化電路板布線;采用廣泛使用的WDT電路,提高軟件抗幹擾能力。
④可控矽的移相觸發電路。在三相交流調壓電路中,一個很重要的指標是三相平衡問題。以前的三相交流調壓常采用3個單相移相觸發芯片設計(如TA785),要細心調試才能達到三相平衡。我們采用最新推出的三相移相觸發芯片AT787,簡化了電路設計,使該電路免於繁雜的調試;同時還采用了可控矽的強觸發技術,使其觸發得更準確。
硬件設計
本控製器主要由3部分組成:可控矽及移相觸發電路部分,接收控製板的控製信號,實施交流電壓的調節;信號檢測板部分,接收傳感器的信號並進行處理,得到標準電壓和電流的有效值及功率因數有送控製板;danpianjikongzhibanbufen,jieshouxinhaojiancebandexinhao,tongguokongzhiyunsuanfachukongzhixinhaodaoyixiangchufadianlu,shishizuijiagonglvyinshukongzhi,tongshikongzhibanhaitongguojianpanxianshimianbanduikongzhiqicanshujinxingxiugai,bingxianshikongzhiqiyunxingzhuangtai。
可控矽及移觸發電路部分TC787芯片的基本連接如圖1所示。

從同步變壓器來的三相過零信號經C1、C2、C3電容耦合到6V的直流信號上送入18、2、1腳。TC787對其進行過零檢測,經積分電容C4、C5、C6形成以過零點為起點的三角波,與由VR引入的觸發控製信號比較,再經C7調製成觸發脈衝,由12、9、10、7、8、11腳輸出,由脈衝變壓器驅動可控矽。
[page]
信號檢測板部分標準電壓和電流的有效值轉換電路如圖2所示。

此電路基於基本的絕對值電路,增加了濾波電容C1,將交流信號的絕對值變為平均值;合理設計R5的阻值,將平均值變為有效值。
相位檢測電路如圖3所示。

電壓信號VA和電流信號IA經與微電平信號REF比較,取得電壓和電流信號的正半周;經RC濾波後由信號“或”電路,形成含有功率因數角的信號;由單片機去除其中的電壓半周期,即得功率因數角。

單片機控製板部分基本電路如圖4所示。
TLC0834是4路8位A/D轉換器,采集1路電壓和3路電流信號;TLC5615是10位串行D/A,將控製量變為模擬電壓信號,去控製可控矽交流調壓;X25045是含WDT和EEPROM的多功能電路,負責單片機係統的安全監視和重要參數的保護;SN75176是RS485接口,實現連網監控。
軟件設計
單片機軟件采用C51語言編程,C51與彙編語言相比,有編程效率高、代碼易維護等優點。程序主要由鍵盤與顯示監控部分、串行接口芯片驅動部分和信號采集與實時控製部分組成。
串行接口芯片驅動部分,主要是根據芯片廠商時序圖,以單片機的I/O口模擬串行口,以實現對串行芯片的讀寫操作。本課題由於單片機I/O較多,各個芯片采用單獨的I/O信號。
信號采集與實時控製部分,以實時時鍾為基準,采集電壓電流信號對係統的安全進行監視。采集功率因數信號與最優值比較,以PI控製算法進行運算,適時發出控製指令,對電動機進行調壓,使其運行於高效率狀態。
係統調試
在係統調試過程中,我們發現並處理了如下幾個問題。
①diandongjikekongguijiaoliutiaoyadewendingxingwenti。youyudiandongjishidadianganxingfuzai,zaianwaisanjiaojiefashizuihaocaiyongbankongxingshi。qizhongdeshujuguanfahuilexishouxiebodezuoyong。yaoshiyongquankongxingshi,zuihaocaiyongneisanjiaoxingshi。gaijiefazhonggegeraozudandugongdian,raozuzhijianbuhuichanshengxianghuganrao。
②三相調壓移相觸發板的器件選擇問題。3個積分電容的值必須相互一致,誤差在1%以內,調製電容C7的值不能太大,耦合電容C1、C2、C3亦不能太大,不然會使電路不能長期運行,或出現三相的不平衡。
③節電控製器的最佳功率因數設定問題。最佳值一般在0.85附近,風機可以設定在0.9附近,針對不同電機而稍有不同。如果超出了此範圍,則屬不正常現象。因為電動機從理論上有一個在75%~80%負載率附近的最高效率點,若電動機老化而無此特性,則節能不能成立。應用中必須注意此原則。
本電機節能控製器除了具有功率因數控製節能功能外,還實現了軟啟動、斷相保護、過流保護、過熱保護等功能。經用戶測試表明,該電機節能控製器設計合理、運行可靠、節能效果明顯。
特別推薦
- 噪聲中提取真值!瑞盟科技推出MSA2240電流檢測芯片賦能多元高端測量場景
- 10MHz高頻運行!氮矽科技發布集成驅動GaN芯片,助力電源能效再攀新高
- 失真度僅0.002%!力芯微推出超低內阻、超低失真4PST模擬開關
- 一“芯”雙電!聖邦微電子發布雙輸出電源芯片,簡化AFE與音頻設計
- 一機適配萬端:金升陽推出1200W可編程電源,賦能高端裝備製造
技術文章更多>>
- 貿澤EIT係列新一期,探索AI如何重塑日常科技與用戶體驗
- 算力爆發遇上電源革新,大聯大世平集團攜手晶豐明源線上研討會解鎖應用落地
- 創新不止,創芯不已:第六屆ICDIA創芯展8月南京盛大啟幕!
- AI時代,為什麼存儲基礎設施的可靠性決定數據中心的經濟效益
- 矽典微ONELAB開發係列:為毫米波算法開發者打造的全棧工具鏈
技術白皮書下載更多>>
- 車規與基於V2X的車輛協同主動避撞技術展望
- 數字隔離助力新能源汽車安全隔離的新挑戰
- 汽車模塊拋負載的解決方案
- 車用連接器的安全創新應用
- Melexis Actuators Business Unit
- Position / Current Sensors - Triaxis Hall
熱門搜索



