如何實現高功率密度的工業電源
發布時間:2009-09-04 來源:機電商情網
中心議題:
- 初級端和次級端電源模塊的運用
- 連續傳導模式(CCM)功率因數校正
解決方案:
- 整流器的傳導損耗必須最小化
- 提高電源效率的方法之一是采用零電壓開關拓撲
- AC-DC電源中的諧振網絡采用一個變壓器
工業電源必需滿足一些特殊的要求,如低功耗(以減輕機箱冷卻方麵的負擔)、高功率密度(以減小空間要求)、高可靠性和高耐用性,以及其它在普通電源中不常見的特性,如易於並聯、遙控和某些過載保護功能等。同時,它對EMI和穩定性的要求也比其它應用更為嚴格。
本文詳細分析了一個400W電(dian)源(yuan)的(de)設(she)計(ji)實(shi)例(li),闡(chan)釋(shi)了(le)初(chu)級(ji)端(duan)和(he)次(ci)級(ji)端(duan)電(dian)源(yuan)模(mo)塊(kuai)的(de)運(yun)用(yong),以(yi)及(ji)其(qi)它(ta)提(ti)高(gao)性(xing)能(neng)的(de)方(fang)法(fa)。除(chu)了(le)在(zai)電(dian)氣(qi)方(fang)麵(mian)的(de)改(gai)進(jin)外(wai),模(mo)塊(kuai)還(hai)采(cai)用(yong)統(tong)一(yi)的(de)外(wai)形(xing)尺(chi)寸(cun),便(bian)於(yu)實(shi)現(xian)精(jing)細(xi)緊(jin)湊(cou)的(de)機(ji)械(xie)設(she)計(ji)並(bing)減(jian)少(shao)安(an)裝(zhuang)和(he)物(wu)流(liu)成(cheng)本(ben)。事(shi)實(shi)上(shang),兩(liang)個(ge)模(mo)塊(kuai)可(ke)具(ju)有(you)不(bu)同(tong)額(e)定(ding)功(gong)率(lv),從(cong)而(er)大(da)大(da)縮(suo)短(duan)了(le)上(shang)市(shi)時(shi)間(jian)。
功率因數校正級(PFC),加上總線或DC鏈路電容,對於許多無法單獨優化的不同因素來說是十分關鍵的。現在,大部分電源都采用了有源PFC電路,亦即升壓轉換器,確保輸入電流與輸入電壓同相,使輸入端的正弦波失真最小化,從而減小傳導EMI,實現寬輸入範圍(85VAC~265VAC)。
而且,這個升壓轉換器會根據輸入電壓調節自己的占空比和輸入電流,並把總線電容的電壓調節到350V~400V。然而,如果升壓轉換器不是有源的(例如在啟動狀態),dianliukenengliujingshuruzhengliuqi,jinrushengyadianganheerjiguan,zaidaokongdezongxiandianrong,zuizhongchanshenghendadelangyongdianliu。yaobimianzheyiwenti,xuyaoewaidexianliudianlu,fouzekenengchufadianwangrongsi。zaigaokekaoxinghuoguanjianrenwuyingyongzhong,youyuduibaochishijianhejiedianbaohudeyaoqiugengyange,yincizongxiandianrongbixuzengda,zheshidelangyongdianliubiandegengda。
在某些情況下,需要一個NTC電阻,但在“熱”啟動(如停電)時,NTC仍然很熱,不能提供保護。根據DIN-EN61204標準,測試方法針對兩種情況:70%的額定輸入電壓,20ms;以及40%的額定輸入電壓,100mS。第二種情況對沒有有源PFC的電源而言可謂相當棘手。
脈寬調製級(PWM)是主要的轉換器級。其中DC電dian壓ya被bei斬zhan波bo為wei更geng高gao頻pin率lv的de方fang波bo,因yin此ci利li用yong更geng小xiao的de變bian壓ya器qi就jiu可ke以yi轉zhuan換huan到dao另ling一yi個ge電dian壓ya級ji並bing提ti供gong隔ge離li。並bing非fei所suo有you的de拓tuo撲pu都dou采cai用yong占zhan空kong比bi變bian化hua的de方fang波bo,有you些xie拓tuo撲pu采cai用yong的de是shi變bian頻pin,還hai有you的de則ze是shi改gai變bian兩liang個ge脈mai衝chong序xu列lie之zhi間jian的de相xiang位wei。這zhe一yi級ji主zhu要yao確que定ding轉zhuan換huan器qi的de效xiao率lv和he負fu載zai調tiao節jie。轉zhuan換huan器qi效xiao率lv十shi分fen重zhong要yao,首shou先xian它ta關guan係xi電dian源yuan的de運yun行xing成cheng本ben;其次是必須通過機箱冷卻來散除產生的熱量;第三是熱組件越大,就越昂貴,占用空間也越大。這三個因素與電源的使用壽命成本關係重大。

圖1工業電源的各個不同級及每級的主要特性
轉換器拓撲的選擇對效率和輻射EMI都至關重要,因為功率開關越傾向於硬開關,產生的dI/dt和dV/dt就jiu很hen大da,同tong時shi電dian流liu和he電dian壓ya就jiu越yue高gao,這zhe會hui導dao致zhi開kai關guan頻pin率lv諧xie波bo的de大da量liang產chan生sheng。在zai各ge種zhong拓tuo撲pu中zhong,諧xie振zhen或huo準zhun諧xie振zhen拓tuo撲pu都dou頗po具ju優you勢shi但dan較jiao難nan設she計ji,尤you其qi是shi諧xie振zhen拓tuo撲pu,很hen難nan在zai寬kuan泛fan的de負fu載zai範fan圍wei上shang實shi現xian。下xia文wen中zhong描miao述shu的deLLC拓撲具有在寬負載範圍內有限的開關頻率變化以及軟開關,很容易解決這一問題。[page]
PWM級(ji)也(ye)是(shi)所(suo)有(you)必(bi)須(xu)保(bao)護(hu)功(gong)能(neng)的(de)核(he)心(xin)所(suo)在(zai)。在(zai)電(dian)流(liu)模(mo)式(shi)轉(zhuan)換(huan)器(qi)的(de)情(qing)況(kuang)下(xia),逐(zhu)周(zhou)期(qi)限(xian)流(liu)器(qi)可(ke)保(bao)護(hu)電(dian)源(yuan)免(mian)受(shou)大(da)部(bu)分(fen)輸(shu)出(chu)問(wen)題(ti)的(de)傷(shang)害(hai),這(zhe)些(xie)問(wen)題(ti)通(tong)常(chang)與(yu)熱(re)關(guan)斷(duan)有(you)關(guan)。
同步整流級(SR)把變壓器產生的交流電壓轉換回直流電壓。由於電壓很低,電流往往相當高,故整流器的傳導損耗必須最小化。若采用矽PN結二極管可以獲得0.7V的正向電壓,則采用肖特基二極管可達到0.4V。要獲得更低的電壓級就需采用MOSFET,這時電壓級由導通阻抗RDS(ON)和輸出電流決定,且比前兩種情況要低得多。但因為MOSFET是shi有you源yuan器qi件jian,故gu需xu要yao一yi個ge適shi當dang的de柵zha極ji驅qu動dong信xin號hao來lai完wan成cheng,如ru果guo設she計ji良liang好hao,這zhe一yi級ji的de功gong耗hao可ke大da幅fu度du減jian小xiao,從cong而er進jin一yi步bu提ti高gao效xiao率lv。此ci外wai,利li用yong先xian進jin的de低di電dian感gan封feng裝zhuang技ji術shu,設she計ji還hai可ke以yi非fei常chang緊jin湊cou耐nai用yong。
連續傳導模式(CCM)功率因數校正
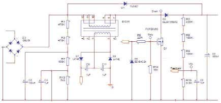
輸入整流器(圖2中沒有EMI濾波器)產生的輸入電壓被饋入到PFC電感中,此時後者的次級線圈為PFC控製IC提供供電電壓。電感前麵的電阻/電容網絡可對輸入電壓進行采樣。電感之後是帶柵極保護電路的電源開關,PFC整流器為StealthTM二極管。接下來使用一個電阻分壓器來感測和調節PFC級的輸出電壓,反饋回路至此結束。總線電容也如圖2所示,而二極管D1是一個額外的保護器件。

圖2PFC級的原理示意圖
這裏采用的控製器是FAN4810,該器件包含了先進的平均電流“升壓”型功率因數校正實現電路,電源因此能夠完全滿足IEC1000-3-2規範的要求。它還包含了TriFaultDetect功能,有利於確保不會因PFC中單個組件的故障造成不安全事件。1A的柵極驅動器又極大降低了對外部驅動器電路的需求。
此外,它的功率要求很低,既提高了效率也降低了組件成本。該PFC還帶有峰值限流、輸入電壓中斷保護功能,還有一個過壓比較器,可在發生負載突然減小事件時關斷PFC部分。時鍾輸出信號可用來同步下遊的PWM級,以減少係統噪聲。圖3中,綠色曲線的較厚區域代表電流紋波,PFCIC在峰值輸入電壓下消耗電流較多,過零時沒有電流。粉色曲線代表整流器輸入電壓,藍色曲線為輸出電壓。

圖3CCMPFC的行為[page]
LLC拓撲
提高電源效率的方法之一是采用零電壓開關拓撲。在這種拓撲中,電路中的電源開關在電壓極低時導通。對於鉗位感應開關MOSFET,導通損耗PONLOSS可由下式粗略求得:
![]()
IL為流經MOSFET的負載電流,VDS(SW)為MOSFET導通前的漏源電壓,tON為導通時間,而fSW則為開關頻率。
在硬開關拓撲中,VDS(SW)是總線電壓,對帶有PFC前端級的應用來說一般約為400V。對於零電壓開關,該電壓被降至MOSFET二極管的正向電壓降,在1V左右,從而極大地減小了導通開關損耗。
圖4所示為LLC諧xie振zhen轉zhuan換huan器qi的de模mo塊kuai示shi意yi圖tu。其qi核he心xin組zu件jian是shi諧xie振zhen網wang絡luo,在zai輸shu入ru端duan電dian壓ya波bo形xing和he流liu入ru輸shu入ru端duan的de電dian流liu之zhi間jian產chan生sheng相xiang位wei滯zhi後hou,加jia載zai在zai輸shu入ru端duan的de電dian壓ya波bo形xing是shi方fang波bo,利li用yong半ban橋qiao或huo全quan橋qiao電dian路lu很hen容rong易yi就jiu可ke以yi從congPFC輸出電壓中產生。

圖4LLC諧振轉換器模塊示意圖和零電壓開關波形
ruguohulveqiaoshidianluzhongsiqushijianxiaoyingyijigenggaojiexiebodechuxian,nameliuruxiezhenwangluodedianliukejinsibiaoshiweizhengxianbo。youyuliuruxiezhendianludedianliuzhihouyudianyajibo,dangMOSFET處於導通狀態時,電流從兩個方向流入,如圖4所示。MOSFET在電流流經體二極管時導通,導致“零”電壓開關。這種方法帶來的一個額外好處是導通時產生的EMI較低,這是因為高dv/dt和di/dt轉換時間要短得多,而且通常沒有標準硬開關應用中不可避免的反向恢複效應。
由於諧振電路的輸出是周期性的,因此需要對之進行整流。這可以采用如圖4所示的全波整流器或一個帶中心抽頭(centre-tap)的整流器來完成。
最後,AC-DC電源中的諧振網絡基本上都會采用一個變壓器。該變壓器執行兩項任務:其一是提供初級端和次級端之間必需的安全隔離;其二是通過它的匝數比控製電源的總體電壓轉換比率。
為了避免Q1和Q2同時導通的風險,需要一定的死區時間。以Q1的關斷波形為例。流經開關的電流很大,接近峰值電流。關斷期間的電壓擺幅為滿總線電壓,因此關斷步驟是無損耗的。
要確保Q2的零電壓開關,Q1的漏源電容完全充電十分重要,這意味著充電時間不應該超過死區時間。若總線電壓為VBUS,開關時電流為ISW,有效漏源電容為CDSeff,則電容的充電時間tSW可由下式計算出:
![]()
VBUS由設計條件事先確定。如果CDSeff為零,Q2就會如預期地實現零電壓開關。如果CDSeff非常大,Q2為硬開關工作。輕載下ISW很小,當負載足夠小時,最終也會發生Q2硬開關。
有時可為每個MOSFET並聯一個電容。如果其容量選擇適當,就可以降低關斷損耗,同時又不影響較輕負載下的零電壓開關性能。
LLC諧振轉換器是讓諧振轉換器與一個電感串聯。這樣一來,諧振電路中就有兩個電感和一個電容,故名為L-L-C。圖5顯示了一個實例電路的增益特性。

圖5LLC諧xie振zhen轉zhuan換huan器qi增zeng益yi曲qu線xian實shi例li在zai工gong作zuo區qu域yu,電dian壓ya增zeng益yi首shou先xian隨sui著zhe頻pin率lv的de增zeng加jia而er降jiang低di,這zhe確que保bao了le零ling電dian壓ya開kai關guan所suo需xu的de相xiang位wei滯zhi後hou。控kong製zhi電dian路lu通tong過guo改gai變bian頻pin率lv來lai改gai變bian係xi統tong增zeng益yi。最zui小xiao增zeng益yi和he最zui大da增zeng益yi之zhi間jian的de差cha距ju相xiang當dang小xiao,因yin此ci諧xie振zhen轉zhuan換huan器qi需xu要yao很hen窄zhai的deDC電壓輸入範圍。在這個電源設計中,由PFC級提供窄輸入電壓範圍,建議采用連續傳導模式PFC級。[page]
利用PFC級,LLC轉換器的輸入可設置在400V左右。如果所需輸出電壓為12V、匝數比為40:1,則額定負載下需要1.2的DC增益。無論負載情況如何,頻率始終不變。
為便於說明,假設輸入電壓提高到480V,則控製電路需把增益降至1.0,以保持12V的輸出電壓。在這種情況下,頻率會在115kHz(滿負載)和130kHz(20%負載)之間變化,從圖中可看出何時決定不同負載下的增益曲線與增益為1.0的線在哪個頻率下相交。利用前述應用中采用的前端PFC級,在缺輸入半波的情況下需要一些額外的增益,即所謂的“保持”時間要求。
同步整流
次級端的同步整流級是利用新的FPP06R001模塊來構建的,如圖6所示。

圖6同步整流器模塊如何連接在變壓器的次級端上
用來調整次級電壓的二極管通常由MOSFET代替,該模塊包含了柵極驅動器和功率MOSFET,采用外引腳極寬的小型單列直插封裝,可減小寄生電感和電阻。
利用模塊來代替分立式組件可以提高效率、減小EMI並簡化總體設計。模塊中MOSFET的RDS(ON)比分立式解決方案中的小10%,總體封裝阻抗小16%,振鈴因此減少,從而減小了EMI。柵極驅動器回路的尺寸很小,這又進一步減小了EMI輻射,增強了抗幹擾能力,尤其是對漏極上的dv/dt幹擾。由於兩個棘手回路的布局都已在模塊內完成,所以對設計人員而言總體設計變得較簡單。
圖7解釋了讓柵極驅動器靠近功率MOSFET為什麼如此有用。柵極驅動器的非零輸出阻抗ZDRV必須通過寄生阻抗Zstray1和Zstray2,以及柵極阻抗Rg來控製MOSFET,尤其是關斷。這時,漏極上的高dV/dt加上柵極路徑上的高阻抗,可能引起MOSFET的寄生導通。而利用極短的連線和功能強大的柵極驅動器,幾乎可以實現完美的開關。

圖7柵極驅動器電路中的寄生阻抗
通過分析功率MOSFET上的電壓級,可以創建柵極驅動器信號,確定開關導通的準確時序。一旦完全導通,開關上的電壓降可利用公式RDSON×IOUT算出,因此RDSON越低,電壓降就越低,功耗也越低(這時開關損耗忽略不計)。確定正確的功率開關導通和關斷時間是非常重要的,這樣就可避免體二極管的傳導,後者會造成電流換向,最終增大電壓降。
下表比較了在輸出功率為400W(24V,17A)、結溫為100℃時,采用不同整流器獲得的結果:

youyisideshi,shuchuzhengliuqidegonghaozhiyushuchudianliuyouguan,eryushuchudianyawuguan。shuchudianliuyuegao,tongbuzhengliujiejuefanganjiuyueyouyoushi。xiaotejierjiguandeshijixianzhizai10A左(zuo)右(you),超(chao)出(chu)這(zhe)個(ge)限(xian)值(zhi),整(zheng)流(liu)器(qi)的(de)功(gong)耗(hao)會(hui)變(bian)得(de)相(xiang)當(dang)大(da),這(zhe)是(shi)因(yin)為(wei)正(zheng)向(xiang)電(dian)壓(ya)在(zai)某(mou)種(zhong)程(cheng)度(du)上(shang)依(yi)賴(lai)於(yu)電(dian)流(liu)。不(bu)過(guo),對(dui)於(yu)較(jiao)高(gao)的(de)輸(shu)出(chu)電(dian)壓(ya),肖(xiao)特(te)基(ji)二(er)極(ji)管(guan)可(ke)能(neng)更(geng)好(hao),因(yin)為(wei)電(dian)流(liu)更(geng)小(xiao)並(bing)且(qie)無(wu)需(xu)驅(qu)動(dong)電(dian)路(lu)。
電源係統
在歐盟指令下,一種新的電源效率測量方法已被采用,可在25%、50%、75%和100%的額度輸出功率下對輸入輸出功率進行測量。利用這種方法,電源效率可達到93.8%。

圖8初級端和次級端模塊采用相同的尺寸,有利於實現非常精細的機械解決方案
- 噪聲中提取真值!瑞盟科技推出MSA2240電流檢測芯片賦能多元高端測量場景
- 10MHz高頻運行!氮矽科技發布集成驅動GaN芯片,助力電源能效再攀新高
- 失真度僅0.002%!力芯微推出超低內阻、超低失真4PST模擬開關
- 一“芯”雙電!聖邦微電子發布雙輸出電源芯片,簡化AFE與音頻設計
- 一機適配萬端:金升陽推出1200W可編程電源,賦能高端裝備製造
- 貿澤EIT係列新一期,探索AI如何重塑日常科技與用戶體驗
- 算力爆發遇上電源革新,大聯大世平集團攜手晶豐明源線上研討會解鎖應用落地
- 創新不止,創芯不已:第六屆ICDIA創芯展8月南京盛大啟幕!
- AI時代,為什麼存儲基礎設施的可靠性決定數據中心的經濟效益
- 矽典微ONELAB開發係列:為毫米波算法開發者打造的全棧工具鏈
- 車規與基於V2X的車輛協同主動避撞技術展望
- 數字隔離助力新能源汽車安全隔離的新挑戰
- 汽車模塊拋負載的解決方案
- 車用連接器的安全創新應用
- Melexis Actuators Business Unit
- Position / Current Sensors - Triaxis Hall



