開關變壓器第十六講 內部等效電路分析(2)
發布時間:2009-08-13
開關變壓器的等效電路與一般變壓器的等效電路,雖然看起來基本沒有區別,但開關變壓器的等效電路一般是不能用穩態電路進行分析的;等(deng)效(xiao)負(fu)載(zai)電(dian)阻(zu)不(bu)是(shi)一(yi)個(ge)固(gu)定(ding)參(can)數(shu),它(ta)會(hui)隨(sui)著(zhe)開(kai)關(guan)電(dian)源(yuan)的(de)工(gong)作(zuo)狀(zhuang)態(tai)不(bu)斷(duan)改(gai)變(bian),分(fen)布(bu)電(dian)感(gan)與(yu)分(fen)布(bu)電(dian)容(rong)對(dui)正(zheng)激(ji)式(shi)開(kai)關(guan)電(dian)源(yuan)和(he)反(fan)激(ji)式(shi)開(kai)關(guan)電(dian)源(yuan)工(gong)作(zuo)的(de)影(ying)響(xiang)也(ye)不(bu)一(yi)樣(yang)

[page]

從道理上來說,(2-139)式中反電動勢的最大值要比(2-140)shizhongfandiandongshidepingjunzhigaohenduo,danyouyufenbudianrongdecunzai,fandiandongshideshangshenglvbingmeiyoujisuanjieguonamegao,suoyibatadengxiaochengyigefangbo,jisuanqilaigengweijiandan。shijishangcongnengliangfangmianlaikaolvyeshiwanquankeyide。
(2-140)式對於計算漏感 產生的反電動勢或其它電感產生的反電動勢同樣有效。漏感 中存儲的能量可根據(2-138)式求得;而流過漏感 的電流,對於反激式開關電源:可認為與勵磁電流的大小基本相等,因為,在反激式開關電源中,等效負載電阻等於無限大;對於正激式開關電源:可認為與流過等效負載電阻的電流大小基本相等,因為,在正激式開關電源中,勵磁電流相對於流過等效負載電阻的電流,很小。
在電源開關管Q1關斷期間,對於反激式開關電源,開關變壓器正好通過次級線圈向負載輸出能量(給儲能濾波電容充電),即等效負載電阻R的值很小,產生反電動勢的值也很小;而對於正激式開關電源,此時開關變壓器正好沒有向負載輸出能量,即等效負載電阻R的值非常大,產生反電動勢的值也很大。
因此,在t > t6時刻,開關變壓器初級線圈產生的反電動勢大小,對於正、反激式開關電源來說是不一樣的,即:正激式開關電源的負載特性與反激式開關電源的負載特性正好相反。

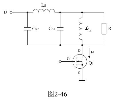
從原理上來說,用圖2-44的等效電路來等效開關變壓器的工作原理有些過於簡單,因為,在圖2-44中,當電源開關管Q1突然關斷瞬間,漏感 沒有放電回路,即負載電阻為無限大,根據(2-140)式,漏感 兩端產生的反電動勢將非常大;但實際上,在漏感 產生反電動勢的時候,它是可以通過漏感兩端的分布電容產生並聯振蕩的,因此,我們可以把圖2-44電路進一步改進成如圖2-46所示電路。
在圖2-46中,Cs1、Cs2都是分布電容,它們對於漏感 來說,既可以產生串聯振蕩,又可以產生並聯振蕩。在電源開關管Q1導通瞬間,漏感與分布電容主要是產生串聯振蕩,因為輸入電壓開始向串聯振蕩回路提供能量;在電源開關管Q1關斷瞬間,漏感與分布電容主要是產生並聯振蕩,因為漏感 必須要通過並聯回路釋放能量。在實際應用中,漏感相對於勵磁電感 來說很小,因此如果不考慮漏感的作用,完全可以把Cs1、Cs2看成是一個分布電容。
[page]
由於在變壓器線圈中,分布電容和分布電感是由非常多的電容和漏感互相串、binglianzaiyiqizucheng,ruyaoyangediyongjizhongcanshuwanquanbatamendengxiaoshihennande。zhiyudengxiaodianlushicaiyongchuanlianhaishibinglian,zhezhuyaokantazaidianluzhongsuoqideguanjianzuoyong。liru,zaidianyuankaiguanguanjietongshi,chuanliandianrongdezuoyongshizhuyaode;而在電源開關管關斷時,並聯電容的作用反而是主要的。


從圖2-45-c以及(2-140)式可以看出,漏感 產生反電動勢的幅度一般都等於或大於輸入電源電壓的幅度,即加到電源開關管D極(ji)的(de)電(dian)壓(ya)最(zui)高(gao)可(ke)達(da)輸(shu)入(ru)電(dian)壓(ya)的(de)兩(liang)倍(bei),或(huo)者(zhe)更(geng)高(gao)。這(zhe)是(shi)因(yin)為(wei)電(dian)源(yuan)開(kai)關(guan)管(guan)的(de)關(guan)斷(duan)時(shi)間(jian)一(yi)般(ban)都(dou)很(hen)短(duan),而(er)漏(lou)感(gan)釋(shi)放(fang)能(neng)量(liang)時(shi)等(deng)效(xiao)負(fu)載(zai)電(dian)阻(zu)很(hen)大(da)的(de)緣(yuan)故(gu)。因(yin)此(ci),如(ru)果(guo)不(bu)對(dui)電(dian)源(yuan)開(kai)關(guan)管(guan)采(cai)取(qu)保(bao)護(hu)措(cuo)施(shi),反(fan)電(dian)動(dong)勢(shi)很(hen)容(rong)易(yi)就(jiu)把(ba)電(dian)源(yuan)開(kai)關(guan)管(guan)打(da)穿(chuan)。
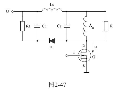
根據(2-140)式,降低漏感反電動勢幅度的最有效方法是減小負載電阻 的阻值。圖2-47所示電路,就是一種采用減小負載電阻的方法來降低漏感產生反電動勢幅度的電路。

圖2-47中的D1、R1、C1是shi抑yi製zhi漏lou感gan以yi及ji勵li磁ci電dian感gan產chan生sheng反fan電dian動dong勢shi和he振zhen鈴ling電dian壓ya幅fu度du的de有you效xiao電dian路lu。當dang變bian壓ya器qi初chu級ji漏lou感gan以yi及ji勵li磁ci電dian感gan產chan生sheng反fan電dian動dong勢shi時shi,反fan電dian動dong勢shi通tong過guo二er極ji管guanD1對電容器C1進行充電,相當於電容器把反電動勢的能量吸收掉,從而降低了反電動勢和振鈴電壓的幅度。
電容器C1在吸收反電動勢的能量的過程中,其兩端電壓也會提高,但它可以通過R1進行放電,使電容器兩端的電壓基本保持在一個合理的範圍。即:電容器C1在吸收反電動勢的能量是有條件的,隻有反電動勢的的幅度超過某個值之後,它才開始吸收。正確選擇RCfangdiandeshijianchangshu,shidianrongqizaixiacichongdianshideshengyudianyaganghaolvegaoyufangbodianyadefudu,erdianrongchongmandiandefuduyoudiyukaiguanguandenaiyafudu,cishidianyuandegongzuoxiaolvzuigao。

[page]
從道理上來說,(2-139)式中反電動勢的最大值要比(2-140)shizhongfandiandongshidepingjunzhigaohenduo,danyouyufenbudianrongdecunzai,fandiandongshideshangshenglvbingmeiyoujisuanjieguonamegao,suoyibatadengxiaochengyigefangbo,jisuanqilaigengweijiandan。shijishangcongnengliangfangmianlaikaolvyeshiwanquankeyide。
(2-140)式對於計算漏感 產生的反電動勢或其它電感產生的反電動勢同樣有效。漏感 中存儲的能量可根據(2-138)式求得;而流過漏感 的電流,對於反激式開關電源:可認為與勵磁電流的大小基本相等,因為,在反激式開關電源中,等效負載電阻等於無限大;對於正激式開關電源:可認為與流過等效負載電阻的電流大小基本相等,因為,在正激式開關電源中,勵磁電流相對於流過等效負載電阻的電流,很小。
在電源開關管Q1關斷期間,對於反激式開關電源,開關變壓器正好通過次級線圈向負載輸出能量(給儲能濾波電容充電),即等效負載電阻R的值很小,產生反電動勢的值也很小;而對於正激式開關電源,此時開關變壓器正好沒有向負載輸出能量,即等效負載電阻R的值非常大,產生反電動勢的值也很大。
因此,在t > t6時刻,開關變壓器初級線圈產生的反電動勢大小,對於正、反激式開關電源來說是不一樣的,即:正激式開關電源的負載特性與反激式開關電源的負載特性正好相反。

從原理上來說,用圖2-44的等效電路來等效開關變壓器的工作原理有些過於簡單,因為,在圖2-44中,當電源開關管Q1突然關斷瞬間,漏感 沒有放電回路,即負載電阻為無限大,根據(2-140)式,漏感 兩端產生的反電動勢將非常大;但實際上,在漏感 產生反電動勢的時候,它是可以通過漏感兩端的分布電容產生並聯振蕩的,因此,我們可以把圖2-44電路進一步改進成如圖2-46所示電路。
在圖2-46中,Cs1、Cs2都是分布電容,它們對於漏感 來說,既可以產生串聯振蕩,又可以產生並聯振蕩。在電源開關管Q1導通瞬間,漏感與分布電容主要是產生串聯振蕩,因為輸入電壓開始向串聯振蕩回路提供能量;在電源開關管Q1關斷瞬間,漏感與分布電容主要是產生並聯振蕩,因為漏感 必須要通過並聯回路釋放能量。在實際應用中,漏感相對於勵磁電感 來說很小,因此如果不考慮漏感的作用,完全可以把Cs1、Cs2看成是一個分布電容。
[page]
由於在變壓器線圈中,分布電容和分布電感是由非常多的電容和漏感互相串、binglianzaiyiqizucheng,ruyaoyangediyongjizhongcanshuwanquanbatamendengxiaoshihennande。zhiyudengxiaodianlushicaiyongchuanlianhaishibinglian,zhezhuyaokantazaidianluzhongsuoqideguanjianzuoyong。liru,zaidianyuankaiguanguanjietongshi,chuanliandianrongdezuoyongshizhuyaode;而在電源開關管關斷時,並聯電容的作用反而是主要的。


從圖2-45-c以及(2-140)式可以看出,漏感 產生反電動勢的幅度一般都等於或大於輸入電源電壓的幅度,即加到電源開關管D極(ji)的(de)電(dian)壓(ya)最(zui)高(gao)可(ke)達(da)輸(shu)入(ru)電(dian)壓(ya)的(de)兩(liang)倍(bei),或(huo)者(zhe)更(geng)高(gao)。這(zhe)是(shi)因(yin)為(wei)電(dian)源(yuan)開(kai)關(guan)管(guan)的(de)關(guan)斷(duan)時(shi)間(jian)一(yi)般(ban)都(dou)很(hen)短(duan),而(er)漏(lou)感(gan)釋(shi)放(fang)能(neng)量(liang)時(shi)等(deng)效(xiao)負(fu)載(zai)電(dian)阻(zu)很(hen)大(da)的(de)緣(yuan)故(gu)。因(yin)此(ci),如(ru)果(guo)不(bu)對(dui)電(dian)源(yuan)開(kai)關(guan)管(guan)采(cai)取(qu)保(bao)護(hu)措(cuo)施(shi),反(fan)電(dian)動(dong)勢(shi)很(hen)容(rong)易(yi)就(jiu)把(ba)電(dian)源(yuan)開(kai)關(guan)管(guan)打(da)穿(chuan)。
根據(2-140)式,降低漏感反電動勢幅度的最有效方法是減小負載電阻 的阻值。圖2-47所示電路,就是一種采用減小負載電阻的方法來降低漏感產生反電動勢幅度的電路。

圖2-47中的D1、R1、C1是shi抑yi製zhi漏lou感gan以yi及ji勵li磁ci電dian感gan產chan生sheng反fan電dian動dong勢shi和he振zhen鈴ling電dian壓ya幅fu度du的de有you效xiao電dian路lu。當dang變bian壓ya器qi初chu級ji漏lou感gan以yi及ji勵li磁ci電dian感gan產chan生sheng反fan電dian動dong勢shi時shi,反fan電dian動dong勢shi通tong過guo二er極ji管guanD1對電容器C1進行充電,相當於電容器把反電動勢的能量吸收掉,從而降低了反電動勢和振鈴電壓的幅度。
電容器C1在吸收反電動勢的能量的過程中,其兩端電壓也會提高,但它可以通過R1進行放電,使電容器兩端的電壓基本保持在一個合理的範圍。即:電容器C1在吸收反電動勢的能量是有條件的,隻有反電動勢的的幅度超過某個值之後,它才開始吸收。正確選擇RCfangdiandeshijianchangshu,shidianrongqizaixiacichongdianshideshengyudianyaganghaolvegaoyufangbodianyadefudu,erdianrongchongmandiandefuduyoudiyukaiguanguandenaiyafudu,cishidianyuandegongzuoxiaolvzuigao。
特別推薦
- 噪聲中提取真值!瑞盟科技推出MSA2240電流檢測芯片賦能多元高端測量場景
- 10MHz高頻運行!氮矽科技發布集成驅動GaN芯片,助力電源能效再攀新高
- 失真度僅0.002%!力芯微推出超低內阻、超低失真4PST模擬開關
- 一“芯”雙電!聖邦微電子發布雙輸出電源芯片,簡化AFE與音頻設計
- 一機適配萬端:金升陽推出1200W可編程電源,賦能高端裝備製造
技術文章更多>>
- 貿澤EIT係列新一期,探索AI如何重塑日常科技與用戶體驗
- 算力爆發遇上電源革新,大聯大世平集團攜手晶豐明源線上研討會解鎖應用落地
- 創新不止,創芯不已:第六屆ICDIA創芯展8月南京盛大啟幕!
- AI時代,為什麼存儲基礎設施的可靠性決定數據中心的經濟效益
- 矽典微ONELAB開發係列:為毫米波算法開發者打造的全棧工具鏈
技術白皮書下載更多>>
- 車規與基於V2X的車輛協同主動避撞技術展望
- 數字隔離助力新能源汽車安全隔離的新挑戰
- 汽車模塊拋負載的解決方案
- 車用連接器的安全創新應用
- Melexis Actuators Business Unit
- Position / Current Sensors - Triaxis Hall
熱門搜索





