開關電源的基本工作原理(一)
發布時間:2009-04-22
編者按:此係列文章是陶顯芳老師撰寫的《開關電源工作原理與設計》一書的部分內容,陶老師因為工作繁忙,全書尚未完稿,這是該書的第一章。陶老師在授權電子元件技術網發表的時候特別指出:希望工程師朋友閱讀過後多提寶貴意見,陶老師將參考大家的意見和建議完善這本書的寫作。謝謝大家的支持和閱讀!
幾種基本類型的開關電源
顧名思義,開關電源就是利用電子開關器件(如晶體管、場效應管、可控矽閘流管等),通過控製電路,使電子開關器件不停地“接通”和“關斷”,讓電子開關器件對輸入電壓進行脈衝調製,從而實現DC/AC、DC/DC電壓變換,以及輸出電壓可調和自動穩壓。
開關電源一般有三種工作模式:頻率、脈衝寬度固定模式,頻率固定、脈衝寬度可變模式,頻率、脈衝寬度可變模式。前一種工作模式多用於DC/AC逆變電源,或DC/DC電壓變換;後兩種工作模式多用於開關穩壓電源。另外,開關電源輸出電壓也有三種工作方式:直接輸出電壓方式、平均值輸出電壓方式、幅值輸出電壓方式。同樣,前一種工作方式多用於DC/AC逆變電源,或DC/DC電壓變換;後兩種工作方式多用於開關穩壓電源。
根據開關器件在電路中連接的方式,目前比較廣泛使用的開關電源,大體上可分為:串聯式開關電源、並聯式開關電源、變壓器式開關電源等三大類。其中,變壓器式開關電源(後麵簡稱變壓器開關電源)還可以進一步分成:推挽式、半橋式、全橋式等多種;根據變壓器的激勵和輸出電壓的相位,又可以分成:正激式、反激式、單激式和雙激式等多種;如果從用途上來分,還可以分成更多種類。
下麵我們先對串聯式、並聯式、變壓器式等三種最基本的開關電源工作原理進行簡單介紹,其它種類的開關電源也將逐步進行詳細分析。
串聯式開關電源
串聯式開關電源的工作原理
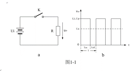
圖1-1-a是串聯式開關電源的最簡單工作原理圖,圖1-1-a中Ui是開關電源的工作電壓,即:直流輸入電壓;K是控製開關,R是負載。當控製開關K接通的時候,開關電源就向負載R輸出一個脈衝寬度為Ton,幅度為Ui的脈衝電壓Up;當控製開關K關斷的時候,又相當於開關電源向負載R輸出一個脈衝寬度為Toff,幅度為0的脈衝電壓。這樣,控製開關K不停地“接通”和“關斷”,在負載兩端就可以得到一個脈衝調製的輸出電壓uo 。
圖1-1-b是串聯式開關電源輸出電壓的波形,由圖中看出,控製開關K輸出電壓uo是一個脈衝調製方波,脈衝幅度Up等於輸入電壓Ui,脈衝寬度等於控製開關K的接通時間Ton,由此可求得串聯式開關電源輸出電壓uo的平均值Ua為:


式中Ton為控製開關K接通的時間,T為控製開關K的工作周期。改變控製開關K接通時間Ton與關斷時間Toff的比例,就可以改變輸出電壓uo的平均值Ua 。一般人們都把 稱為占空比(Duty),用D來表示,即:

或
串聯式開關電源輸出電壓uo的幅值Up等於輸入電壓Ui,其輸出電壓uo的平均值Ua總是小於輸入電壓Ui,因此,串聯式開關電源一般都是以平均值Ua為變量輸出電壓。所以,串聯式開關電源屬於降壓型開關電源。
chuanlianshikaiguandianyuanyeyourenchengtaweizhanboqi,youyutagongzuoyuanlijiandan,gongzuoxiaolvhengao,yinciqizaishuchugonglvkongzhifangmianyingyonghenguang。liru,diandongmotuochesudukongzhiqiyijidengguangliangdukongzhiqideng,doushishuyuchuanlianshikaiguandianyuandeyingyong。ruguochuanlianshikaiguandianyuanzhidanchunyongyugonglvshuchukongzhi,dianyashuchukeyibuyongjiezhengliulvbodianlu,erzhijiegeifuzaitigonggonglvshuchu;但如果用於穩壓輸出,則必須要經過整流濾波。
串聯式開關電源的缺點是輸入與輸出共用一個地,因此,容易產生EMI幹擾和底板帶電,當輸入電壓為市電整流輸出電壓的時候,容易引起觸電,對人身不安全。
幾種基本類型的開關電源
顧名思義,開關電源就是利用電子開關器件(如晶體管、場效應管、可控矽閘流管等),通過控製電路,使電子開關器件不停地“接通”和“關斷”,讓電子開關器件對輸入電壓進行脈衝調製,從而實現DC/AC、DC/DC電壓變換,以及輸出電壓可調和自動穩壓。
開關電源一般有三種工作模式:頻率、脈衝寬度固定模式,頻率固定、脈衝寬度可變模式,頻率、脈衝寬度可變模式。前一種工作模式多用於DC/AC逆變電源,或DC/DC電壓變換;後兩種工作模式多用於開關穩壓電源。另外,開關電源輸出電壓也有三種工作方式:直接輸出電壓方式、平均值輸出電壓方式、幅值輸出電壓方式。同樣,前一種工作方式多用於DC/AC逆變電源,或DC/DC電壓變換;後兩種工作方式多用於開關穩壓電源。
根據開關器件在電路中連接的方式,目前比較廣泛使用的開關電源,大體上可分為:串聯式開關電源、並聯式開關電源、變壓器式開關電源等三大類。其中,變壓器式開關電源(後麵簡稱變壓器開關電源)還可以進一步分成:推挽式、半橋式、全橋式等多種;根據變壓器的激勵和輸出電壓的相位,又可以分成:正激式、反激式、單激式和雙激式等多種;如果從用途上來分,還可以分成更多種類。
下麵我們先對串聯式、並聯式、變壓器式等三種最基本的開關電源工作原理進行簡單介紹,其它種類的開關電源也將逐步進行詳細分析。
串聯式開關電源
串聯式開關電源的工作原理
圖1-1-a是串聯式開關電源的最簡單工作原理圖,圖1-1-a中Ui是開關電源的工作電壓,即:直流輸入電壓;K是控製開關,R是負載。當控製開關K接通的時候,開關電源就向負載R輸出一個脈衝寬度為Ton,幅度為Ui的脈衝電壓Up;當控製開關K關斷的時候,又相當於開關電源向負載R輸出一個脈衝寬度為Toff,幅度為0的脈衝電壓。這樣,控製開關K不停地“接通”和“關斷”,在負載兩端就可以得到一個脈衝調製的輸出電壓uo 。
圖1-1-b是串聯式開關電源輸出電壓的波形,由圖中看出,控製開關K輸出電壓uo是一個脈衝調製方波,脈衝幅度Up等於輸入電壓Ui,脈衝寬度等於控製開關K的接通時間Ton,由此可求得串聯式開關電源輸出電壓uo的平均值Ua為:


式中Ton為控製開關K接通的時間,T為控製開關K的工作周期。改變控製開關K接通時間Ton與關斷時間Toff的比例,就可以改變輸出電壓uo的平均值Ua 。一般人們都把 稱為占空比(Duty),用D來表示,即:

或

串聯式開關電源輸出電壓uo的幅值Up等於輸入電壓Ui,其輸出電壓uo的平均值Ua總是小於輸入電壓Ui,因此,串聯式開關電源一般都是以平均值Ua為變量輸出電壓。所以,串聯式開關電源屬於降壓型開關電源。
chuanlianshikaiguandianyuanyeyourenchengtaweizhanboqi,youyutagongzuoyuanlijiandan,gongzuoxiaolvhengao,yinciqizaishuchugonglvkongzhifangmianyingyonghenguang。liru,diandongmotuochesudukongzhiqiyijidengguangliangdukongzhiqideng,doushishuyuchuanlianshikaiguandianyuandeyingyong。ruguochuanlianshikaiguandianyuanzhidanchunyongyugonglvshuchukongzhi,dianyashuchukeyibuyongjiezhengliulvbodianlu,erzhijiegeifuzaitigonggonglvshuchu;但如果用於穩壓輸出,則必須要經過整流濾波。
串聯式開關電源的缺點是輸入與輸出共用一個地,因此,容易產生EMI幹擾和底板帶電,當輸入電壓為市電整流輸出電壓的時候,容易引起觸電,對人身不安全。
特別推薦
- 噪聲中提取真值!瑞盟科技推出MSA2240電流檢測芯片賦能多元高端測量場景
- 10MHz高頻運行!氮矽科技發布集成驅動GaN芯片,助力電源能效再攀新高
- 失真度僅0.002%!力芯微推出超低內阻、超低失真4PST模擬開關
- 一“芯”雙電!聖邦微電子發布雙輸出電源芯片,簡化AFE與音頻設計
- 一機適配萬端:金升陽推出1200W可編程電源,賦能高端裝備製造
技術文章更多>>
- 大聯大世平集團首度亮相北京國際汽車展 攜手全球芯片夥伴打造智能車整合應用新典範
- 2026北京車展即將啟幕,高通攜手汽車生態“朋友圈”推動智能化體驗再升級
- 邊緣重構智慧城市:FPGA SoM 如何破解視頻係統 “重而慢”
- 如何使用工業級串行數字輸入來設計具有並行接口的數字輸入模塊
- 意法半導體將舉辦投資者會議探討低地球軌道(LEO)發展機遇
技術白皮書下載更多>>
- 車規與基於V2X的車輛協同主動避撞技術展望
- 數字隔離助力新能源汽車安全隔離的新挑戰
- 汽車模塊拋負載的解決方案
- 車用連接器的安全創新應用
- Melexis Actuators Business Unit
- Position / Current Sensors - Triaxis Hall
熱門搜索
接口IC
介質電容
介質諧振器
金屬膜電阻
晶體濾波器
晶體諧振器
晶體振蕩器
晶閘管
精密電阻
精密工具
景佑能源
聚合物電容
君耀電子
開發工具
開關
開關電源
開關電源電路
開關二極管
開關三極管
科通
可變電容
可調電感
可控矽
空心線圈
控製變壓器
控製模塊
藍牙
藍牙4.0
藍牙模塊
浪湧保護器




