開關穩壓器獲得“重生”,高亮度LED閃光燈標功勞最大
發布時間:2015-11-26 來源:BABU TA EDNC Magazine 責任編輯:wenwei
【導讀】該閃光燈標電路(圖1)可用於在高速路上發出求救信號,在停車場、醫院和酒店等場所指示方向。該電路使用了一個大功率LED,其亮度高於普通的白熾閃光燈。采用6V或12V SLA(密封鉛酸)手提燈電池供電,使得電路非常輕便。
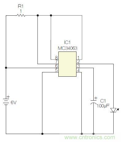
MC34063單片式開關穩壓器子係統是電路的核心(圖2),最初打算用於DC-DC轉換器。該器件在8引腳DIP封裝中集成了電壓基準、比較器、帶有源峰值電流限製電路的占空比受控振蕩器、驅動器和大電流輸出開關。
在6V~12V直流電源下,該電路驅動1W大功率LED以約5%的占空比短暫閃爍。通過監測VCC與輸出開關(引腳1)間放置的1Ω檢測電阻R1的壓降,即可實現對LED的限流。
1 W白光LED的最大電流能力約為350mA。在一個周期開始,C1開始充電,LED電流迅速升高,R1兩端壓降(Ipk檢測引腳IC1-7對其進行監控)隨之增加。
當該電壓相對引腳6高於330mV(即330mA)時,IC中的限流模塊提供額外電流,為定時電容C1充電。這使其很快就能達到振蕩器閾值上限,然後輸出開關將會關斷,C1開始放電。可以通過更改C1的值來改變閃爍頻率,100μF電容約可提供4Hz頻率。
由於LED隻是非常短暫地閃爍,散熱問題幾乎可以忽略不計,一個星形金屬基印製電路板(MCPCB)即可滿足LED的散熱需求。

圖1:閃光燈標電路圖。

圖2:MC34063是該電路核心。
推薦閱讀:
特別推薦
- 噪聲中提取真值!瑞盟科技推出MSA2240電流檢測芯片賦能多元高端測量場景
- 10MHz高頻運行!氮矽科技發布集成驅動GaN芯片,助力電源能效再攀新高
- 失真度僅0.002%!力芯微推出超低內阻、超低失真4PST模擬開關
- 一“芯”雙電!聖邦微電子發布雙輸出電源芯片,簡化AFE與音頻設計
- 一機適配萬端:金升陽推出1200W可編程電源,賦能高端裝備製造
技術文章更多>>
- 貿澤EIT係列新一期,探索AI如何重塑日常科技與用戶體驗
- 算力爆發遇上電源革新,大聯大世平集團攜手晶豐明源線上研討會解鎖應用落地
- 創新不止,創芯不已:第六屆ICDIA創芯展8月南京盛大啟幕!
- AI時代,為什麼存儲基礎設施的可靠性決定數據中心的經濟效益
- 矽典微ONELAB開發係列:為毫米波算法開發者打造的全棧工具鏈
技術白皮書下載更多>>
- 車規與基於V2X的車輛協同主動避撞技術展望
- 數字隔離助力新能源汽車安全隔離的新挑戰
- 汽車模塊拋負載的解決方案
- 車用連接器的安全創新應用
- Melexis Actuators Business Unit
- Position / Current Sensors - Triaxis Hall
熱門搜索
Future
GFIVE
GPS
GPU
Harting
HDMI
HDMI連接器
HD監控
HID燈
I/O處理器
IC
IC插座
IDT
IGBT
in-cell
Intersil
IP監控
iWatt
Keithley
Kemet
Knowles
Lattice
LCD
LCD模組
LCR測試儀
lc振蕩器
Lecroy
LED
LED保護元件
LED背光



