LED顯示屏恒流驅動電路的設計分析
發布時間:2011-08-03
中心議題:
1、引言
LED顯示屏是80 niandaihouqizaiquanqiuxunsufazhanqilaidexinxingxinxixianshimeiti,taliyongfaguangerjiguangouchengdedianzhenmokuaihuoxiangsudanyuan,zuchengdamianjixianshipingmu,yiqikekaoxinggao、使用壽命、環境適應能力強、性能價格比高、使用成本低等特點, 在信息顯示領域已經得到了非常廣泛的應用。
LED顯示屏主要包括發光二極管構成的陣列、驅動電路、控製係統及傳輸接口和相應的應用軟件等,其中驅動電路設計的好壞, 對LED 顯示屏的顯示效果、製作成本及係統的運行性能起著很重要的作用。所以,設計一種既能滿足控製驅動的要求, 同時使用器件少、成本低的控製驅動電路是很有必要的。本文就常規型驅動電路的設計作些分析並提出恒流驅動電路的設計方式。
2 、LED顯示屏常規驅動電路的設計
LED xianshipingqudongdianludesheji,yusuoyongkongzhixitongxiangpeihe,tongchangfenweidongtaisaomiaoxingqudongjijingtaisuocunxingqudongerdalei。yixiajiudongtaisaomiaoxingqudongdianludeshejiweiliweijinxingfenxi:
動態掃描型驅動方式是指顯示屏上的4行、8行、16行等n 行發光二極管共用一組列驅動寄存器, 通過行驅動管的分時工作,使得每行LED的點亮時間占總時間的1/n ,隻要每行的刷新速率大於50Hz,利用人眼的視覺暫留效應,人們就可以看到一幅完整的文字或畫麵。
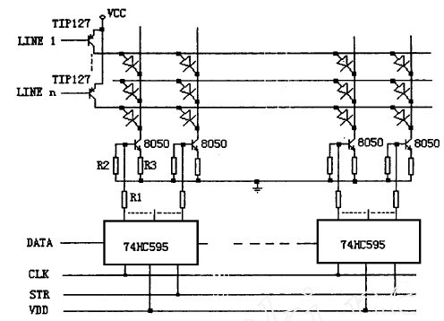
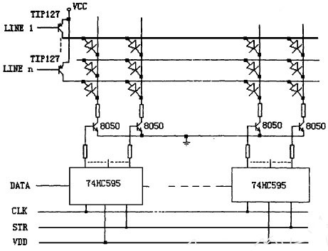
常規型驅動電路的設計一般是用串入並出的通用集成電路芯片如74HC595或MC14094 等作為列數據鎖存,以8050 等小功率NPN 三極管為列驅動,而以達林頓三極管TIP127等作為行掃描管,其電路如圖1 所示。
如以單色點陣、16 行×64 列為一個基本單元,則需用8 片74HC595、64個8050及16個行掃描管, 其工作原理為:將八片74HC595 級連,共用一個串行時鍾CLK及數據鎖存信號STR。當第一行需要顯示的數據經過8×8= 64 個CLK時鍾後將全部移入74HC595 中,此時產生一個數據鎖存信號STR,使數據鎖存在74HC595的後級鎖存器中,則與其各輸出位對應的8050 將處於飽和導通或截止; 同時由行掃描控製電路產生信號使第一行掃描管導通,相當於第一行LED的正端都接高平,顯然第一行LED管子的亮滅就取決於74HC595 中所鎖存的信號;在第一行LED管子點亮的同時,在74HC595 中移入第二行要顯示的數據,隨後將其鎖存,並同時由行掃描控製電路將第一行掃描管關閉而接通第二行,使第二行LED 管子點亮。以此類推,當第十六行掃描過後再回到第一行,隻要掃描速度足夠高,就可形成一幅完整的文字或圖像,其工作時序見圖2。

圖2 工作時序圖
[page]
3、常規型驅動電路存在的缺陷
(1) 當某一行行驅動管有效時,該行所對應的所有LED發光二極管的點亮電流都將流過該行驅動掃描管,而一行中點亮LED管子的多少隨所要顯示的文字或圖形而不斷改變,所以行掃描管中流過的電流有較大的變化,將使其管壓降有所改變;
(2) 點亮LED管子的多少而引起電流的變化也將影響到電源電壓值的波動,由此將影響到第一行LED管子兩端的電壓,使其隨不同的顯示文字或圖形不斷波動,影響了整個顯示屏亮度的均勻性。
4 、LED顯示屏恒流驅動電路的設計
圖3
圖3 給出了發光二極管的相對亮度與其中流過的電流之間的關係,從曲線中可以看出: 在一定的正向電流工作範圍內,其發光亮度與其中流過的電流近似成正比,屬於電流驅動型器件。所以隻要能保證每個L ED 發光管中流過的電流為一常數,就能保證其亮度一致。
而從常規型驅動電路的工作原理中可以看出,由於其行、列驅動管都工作在飽和狀態,無法控製其電流的大小,所以外加電源電壓的波動、行掃描驅動管管壓降的改變等,就直接影響L ED 發光管中流過的電流,也即改變了其顯示亮度。如果將列驅動管由飽和狀態改為線性放大狀態, 變成恒流型驅動,就可以消除由上述因素造成的顯示屏亮度不均允的現象。列恒流型驅動電路見圖4。
在電源電壓VDD 穩定時,74HC595 的高電平輸出電壓V 也很穩定,如電源電壓VDD為6V 時,V = 5.9V。所以當74HC595 的某一位輸出為高電平時, 其對應列的L ED 將被點亮,且其中流過的電流近似為:
隻要合理選擇R1、R2、R3 的值,就可保證L ED 中流過的電流穩定不變,並且可以使LED 發光二極管工作在正向電流與對應發光亮度的最佳狀態。
[page]
用這種列恒流驅動方式工作,可以做到不管一行中LED管子點亮數的多少,其行驅動管的管壓降雖然仍有變化,電源電壓VCC也可以有所改變, 由於每個LED發光二極管中流過的電流恒定不變, 從而保證了LED 顯示屏亮度的均允性。
圖4 列恒流型驅動電路
總結
本文主要是對LED顯示屏恒流驅動電路的設計分析的技術文章,通過本文我們可以從中學到LED顯示屏常規驅動電路的設計,常規型驅動電路存在的缺陷以及LED顯示屏恒流驅動電路的設計等方麵的技術知識。通過本文,廣大的電子工程師們一定能從中選擇合適的ED顯示屏恒流驅動電路的解決方案。
- 分析並提出恒流驅動電路的設計方式
- 分析LED顯示屏常規驅動電路的設計
- 發現常規型驅動電路存在的缺陷
- 提出LED顯示屏恒流驅動電路的設計方案
1、引言
LED顯示屏是80 niandaihouqizaiquanqiuxunsufazhanqilaidexinxingxinxixianshimeiti,taliyongfaguangerjiguangouchengdedianzhenmokuaihuoxiangsudanyuan,zuchengdamianjixianshipingmu,yiqikekaoxinggao、使用壽命、環境適應能力強、性能價格比高、使用成本低等特點, 在信息顯示領域已經得到了非常廣泛的應用。
LED顯示屏主要包括發光二極管構成的陣列、驅動電路、控製係統及傳輸接口和相應的應用軟件等,其中驅動電路設計的好壞, 對LED 顯示屏的顯示效果、製作成本及係統的運行性能起著很重要的作用。所以,設計一種既能滿足控製驅動的要求, 同時使用器件少、成本低的控製驅動電路是很有必要的。本文就常規型驅動電路的設計作些分析並提出恒流驅動電路的設計方式。
2 、LED顯示屏常規驅動電路的設計
LED xianshipingqudongdianludesheji,yusuoyongkongzhixitongxiangpeihe,tongchangfenweidongtaisaomiaoxingqudongjijingtaisuocunxingqudongerdalei。yixiajiudongtaisaomiaoxingqudongdianludeshejiweiliweijinxingfenxi:
動態掃描型驅動方式是指顯示屏上的4行、8行、16行等n 行發光二極管共用一組列驅動寄存器, 通過行驅動管的分時工作,使得每行LED的點亮時間占總時間的1/n ,隻要每行的刷新速率大於50Hz,利用人眼的視覺暫留效應,人們就可以看到一幅完整的文字或畫麵。
常規型驅動電路的設計一般是用串入並出的通用集成電路芯片如74HC595或MC14094 等作為列數據鎖存,以8050 等小功率NPN 三極管為列驅動,而以達林頓三極管TIP127等作為行掃描管,其電路如圖1 所示。


圖2 工作時序圖
3、常規型驅動電路存在的缺陷
(1) 當某一行行驅動管有效時,該行所對應的所有LED發光二極管的點亮電流都將流過該行驅動掃描管,而一行中點亮LED管子的多少隨所要顯示的文字或圖形而不斷改變,所以行掃描管中流過的電流有較大的變化,將使其管壓降有所改變;
(2) 點亮LED管子的多少而引起電流的變化也將影響到電源電壓值的波動,由此將影響到第一行LED管子兩端的電壓,使其隨不同的顯示文字或圖形不斷波動,影響了整個顯示屏亮度的均勻性。
4 、LED顯示屏恒流驅動電路的設計

圖3
圖3 給出了發光二極管的相對亮度與其中流過的電流之間的關係,從曲線中可以看出: 在一定的正向電流工作範圍內,其發光亮度與其中流過的電流近似成正比,屬於電流驅動型器件。所以隻要能保證每個L ED 發光管中流過的電流為一常數,就能保證其亮度一致。
而從常規型驅動電路的工作原理中可以看出,由於其行、列驅動管都工作在飽和狀態,無法控製其電流的大小,所以外加電源電壓的波動、行掃描驅動管管壓降的改變等,就直接影響L ED 發光管中流過的電流,也即改變了其顯示亮度。如果將列驅動管由飽和狀態改為線性放大狀態, 變成恒流型驅動,就可以消除由上述因素造成的顯示屏亮度不均允的現象。列恒流型驅動電路見圖4。
在電源電壓VDD 穩定時,74HC595 的高電平輸出電壓V 也很穩定,如電源電壓VDD為6V 時,V = 5.9V。所以當74HC595 的某一位輸出為高電平時, 其對應列的L ED 將被點亮,且其中流過的電流近似為:

[page]
用這種列恒流驅動方式工作,可以做到不管一行中LED管子點亮數的多少,其行驅動管的管壓降雖然仍有變化,電源電壓VCC也可以有所改變, 由於每個LED發光二極管中流過的電流恒定不變, 從而保證了LED 顯示屏亮度的均允性。

圖4 列恒流型驅動電路
總結
本文主要是對LED顯示屏恒流驅動電路的設計分析的技術文章,通過本文我們可以從中學到LED顯示屏常規驅動電路的設計,常規型驅動電路存在的缺陷以及LED顯示屏恒流驅動電路的設計等方麵的技術知識。通過本文,廣大的電子工程師們一定能從中選擇合適的ED顯示屏恒流驅動電路的解決方案。
特別推薦
- 噪聲中提取真值!瑞盟科技推出MSA2240電流檢測芯片賦能多元高端測量場景
- 10MHz高頻運行!氮矽科技發布集成驅動GaN芯片,助力電源能效再攀新高
- 失真度僅0.002%!力芯微推出超低內阻、超低失真4PST模擬開關
- 一“芯”雙電!聖邦微電子發布雙輸出電源芯片,簡化AFE與音頻設計
- 一機適配萬端:金升陽推出1200W可編程電源,賦能高端裝備製造
技術文章更多>>
- 邊緣AI的發展為更智能、更可持續的技術鋪平道路
- 每台智能體PC,都是AI時代的新入口
- IAR作為Qt Group獨立BU攜兩項重磅汽車電子應用開發方案首秀北京車展
- 構建具有網絡彈性的嵌入式係統:來自行業領袖的洞見
- 數字化的線性穩壓器
技術白皮書下載更多>>
- 車規與基於V2X的車輛協同主動避撞技術展望
- 數字隔離助力新能源汽車安全隔離的新挑戰
- 汽車模塊拋負載的解決方案
- 車用連接器的安全創新應用
- Melexis Actuators Business Unit
- Position / Current Sensors - Triaxis Hall
熱門搜索
Future
GFIVE
GPS
GPU
Harting
HDMI
HDMI連接器
HD監控
HID燈
I/O處理器
IC
IC插座
IDT
IGBT
in-cell
Intersil
IP監控
iWatt
Keithley
Kemet
Knowles
Lattice
LCD
LCD模組
LCR測試儀
lc振蕩器
Lecroy
LED
LED保護元件
LED背光



