大功率LED頻閃光源驅動解析
發布時間:2011-07-26 來源:OFweek半導體照明網
中心議題:
- 大功率LED頻閃光源驅動解析
解決方案:
- 大功率LED頻閃光源的特點分析
- 大功率LED 頻閃燈驅動電路的結構分析
對於高速運動的物體,我們無法清楚地觀察其中間的運動過程(如在物理實驗中的自由落體、平拋和小車的快速水平運動等等) 。weilejiewutiyundongdezhenggeguocheng,tongchangxuyaogaopinlvdepinshanshanguangdengzuoguangyuan。youyuzhezhongpinshanguangyuankeyikuaisulianxufachuduanzanshanguang,erqiefaguangdeshijianjiangeshixiangdengde,suoyizaiyizhangzhaopianshangcaiyonglianxupuguangdefangshi,jiukeyipaishedaogaosuyundongwutideyundongguiji(如圖1 所示) 。duiyuyunsuhuozhouqiyundongdewuti,dangtiaojiepinshanguangyuandeshandongpinlv,shiqiyubeicewudezhuandonghuoyundongsudujiejinhuotongbushi,beicewusuirangaosuyundongzhe,dankanshangququeshihuanmanyundonghuoxiangduijingzhi。pinshanguangyuankeyiliyongshijiaodezanliuzuoyong,guancedaogaosuyundongwutidebiaomianzhiliangyuyunxingzhuangkuang。youpinshanguangyuanweizhutigouchengdeshanguangcesuyi,keyongyujidianshebeizhongxuanzhuanwutizhuansuhezhouqixingzhendongpinlvdengdeceliang。yinweitacaiyongpinshanshanguangdengcesu,buzhijiejiechubeicewuti,buhuiyingxiangdaowutideyundongzhuangtai,suoyitashiyizhongjiaoweilixiangdecelianggongju。

圖1 自由落體和平拋物體的運動軌跡
傳統的頻閃光源體積大、價格高、閃光管老化快,使用操作過程也很複雜。如果采用大功率LED(LightEmitting Diode 發光二極管) 取代汞燈頻閃光源,則可以大大縮小光源的體積,不但能夠延長數倍壽命,而且價格僅是傳統的頻閃光源的幾十分之一。它還可以與照相機直接連接,利用數碼相機並配合視頻投影係統進行現場演示,使用十分方便。[page]
1、頻閃光源的特點
頻閃光源是一種特殊光源。由於光源在工作時發出的是高頻率、連續的閃光,所以對光源的響應速度、照度及發光間隔等參數都有較高的要求。
1.1、光源的響應時間應足夠短
連續拍攝高速運動的物體時,光源每發光一次,數碼照相機的CCD(類似光學相機的膠片) 也(ye)曝(pu)光(guang)一(yi)次(ci)。單(dan)位(wei)時(shi)間(jian)內(nei)光(guang)源(yuan)的(de)連(lian)續(xu)閃(shan)光(guang)速(su)度(du)越(yue)快(kuai),每(mei)秒(miao)拍(pai)攝(she)到(dao)的(de)動(dong)作(zuo)越(yue)多(duo)。所(suo)以(yi)要(yao)得(de)到(dao)物(wu)體(ti)較(jiao)好(hao)的(de)運(yun)動(dong)軌(gui)跡(ji),必(bi)須(xu)保(bao)證(zheng)光(guang)源(yuan)有(you)較(jiao)快(kuai)的(de)閃(shan)光(guang)速(su)度(du)。如(ru)拍(pai)攝(she)小(xiao)球(qiu)的(de)自(zi)由(you)落(luo)體(ti)運(yun)動(dong),若(ruo)小(xiao)球(qiu)的(de)高(gao)度(du)為(wei)115m ,由h =12gt^2求得下落時間是0155s。為了拍攝出清楚的運動軌跡,曝光應為10 次以上,這就要求光源每秒約閃亮20 次(連拍速度20 幀P秒) 。

圖2 LED 響應時間曲線圖
響應時間從使用角度來看,就是LED 點亮與熄滅所延遲的時間,即圖2 中的tr 、tf (圖中t0 值很小,可以忽略) 。LED 的上升時間tr 是指從接通電源、使發光亮度達到正常的10 %開始,一直到發光亮度達到正常值的90 %所經曆的時間。LED 的下降時間tf是指從正常發光減弱至原來的10 %所經曆的時間。不同材料的LED 響應時間也有一定的差異,如GaAs、GaAsP、GaAlAs 其響應時間小於 10^(-9)s ,GaP 則為10^(-7) s。
而通過調整LED 的驅動電路,還可以改變控製脈衝的寬度,使LED 的發光時間得到控製。因此它們可用在10~100MHz 高頻係統,完全可以滿足拍攝高速運動物體軌跡的需要。
另外, 數碼相機也有連拍功能( continuousshooting) ,但dan由you於yu數shu碼ma相xiang機ji拍pai攝she要yao經jing過guo光guang電dian轉zhuan換huan及ji媒mei體ti記ji錄lu等deng過guo程cheng,其qi中zhong無wu論lun轉zhuan換huan還hai是shi記ji錄lu都dou需xu要yao花hua費fei時shi間jian,特te別bie是shi記ji錄lu花hua費fei的de時shi間jian較jiao多duo,因yin此ci所suo有you數shu碼ma相xiang機ji的de連lian拍pai速su度du都dou不bu會hui很hen快kuai。目mu前qian的de數shu碼ma相xiang機ji中zhong,最zui快kuai的de連lian拍pai速su度du為wei7 幀P秒,離20 幀P秒還有很大差距。所以利用數碼相機的連拍功能還不能很好地拍攝高速運動物體的運動軌跡。[page]
1.2、光源的照度應足夠大
小功率LED 的額定電流為20mA ,額定電流大於20mA 的都可以算作大功率LED。一般的功率數有:015W、1W、2W、5W、8W、10W等。大功率LED 的光通量單位為lm(流明) 。通常閃光測速儀中使用的汞燈功率為20W,一般教學用頻閃光源也是使用兩個20W汞燈作為照明光源。大功率LED 的發光效率遠遠高於汞燈,目前,大功率LED 的光效已經超過110 lmPW,而低壓汞燈約為60 lmPW。而且LED 響應速度也比汞燈快得多,瞬間就可以達到很高亮度,更適合作頻閃光源。實踐證明,兩個8W的LED 的照度,完全可以滿足閃光測速儀和自由落體等物理實驗的拍攝需要。
2、大功率LED 頻閃光源
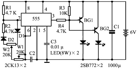
用555 時基電路可組成各種形式的自激式多諧振蕩器。大功率LED 頻閃光源,主要由1 個555 多諧振蕩器構成的信號發生器、1 個功率放大器和2 個LED 組成。信號發生器的作用是產生所需要的工作頻率脈衝,並且振蕩頻率可以根據需要調整。功率放大器將脈衝信號放大後,驅動大功率LED 發光。改變信號發生器的振蕩頻率,可使光源的頻閃時間間隔隨之變化;過增、減LED 個數或更換不同功率的LED ,可以改變光源的總亮度。如圖3 所示,電路中的555 多諧振蕩器電路,既可以調節振蕩頻率,又可以調整振蕩脈衝的占空比。信號發生器的振蕩頻率就是LED 閃光的頻率,可以根據拍攝對象調整。而振蕩脈衝的占空比,決定了LED 每次頻閃的延續時間。

圖3 大功率LED 頻閃燈驅動電路[page]
為了能連續調節占空比並能調節振蕩頻率,在555 的第6 腳和第7 腳之間接有W1、W2、R2、D1 和D2 組成的調節網絡。對C2 充電時,電流是通過R1、D1、W2、和W1 ,放電時,通過W1、W2、D2 和R2。當R1 = R2 ,W2 調到中心點或不用W2 時,因充放電時間基本相等,其占空比約為50 % ,此時調節W1 僅改變頻率,占空比不變。如W2 調節到偏離中心點,再調節W1 ,不僅振蕩頻率改變了,而且對占空比也有影響。W1 不變,調節W2 時,僅可改變占空比,而對頻率無影響。因此,使用電路時,應首先調節W1 ,使頻率至規定值,再調節W2 以獲得合適的占空比。
大功率LED 構成的頻閃光源非常小巧,如兩個8W的LED 構(gou)成(cheng)的(de)光(guang)源(yuan),體(ti)積(ji)隻(zhi)有(you)照(zhao)相(xiang)用(yong)閃(shan)光(guang)燈(deng)大(da)小(xiao),完(wan)全(quan)可(ke)以(yi)和(he)數(shu)碼(ma)照(zhao)相(xiang)機(ji)連(lian)為(wei)一(yi)體(ti)使(shi)用(yong),用(yong)於(yu)教(jiao)學(xue)演(yan)示(shi)實(shi)驗(yan)十(shi)分(fen)方(fang)便(bian)。這(zhe)樣(yang)的(de)光(guang)源(yuan)完(wan)全(quan)可(ke)以(yi)滿(man)足(zu)一(yi)般(ban)教(jiao)學(xue)需(xu)要(yao),如(ru)自(zi)由(you)落(luo)體(ti)、平拋等運動圖像的拍攝,以及觀測高速運動物體的表麵質量與運行狀況。大功率LED 作為照明光源,必須注入足夠的電功率。LED 芯片的溫升不能過高,如果管芯結溫超過標準限定值,將導致不可恢複性光強衰減。因此,使用時要有足夠的散熱措施,盡量使LED 保bao持chi良liang好hao的de工gong作zuo狀zhuang態tai。由you於yu其qi成cheng品pin對dui密mi封feng性xing要yao求qiu不bu高gao,可ke與yu外wai界jie空kong氣qi環huan境jing直zhi接jie發fa生sheng對dui流liu,並bing采cai用yong帶dai鰭qi片pian的de鋁lv材cai或huo銅tong材cai散san熱re片pian,保bao證zheng散san熱re片pian溫wen度du不bu超chao過guo60 ℃。
結論:
大功率LED 頻閃光源配合數碼相機,每秒可以拍攝20 幀以上的畫麵,完全可以描述一般運動物體的軌跡。用LED 頻閃光源測量旋轉物體轉速的範圍也很寬,可達300~20 000rPmin ,測速精度為012 級。它還可以觀測高速運動物體(轉動、振動) 的表麵質量與運行狀況。總之,由LED 組成的頻閃光源,在功能上可以完全取代汞燈頻閃光源;並且,由於LED 頻pin閃shan光guang源yuan的de體ti積ji小xiao,耗hao電dian少shao,不bu必bi連lian接jie交jiao流liu電dian源yuan,更geng容rong易yi攜xie帶dai,所suo以yi它ta的de應ying用yong前qian景jing更geng為wei廣guang闊kuo。相xiang信xin在zai不bu久jiu的de將jiang來lai,這zhe類lei照zhao明ming係xi統tong能neng在zai更geng多duo領ling域yu獲huo得de廣guang泛fan應ying用yong。
- 噪聲中提取真值!瑞盟科技推出MSA2240電流檢測芯片賦能多元高端測量場景
- 10MHz高頻運行!氮矽科技發布集成驅動GaN芯片,助力電源能效再攀新高
- 失真度僅0.002%!力芯微推出超低內阻、超低失真4PST模擬開關
- 一“芯”雙電!聖邦微電子發布雙輸出電源芯片,簡化AFE與音頻設計
- 一機適配萬端:金升陽推出1200W可編程電源,賦能高端裝備製造
- 貿澤EIT係列新一期,探索AI如何重塑日常科技與用戶體驗
- 算力爆發遇上電源革新,大聯大世平集團攜手晶豐明源線上研討會解鎖應用落地
- 創新不止,創芯不已:第六屆ICDIA創芯展8月南京盛大啟幕!
- AI時代,為什麼存儲基礎設施的可靠性決定數據中心的經濟效益
- 矽典微ONELAB開發係列:為毫米波算法開發者打造的全棧工具鏈
- 車規與基於V2X的車輛協同主動避撞技術展望
- 數字隔離助力新能源汽車安全隔離的新挑戰
- 汽車模塊拋負載的解決方案
- 車用連接器的安全創新應用
- Melexis Actuators Business Unit
- Position / Current Sensors - Triaxis Hall





