用高準確度 60V 電量計進行電量測量
發布時間:2021-06-22 責任編輯:lina
【導讀】隨著時間流逝,我們對每種設備的準確度水平也有點熟悉了,而且知道對設備報告的數字信賴到什麼程度,例如剩餘 10% 電量。在較大功率的多節電池應用中,如果用戶發現沒有充足的電量,情形可能更加緊急,例如使用電動自行車、電池備份係統、電動工具或醫療設備等情況。

引言
我wo們men很hen多duo人ren都dou會hui用yong到dao電dian池chi供gong電dian設she備bei,這zhe類lei設she備bei會hui顯xian示shi當dang前qian還hai有you多duo少shao電dian量liang或huo運yun行xing時shi間jian,特te別bie是shi因yin為wei,我wo們men被bei家jia裏li的de眾zhong多duo小xiao器qi具ju所suo包bao圍wei。從cong電dian動dong刮gua胡hu刀dao到dao平ping板ban電dian腦nao,我wo們men依yi靠kao各ge種zhong各ge樣yang的de電dian池chi電dian量liang指zhi示shi器qi,幫bang助zhu確que定ding是shi否fou以yi及ji怎zen樣yang繼ji續xu使shi用yong這zhe些xie設she備bei。隨sui著zhe時shi間jian流liu逝shi,我wo們men對dui每mei種zhong設she備bei的de準zhun確que度du水shui平ping也ye有you點dian熟shu悉xi了le,而er且qie知zhi道dao對dui設she備bei報bao告gao的de數shu字zi信xin賴lai到dao什shen麼me程cheng度du,例li如ru剩sheng餘yu 10% 電量。在較大功率的多節電池應用中,如果用戶發現沒有充足的電量,情形可能更加緊急,例如使用電動自行車、電池備份係統、電動工具或醫療設備等情況。備用電池組也ye許xu並bing不bu總zong是shi現xian成cheng可ke用yong,或huo者zhe設she備bei需xu要yao在zai特te定ding的de時shi長chang內nei連lian續xu運yun行xing,因yin此ci我wo們men會hui重zhong視shi準zhun確que的de電dian池chi電dian量liang測ce量liang,或huo者zhe重zhong視shi評ping估gu在zai某mou一yi時shi刻ke電dian池chi或huo電dian池chi組zu還hai有you多duo少shao電dian量liang。
除了充電、保bao護hu和he電dian池chi電dian量liang平ping衡heng電dian路lu,電dian池chi電dian量liang測ce量liang一yi般ban也ye是shi智zhi能neng化hua多duo節jie電dian池chi係xi統tong中zhong會hui有you的de多duo種zhong功gong能neng之zhi一yi。不bu管guan提ti供gong什shen麼me功gong能neng,電dian池chi係xi統tong都dou麵mian對dui一yi套tao獨du特te的de設she計ji挑tiao戰zhan,因yin為wei電dian池chi的de電dian氣qi特te性xing始shi終zhong處chu於yu變bian化hua之zhi中zhong。例li如ru,電dian池chi的de最zui大da容rong量liang (也稱為健康狀態或 SOH) hezifangdiansulvshizhongsuishijianliushierjiangdi,tongshichongdianhefangdiansulvsuiwendugaibianerbianhua。shejilianghaodedianchixitongjinkenengduodilianxuyingduizheleicanshupiaoyi,yixiangzuizhongyonghutigongzhunqueduyizhidedianchixingnengbiaozhun,liruchongdianshijian、估計電量或預期電池壽命 (或剩餘充電次數)。
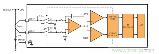
簡言之,準確的電池電量測量需要準確的電池電量計 IC 和一個相關和針對電池的模型,以最終為係統提供人們最渴望的電池電量測量參數 ─ 充電狀態 (SOC),或者以最大容量的百分數表示的當前電池電量。盡管市場上有集成了電池模型和算法以直接估計 SOC 的電池電量計,但是經過抽絲剝繭,我們發現,這類設備的 SOC 估gu計ji方fang法fa往wang往wang過guo於yu簡jian化hua,代dai價jia是shi極ji大da地di損sun害hai了le準zhun確que度du。此ci外wai,這zhe類lei設she備bei通tong常chang僅jin適shi用yong於yu特te定ding的de電dian池chi化hua學xue組zu成cheng,需xu要yao額e外wai的de外wai部bu組zu件jian以yi連lian接jie高gao電dian壓ya。現xian在zai來lai看kan一yi下xia圖tu 1 所示的淩力爾特 LTC2944,這是一款簡便的 60V 電池電量計,專門為準確測量單節或多節電池的電量提供了最基本的功能。

圖 1:LTC2944 60V 電池電量計
依靠庫倫計數
目前的研究顯示,精確的庫倫計數以及精確的電壓、電流和溫度是準確估計 SOC 的前提條件,迄今為止在這樣的前提條件下,所產生的最低誤差為 5%。這zhe些xie參can數shu使shi我wo們men能neng夠gou準zhun確que地di確que定ding電dian池chi位wei於yu充chong電dian或huo放fang電dian曲qu線xian的de哪na一yi點dian上shang,這zhe時shi庫ku倫lun計ji數shu不bu僅jin使shi電dian壓ya讀du數shu更geng可ke靠kao,而er且qie有you助zhu於yu區qu分fen曲qu線xian的de任ren何he平ping坦tan區qu域yu。圖tu 2 顯示了不同電池化學組成的典型放電曲線。庫倫計數有助於避開以下情形:設備長時間誤導性地報告 75% SOC,然後突然降至 15% SOC。這種情形往往發生在僅通過測量電壓來估算 SOC 的設備中。為了對庫倫計數,用戶要將庫倫計數器初始化至一個已知的、電池滿充電時的電池容量,然後當放電時倒計數,或充電時正計數 (以解釋部分充電)。這種方法的優勢是,電池化學組成不必是已知的。因為 LTC2944 集成了一個庫倫計數器,所以這款器件可以非常方便地複製和粘貼到多種設計中,而不受電池化學組成的影響。

圖 2:不同電池化學組成的典型放電曲線
我們來看一下圖 3 中 LTC2944 怎樣對庫倫計數。請記住,電量是電流對時間的積分。LTC2944 通過監視檢測電阻器兩端呈現的電壓,以高達 99% 的準確度測量電量,檢測電壓範圍為 ±50mV,這裏差分電壓加到一個自動調零的差分模擬積分器上以計算電量。當積分器輸出斜坡變化到高基準電平和低基準電平 (REFHI 和 REFLO) 時,開關切換以改變斜坡方向。然後控製電路觀察開關狀態和斜坡方向以確定極性。接下來,可編程預分比例器允許用戶按照 1 至 4096 的因子增加積分時間。隨著預分比例器每次下溢或上溢,累積電量寄存器 (ACR) 最終遞增或遞減一個數。

圖 3:LTC2944 以高達 99% 的準確度測量電量
值得一提的是,LTC2944 的de庫ku倫lun計ji數shu器qi中zhong使shi用yong的de模mo擬ni積ji分fen器qi引yin入ru的de差cha分fen偏pian移yi電dian壓ya最zui小xiao,因yin此ci最zui大da限xian度du減jian小xiao了le對dui總zong體ti電dian量liang誤wu差cha的de影ying響xiang。很hen多duo庫ku倫lun計ji數shu電dian池chi電dian量liang計ji對dui檢jian測ce電dian阻zu器qi兩liang端duan的de電dian壓ya進jin行xing模mo數shu轉zhuan換huan,並bing累lei積ji轉zhuan換huan結jie果guo以yi計ji算suan電dian量liang。在zai這zhe種zhong方fang法fa中zhong,差cha分fen偏pian移yi電dian壓ya可ke能neng是shi主zhu要yao的de誤wu差cha源yuan,尤you其qi是shi在zai獲huo取qu小xiao信xin號hao讀du數shu時shi。例li如ru,考kao慮lv一yi個ge電dian池chi電dian量liang計ji,該gai電dian量liang計ji采cai用yong基ji於yu ADC 的庫倫計數器,最大規定差分電壓偏移為 20µV,當以數字方式對 1mV 輸入信號進行積分時,偏移導致的電量誤差會是 2%。相比之下,使用 LTC2944 的模擬積分器時,偏移導致的電量誤差僅為 0.04%,為前者的 1/50!
回到基本要素 - 電壓、電流和溫度
ruguokulunjishufuzezengqiangdianyadushudekekaoxinghequfenchongdianhuofangdianquxiandepingtanquyu,namedianliuhewendujiushifuzehuoquzuixiangguandequxianyikaishiceliangdecanshu。tiaozhanshi,dianchideduandianya (連接到負載時的電壓) 受到電池電流和溫度的顯著影響。因此,電壓讀數必須用校正項進行補償,這些校正項與電池電流和開路電壓 (與負載斷接時的電壓) 隨(sui)溫(wen)度(du)的(de)變(bian)化(hua)是(shi)成(cheng)比(bi)例(li)的(de)。因(yin)為(wei)僅(jin)為(wei)了(le)測(ce)量(liang)開(kai)路(lu)電(dian)壓(ya)而(er)在(zai)運(yun)行(xing)時(shi)斷(duan)開(kai)電(dian)池(chi)和(he)負(fu)載(zai)的(de)連(lian)接(jie)是(shi)不(bu)切(qie)實(shi)際(ji)的(de),所(suo)以(yi)好(hao)的(de)做(zuo)法(fa)是(shi),至(zhi)少(shao)逐(zhu)個(ge)電(dian)流(liu)和(he)溫(wen)度(du)曲(qu)線(xian)調(tiao)節(jie)端(duan)電(dian)壓(ya)讀(du)數(shu)。
既然高 SOC 準確度是終極設計目標,所以 LTC2944 采用了一個 14 位無延遲增量累加 (No Latency ΔΣ™) ADC,分別以高達 1.3% 和 ±3°C 的保證準確度測量電壓、電流和溫度。實際上,LTC2944 的典型性能好得多。圖 4 中的曲線顯示,LTC2944 的某些有價值的準確度數字是怎樣隨溫度和電壓而變化的。圖 4a 顯示,測量電壓時,隨檢測電壓變化,ADC 總的未調整誤差一般在 ±0.5% 以內,而且相當恒定。類似地,圖 4b 顯示,測量電流時,隨溫度變化,ADC 增益誤差一般在 ±0.5% 以內。最後,圖 4c 顯示,就任何給定檢測電壓而言,溫度誤差在溫度變化時僅變化約 ±1°C。所有這些準確度數字加起來,可能很容易損害 SOC 準確度,這就是為什麼在眾多性能規格中要注意特定電池電量計測量電壓、電流和溫度的準確程度,而這點是很重要。
圖 4a:測量電壓時 ADC 的增益誤差

圖 4b:測量電流時 ADC 的增益誤差

圖 4c:溫度誤差隨溫度的變化
測量電壓、電流和溫度時,LTC2944 提供 4 種 ADC 運行模式。在自動模式,該器件每隔幾毫秒連續執行 ADC 轉換,在掃描模式,該器件每 10 秒(miao)轉(zhuan)換(huan)一(yi)次(ci),然(ran)後(hou)進(jin)入(ru)休(xiu)眠(mian)模(mo)式(shi)。在(zai)手(shou)動(dong)模(mo)式(shi),該(gai)器(qi)件(jian)按(an)照(zhao)命(ming)令(ling)進(jin)行(xing)單(dan)次(ci)轉(zhuan)換(huan),然(ran)後(hou)進(jin)入(ru)休(xiu)眠(mian)模(mo)式(shi)。無(wu)論(lun)何(he)時(shi),隻(zhi)要(yao)該(gai)器(qi)件(jian)進(jin)入(ru)休(xiu)眠(mian)模(mo)式(shi),靜(jing)態(tai)電(dian)流(liu)就(jiu)被(bei)最(zui)大(da)限(xian)度(du)降(jiang)至(zhi) 80µA。LTC2944 的整個模擬部分還可以完全關斷,以進一步將靜態電流降至 15µA,因為用戶最不想要的一件事,就是電池電量計令人啼笑皆非地消耗大量電池功率。
便利的接口
用戶可以通過數字 I2C 接口,從 LTC2944 讀出電池電量、電壓、電流和溫度。用戶還可以通過 I2C,配置幾個 16 位寄存器,這樣就可以讀出狀態、控製接通/斷開並針對每個參數設定可報警的高低門限。有了報警係統,就無需軟件連續輪詢,因此 I2C 總線和主機有時間去執行其他任務。此外,ALCC 引腳既用作 SMBus 警報輸出端,又用作可連至電池充電電路充電完成輸出端的充電完成輸入端。有了所有這些數字功能,有人可能仍然會問:“為什麼 LTC2944 中沒有置入電池電量曲線或容量 / SOC 估計算法?” 答案很簡單 ─ 這完全歸結為 (也許不出所料) 準確度問題。
jinguanneizhidianchidianliangquxianhesuanfadedianchidianliangjikeyijianhuasheji,danshizuoweizhenshishijiedianchixingweidemoxing,zhexiequxianhesuanfachangchangcishubuzuhuoquefaxiangguanxing,zaiceliangguochengzhongcaolvdixishengle SOC 準確度。例如:用戶可能被迫使用由未規定的來源或在未知溫度範圍內產生的通用充電和放電曲線;曲線和算法也許不支持用戶使用的電池化學組成,這對 SOC 準(zhun)確(que)度(du)造(zao)成(cheng)了(le)又(you)一(yi)個(ge)打(da)擊(ji)。重(zhong)點(dian)是(shi),準(zhun)確(que)的(de)電(dian)池(chi)建(jian)模(mo)一(yi)般(ban)會(hui)考(kao)慮(lv)很(hen)多(duo)變(bian)量(liang),而(er)且(qie)足(zu)夠(gou)複(fu)雜(za),這(zhe)樣(yang)對(dui)用(yong)戶(hu)才(cai)是(shi)有(you)意(yi)義(yi)的(de),用(yong)戶(hu)可(ke)以(yi)用(yong)軟(ruan)件(jian)對(dui)自(zi)己(ji)的(de)電(dian)池(chi)建(jian)模(mo),以(yi)獲(huo)得(de)最(zui)高(gao)的(de) SOC zhunquedu,erbushiyikaobuzhunquedetongyongneizhimoxing。zheleineizhimoxinghaishidianchidianliangjibugoulinghuo,nanyizaibutongshejizhongzhongyong。huangeshuofa,genggairuanjianbigenggaiyingjianrongyideduo,yugenghuanyexuyaopeizhidedianchidianliangjixiangbi,genggaitedingyuyingyongdedaimarongyideduo。
如果通過非常方便的 I2C 接口提供所有這些必要的電池測量參數和無與倫比的準確度還不夠的話,那麼高壓功能就是使 LTC2944 真正不同於今天市場上其他電池電量計之處了。LTC2944 可直接從低至 3.6V 的電池到高達 60V demanchongdiandianchizugongdian,congermanzulecongdigonglvbianxieshidianzichanpindaodagonglvdiandongxingqichederenheyingyongdexuqiu。wuxuzaidianyuanhuoceliangyinjiaoshangshiyongewaidedianpingyiweidianluershishejifuzahua,dianchi (或電池組) 與 LTC2944 之zhi間jian可ke以yi直zhi接jie連lian接jie,這zhe極ji大da地di簡jian化hua了le硬ying件jian設she計ji。最zui大da限xian度du減jian少shao外wai部bu組zu件jian數shu量liang也ye降jiang低di了le總zong體ti功gong耗hao,並bing提ti高gao了le準zhun確que度du,因yin為wei不bu存cun在zai電dian阻zu分fen壓ya器qi等deng組zu件jian。
結論
電池電量測量本身是一門藝術,因為有很多相互依賴的、影響 SOC 的參數。全球的專家們都認為,準確的庫倫計數與電壓、電流和溫度讀數相結合,為估計 SOC 提供了最準確的方法。LTC2944 電dian池chi電dian量liang計ji提ti供gong所suo有you這zhe些xie基ji本ben測ce量liang,並bing有you意yi不bu包bao括kuo內nei部bu電dian池chi模mo型xing,從cong而er允yun許xu用yong戶hu在zai特te定ding於yu應ying用yong的de軟ruan件jian中zhong采cai用yong對dui自zi己ji有you意yi義yi的de電dian量liang曲qu線xian和he算suan法fa。此ci外wai,通tong過guo I2C 非常容易訪問測量及配置寄存器,同時高達 60V 的多節電池可以直接與 LTC2944 連接。對任何數量、任何化學組成的電池進行電量測量從來沒有這麼容易,或者更重要的是,從來沒有這麼準確。
免責聲明:本文為轉載文章,轉載此文目的在於傳遞更多信息,版權歸原作者所有。本文所用視頻、圖片、文字如涉及作品版權問題,請電話或者郵箱聯係小編進行侵刪。
特別推薦
- 噪聲中提取真值!瑞盟科技推出MSA2240電流檢測芯片賦能多元高端測量場景
- 10MHz高頻運行!氮矽科技發布集成驅動GaN芯片,助力電源能效再攀新高
- 失真度僅0.002%!力芯微推出超低內阻、超低失真4PST模擬開關
- 一“芯”雙電!聖邦微電子發布雙輸出電源芯片,簡化AFE與音頻設計
- 一機適配萬端:金升陽推出1200W可編程電源,賦能高端裝備製造
技術文章更多>>
- 一秒檢測,成本降至萬分之一,光引科技把幾十萬的台式光譜儀“搬”到了手腕上
- AI服務器電源機櫃Power Rack HVDC MW級測試方案
- 突破工藝邊界,奎芯科技LPDDR5X IP矽驗證通過,速率達9600Mbps
- 通過直接、準確、自動測量超低範圍的氯殘留來推動反滲透膜保護
- 從技術研發到規模量產:恩智浦第三代成像雷達平台,賦能下一代自動駕駛!
技術白皮書下載更多>>
- 車規與基於V2X的車輛協同主動避撞技術展望
- 數字隔離助力新能源汽車安全隔離的新挑戰
- 汽車模塊拋負載的解決方案
- 車用連接器的安全創新應用
- Melexis Actuators Business Unit
- Position / Current Sensors - Triaxis Hall
熱門搜索
按鈕開關
白色家電
保護器件
保險絲管
北鬥定位
北高智
貝能科技
背板連接器
背光器件
編碼器型號
便攜產品
便攜醫療
變容二極管
變壓器
檳城電子
並網
撥動開關
玻璃釉電容
剝線機
薄膜電容
薄膜電阻
薄膜開關
捕魚器
步進電機
測力傳感器
測試測量
測試設備
拆解
場效應管
超霸科技




