芯訊通Tbox開發板瞄準人車交互智能化
發布時間:2019-03-11 責任編輯:lina
【導讀】車聯網已經成為汽車行業發展趨勢,網聯滲透率不斷在提升。據IHS預計,到2020年,全球汽車電子市場規模將接近3000億美元,市場空間巨大。
車聯網已經成為汽車行業發展趨勢,網聯滲透率不斷在提升。據IHS預計,到2020年,全球汽車電子市場規模將接近3000億美元,市場空間巨大。而從產品層麵來看,過去10 年,汽車電子產品應用主要集中於動力係統、底盤、車身等方麵進行;將來,車聯網將不再局限於對車的認知,更是作為智能終端與外網的連接。這時,GPS、傳感器以及通信模組的相互協調成為了關鍵。
芯(xin)訊(xun)通(tong)作(zuo)為(wei)行(xing)業(ye)領(ling)先(xian)的(de)無(wu)線(xian)通(tong)信(xin)模(mo)組(zu)企(qi)業(ye),致(zhi)力(li)於(yu)為(wei)廣(guang)大(da)車(che)主(zhu)提(ti)供(gong)穩(wen)定(ding)的(de)連(lian)接(jie)和(he)極(ji)佳(jia)的(de)用(yong)戶(hu)體(ti)驗(yan)。芯(xin)訊(xun)通(tong)提(ti)供(gong)的(de)無(wu)線(xian)通(tong)信(xin)模(mo)組(zu)是(shi)車(che)載(zai)遠(yuan)程(cheng)通(tong)信(xin)終(zhong)端(duan)中(zhong)的(de)核(he)心(xin)零(ling)部(bu)件(jian),是(shi)連(lian)接(jie)汽(qi)車(che)與(yu)網(wang)絡(luo)的(de)管(guan)道(dao),也(ye)是(shi)用(yong)戶(hu)體(ti)驗(yan)的(de)開(kai)始(shi)。沒(mei)有(you)無(wu)線(xian)通(tong)信(xin)模(mo)組(zu),汽(qi)車(che)相(xiang)關(guan)的(de)車(che)載(zai)應(ying)用(yong)便(bian)不(bu)能(neng)連(lian)接(jie)到(dao)互(hu)聯(lian)網(wang),即(ji)不(bu)能(neng)實(shi)現(xian)車(che)聯(lian)網(wang)。將(jiang)來(lai),在(zai)車(che)聯(lian)網(wang)應(ying)用(yong)移(yi)動(dong)邊(bian)緣(yuan)計(ji)算(suan)和(he)5G網絡後,車聯網數據可以就近存儲於離車輛較近的位置,提供低時延、高可靠性的通信能力,實時進行數據分析,並將分析所得結果迅速傳送給臨近區域內的其他聯網車輛,以便車輛做出決策。芯訊通SIM7800車規級模組將中控台和Tbox連接在一起,由Tbox與外界連接,實現車聯環境內大流量的新互聯或者娛樂體驗。

【圖為T-Box客戶應用架構】
芯訊通SIM7800是基於高通MDM9628 LTE CAT4的車規級模組,LGA封裝,尺寸為34*40*2.9mm,最大下行帶寬可以達到150Mbps而上行帶寬可以達到50Mbps。SIM7800基於全新的網絡安全設計,符合汽車網絡安全構架標準。SIM7800通過多重安全機製來保障汽車和互聯網之間的通信安全,給整車廠和用戶提供智能車載解決方案。SIM7800模組是一款提供軟件開發工具包和軟件二次開發方案的車規級模組,提供的open linux方案可以激發開發者的創造潛力,還提供內置網絡安全功能,並支持安全的空中升級。SIM7800預留高速以太網接口,適合車內高速傳輸數據,為車輛提供穩定可靠的通信能力。

【圖為 T-Box成品圖】
芯訊通代理商——Excelpoint世健公司產品經理Nicola Chen表示:“Tbox定製開發板將幫助設計者靈活使用芯訊通車規級模組SIM7800,為汽車用戶提供更加豐富的業務和服務,並對車輛進行有效的監管和調度,實現更加高效、安全、舒適的車輛管理和用戶體驗。”
安全是車聯網的重中之重,嚴格把控Tbox與外網的連接的絕對安全是芯訊通的重要任務。首先,從程序的保護上,隻有來源合法的產品才能對Tbox進行升級。第二:模塊的係統安全性上,由於其本身基於Linux,芯訊通采用SeLinux+把各種非法入侵的途徑都堵死。第三:保障文件的私密性,對數據進行加密。

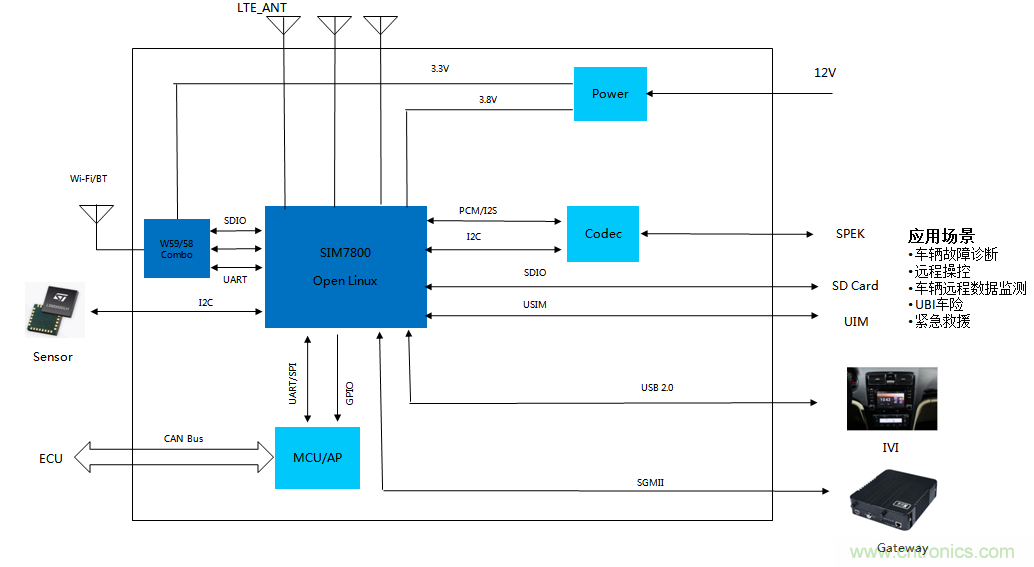
【圖為 SIM7800CE 4G模塊設計框圖】
關於世健——亞太區領先的元器件授權代理商
世健是完整解決方案的供應商,為亞洲電子廠商包括原設備生產商(OEM)、原設計生產商(ODM)和電子製造服務提供商(EMS)提供優質的元器件、工程設計及供應鏈管理服務。
世(shi)健(jian)與(yu)供(gong)應(ying)商(shang)及(ji)電(dian)子(zi)廠(chang)商(shang)緊(jin)密(mi)協(xie)作(zuo),為(wei)新(xin)的(de)科(ke)技(ji)與(yu)趨(qu)勢(shi)作(zuo)出(chu)定(ding)位(wei),並(bing)幫(bang)助(zhu)客(ke)戶(hu)把(ba)這(zhe)些(xie)最(zui)先(xian)進(jin)的(de)科(ke)技(ji)揉(rou)合(he)於(yu)他(ta)們(men)的(de)產(chan)品(pin)當(dang)中(zhong)。集(ji)團(tuan)分(fen)別(bie)在(zai)新(xin)加(jia)坡(po)、中zhong國guo及ji越yue南nan設she有you研yan發fa中zhong心xin,專zhuan業ye的de研yan發fa團tuan隊dui不bu斷duan創chuang造zao新xin的de解jie決jue方fang案an,幫bang助zhu客ke戶hu提ti高gao成cheng本ben效xiao益yi並bing縮suo短duan產chan品pin上shang市shi時shi間jian。世shi健jian研yan發fa的de完wan整zheng解jie決jue方fang案an及ji參can考kao設she計ji可ke應ying用yong於yu工gong業ye、無線通信及消費電子等領域。
世健是新加坡的主板上市公司,總部設於新加坡,擁有超過750名員工,業務範圍已擴展至亞太區40多個城市和地區,遍及新加坡、馬來西亞、泰國、越南、中國、印度、印度尼西亞、菲律賓及澳大利亞等十多個國家。世健集團在2018年的年營業額超過12億5千萬美元。世健於1993年開始發展中國業務,中國區總部設於香港,並擁有11個分公司及辦事處、1個研發中心及2個物流中心,遍及中國多個城市。
特別推薦
- 噪聲中提取真值!瑞盟科技推出MSA2240電流檢測芯片賦能多元高端測量場景
- 10MHz高頻運行!氮矽科技發布集成驅動GaN芯片,助力電源能效再攀新高
- 失真度僅0.002%!力芯微推出超低內阻、超低失真4PST模擬開關
- 一“芯”雙電!聖邦微電子發布雙輸出電源芯片,簡化AFE與音頻設計
- 一機適配萬端:金升陽推出1200W可編程電源,賦能高端裝備製造
技術文章更多>>
- 大聯大世平集團首度亮相北京國際汽車展 攜手全球芯片夥伴打造智能車整合應用新典範
- 2026北京車展即將啟幕,高通攜手汽車生態“朋友圈”推動智能化體驗再升級
- 邊緣重構智慧城市:FPGA SoM 如何破解視頻係統 “重而慢”
- 如何使用工業級串行數字輸入來設計具有並行接口的數字輸入模塊
- 意法半導體將舉辦投資者會議探討低地球軌道(LEO)發展機遇
技術白皮書下載更多>>
- 車規與基於V2X的車輛協同主動避撞技術展望
- 數字隔離助力新能源汽車安全隔離的新挑戰
- 汽車模塊拋負載的解決方案
- 車用連接器的安全創新應用
- Melexis Actuators Business Unit
- Position / Current Sensors - Triaxis Hall
熱門搜索





