詳解集成電路運放的設計原理
發布時間:2019-03-11 責任編輯:lina
【導讀】集成電路是利用氧化,光刻,擴散,外延,蒸鋁等集成工藝,把晶體管,電阻,導線等集中製作在一小塊半導體(矽)基片上,構成一個完整的電路。
一、集成電路及其特點
集成電路是利用氧化,光刻,擴散,外延,蒸鋁等集成工藝,把晶體管,電阻,導線等集中製作在一小塊半導體(矽)基片上,構成一個完整的電路。按功能可分為模擬集成電路和數字集成電路兩大類,其中集成電路運算放大器(線性集成電路,以下簡稱集成運放)是模擬集成電路中應用最廣泛的,它實質上是一個高增益的直接耦合多級放大電路。
集成電路的特點
1. 單個元件精度不高,受溫度影響也大,但元器件的性能參數比較一致,對稱性好。適合於組成差動電路。
2. 阻值太高或太低的電阻不易製造,在集成電路中管子用得多而電阻用得少。
3. 大電容和電感不易製造,多級放大電路都用直接耦合。
4. zaijichengdianluzhong,weilebushigongyifuza,jinliangcaiyongdanyileixingdeguanzi,yuanjianzhongleiyeyaoshaosuoyi,jichengdianluzaixingshishanghefenliyuanjiandianluxiangbiyouhendadechabiehetedian。changyongerjiguanhesanjiguanzuchengdehengliuyuanhedianliuyuandaitidadejidianjidianzuhetigongweixiaodepianliangdianliu,erjiguanyongsanjiguandefashejiedaiti
5. 在集成電路中,NPN管都做成縱向管,β大;PNP管都做成橫向管,β小而PN結耐壓高。NPN管和PNP管無法配對使用。對PNP管,β和(β+1)差別大,IB往往不能忽略。
二、集成運放電路的組成及各部分的作用
1. 組成

2. 作用
如圖所示,集成運放電路由四部分組成,輸入級是一個雙端輸入的高性能差動放大電阻,要求其Ri高,Aod大,KCMR大(da),靜(jing)態(tai)電(dian)流(liu)小(xiao),該(gai)級(ji)的(de)好(hao)壞(huai)直(zhi)接(jie)影(ying)響(xiang)集(ji)成(cheng)運(yun)放(fang)的(de)大(da)多(duo)數(shu)性(xing)能(neng)參(can)數(shu),所(suo)以(yi)更(geng)新(xin)變(bian)化(hua)最(zui)多(duo)。中(zhong)間(jian)級(ji)的(de)作(zuo)用(yong)是(shi)使(shi)集(ji)成(cheng)運(yun)放(fang)具(ju)有(you)較(jiao)強(qiang)的(de)放(fang)大(da)能(neng)力(li),故(gu)多(duo)采(cai)用(yong)複(fu)合(he)管(guan)做(zuo)放(fang)大(da)管(guan),以(yi)電(dian)流(liu)源(yuan)做(zuo)集(ji)電(dian)極(ji)負(fu)載(zai)。輸(shu)出(chu)級(ji)要(yao)求(qiu)具(ju)有(you)線(xian)性(xing)範(fan)圍(wei)寬(kuan),輸(shu)出(chu)電(dian)阻(zu)小(xiao),非(fei)線(xian)性(xing)失(shi)真(zhen)小(xiao)等(deng)特(te)點(dian)。偏(pian)置(zhi)電(dian)路(lu)用(yong)於(yu)設(she)置(zhi)集(ji)成(cheng)運(yun)放(fang)各(ge)級(ji)放(fang)大(da)電(dian)路(lu)的(de)靜(jing)態(tai)工(gong)作(zuo)點(dian)
三、集成運放的電壓傳輸特性

1.符號
同相輸入端表示輸入電壓與輸出電壓相位相同,若uP >0,則uO >0;uP <0,則uO <0.
反相輸入端表示輸入電壓與輸出電壓相位相反,若uN >0,則uO <0;反之uN <0,則uO >0.
2.電壓的傳輸特性

所謂電壓傳輸特性,實際上是一種關係曲線如圖4-3,即輸出電壓uo和輸入電壓uizhijiandeguanxiquxian。guanxiquxianmingxiandiweilianggequyu,xianxingfangdaquhebaohequ,xiexianfanyinglexianxingfangdaqushuruyushuchuzhijiandeguanxi。xielvjiushidianyafangdabeishuAv=uo/ui,輸出與輸入幅值(或有效值)之比,兩端水平線是飽和區的現象,表明輸出電壓uo不隨輸入ui =uP - uN 而變,而是恒定值+Uom(或-Uom),由特性曲線還看出線性區非常窄,這是因為差模開環放大倍數Aod非常高,可達幾十萬倍,隻有當ui =|uP - uN |< 28μV時,電路才工作在線性區。
四、集成運放中的電流源電路
1.鏡像電流源(圖4-5.4)
1 組成
由三極管T2和接成二極管T1的組成,發射結並聯,即UBE1 = UBE2

2 工作原理
IC2 = IR /(1+2/β) (4-1)
如果β>>2,則
IC2 ≈ IR = (VCC-UBE)/R (4-2)
3 問題
a)IC2隨VCC變化; b)要使IC2小,R必須很大
c)對溫度漂移沒有抑製作用 d)輸出電阻不夠大 RO =rce2
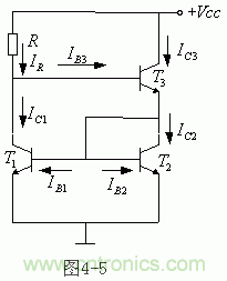
2.威爾遜電流源(圖4-7.5)
1 組成
在鏡像電流源基礎上加了T3
2 工作原理
(4-3)

其中
IR =(VCC-UBE3-UBE2)/R (4-3)
3 特點和問題
恒流輸入管T3的Re3 ≈rbe /2,使它的IC3穩定性大為提高,IC3與IR之間的誤差也大大減小。但電源電壓變化時,IC3和IR幾乎按同樣比例變化。要求 為uA級時,R仍然太大。
3.微電流源(圖4-9. 6)
1 組成
在鏡像電流源T2管的發射極上加接電阻Re 。

2 工作原理
UT .ln(IC1 /IC2)=IC2Re (4-4)
3 特點
小而穩。用不大的Re就可以使IC2為uA級。由於引入Re, IC2更加穩定。由於UBE2 <
4.多路電流源
用同一個參數電流IR ,同時產生幾個輸出電流,給多個放大管提供偏置電流或作為有源負載。
5.電流源的應用
1 為集成運放各級提供小而穩的偏置電流
2 作為各放大級的有源負載,提高電壓增益。
優點:(a)用三極管代替大電阻,節省矽片麵積,降低成本。
(b)用較少的級數可獲得很高的增益,由於級數少和電路輸出阻抗大,集成運放的消振問題容易解決
(c)由於放大管集電極電流與集電極電位無關,電路可以在很寬的電源電壓範圍內工作而偏置電流基本不變。
特別推薦
- 噪聲中提取真值!瑞盟科技推出MSA2240電流檢測芯片賦能多元高端測量場景
- 10MHz高頻運行!氮矽科技發布集成驅動GaN芯片,助力電源能效再攀新高
- 失真度僅0.002%!力芯微推出超低內阻、超低失真4PST模擬開關
- 一“芯”雙電!聖邦微電子發布雙輸出電源芯片,簡化AFE與音頻設計
- 一機適配萬端:金升陽推出1200W可編程電源,賦能高端裝備製造
技術文章更多>>
- 築基AI4S:摩爾線程全功能GPU加速中國生命科學自主生態
- 一秒檢測,成本降至萬分之一,光引科技把幾十萬的台式光譜儀“搬”到了手腕上
- AI服務器電源機櫃Power Rack HVDC MW級測試方案
- 突破工藝邊界,奎芯科技LPDDR5X IP矽驗證通過,速率達9600Mbps
- 通過直接、準確、自動測量超低範圍的氯殘留來推動反滲透膜保護
技術白皮書下載更多>>
- 車規與基於V2X的車輛協同主動避撞技術展望
- 數字隔離助力新能源汽車安全隔離的新挑戰
- 汽車模塊拋負載的解決方案
- 車用連接器的安全創新應用
- Melexis Actuators Business Unit
- Position / Current Sensors - Triaxis Hall
熱門搜索
微波功率管
微波開關
微波連接器
微波器件
微波三極管
微波振蕩器
微電機
微調電容
微動開關
微蜂窩
位置傳感器
溫度保險絲
溫度傳感器
溫控開關
溫控可控矽
聞泰
穩壓電源
穩壓二極管
穩壓管
無焊端子
無線充電
無線監控
無源濾波器
五金工具
物聯網
顯示模塊
顯微鏡結構
線圈
線繞電位器
線繞電阻




